Toyota Supra

Toyota (Celica) Supra
Produktionszeitraum: 1978–2002, seit 2019
Klasse: Sportwagen
Karosserieversionen: Kombicoupé

Toyota Supra ist ein Sportwagen des Unternehmens Toyota, der zuerst als Ableitung des im Herbst 1970 präsentierten Coupés Celica (als Celica Supra) entwickelt und ab Anfang 1986 als eigenständiges Modell vermarktet wurde. Der Zusatz „Supra“ (über, übergeordnet) sollte die herausgehobene Positionierung verdeutlichen.

Celica XX Supra (1978–1981)

Toyota Celica Supra (der 1981 gebaute erste Supra wurde noch als Spitzenversion des Celica zuerst in Japan und später mit herkömmlicher Spulenzündung (Batteriezündung) gebaut. In einigen Regionen stand auch der 2,0-Liter-Sechszylinder-Motor M-TE mit Turboaufladung und 108 kW (145 PS) zur Verfügung).

Weitere Unterschiede zum normalen Celica waren ein verlängerter Radstand (der Wagen wurde vor der Fahrgastzelle verlängert), eine umfangreichere Ausstattung sowie motorenseitig Leichtmetall-Zylinderköpfe mit zwei obenliegenden Nockenwellen und Saugrohreinspritzung. Zusätzlich wurde die Front abgeändert und der Grill ist in Form eines "T" gestaltet.

Celica Supra (MA 60/61, 1981–1985)

2. Generation
Toyota Celica Supra (1981–1985)
Toyota Celica Supra (1981–1985)

Toyota Celica Supra (1981–1985)

Produktionszeitraum: 1981–1985
Karosserieversionen: Kombicoupé
Motoren: Ottomotor:
2,8 Liter
(125 kW)
Länge: 4620 mm
Breite: 1685–1720 mm
Höhe: 1321 mm
Radstand: 2614 mm
Leergewicht: ≈1250 kg

Die zweite Generation wurde im Herbst 1981 präsentiert.

Auch sie war immer noch als Derivat des Celica Liftback erkennbar, hatte aber mit den neuen 125 kW (170 PS) starken 2,8-Liter-6-Zylinder-Motoren 5M-GE und 5M-E (beide für Europa) einen komplett eigenständigen Antrieb. Optisch unterschied sich der Celica Supra durch die breitere B-Säule sowie durch die anders geformte Front.

Weitere Modell- und Leistungsvarianten wurden in den USA und Japan angeboten. Zu den besonderen Ausstattungsmerkmalen zählten die vier innenbelüfteten Scheibenbremsen, Servolenkung und Sperrdifferential.

Heckansicht (US-Version)

Der anfangs in der Schweiz angebotene Celica Supra wurde vom 5M-GE-Motor mit 125 kW (170 PS) angetrieben. Aufgrund abweichender Abgasvorschriften wurde er ab Anfang 1984 mit dem 5M-E-Motor aus dem Toyota Crown mit 103 kW (140 PS) angeboten. Mit dem 5M-GE-Motor wurde er lediglich ein Jahr in die Schweiz importiert. Die Version mit dem 5M-E-Motor verfügte nun über einen Katalysator, welcher beim 5M-GE-Motor fehlte.

In Europa (außer in Schweden und in der Schweiz) wurde der Celica Supra weiter mit dem 5M-GE-Motor ausgestattet. 1984 erfuhr er eine kleine Leistungssteigerung auf 133 kW und erhielt, wie die schwedischen und schweizerischen Versionen, einen Digitaltacho mit Drehzahlmesser.

Im Sommer 1985 wurde die Produktion eingestellt.

Motor 5M-GE (1981–1985)

  • Motor: 6-Zylinder-Reihenmotor mit zwei obenliegenden Nockenwellen, elektronische Saugrohreinspritzung (EFI), kontaktlose Transistorzündung.
  • Bohrung × Hub: 83,0 × 85,0
  • Zylinderkopf: 12 Ventile
  • Hubraum: 2740 cm³
  • Verdichtung: 9,2:1
  • Leistung: 125 kW (170 PS) bei 5600/min
  • Drehmoment: 230 Nm bei 4600/min

Fahrleistungen mit 5M-GE-Motor (125 kW/170 PS)

  • Höchstgeschwindigkeit: 210 km/h
  • 0 bis 100 km/h: 8.7 Sekunden
  • Verbrauch: 10 l

Getriebe manuell

  • 5 Gänge manuell
  • Toyota-Getriebecode: W 58
  • Übersetzung:
    • 1. Gang: 3,268
    • 2. Gang: 1,894
    • 3. Gang: 1,276
    • 4. Gang: 1,000
    • 5. Gang: 0,861
  • Rückwärtsgang: 3,769
  • Kupplung: hydraulisch betätigte Einscheiben-Trockenkupplung
  • Antrieb: Hinterachse, Sperrdifferential

Getriebeautomatik

  • 4-Stufen-Automatik
  • Übersetzung:
    • 1. Stufe 2,452
    • 2. Stufe 1,452
    • 3. Stufe 1,000
    • 4. Stufe 0,688
  • Rückwärtsgang: 2,212

Fahrwerk

Hinterradantrieb, rundum Einzelradaufhängung, vorn MacPherson-Federbeine und Querlenker, hinten Schräglenker; Zahnstangenlenkung mit Servounterstützung, hydraulische Zweikreisbremse mit Bremskraftverstärker, innenbelüftete Scheibenbremsen vorn und hinten.

  • Felgengröße vorn und hinten: 6J × 15"
  • Reifengröße: 205/60 VR 15

Ausstattung

Sperrdifferential, Aluminium-Felgen, Ölkühler, Scheinwerferwaschanlage, Nebellampen und -Schlussleuchte, 8-fach verstellbarer Fahrersitz, Sportsitze, elektrische Fensterheber, verstellbares Lenkrad

Supra (MA70/MA71, 1986–1992)

3. Generation
Toyota Supra (1986–1988)
Toyota Supra (1986–1988)

Toyota Supra (1986–1988)

Produktionszeitraum: 1986–1992
Karosserieversionen: Kombicoupé
Motoren: Ottomotoren:
2,0–3,0 Liter
(150–206 kW)
Länge: 4620 mm
Breite: 1745 mm
Höhe: 1301–1310 mm
Radstand: 2595 mm
Leergewicht: 1530–1595 kg
Heckansicht
Toyota Supra (1988–1991)
Toyota Supra (1991–1992)

Anfang 1986 wurde die dritte Generation des Supra vorgestellt. Sie ist zugleich die erste, die nicht mehr mit dem Namenszusatz Celica vermarktet wurde. Die endgültige Trennung der beiden Modellreihen wurde durch das Antriebskonzept (die Celica wurde ab 1986 mit Frontantrieb verkauft, der Supra blieb beim Hinterradantrieb) und das Design verdeutlicht.

Im Herbst 1987 erschien der Turbomotor mit 173 kW (235 PS).

Ein erstes Facelift an der Front und am Heck (dreiteiliger Heckflügel) wurde im August 1988 durchgeführt. Zeitgleich wurde der Saugmotor aus dem Programm genommen.

Eine zweite Überarbeitung (anderes Toyota-Emblem und 5-Stern-Felgen) erfolgte im Frühjahr 1991. Der leicht überarbeitete Motor bekam 2 kW (3 PS) und 6 Nm mehr und hatte nun 175 kW (238 PS) und 350 Nm.

Von dieser Generation gab es auch eine Variante mit Targadach, die auf bestimmten Märkten alternativ, zum Teil (wie in Deutschland) aber auch als einzige Karosserieversion angeboten wurde. In Japan und den USA war außerdem noch eine Variante mit Schiebedach (Sun Roof) erhältlich.

Vom MA70 wurde 1988 ein auf 500 Stück limitiertes Homologationsmodell mit der Bezeichnung "3.0GT Turbo A" angeboten. Das war notwendig, da das damalige Gruppe-A-Reglement es vorschrieb, falls ein modifizierter Turbolader und/oder andere Baugruppen eingesetzt werden sollten. Die Turbo A Modelle leisteten 204 kW (270 PS und 358 Nm) und wurden nur in Japan verkauft.

Ende 1992 lief die Produktion der dritten Baureihe aus.

Probleme

Der Turbomotor hatte mit technischen Problemen wegen der oft defekten Zylinderkopfdichtung zu kämpfen und war deshalb nicht sehr standfest und zuverlässig. Viele Besitzer der Turbo-Modelle hatten daher Motorprobleme und durchgebrannte Dichtungen, bis hin zu Motorschäden wegen Überhitzung.

Motoren

  • 1G-GE: 2.0 l, 6 Zylinder, 110 kW/150 PS – offiziell nur in Japan angeboten
  • 1G-GTE: 2.0 l Twin-Turbo, 6 Zylinder, 136 bis 153 kW/185 bis 210 PS – offiziell nur in Japan angeboten
  • 1JZ-GTE: 2,5 l Twin-Turbo, 6 Zylinder, 206 kW/280 PS; - offiziell nur in Japan angeboten
  • 7M-GE: 3,0 l, 6 Zylinder, 150 kW/204 PS (140 kW/190 PS mit Katalysator) (01.1986–08.1988)
  • 7M-GTE: 3,0 l Turbo, 6 Zyl., 173 kW/235 PS (09.1987–01.1991)
  • 7M-GTE: 3,0 l Turbo, 6 Zyl., 175 kW/238 PS (01.1991–12.1992)
  • 7M-GTE (Turbo A): 3,0 l Turbo, 6 Zyl., 199 kW/270 PS; - offiziell nur in Japan angeboten

Motor 7M-GTE (09.1987–01.1991)

  • Motor: 6-Zylinder-Reihenmotor mit Turbolader und zwei obenliegenden Nockenwellen
  • Bohrung × Hub: 83,0 × 91,0
  • Zylinderkopf: 24 Ventile
  • Hubraum: 2954 cm³
  • Verdichtung: 8,4:1
  • Leistung: 173 kW (235 PS) bei 5600/min
  • Drehmoment: 344 Nm bei 3200/min

Motor 7M-GTE (01.1991–12.1992)

  • Motor: 6-Zylinder-Reihenmotor mit Turbolader und zwei obenliegenden Nockenwellen
  • Bohrung × Hub: 83,0 × 91,0
  • Zylinderkopf: 24 Ventile
  • Hubraum: 2954 cm³
  • Verdichtung: 8,5:1
  • Leistung: 175 kW (238 PS) bei 5600/min
  • Drehmoment: 350 Nm bei 3200/min

Getriebe manuell

  • 5 Gänge manuell
  • Toyota-Getriebecode: R154 (Turbo)
  • Toyota-Getriebecode: W 58 (ohne Turbo)
  • Übersetzung:
    • 1. Gang: 3,251
    • 2. Gang: 1,955
    • 3. Gang: 1,310
    • 4. Gang: 1,000
    • 5. Gang: 0,753
  • Rückwärtsgang: 3,180
  • Kupplung: hydraulisch betätigte Einscheiben-Trockenkupplung
  • Antrieb: Hinterachse, zu 25 % gesperrtes Differential

Getriebeautomatik

  • 4-Stufen-Automatik (Turbo sowie Sauger)
  • Toyota-Getriebecode A340
  • Übersetzung:
    • 1. Stufe 2,804
    • 2. Stufe 1,531
    • 3. Stufe 1,000
    • 4. Stufe 0,705
  • Rückwärtsgang: 2,393

Gewichte

  • Leergewicht: 1550 kg (manuell) | 1630 kg (Automatik)
  • Zulässiges Gesamtgewicht: 2070 kg
  • Nutzlast 530 kg (Manuell) | 505 kg (Automatik)
  • Achslast vorne: 1120 kg
  • Achslast hinten: 1120 kg
  • Anhängelast gebremst: 1700 kg
  • Anhängelast ungebremst: 600 kg
  • Dachlast: 100 kg

Karosserie

  • Konzept: viersitziges Coupe mit zwei Türen und Heckklappe
  • Abmessungen
    • Länge: 4630 mm
    • Breite: 1745 mm
    • Höhe: 1310 mm
  • Tankinhalt: 70 Liter

Fahrwerk

Hinterradantrieb, rundum Einzelradaufhängung mit doppelten Querlenkern; Zahnstangenlenkung mit Servounterstützung, hydraulische Zweikreisbremse mit Bremskraftverstärker, innenbelüftete Scheibenbremsen vorn und hinten, ABS

  • Radgröße vorn und hinten: 7J × 16"
  • Reifengröße: 225/50 R 16

Fahrleistungen (Turbo-Modell)

  • Höchstgeschwindigkeit: 245 km/h

Beschleunigung:

  • 0–60 km/h: 3,4 s
  • 0–80 km/h: 5,0 s
  • 0–100 km/h: 6,3 s
  • 0–120 km/h: 9,5 s
  • 0–140 km/h: 12,4 s
  • 0–160 km/h: 16,4 s
  • 0–200 km/h: 28,4 s
  • 400 Meter (stehender Start): 14,8 s
  • 1 Kilometer (stehender Start): 26,9 s
  • Elastizität 60–100 km/h (4. Gang): 6,2 s
  • Elastizität 80–120 km/h (5. Gang): 9,9 s

Ausstattung

ABS, zu 25 % gesperrtes Differential, Ölkühler, Scheinwerferwaschanlage, Zentralverriegelung, Nebellampen und -Schlussleuchte, Sitzheizung (als Option), Tempomat, Targadach (bei Turbo Serie), sonnenstandabhängige Klimaautomatik, elektrisch verstellbarer Fahrersitz, elektrische Fensterheber, elektrisch verstellbare Außenspiegel, verstellbares Lederlenkrad

Supra (JZA80, 1993–2002)

4. Generation
Toyota Supra (1993–2002)
Toyota Supra (1993–2002)

Toyota Supra (1993–2002)

Produktionszeitraum: 1993–2002
Karosserieversionen: Kombicoupé
Motoren: Ottomotoren:
3,0 Liter
(162–243 kW)
Länge: 4515 mm
Breite: 1810 mm
Höhe: 1275 mm
Radstand: 2550 mm
Leergewicht: 1590–1640 kg

Im Juli 1993 kam die vierte Generation des Supra auf den Markt (Modellcode JZA80). In den USA wird dieser Typ „Supra MKIV“ (= Supra der vierten Generation) genannt.

Produktionszeitraum und Märkte

Der vierte Supra wurde ausschließlich in Japan produziert und in nur wenige Länder exportiert. Aufgrund nachlassender Nachfrage in den Absatzmärkten (unter anderem bedingt durch strengere Abgasnormen) stellte Toyota den Import für Europa im Frühjahr 1996 ein, während der US-Markt noch bis 1999 bedient wurde.

Der letzte Supra MKIV lief im Sommer 2002 für den japanischen Heimatmarkt vom Band.

Modelle und Motoren

2JZ-GTE (D), Motorraum

Die Modellreihe MKIV gab es in den Karosserievarianten Coupé und Targa, jeweils mit Frontmotor und Hinterradantrieb. Die Motoren entstammten der 2JZ-Baureihe von Toyota. GE bezeichnete dabei die Saugmotoren, GTE die Turbomotoren. Die von Yamaha entwickelten Aluminium-Zylinderköpfe mit jeweils vier Ventilen pro Zylinder wurden durch zwei obenliegende Nockenwellen (Zahnriemenantrieb) gesteuert.

In Deutschland wurde der Supra MKIV ausschließlich als Targa mit Vollausstattung und Turbomotor angeboten. In der Schweiz stand zusätzlich die Coupé-Version mit ansonsten gleicher Ausstattung zur Verfügung. Das A343E-Automatikgetriebe war ohne Aufpreis erhältlich. Optional war das Aerodynamikpaket mit mächtigem Heckflügel und aktivem Frontspoiler.

Modelljahr 1993 2JZ-GE 2JZ-GTE
Motor DOHC-Reihenmotor
Turbolader ./. 2 × CT12b
Zylinder 6
Bohrung × Hub 86,0 mm × 86,0 mm
Hubraum 2997 cm³
Verdichtung 10,0:1 8,5:1
Kurbelwellenlager 7
Ventile 24
Drehmoment max. 294 Nm bei 4800 min−1 441 Nm bei 4800 min−1
Leistung 162 kW (220 PS) bei 5800 min−1 243 kW (330 PS) bei 5600 min−1

Ab 1998 verfügten die Zylinderköpfe über eine variable Nockenwellenverstellung (VVT-i).

Modelljahr 1998 2JZ-GE 2JZ-GTE
Verdichtung 10,0:1 8,5:1
Drehmoment max. 308 Nm bei 4000 min−1 441 Nm bei 4800 min−1
Leistung 162 kW (220 PS) bei 6000 min−1 243 kW (330 PS) bei 5600 min−1

Turbolader

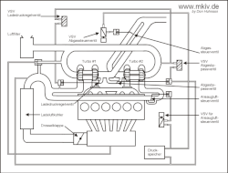
Der MKIV-Turbomotor (2JZ-GTE) wird über zwei parallel angeordnete CT12B-Turbolader aufgeladen. Die Aufladung erfolgt sequentiell. Sequentiell bedeutet, bei niedriger Drehzahl arbeitet nur ein Lader; steigt die Drehzahl, schaltet sich der zweite Lader dazu.

Die Steuerung des sequentiellen Systems erfolgt über den Ladedruck, mechanische Stelldosen und Ventilklappen sowie über elektrische Magnetventile (VSV= Vacuum Switching Valve), die vom Motorsteuergerät (ECU) kontrolliert werden.

Die mechanische Steuerung des Turbosystems wird durch vier Ventilklappen realisiert:

  1. Ladedruckregelventil
  2. Abgasbypassventil
  3. Abgassteuerventil
  4. Ansaugluftsteuerventil

Die Ventilklappen werden per Schubstange von den zugehörigen Stelldosen betätigt, sobald diese mit Druck beaufschlagt werden. Zur Feinabstimmung variiert die Motor-ECU über elektronisch gesteuerte Magnetventile (VSV) den Druck auf die Stelldosen und beeinflusst damit deren Funktion. Das Zusammenwirken der Stelldosen und Magnetventile ist so konzipiert, dass im Falle eines Elektronikproblems die mechanische Steuerung weitgehend erhalten bleibt und eine Weiterfahrt (ggf. im Notbetrieb) möglich ist. Fehlfunktionen der Mechanik können teils auch erkannt werden, wobei die ECU die zugehörigen Magnetventile dann entsprechend aktiviert oder deaktiviert, so dass ebenfalls eine Weiterfahrt mit ggf. eingeschränkter Leistung möglich ist.

Systemübersicht

Ventile & Funktionen
Systemübersicht
  • Die Ladedruckregeleinheit umfasst die Stelldose, die auf das Wastegate des ersten Turbos wirkt, sowie ein nachgeschaltetes VSV (NC – normally closed). Diese Einheit reguliert den Gesamtladedruck des Systems. Der zweite Turbolader besitzt daher kein eigenes Wastegate.
  • Das Abgasbypassventil startet den zweiten Turbo. Neben der ladedruckabhängigen Wirksamkeit assistiert ein nachgeschaltetes VSV (NC). Da das zugehörige VSV nach der Stelldose angeordnet ist, ist eine Zwangsfunktion der Stelldose auch bei Ausfall des VSV gegeben.
  • Das Abgassteuerventil schaltet den zweiten Turbolader parallel. Hier ist das VSV (NC) vor der Stelldose platziert, was bei Problemen (Kabelbruch oder von der ECU erkannte fehlerhafte Sensordaten) dafür sorgt, dass der zweite Turbo nicht zugeschaltet wird.
  • Das Ansaugluftsteuerventil wird wie das Abgassteuerventil von derselben Druckleitung gespeist und arbeitet simultan zu diesem. Aktiviert, verbindet es die Druckseite von Turbo Nr. 2 mit der von Turbo Nr. 1. Auch hier ist das VSV vorgelagert angeordnet, um bei erkannten Fehlfunktionen eine Verbindung der Lader zu verhindern.
  • Der Druckspeicher puffert Ladedruck, um während kurzzeitiger Gaswegnahme weiterhin Steuerdruck für die nachfolgenden Ventile bereitstellen zu können. Somit wird ein abruptes Schließen und Öffnen dieser Klappen vermieden, die Mechanik des zweiten Turbos geschont und ein schnelles Wiederansprechen dieses Laders gewährleistet.
Start Turbo 1
Start Turbo 1

Bei niedriger Motordrehzahl hält die Motor-ECU das VSV des Abgassteuerventils des zweiten Turbos geschlossen. Sämtliche Abgase des Sechszylinders (rot) werden ausschließlich zu Turbo Nr. 1 geführt, was für frühes und schnelles Ansprechen dieses Laders sorgt. Der Druckaufbau wird dabei durch das nachgeschaltete VSV (via ECU) kontrolliert und ggf. korrigiert.

Start Turbo 2
Anlauf Turbo 2

Damit der zweite Turbolader nicht „kalt“ auf volle Leistung gegen den bereits vorhandenen Systemdruck gebracht wird (was schädlich für die Mechanik des Laders wäre), öffnet sich bei zunehmender Motordrehzahl zunächst das Abgasbypassventil. Dadurch strömt ein Teil der aktuellen Abgasmenge durch den zweiten Lader, wodurch dieser sanft beschleunigt wird.

Anlauf Turbo 2

In der Anlaufphase von Turbo Nr. 2 wird dessen Ladedruck zunächst über ein Zungenventil dem Ansaugsystem zugeführt (blau; unterhalb Ansaugluftsteuerventil).

TwinTurbo-Modus

Bei höherer Drehzahl öffnen sich Abgassteuerventil und Ansaugluftsteuerventil, so dass Turbo Nr. 1 und Turbo Nr. 2 die Ansaugluft gemeinsam komprimieren können. Die Turbos laufen jetzt parallel.

Systemansicht bei Vollgas:

TwinTurbo-Modus
Ladedruckbegrenzung

Das Bypassventil (Wastegate) an Turbo Nr. 1 reguliert den Gesamtladedruck. Das Ventil wird primär durch die zugehörige ladedruckabhängige Stelldose gesteuert. Die sekundäre Regelung durch das nachgeordnete VSV (gelb) beeinflusst die Wirkung der Stelldose jedoch insofern, als der serienmäßig programmierte Systemladedruck insgesamt nicht höher als auf ca. 0,7–0,8 bar ansteigen kann.

Boost-Control
Blow-Off-Funktion

Bei Gaswegnahme schließt die Drosselklappe. Der dadurch entstehende Unterdruck in der Ansaugkammer öffnet über eine Unterdruckleitung (orange) ein Umluftventil (Blow-Off-Valve), das die komprimierte Luft wieder zurück in den Ansaugtrakt vor die Turbos (blau) leitet.

Blow-Off-Funktion

Getriebe/Differential

Je nach Motorisierung kamen unterschiedliche Getriebe-/Differentialvarianten zum Einsatz:

  • Einscheibentrockenkupplung und 6-Stufen-Schaltgetriebe (Getrag V160/V161)
  • Einscheibentrockenkupplung und 5-Gang-Schaltgetriebe (W58)
  • Drehmomentwandler mit Wandlerüberbrückungskupplung und 4-Stufen-Automatik mit Overdrive (Aisin A340/A340E/A343E) – [E = elektronisch gesteuert]

Turbo-Modelle rüstete Toyota serienmäßig mit einem Differential mit begrenztem Schlupf nach dem Torsen-System und einer (per Knopfdruck abschaltbaren) elektronischen Traktionsregelung (TRC) aus.

Karosserie Coupé/Targa Coupé/Targa
Motor 2JZ-GE 2JZ-GTE
Getriebe 4-Stufen-Automatik (A340/A340E) 4-Stufen-Automatik (A340E/A343E)
6-Gang-Getriebe (Getrag V161) 6-Gang-Getriebe (Getrag V160)
5-Gang-Getriebe (W58)
Torsen-Differential optional standard
(USA: Standard ab 1998)

Getriebeabstufung/Differential

Motor Region Getriebe Gang/Übersetzung Differential Gesamtübersetzung
1 2 3 4 5 6 R
2JZ-GTE EU A343E 2,804 1,531 1,000 0,753 - - 2,393 3,538 2,664
Austria/CH 3,266 2,459
USA/Japan/GCC 0,705 3,769 2,657
EU V160 3,827 2,360 1,685 1,312 1,000 0,793 3,280 3,266 2,590
USA/Japan/GCC 3,133 2,484
2JZ-GE USA/GCC A340/E 2,804 1,531 1,000 0,705 - - 2,393 3,769 2,657
Japan 0,753 4,083 2,879
USA W58 3,285 1,894 1,275 1,000 0,783 - 3,786 4,272 3,345
USA (ab 1998) 4,083 3,197
Japan
GCC (Golfstaaten) 3,769 2,951
Japan V161 3,724 2,246 1,541 1,205 1,000 0,818 3,192 3,269 2,674

Fahrwerk und Bremsen

Serienmäßig brachte der MKIV seine Leistung über 255/40er-Hinterräder im 17-Zoll-Format auf die Straße (vorne 235/45er). Einzelradaufhängung mit jeweils oberen und unteren Dreiecksquerlenkern an der Vorderachse, sowie einem Dreiecksquerlenker oben und drei Stablenkern an der Hinterachse sorgten in Verbindung mit Stabilisatoren und Gasdruckstoßdämpfern für gute Straßenlage. Saugmotor- und Turbomodelle für den japanischen Markt waren mit 16-Zoll-Felgen ausgestattet.

2JZ-GTE (D), TRC-Drosselklappe

An der Vorderachse verzögerten 4-Kolben-Festsattelbremsen (hinten 2 Kolben), die jeweils auf innen belüftete Bremsscheiben wirkten. Ein zusätzlicher Querbeschleunigungssensor unterstützte das elektronisch gesteuerte 4-Sensoren-Antiblockiersystem (ABS), um bei schneller Kurvenfahrt höhere und besser dosierbare Verzögerungen zu ermöglichen. Saugmotor- und Turbomodelle für den japanischen Markt hatten ein 3-Kanal-ABS und schwächer dimensionierte Bremsen an der Vorderachse.

Traktionsregelung

Die Traktionsregelung (TRC) erkannte in Zusammenarbeit mit dem ABS, ob ein Rad keine Straßenhaftung mehr hatte. Zur Behebung von Schlupf-Problemen reduzierte das ABS in diesem Fall die Leistung dieses Rades. Gleichzeitig griff die TRC ins Motormanagement ein, um den Zündzeitpunkt zu verstellen und eine elektronisch gesteuerte zweite Drosselklappe zur Reduzierung des Motordrehmoments zu aktivieren. Modelle mit Saugmotor hatten keine TRC.

Heckflügel

Heckflügel und Aktiver Frontspoiler

Der Heckflügel des MKIV übernahm wichtige Funktionen zur Stabilisierung des Fahrzeugs bei hohen Geschwindigkeiten und garantierte entsprechenden Abtrieb an der Hinterachse. Zum Verkaufsstart 1993 war das Aerodynamikpaket in der Schweiz noch verboten. Somit wurden die ersten Schweizer MKIV ohne Heckflügel ausgeliefert und der aktive Frontspoiler stillgelegt.

EU-Modell (D) mit Motorhaubenhutze und ausgefahrenem Frontspoiler

Der aktive Frontspoiler fuhr ab 90 km/h automatisch aus und ab 70 km/h wieder zurück in seine Ausgangsposition unterhalb der Frontschürze. Der Spoiler konnte durch den Fahrer auch manuell vom Cockpit aus bedient werden. Bei den Modellen ohne Heckflügel (siehe Schweiz) musste der aktive Frontspoiler stillgelegt werden, da beide Komponenten aufeinander abgestimmt waren.

Lufteinlässe

Japanisches Modell ohne Motorhaubenhutze

Direkt hinter dem vorderen mittigen Einlass standen der Wasserkühler (bei AT-Modellen der kombinierte Wasser-/Getriebeölkühler), sowie die Kühler der Klimaanlage und Servolenkung. Die beiden seitlichen Einlässe leiteten Luft an die Bremsen. Der rechte Einlass (vom Fahrersitz aus gesehen) diente zusätzlich zur Anströmung des Ladeluftkühlers, der linke für den Getriebeölkühler (nur EU-Modelle). Die Hutze auf der Motorhaube senkte die Temperatur auf dem Abgaskrümmer. Hinter den Türen gab es weitere Öffnungen zur Kühlung der hinteren Bremsen. Im rechten hinteren Kanal befand sich zusätzlich ein Kühler für das Differential.

Die Hutze auf der Motorhaube sowie Getriebe- und Differentialölkühler waren nur für Europa-Spezifikationen verfügbar. Im Vergleich zu Ländern mit Geschwindigkeitsbegrenzung sollte den Aggregaten aufgrund möglicher Dauerbelastung mit höherer Durchschnittsgeschwindigkeit (besonders in Deutschland) mehr Kühlung zugeführt werden können.

Maße und Gewichte

Coupé/Targa 2JZ-GE 2JZ-GTE
Kraftstoff/Verbrauch Super bleifrei
Stadtzyklus
15,1 (14,4)*
90 km/h
7,8 (8,3)*
120 km/h
10,3 (10,8)*
Batterie, V/Ah 12 / 90 (100)*
Anlasser, kW 1,4
Leergewicht, kg 1630 (1640)*
Zulässiges Gesamtgewicht 1960
Zuladung 255 (245)*
Achslast vorne 995
Achslast hinten 1040
Kraftstoffbehälter in Liter 80
Motoröl
Wechselmenge inkl. Filter 5,0
Kühlsystem inkl. Heizung 9,4
Türen/Sitzplätze 2/2+2
Kofferraum nach VDA in Liter 185
Räder/Bereifung vorne 8 JJ × 16/225/50 ZR16 8 JJ × 17 / 235/45 ZR17
Räder/Bereifung hinten 9 JJ × 16 / 245/50 ZR16 9,5 JJ × 17 / 255/40 ZR17
Abmessungen in mm
Länge
4515
Breite
1810
Höhe
1275
Radstand
2550
Fahrleistungen 2JZ-GE 2JZ-GTE
Beschleunigung 0–100 km/h sec. 6,9 5,1 (5,8)*
Höchstgeschwindigkeit 245 km/h 250 km/h**

(*) Automatikwerte in Klammern (**) Bei 250 km/h (Japan 180 km/h) begrenzte eine elektronische Abriegelung die Höchstgeschwindigkeit.

Karosserie & Sicherheit

Innenausstattung

Für Motorhaube, Dach und Komponenten von Aufhängung und Bremsen wurde Aluminium verwendet. Nur 36 % der Konstruktion bestand aus hochfestem Stahl. Alle übrigen Stahlbleche waren aus „Galvannealed Steel“ gefertigt, was einen nahezu perfekten Schutz vor Rost bieten sollte. Der Tank (Fassungsvermögen 80 Liter) bestand aus sehr leichtem Polyethylenmaterial. Aufgrund zusätzlicher Verstärkungen war die Karosserie des Targa etwas schwerer als die des Coupés.

Der Supra MKIV war über den gesamten Produktionszeitraum mit Fahrer- und Beifahrerairbag sowie Seitenaufprallschutz in den Türen ausgestattet. Neben der Alarmanlage war eine Wegfahrsperre (zumindest in Deutschland und der Schweiz) serienmäßig. In Japan gab es auch eine reduzierte Ausstattungsvariante ohne Beifahrerairbag.

Ausstattung und Innenraum

Cockpit

Ausstattung Deutschland und Schweiz: Leder, Klimaautomatik, Sitzheizung, höhenverstellbares Lederlenkrad, elektronisch gesteuerte Servolenkung, RDS-Radio mit CD und sechs Lautsprechern, elektrische Fensterheber, elektrische und beheizbare Außenspiegel, Nebelscheinwerfer, Nebelschlussleuchte, Zentralverriegelung, ABS, Tempomat, Traktionskontrolle, Airbags für Fahrer und Beifahrer, Diebstahlwarnanlage mit Wegfahrsperre, Targa-Dach (optional). In anderen Märkten gab es auch reduzierte Ausstattungsvarianten.

Innenraum: Im Fahrgastraum dominierte schwarzes Leder, der Fahrersitz war elektrisch verstellbar. Das höhenverstellbare Lenkrad und der Schaltknauf waren ebenfalls mit schwarzem Leder bezogen. In der Schweiz gab es optional auch beige Lederausstattung, in anderen Märkten (USA, GB, Japan etc.) neben Leder auch Stoffausstattung. Das Armaturenbrett und die Verkleidungen der Türen bestanden aus schwarzem Kunststoff. Das Cockpit war extrem halbrund um den Fahrersitz herum positioniert und alle Bedienelemente lagen in optimaler Reichweite des Fahrers. Die Tachoeinheit bestückte Toyota mit klassischen Rundinstrumenten. Wie bei Sportwagen üblich, thronte mittig der Drehzahlmesser, flankiert von Tank- und Temperaturanzeige auf der linken Seite und Tachometer rechts.

Farben

Farbcode Zeitraum Deutschland Großbritannien USA Japan
040 1993–2002 Weiß Pure White Super White Super White II
202 Schwarz Astral Black Black Black
3L2 1993–2001 Rot Rosso Renaissance Red Super Red IV
199 1993–1997 Silber met. Lucerne Silver Alpine Silver Silber metallic
752 1993–1996 Türkis met. Storm Blue Baltic Blue Metallic Deep Teal Metallic
1A1 1993–1995 Graphit Mica met. Anthracite Metallic Darkbrownish Grey Mica met.
051 1995 Diamond White Pearl
6P3 1995–1997 Jewel Green Dark Green Mica met.
6N0 1996–2002 Grayish Green Mica met.
8L5 Royal Saphire Pearl Blue Mica met.
1B9 1997–2002 Quicksilver FX Silver Metallic Graphite
6Q7 1997–1998 Imperial Jade Mica
576 1998–2002 Super Bright Yellow
3P0 2001–2002 Super Red V
EU-Modell (D) in Graphit Mica-Metallic

Neupreis

Der damalige Neupreis lag bei etwa 110.000 DM (eine Preissteigerung von über 50 % zum Vorgängermodell). Trotz des relativ hohen Preises und der für das damalige Empfinden ungewohnten Optik fanden in Deutschland etwa 500 Exemplare dieses Sportwagens einen Käufer. Weltweit verkaufte Toyota etwa 45.000 Fahrzeuge dieses Typs, teils jedoch mit anderer Ausstattung und ohne Turboaufladung.

Bestand in Deutschland

Aufgeführt ist der Bestand an Toyota Supra (JZA80) nach Hersteller- (HSN) und Typschlüsselnummern (TSN) in Deutschland laut Kraftfahrt-Bundesamt. Bis 2007 beinhaltete der Bestand neben der Anzahl der angemeldeten Fahrzeuge auch die Anzahl der vorübergehenden Stilllegungen. Seit 2008 enthält er lediglich den „fließenden Verkehr“ einschließlich der Saisonkennzeichen.

HSN/TSN Modell kW 1.1.2005 1.1.2006 1.1.2008 1.1.2009 1.1.2010 1.1.2011 1.1.2012 1.1.2013 1.1.2014 1.1.2015 26.05.2017 1.1.2021
7104/262 Supra 243 312 294 210 213 228 224 234 221 227 224 232 228
Quelle [1] [2] [3] [4] [5] [6] [7] [8] [9] [10]

Presse

Zum Verkaufsstart 1993 sorgte vor allem die Optik des MKIV für Gesprächsstoff. Neben dem brachial anmutendem Heckflügel prägten diverse Lufteinlässe die Karosserie. Nicht alle Kritiker erkannten, dass hier die Form der Funktion folgte. So schrieb auto motor und sport (AMS) am 3. Dezember 1993 in Heft 25: „Nur deshalb sei hier auch die Meinung erlaubt, dass der Supra eine stilistische Entgleisung ist. Die aufgesetzte Hutze auf der Motorhaube und – weit schlimmer noch – der gigantische Flügel am Heck setzen aufdringliche Akzente, die Lichtjahre entfernt sind von der schlichten Eleganz eines Porsche oder Ferrari.“ [11]

Testberichte

Der MKIV wurde ausgiebig von in- und ausländischen Automagazinen getestet und mit der Konkurrenz in seinem Fahrzeugsegment verglichen. Im Artikel „Die phantastischen vier“ der AMS (Heft 25, 3. Dezember 1993, Vergleichstest: Toyota Supra MKIV, Chrysler Viper RT/10, Ferrari 348 GTB, Porsche 911 Carrera) überzeugte der MKIV durch

  • hervorragende Bremsleistung (1. Platz im AMS-Test: Von 100 km/h auf 0 in 35,7 Metern war sein Bremsweg um 9 Meter kürzer als der eines Mitbewerbers)
  • die hohe erzielbare Kreisgeschwindigkeit (1. Platz im AMS-Test: 106 km/h auf der 190-Meter-Kreisbahn)
  • sehr gute Elastizitätswerte (1. Platz im AMS-Test: In drei Vergleichen mit unterschiedlichen Bedingungen war von den Konkurrenten nur die Dodge Viper einmal gleichauf. Die restlichen Vergleiche in anderen Gängen und Geschwindigkeiten entschied der Supra wieder klar für sich.)
  • Lediglich bei der Beschleunigung von 0 auf 100 km/h war der MKIV gegenüber der teilweise bis zu 280 kg leichteren Konkurrenz (u. a. mit Heckmotor) in diesem AMS-Test benachteiligt. Auch bei der Höchstgeschwindigkeit musste der Supra passen, da er im Gegensatz zu den Mitbewerbern bei 250 km/h elektronisch abgeregelt wurde.

Doch nicht nur in Deutschland und in technischen Vergleichstests bewährte sich der Supra MKIV. Auch im Preis-Leistungs-Verhältnis konnte er zur direkten Konkurrenz punkten. Zur Markteinführung kostete der Supra MKIV mit 110.000 DM nur knapp die Hälfte eines vergleichbaren Ferraris. Sehr gut erhaltene Fahrzeuge mit niedriger Laufleistung werden inzwischen fast zum ehemaligen Neupreis gehandelt.

Zent Cerumo Supra

Motorsport

In Japan wurden Rennsport-Versionen des Supra MKIV noch bis 2005 in der Super GT-Meisterschaft (Klasse GT500) eingesetzt; eines der Fahrzeuge gewann im letzten Einsatzjahr die Meisterschaft.

Hybrid-Version im Motorsport

Toyota Supra HV-R

Ein werkseitig eingesetzter Toyota Supra HV-R (Hybrid), basierend auf dem Modell der japanischen Super-GT-Serie, war das erste Hybridfahrzeug der Welt, das ein Rennen gewann. Beim 24-Stunden-Rennen von Tokachi (Japan) im Juli 2007 hatte der Wagen zusätzlich zu einem 150-kW-Elektromotor im Heck zwei kleine 10-kW-Elektromotoren in den Vorderrädern. Statt in einem Akkumulator wurde die Energie in einem Hochleistungs-Kondensator gespeichert. Haupttriebwerk war jedoch Toyotas 5,5-Liter-V8-Verbrennungsmotor (3UZ-FE) mit etwa 475 PS und 510 Nm.[12]

Film und Fernsehen

Überraschend große Popularität ereilte den Supra MKIV im Jahr 2001, als er im US-Actionfilm The Fast and the Furious eine „Hauptrolle“ spielte.[13] Inzwischen gibt es einige Internetportale, die sich ausschließlich dem Supra MKIV widmen.

GR Supra (A90, seit 2019)

5. Generation
Toyota Supra GR (seit 2019)
Toyota Supra GR (seit 2019)

Toyota Supra GR (seit 2019)

Produktionszeitraum: seit 2019
Karosserieversionen: Coupé
Motoren: Ottomotoren:
2,0–3,0 Liter
(145–324 kW)
Länge: 4379–4380 mm
Breite: 1854–1867 mm
Höhe: 1275–1299 mm
Radstand: 2470 mm
Leergewicht: 1470–1580 kg
Logo GR Supra

Die fünfte Generation des Sportwagens wurde in Zusammenarbeit mit BMW entwickelt und von Nobuo Nakamura gestaltet. Am 14. Januar 2019 wurde der GR („Gazoo Racing“) Supra auf der NAIAS in Detroit vorgestellt.

Vorgeschichte

Im Jahr 2012 verständigten sich Toyota und BMW auf die gemeinsame Entwicklung eines Sportwagens, der ab März 2019 bei Magna Steyr in Graz gebaut werden sollte. Bereits 2014 zeigte Toyota mit dem FT-1 Concept einen ersten Ausblick auf einen Sportwagen, der über dem Toyota GT86 positioniert sein sollte. Auf dem 88. Genfer Auto-Salon im März 2018 wurde das Supra Racing Concept vorgestellt, welches näher am Serienmodell war.[14] Auf dem Goodwood Festival of Speed 2018 nahm ein Vorserienmodell des Supra in Tarnfolie teil.[15]

Fahrzeugcharakteristik

Der GR Supra teilt sich die Basis mit dem BMW Z4 auf der CLAR-Plattform und erhielt zunächst ausschließlich den Dreiliter-Sechszylinder-Reihenmotor B58 mit 24 Ventilen und 250 kW (340 PS). Die Kraft wird über eine Achtstufen-Wandlerautomatik des Typs 8HP 51 von ZF an die Hinterräder übertragen, die Höchstgeschwindigkeit ist auf 250 km/h begrenzt. 2022 folgte für diese Version ein 6-Gang-Schaltgetriebe.[16]

Das Fahrwerk besteht aus MacPherson-Federbeinen mit in zwei einzelne Stäbe aufgelösten Querlenkern an der Vorderachse sowie aus einer Fünflenkerachse hinten mit serienmäßig geschmiedeten 19-Zoll-Leichtmetallrädern mit 255/35-R19-Reifen vorn und 275/35 R19 hinten.

Das "Double-Bubble"-Dach

Im Gegensatz zu den Vorgängermodellen ist der GR Supra nur als Zweisitzer erhältlich. Mit dem "Double-Bubble"-Dach wird auf das Design des 2000GT zurückgegriffen, das auch von der Dodge Viper bekannt ist. Charakteristisch sind weiterhin die von Toyota als "condensed extreme design" beschriebenen Elemente wie die breite Spur, die lange Motorhaube und das kompakte Heck, woran die Basis des BMW Z4 deutlich wird.

Für Frühjahr 2020 kündigte Toyota den Zweiliter-Vierzylinder-Reihenmotor B48 mit bis zu 190 kW (258 PS) an. Das Automatikgetriebe und der Hinterradantrieb werden von der stärkeren Variante übernommen. Außerdem wird mit diesem Antrieb das in Europa auf 200 Exemplare limitierte Sondermodell Fuji Speedway Edition angetrieben.[17]

Zum Sommer 2020 wurde die Leistung des Sechszylinder-Motors außerhalb Europas auf 285 kW (388 PS) erhöht. Erreicht wird das durch eine überarbeitete Abgasanlage mit besserem Thermomanagement und neuen Kolben. In Europa erfüllen diese Änderungen die zulässigen Regularien nicht, weshalb die Leistung hier unverändert blieb.[18]

Im März 2021 präsentierte Toyota das auf 90 Exemplare limitierte Sondermodell Jarama Racetrack Edition. Es ist nur mit dem Dreiliter-Reihensechszylinder-Ottomotor und nur in Europa erhältlich.[19]

Ausschließlich für den nordamerikanischen Markt bestimmt ist das auf 600 Exemplare limitierte Sondermodell CF-Edition, bei dem Karosserieteile aus Kohlenstofffaser angebaut werden.[20]

Zum Start der Motorsport-Saison 2020 stellte die Toyota Motorsport GmbH ein GT4-Modell des GR Supra vor.[21] Das Fahrzeug erfuhr dabei unter anderem eine homologierte Leistungssteigerung auf 320 kW (430 PS) unter Verwendung eines 7-Gang-Automatikgetriebes sowie eine Gewichtsreduktion auf 1.350 kg.[22] Für das Jahr 2022 wurde ein auf 6 Stück limitiertes Jubiläumsmodell dieser Ausführung angekündigt; der GR Supra GT4 "50 Edition" zelebriert 50 verkaufte Exemplare des GT4.[23]

Anlässlich des 35-jährigen Bestehens des eigenständigen Supra präsentierte Toyota im August 2021 ausschließlich für den japanischen Markt das Sondermodell 35th Anniversary Edition. Es gibt je 35 Exemplare auf Basis des Vier- und des Sechszylinder-Motors.[24]

Im Juli 2022 wurde das auf 50 Exemplare limitierte Sondermodell Matte White Edition vorgestellt. Es wird nur in Japan angeboten und ist ausschließlich mit Schaltgetriebe verfügbar.[25]

Das Sondermodell GT4 100th Edition Tribute soll an das Rennfahrzeug der Gruppe GT4 der Baureihe erinnern und wurde im Juni 2023 präsentiert. 100 Modelle sollen entstehen.[26]

Ebenfalls im Juni 2023 debütierte das auf 900 Exemplare limitierte Sondermodell 45th Anniversary Edition. Es wird nur in den USA angeboten.[27]

Im November 2024 präsentierte Toyota die leistungsgesteigerten Sondermodelle A90 Final Edition mit 324 kW (441 PS) und Lightweight Evo mit 250 kW (340 PS).[28] In die mattschwarz lackierte Final Edition flossen auch Elemente der Kundensportversion GT4.[29]

Farben

Das Coupé wird in folgenden Farben angeboten (Farbcode in Klammern):

Metallic
Ice Gray (C2Y)
Metallic
Deep Blue (C10)
Metallic
Black (475)
Matt
Storm Gray (C3A)
Metallic
Silver (A83)
Uni
Prominence Red (A61)
Metallic
White (A96)
Uni
Lightning Yellow (B21)

Die matte Sonderlackierung in Storm Gray ist in Europa nur in der limitierten A90 Sonderedition zu haben.

Die Standardlackierung in Lightning Yellow ist ohne Aufpreis erhältlich.

Eine Lackierung in Prominence Red kostet 390,- Euro, alle weiteren Lackfarben 790,- Euro Aufpreis.[30]

Bildergalerie

Technische Daten

GR Supra 2.0 (Japan) GR Supra 2.0 GR Supra 3.0 GR Supra 3.0 (Nicht-EU) GR Supra A90 Final Edition
Bauzeit seit 03/2020 seit 07/2022 seit 03/2019 seit 06/2020 seit 03/2025
Motorart R4-Ottomotor R6-Ottomotor
Motortyp BMW B48 BMW B58
Gemisch­aufbereitung Benzindirekteinspritzung
Motoraufladung Twin-Scroll-Abgas­turbo­lader
variable Ventil­steuerung Valvetronic
Hubraum 1998 cm³ 2998 cm³
max. Leistung
bei 1/min
145 kW (197 PS)/
4500
190 kW (258 PS)/
5000–6000
250 kW (340 PS)/
5000–6500
285 kW (388 PS)/
5800–6500
324 kW (441 PS)/
6000
max. Drehmoment
bei 1/min
320 Nm/
1450–4200
400 Nm/
1550–4400
500 Nm/
1600–4500
500 Nm/
1800–4500
571 Nm/
4500
Getriebe 8-Gang-Automatikgetriebe 6-Gang-Schaltgetriebe 8-Gang-Automatikgetriebe 6-Gang-Schaltgetriebe
Antrieb Hinterradantrieb
Beschleunigung,
0–100 km/h in s
k. A. 5,2 4,6 4,3 4,1 4,3
Höchst­geschwindigkeit,
km/h
k. A. 250
(elektronisch begrenzt)
275
(elektronisch begrenzt)
Leergewicht (ohne Fahrer) k. A. 1395 kg 1495 kg 1505 kg
Leergewicht (ECE) k. A. 1470 kg 1570 kg 1580 kg
Zulässiges Gesamtgewicht k. A. 1710 kg 1795 kg 1815 kg k. A. 1795 kg
Leistungsgewicht ohne Fahrer k. A. 5,7 kg/PS 4,4 kg/PS 4,1 kg/PS k. A.
Kraftstoff­verbrauch,
nach EWG-Richtlinie,
kombiniert in l/100 km
6,9 l Super 7,1 l Super 8,8 l Super 8,1 l Super 9,4 l Super 9,0 l Super
CO2-Emission
mit Seriengetriebe (korr. nach NEFZ),
kombiniert in g/km
k. A. 161 g/km 198 g/km 183 g/km k. A. 204 g/km
Tankinhalt 52 l
Abgasnorm nach
EU-Klassifikation
k. A. Euro 6d-TEMP
(ab 06/2020: Euro 6d)
(ab 03/2024: Euro 6e)
Euro 6d Euro 6d-TEMP
(ab 06/2020: Euro 6d)
(ab 03/2024: Euro 6e)
k. A. Euro 6e
Kofferraumvolumen, in l 290 l

Zulassungszahlen

Seit dem Marktstart 2019 bis einschließlich Dezember 2024 sind in der Bundesrepublik Deutschland insgesamt 1.862 Supra A90 neu zugelassen worden. Mit 422 Einheiten war 2021 das erfolgreichste Verkaufsjahr.

Zulassungszahlen in Deutschland
2019
305
2020
308
2021
422
2022
315
2023
290
2024
222

Gesamt: 1.862

Benziner (1.862)
Quelle: Kraftfahrt-Bundesamt[31]

Trivia

Im August 2021 wurde ein aus 477.303 Lego-Teilen bestehender Supra im 1:1-Format präsentiert. Die Zeit für den Bau wird mit 2400 Stunden angegeben. Das Gesamtgewicht soll 1885 kg betragen. Das Modell ist fahrbereit und erreicht eine Höchstgeschwindigkeit von 28 km/h.[32]

Commons: Toyota Supra – Sammlung von Bildern, Videos und Audiodateien
Commons: Toyota Supra MKIV Turboloader – Sammlung von Bildern, Videos und Audiodateien

Literatur

  • Mark Cole, François Hurel, Wolf Töns: GT international – die Autos 1993–1998. Art Motor Verlag, Rösrath 1999, ISBN 3-929534-10-X (Details)
  • Toyota Deutschland: Supra. Verkaufsprospekt, Stand 9/93, Art.-Nr. 10060
  • Toyota Schweiz: Supra. Verkaufsprospekt, 1993
  • Toyota Deutschland: 2JZ-GTE Motor Werkstatthandbuch. 1993, Pub. Nr. RM354TDG
  • Toyota Deutschland: Werkstatthandbuch Fahrwerk und Karosserie, 1994, Pub. Nr. RM344TDG
  • Toyota USA: Supra Product Information Book (Händler-Info zum Modellwechsel) 1993
  • Toyota USA: Supra Product Source. (Händler-Produktbroschüre) Stand 5/93
  • Toyota USA: Supra Product Source. (Händler-Produktbroschüre) 1998
  • Götz Leyrer: Die phantastischen vier. In: Auto Motor und Sport, Seiten 24–33, Ausgabe 25 vom 3. Dezember 1993
  • Jürgen Schramek: Die Sumo-Ringer. In: rallye racing, Seiten 57–59, Ausgabe 9/1993
  • Toyota Deutschland: Celica Supra Verkaufsprospekt, 1/1984

Einzelnachweise

  1. Bestand an Personenkraftwagen am 1. Januar 2005 nach Herstellern und Typen mit ausgewählten Merkmalen. (PDF) In: Statistische Mitteilungen des Kraftfahrt-Bundesamtes Sonderheft 4 zur Reihe 2, 1. Januar 2005. Kraftfahrt-Bundesamt, Mai 2005, S. 90, 91, archiviert vom Original am 18. März 2006; abgerufen am 17. November 2015.
  2. Bestand an Personenkraftwagen am 1. Januar 2006 nach Herstellern, Handelsnamen, ausgewählten Merkmalen und Hubraumklassen. (PDF) In: Statistische Mitteilungen des Kraftfahrt-Bundesamtes Sonderheft 4 zur Reihe 2, 1. Januar 2006. Kraftfahrt-Bundesamt, Juni 2006, S. 118, archiviert vom Original am 9. Oktober 2006; abgerufen am 17. November 2015.
  3. Bestand an Personenkraftwagen am 1. Januar 2008 nach Herstellern, Handelsnamen, ausgewählten Merkmalen und Hubraumklassen. (PDF) In: Statistische Mitteilungen des Kraftfahrt-Bundesamtes FZ 2, 1. Januar 2008. Kraftfahrt-Bundesamt, Juni 2008, S. 127, archiviert vom Original (nicht mehr online verfügbar) am 31. Oktober 2020; abgerufen am 17. November 2015.  Info: Der Archivlink wurde automatisch eingesetzt und noch nicht geprüft. Bitte prüfe Original- und Archivlink gemäß Anleitung und entferne dann diesen Hinweis.@1@2Vorlage:Webachiv/IABot/www.kba.de
  4. Bestand an Personenkraftwagen am 1. Januar 2009 nach Herstellern, Handelsnamen, ausgewählten Merkmalen und Hubraum. (PDF) In: Statistische Mitteilungen des Kraftfahrt-Bundesamtes FZ 2, 1. Januar 2009. Kraftfahrt-Bundesamt, Juli 2009, S. 135, archiviert vom Original (nicht mehr online verfügbar) am 21. Juli 2021; abgerufen am 17. November 2015.  Info: Der Archivlink wurde automatisch eingesetzt und noch nicht geprüft. Bitte prüfe Original- und Archivlink gemäß Anleitung und entferne dann diesen Hinweis.@1@2Vorlage:Webachiv/IABot/www.kba.de
  5. Bestand an Personenkraftwagen am 1. Januar 2010 nach Herstellern, Handelsnamen, ausgewählten Merkmalen und Hubraum. (PDF) In: Statistische Mitteilungen des Kraftfahrt-Bundesamtes FZ 2, 1. Januar 2010. Kraftfahrt-Bundesamt, Juli 2010, S. 135, archiviert vom Original (nicht mehr online verfügbar) am 4. März 2016; abgerufen am 17. November 2015.  Info: Der Archivlink wurde automatisch eingesetzt und noch nicht geprüft. Bitte prüfe Original- und Archivlink gemäß Anleitung und entferne dann diesen Hinweis.@1@2Vorlage:Webachiv/IABot/www.kba.de
  6. Bestand an Personenkraftwagen am 1. Januar 2011 nach Herstellern, Handelsnamen, ausgewählten Merkmalen und Hubraum. (PDF) In: Statistische Mitteilungen des Kraftfahrt-Bundesamtes FZ 2, 1. Januar 2011. Kraftfahrt-Bundesamt, Juli 2011, S. 142, archiviert vom Original (nicht mehr online verfügbar) am 4. März 2016; abgerufen am 17. November 2015.  Info: Der Archivlink wurde automatisch eingesetzt und noch nicht geprüft. Bitte prüfe Original- und Archivlink gemäß Anleitung und entferne dann diesen Hinweis.@1@2Vorlage:Webachiv/IABot/www.kba.de
  7. Bestand an Personenkraftwagen am 1. Januar 2012 nach Herstellern, Handelsnamen, ausgewählten Merkmalen und Hubraum. (PDF) In: Statistische Mitteilungen des Kraftfahrt-Bundesamtes FZ 2, 1. Januar 2012. Kraftfahrt-Bundesamt, Juli 2012, S. 148, archiviert vom Original (nicht mehr online verfügbar) am 5. März 2016; abgerufen am 17. November 2015.  Info: Der Archivlink wurde automatisch eingesetzt und noch nicht geprüft. Bitte prüfe Original- und Archivlink gemäß Anleitung und entferne dann diesen Hinweis.@1@2Vorlage:Webachiv/IABot/www.kba.de
  8. Bestand an Personenkraftwagen am 1. Januar 2013 nach Herstellern, Handelsnamen und ausgewählten Merkmalen. (PDF) In: Statistische Mitteilungen des Kraftfahrt-Bundesamtes FZ 2, 1. Januar 2013. Kraftfahrt-Bundesamt, Juli 2013, S. 122, archiviert vom Original (nicht mehr online verfügbar) am 4. März 2016; abgerufen am 17. November 2015.  Info: Der Archivlink wurde automatisch eingesetzt und noch nicht geprüft. Bitte prüfe Original- und Archivlink gemäß Anleitung und entferne dann diesen Hinweis.@1@2Vorlage:Webachiv/IABot/www.kba.de
  9. Bestand an Personenkraftwagen am 1. Januar 2014 nach Herstellern, Handelsnamen und ausgewählten Merkmalen. (PDF) In: Statistische Mitteilungen des Kraftfahrt-Bundesamtes FZ 2, 1. Januar 2014. Kraftfahrt-Bundesamt, Juli 2014, S. 126, archiviert vom Original (nicht mehr online verfügbar) am 27. Juni 2021; abgerufen am 17. November 2015.  Info: Der Archivlink wurde automatisch eingesetzt und noch nicht geprüft. Bitte prüfe Original- und Archivlink gemäß Anleitung und entferne dann diesen Hinweis.@1@2Vorlage:Webachiv/IABot/www.kba.de
  10. Bestand an Personenkraftwagen am 1. Januar 2015 nach Herstellern, Handelsnamen und ausgewählten Merkmalen. (PDF) In: Statistische Mitteilungen des Kraftfahrt-Bundesamtes FZ 2, 1. Januar 2015. Kraftfahrt-Bundesamt, Juli 2015, S. 129, archiviert vom Original (nicht mehr online verfügbar) am 17. April 2016; abgerufen am 17. November 2015.  Info: Der Archivlink wurde automatisch eingesetzt und noch nicht geprüft. Bitte prüfe Original- und Archivlink gemäß Anleitung und entferne dann diesen Hinweis.@1@2Vorlage:Webachiv/IABot/www.kba.de
  11. auto motor und sport, Heft 25, 3. Dezember 1993
  12. „Japan Report: Toyota’s Watershed Hybrid Racer Victory At Tokachi“ (Memento vom 17. August 2007 im Internet Archive) (bei windingroad.com am 19. Juli 2007, englisch)
  13. The Fast and the Furious IMDb (Internet Movie Database)
  14. Comeback einer japanischen Legende. auto-motor-und-sport.de, 6. März 2018, abgerufen am 25. März 2018.
  15. goodwood.com – New Toyota Supra to debut at FOS!, 9. Juli 2018 (englisch), abgerufen am 30. Dezember 2018
  16. Manuel Lehbrink: Toyota GR Supra (2022) mit 6-Gang-Schaltgetriebe vorgestellt. In: de.motor1.com. 28. April 2022, abgerufen am 28. April 2022.
  17. Uli Baumann: Toyota GR Supra: Jetzt auch mit Vierzylinder-Turbomotor. In: auto-motor-und-sport.de. 14. Januar 2020, abgerufen am 15. Januar 2020.
  18. Moritz Doka: Mehr PS für den neuen Toyota Supra - aber es gibt einen Haken! In: autobild.de. 19. Februar 2020, abgerufen am 3. Juni 2021.
  19. Gerard Lye: Toyota GR Supra Jarama Racetrack Edition revealed - limited to 90 units in Europe; unique aesthetic touches. In: paultan.org. 12. März 2021, abgerufen am 12. März 2021 (englisch).
  20. Christopher Smith: 2022 Toyota Supra A91-CF Edition Brings Carbon Fiber To Select Few. In: Motor1.com. 2. Juni 2021, abgerufen am 2. Juni 2021 (englisch).
  21. GR Supra GT4 geht 2020 an den Start. Abgerufen am 28. Mai 2022.
  22. TOYOTA MOTOR CORPORATION: GR SUPRA GT4 CAR DETAILS | GR SUPRA GT4 | CUSTOMER MOTORSPORTS. Abgerufen am 28. Mai 2022 (englisch).
  23. Philipp Körner: Toyota GR Supra GT4 „50 Edition“: Sondermodell vom Supra-Sportler. 23. März 2022, abgerufen am 28. Mai 2022.
  24. Uli Baumann: Toyota Supra 35th Anniversary Edition Japan: Japaner feiern unter sich. In: auto motor und sport. 10. August 2021, abgerufen am 10. August 2021.
  25. Chris Bruce: Toyota Supra Matte White Edition Debuts For Japan. In: motor1.com. 20. Juli 2022, abgerufen am 27. Juli 2022 (englisch).
  26. Manuel Lehbrink: Der Toyota GR Supra GT4 100th Edition Tribute kommt nach Europa. In: de.motor1.com. 22. Juni 2023, abgerufen am 30. Juni 2023.
  27. Gerard Lye: 2024 Toyota GR Supra 45th Anniversary Edition debuts in the US – only 900 units; pays tribute to Mk4 Supra. In: paultan.org. 23. Juni 2023, abgerufen am 2. Juli 2023 (englisch).
  28. Christopher Otto: Toyota GR Supra: Krasse Sondermodelle zum Abschied. In: de.motor1.com. 28. November 2024, abgerufen am 28. November 2024.
  29. Patrick Broich, Barcelona: Letzter Sechszylinder-Sportler?: Erste Fahrt mit der Supra Final Edition auf dem Track. In: n-tv.de. 14. Juni 2025, abgerufen am 21. Juni 2025.
  30. Toyota GR Supra - Preise und Fakten Broschüre (2019)
  31. Neuzulassungen von Personenkraftwagen nach Marken und Modellreihen. In: Kraftfahrt-Bundesamt. Abgerufen am 8. Januar 2025. Jahr 2019, Jahr 2020, Jahr 2021, Jahr 2022, Jahr 2023, Jahr 2024
  32. Chris Bruce: Full-sized, Electric Toyota Supra Lego Tops Out At 17 MPH. In: Motor1.com. 12. August 2021, abgerufen am 12. August 2021 (englisch).