Geradeausempfänger
Ein Geradeausempfänger ist ein relativ einfaches Empfangsgerät für Radiowellen, also beispielsweise ein Radio, wie es vor allem in der Frühzeit dieser Technik verwendet wurde und heute nur noch in ganz speziellen Situationen eingesetzt wird. Im Unterschied zum später entwickelten Überlagerungsempfänger finden die Aktionen Frequenzselektion, Hochfrequenzverstärkung und Demodulation auf derselben Frequenz – der Empfangsfrequenz – statt. Die Empfangsfrequenz gelangt „geradeaus“, also ohne Mischung bzw. Frequenzumsetzung zum Demodulator.
Je nach Anzahl der Schwingkreise nannte man sie auch Einkreiser, Zwei- oder Dreikreiser. Auch eine Bezeichnung zum Beispiel in der Form 0-V-1 war üblich. Dabei steht die 0 für die Anzahl der HF-Stufen, das V für die Gleichrichterstufe (Ventil, das ist der Demodulator) und die 1 für die Anzahl NF-Stufen. Es handelte sich hierbei also quasi um einen Detektorempfänger mit nachfolgendem Niederfrequenzverstärker.
Geschichte
Geradeausempfänger für Lang-, Mittel- und Kurzwelle waren bis zum Ende der 1950er-Jahre sehr verbreitet.
Klassische Beispiele für Geradeausempfänger sind der Detektorempfänger und der Audionempfänger. Die bekanntesten Geradeausempfänger in Deutschland waren die Volksempfänger.
Auch die einfachen Pendelaudions zum Anfang der 1950er-Jahre in den einfachen UKW-Geräten waren noch Geradeausempfänger.
Mit dem sich etablierenden UKW-Rundfunk und der Zunahme der Anzahl der Sender verlor dieses Konzept an Bedeutung, weil leistungsstarke Radios für hohe und viele Empfangsfrequenzen unterschiedlicher Stärke mit Geradeaus-Empfängern nicht zu realisieren sind. Es ist schwierig, mehrere Schwingkreise exakt im Gleichlauf abzustimmen.
Empfänger in Funkuhren, die die Zeitsignale von DCF77 empfangen, sind Geradeausempfänger, wenn auch mit digitaler Frequenzselektion. Die niedrige, feste Empfangsfrequenz von 77,5 kHz gestattet eine stromsparende direkte digitale Signalverarbeitung und erfordert keine Frequenzumsetzung.
Technik

Der Vorteil von Geradeausempfängern und Grund für die Anwendung dieser Technik ist der einfache Aufbau, zumindest wenn nur ein Schwingkreis vorhanden ist (beim Einkreiser). Bei mehreren abzustimmenden Schwingkreisen gibt es bei Festfrequenzempfängern keine Probleme, wohl aber, wenn eine Variation der Empfangsfrequenz gewünscht wird, denn dann wird der Aufbau wegen der Gleichlaufprobleme komplizierter. Ein Geradeausempfänger kann prinzipiell keine Nebenempfangsfrequenzen oder Pfeifstellen haben, unter denen ein Überlagerungsempfänger oft leidet.
Aus dem von der Antenne kommenden Signalgemisch wird mit einem Filter (Schwingkreis) die gewünschte Empfangsfrequenz fe selektiert, das Hochfrequenzsignal wird verstärkt, eventuell nochmals gefiltert und direkt dem Demodulator zugeführt. Die Demodulation kann in einer getrennten Stufe mit einer separaten Diode erfolgen oder in der letzten HF-Stufe. Bei Röhren ist dabei zum Beispiel Gittergleichrichtung (wie bei den meisten Röhrenaudions) oder Anodengleichrichtung möglich.
Aus dieser Beschreibung lassen sich schon die größten Nachteile des Geradeaus-Empfängers ableiten:
- Wenn mehrere Frequenzfilter vorgesehen sind, müssen alle Filter genau die gleiche Mittenfrequenz haben und bei der Wahl unterschiedlicher Empfangsfrequenzen miteinander verstimmt werden (Gleichlauf). Dies wurde z. B. mit Hilfe von Mehrfach-Drehkondensatoren erreicht, kann aber nur mit begrenzter Genauigkeit erfolgen.
- Wegen der Gleichlauf-Probleme ist es nahezu unmöglich, mit mehreren gekoppelten Schwingkreisen einen Filter mit wohldefinierter Durchlasscharakteristik (z. B. Bandpass mit steilem Abfall außerhalb des Frequenzbereichs) zu bauen.
- Die Bandbreite von Frequenzfiltern, die auf Schwingkreisen basieren, wird durch den Gütefaktor und die Mittenfrequenz bestimmt. Besonders bei hohen Frequenzen (Kurzwellenbereich) ist es nahezu unmöglich, eine ausreichend schmale Bandbreite zu erreichen; der Empfänger hat dann eine zu geringe Trennschärfe. Bei durchstimmbaren Geradeaus-Empfängern ist außerdem die Bandbreite von der Frequenz abhängig, sollte aber bei einem Radioempfänger immer gleich sein.
- Da der Gütefaktor von abstimmbaren Schwingkreisen meist kleiner als 100 ist und mit steigender Frequenz abnimmt, sind Geradeausempfänger für UKW illusorisch, weil keine befriedigende Trennschärfe erreicht werden kann.
- Da das verstärkte Hochfrequenzsignal dieselbe Frequenz wie das Eingangssignal des Empfängers hat, kann das Ausgangssignal des Hochfrequenzverstärkers wieder von der Antenne aufgenommen werden und es kommt zu einer Rückkopplung. Da für den Demodulator eine gewisse Mindestspannung benötigt wird, kann dieses Problem nicht durch Reduktion der Hochfrequenz-Verstärkung behoben werden, sondern es ist hoher Aufwand für die Abschirmung und Entkopplung des Verstärkerausgangs vom Eingang nötig.
- Die meist zu geringe oder überhaupt nicht vorhandene Gesamtverstärkung erlaubt keine automatische Verstärkungsregelung wie im Überlagerungsempfänger.
Alternative
Die genannten Probleme können durch einen Überlagerungsempfänger („Superhet“) überwunden werden. Dabei macht man sich die Tatsache zunutze, dass bei der Mischung zweier Frequenzen mehrere Mischprodukte entstehen. Die erzeugten Frequenzen haben dabei die gleiche Modulation wie das Nutzsignal. Erzeugt man nun mit einem Oszillator eine Frequenz mit einem konstanten Abstand zur Frequenz des zu empfangenden Senders, benötigt man hinter dem Mischer nur noch Bandpässe, die fest auf diese Zwischenfrequenz eingestellt sind. Die Zwischenfrequenz kann dabei so gewählt werden, dass Filter der gewünschten Bandbreite bei dieser Frequenz leicht realisierbar sind.
Heutige Anwendungen

Überlagerungsempfänger bieten bei tiefer Empfangsfrequenz keine Vorteile, wenn nur ein einzelner Funkdienst empfangen wird und die benötigte Bandbreite auch bei einem Geradeausempfänger mit Schwingkreisen erreicht werden kann. Nur wenn eine Temperatur- und Alterungsunabhängigkeit gefordert wird, greift man darauf zurück. Das gilt insbesondere für den Empfang des Zeitzeichen-Signals von DCF77. Aufgrund seiner Modulation sind keine Bandpass-Filter erforderlich, die Resonanzkreise sind als handelsübliche Quarzfilter erhältlich, wodurch eine ausreichende Temperatur- und Alterungsunabhängigkeit sichergestellt ist. Auch sehr einfache Empfänger für Fernsteuerungen mit geringer Reichweite werden noch als Geradeausempfänger gebaut. Ein weiteres Anwendungsgebiet sind drahtlose Haustürglocken sowie drahtlose Wetterstationen, die im 433-MHz-Bereich arbeiten.
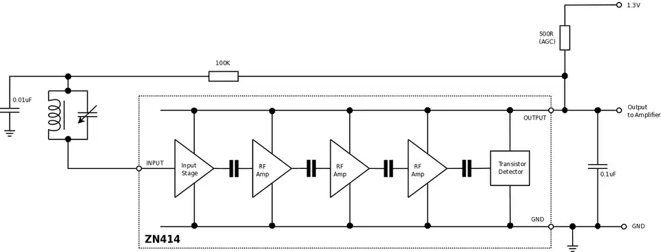
Ein Beispiel eines Geradeausempfängers ist der integrierte Schaltkreis ZN414 von Ferranti, welcher im Jahr 1972 vorgestellt wurde und in einem 3-poligen Gehäuse TO-92 einen kompletten Geradeausempfänger für den Einsatz an einer 1,5 V-Batterie im Mittelwellen- und mit verminderter Empfindlichkeit auch im Langwellenbereich bietet.[1] Durch den einfachen Aufbau der extern notwendigen Schaltungsteile fand dieser IC unter anderem bei Radiobastlern Verbreitung. Eine weitere Anwendung im Hobbybereich ist der Empfang von Längstwellen mit der PC-Soundkarte, wobei der Verstärker der Soundkarte die Rolle des „Hochfrequenz“-Verstärkers übernimmt.
In der weltweit ersten analog anzeigenden Funkarmbanduhr Junghans Mega wird das DCF77-Zeitsignal über eine Armbandantenne empfangen und mittels Geradeausempfänger mit Quarzfilter demoduliert.[2]
Da die heutigen Analog-Digital-Umsetzer und digitalen Signalprozessoren bereits schnell genug arbeiten, um die Funktion des Mischers und der Filterung und Demodulation der Zwischenfrequenz zu ersetzen, können heute Empfänger gebaut werden, bei denen nur mehr für die Empfangsfrequenz ein Hochfrequenzverstärker benötigt wird, jedoch die anderen Bauteile eines Überlagerungsempfängers wie bei den Software Defined Radios nicht mehr benötigt werden. Diese Systeme werden jedoch nicht als Geradeausempfänger bezeichnet, weil bei der Umsetzung auf Digitalsignale mittels Sample-and-Hold-Schaltung eine Umsetzung auf eine niedrigere Frequenz erfolgt.
Weblinks
Einzelnachweise
- ↑ ZN414 Datenblatt ( vom 26. Februar 2012 im Internet Archive) (PDF-Datei; 303 kB), abgefragt am 18. Juni 2012, engl.
- ↑ Patent DE3516810A1: Empfänger für amplitudengetastete Zeitzeichensignale. Angemeldet am 10. Mai 1985, Anmelder: Junghans Uhren GmbH.