Einkreiser
Als Einkreiser wird eine einfache Bauart eines Funk- und Rundfunk-Empfängers bezeichnet, der Einkreis-Geradeausempfänger.[1] Er enthält nur einen einzigen Schwingkreis. Der Schwingkreis dient zur Senderselektion.

Neben dieser technischen Begriffsklärung gibt es noch einen historisch begründeten Sprachgebrauch, der sich wesentlich auf Veröffentlichungen aus der Nachkriegszeit stützt. Danach ist ein Einkreiser immer ein Audion, meist ein Rückkopplungsaudion, mit mindestens einer Elektronenröhre als aktivem Element. Die Bezeichnung Einkreiser wurde oft als Abgrenzung gegenüber den aufwendigeren Mehrkreisempfängern und den aufgekommenen Überlagerungsempfängern verwendet und war typischer Sprachgebrauch vom Ende des Zweiten Weltkrieges bis zu Beginn der 1960er Jahre, als die Röhren durch die Transistoren verdrängt wurden.[2][3]
Technisch gesehen sind zum Beispiel auch der Detektorempfänger sowie erste Transistorschaltungen, die mit Entwicklung des Spitzentransistors nach 1948 in Gebrauch kamen, Einkreiser.
Ein Einkreiser gehört als einfachstes Mitglied zur Familie der Geradeausempfänger. Die meisten Volksempfänger waren Einkreisempfänger und Rückkopplungsaudions, mit einer Elektronenröhre als aktivem Element.
Durch die Abschaltung von vielen leistungsstarken Rundfunksendern im Mittelwellenbereich sind heute weniger Radiosender aus Europa als noch vor 25 Jahren empfangbar.
Vor- und Nachteile
Der wesentliche Vorteil des Einkreisempfängers gegenüber anderen Empfängertypen ist dessen einfacher Aufbau mit wenigen, dazu damals noch oft selbst hergestellten Bauelementen. Im Vergleich zu Überlagerungsempfängern (Superheterodyn) sind Einkreiser nachbausichere Objekte in Elektronik-Experimentierkästen und für Elektronikbastler. Bis etwa 1960 wurden sie aber auch oft noch von Funkamateuren verwendet.
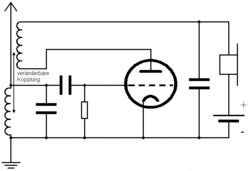
Weil es im Einkreiser nur einen frequenzbestimmenden Schwingkreis gibt, ist die Trennschärfe insbesondere beim Detektorempfänger und bei der Gleichrichtung mit Bipolartransistoren gering. Die wirksame Güte des Schwingkreises wird wegen der bezüglich des Verlustwiderstandes des Schwingkreises niederohmigen Belastung durch die Kopfhörer (typisch waren einige kOhm) deutlich verschlechtert. Der Eingangswiderstand einer Röhrenschaltung ist deutlich höher (typisch mehr als 500 kOhm). Die beim Audion übliche Rückkopplung entdämpft den Schwingkreis, was einerseits zur Selbsterregung und zu damit verbundenen Störungen anderer Empfänger führen kann, was aber auch knapp unterhalb des Schwingeinsatzes die Empfangsbandbreite sogar so weit vermindern kann, dass die Wiedergabe hoher Tonfrequenzen beeinträchtigt ist. Die für Bandfilter typische, angenäherte Rechteckkennlinie eines Supers wird nicht erreicht; die Rückkopplung im Einkreisempfänger mit NF-Verstärker diente praktisch zur Einstellung der Lautstärke. Die Gleichrichtung und die Rückkopplung müssen bei einem Einkreisempfänger nicht zwingend in der gleichen Stufe liegen, wie ein Empfänger der Firma Loewe beweist.[4]
Ein Einkreiser mit Feldeffekttransistor oder Elektronenröhre hat zumindest das Problem der Dämpfung praktisch nicht. Mit dem Audion vermeidet man die Dämpfung durch Rückkopplung und erreicht eine Verstärkung und Steigerung der Selektivität. Die Bedienung ist kompliziert, da sowohl die Empfangsfrequenz als auch die Stärke der Rückkopplung eingestellt werden muss. Überdies erzeugen diese Geräte bei Fehlbedienung selbst Funkwellen.
Eine Schaltung, die diesen Nachteil nicht besitzt und trotzdem gute Trennschärfe besitzt, ist im Artikel Detektorempfänger beschrieben.
Einkreiser-Bastelanleitungen gab es auch zum UKW-Rundfunk-Empfang. Da anfangs nur ein oder wenige Sender existierten, gelang mit dem Prinzip der Flankendemodulation auch der Empfang dieser frequenzmodulierten Sender. Bei der Flankendemodulation liegt die Resonanzfrequenz des Schwingkreises etwas neben der Empfangsfrequenz, danach folgen eine Amplitudendemodulation (zum Beispiel mit einer Germanium-Spitzendiode) und ein Niederfrequenzverstärker. Auf diese Weise konnte UKW empfangen werden, ohne für UKW-Frequenzen geeignete (damals teure) Transistoren verwenden zu müssen.
Quellen
- ↑ Conrad: Einführung in die Funktechnik, Fachbuchverlag Leipzig, 1956, Abschnitt "Geradeausempfänger", S. 126 ff.
- ↑ Der Begriff Einkreiser hat sich im allgemeinen Sprachgebrauch erst durchsetzen können, als bereits Audionschaltungen als Massenproduktion auf dem Markt waren. Damit waren im engeren Sinn fast immer Rückkopplungs-Audionempfänger mit einem zusätzlichen Verstärker, der Lautsprecherempfang ermöglichte, gemeint.
- ↑ Meyers Lexikon Technik und exakte Naturwissenschaften 1969; Stichwort "Einkreisempfänger (Einkreiser)": Empfangsgerät (meist Audionempfänger) mit einem einzigen, auf die zu empfangende Frequenz abstimmbaren Hochfrequenz-(HF)-Schwingungskreis; die zugehörige Röhre dient meistens gleichzeitig zur Verstärkung und zur Demodulation; E. sind heute kaum noch üblich.
- ↑ Loewe Ortsempfänger OE 333, ein Einkreiser mit Gleichrichtung in der zweiten Stufe und ohne Rückkopplung ( des vom 4. März 2016 im Internet Archive) Info: Der Archivlink wurde automatisch eingesetzt und noch nicht geprüft. Bitte prüfe Original- und Archivlink gemäß Anleitung und entferne dann diesen Hinweis.