SŽD-Baureihe ВЛ82
| SŽD-Baureihe ВЛ82 (WL82) | |
|---|---|
ВЛ82.018
| |
| Nummerierung: | unterschiedliche Nummerierung |
| Anzahl: | 91 |
| Hersteller: | Elektrolokomotivenfabrik Nowotscherkassk |
| Baujahr(e): | 1966–1979 |
| Achsformel: | Bo’Bo’ + Bo’Bo’ |
| Spurweite: | 1520 mm |
| Dienstmasse: | ВЛ82: 188 t ВЛ82m: 200 t |
| Höchstgeschwindigkeit: | 110 km/h |
| Stundenleistung: | 5.600 kW |
| Stromsystem: | 3 kV = 25 kV 50 Hz~ |
| Anzahl der Fahrmotoren: | 8 |
Die SŽD-Baureihe ВЛ82 (deutsche Transkription WL 82) der Sowjetischen Eisenbahnen (SŽD) ist eine achtachsige Güterzug-Elektrolokomotive für die zwei Stromsysteme 3 kV = und 25 kV 50 Hz ~. Sie wurde aus der ВЛ80c für den Betrieb auf Magistralen entwickelt, die eine Änderung des Stromsystems mit einschließen, und bei denen eine Systemtrennstelle in einem Systemwechselbahnhof ökonomisch nicht vorteilhaft ist.
Geschichte und Konstruktion
Die ersten Versuchslokomotiven der Zweisystemlokomotiven mit acht Achsen, die ВЛ82.001 und ВЛ82.002 wurden im Juli 1966 von der Elektrolokomotivenfabrik Nowotscherkassk gebaut. Vom Aufbau her stellten sie eine Elektrolokomotive mit Gleichstrom mit einem zusätzlichen Transformator und Gleichrichter für den Betrieb auf Strecken mit Wechselstrom dar. Die Mehrheit der Elemente des mechanischen Aufbaues waren mit denen der ВЛ80k gleich. Sie ist daher ebenfalls eine Zweisektionslokomotive.
Auf jeder Sektion der Elektrolokomotive ist ein Transformator aus der Produktion der Elektronischen Werke in Tallinn installiert. Die Masse des Transformators mit Öl beträgt 5800 kg. Die sechspoligen Traktionsfahrmotoren НБ-420А (NB-420A) waren speziell für diese und weitere Elektrolokomotiven projektiert. Sie besitzen eine Masse von 4500 kg. Für die Kühlung sind auf jeder Sektion zwei Motor-Ventilatoren aufgestellt. Ebenso sind zwei Motor-Ventilatoren für die elektrische Bremse vorhanden. Auch besitzt jede Sektion eine Akkubatterie. Im Betriebsverlauf der Elektrolokomotiven wurden die ursprünglichen Traktionsfahrmotoren von denen ersetzt, die später auf der ВЛ80m eingesetzt wurden. Jede Sektion der Lokomotive besitzt eine eigene elektrische Versorgung, die über mehrere Einheiten arbeiten kann. Bei der Arbeit unter Wechselstrom wird die Spannung über den Transformator und die Gleichrichtereinheit zu den Fahrmotoren geleitet. Bei der Fahrt unter Gleichstrom wird sie direkt zu den Fahrmotoren geleitet. Die Regelung der Spannung geschieht in beiden Fällen über Widerstände. Die Lokomotive besitzt eine Widerstandsbremse, bei ihrem Gebrauch sind die Fahrmotoren kreuzförmig miteinander verbunden. Alle vier Elektrofahrmotoren einer Sektion können in Reihe und parallel verbunden werden. Die beiden Sektionen untereinander können nur parallel geschaltet werden. Die Umschaltung der Verbindung der Fahrmotoren wird über Widerstände gesteuert und ausgeführt über einen Elektroantrieb zu dem Elektrokontroler ЭКГ-82 (EKG-82). Der Fahrschalter ist dem der ВЛ80 gleich.
Die Hilfsmaschinen jeder Sektion sind vier Motorventilatoren МВ (MW), ein Motorkompressor МК und eine Motorpumpe MH für das Öl des Transformators. Alle Maschinen sind Hochspannungs-Gleichstrommaschinen mit einer Spannung von 3000 V bis auf den Antrieb für die Ölpumpe. Diese ist eine Wechselstrommaschine und arbeitet nur bei Fahrt unter Wechselstrom. Die Speisung erhält sie von dem Transformator. Die Motorventilatoren МВ (MW) 1 und 2 sind für die Kühlung der Fahrmotoren verwendet, die Motorventilatoren МВ (MW) 3 und 4 für die elektrische Bremse. Die Speisung erhalten sie bei Vorbeifluss des Bremsstromes. Alle Motorventilatoren besitzen einen elektrischen Dämpfer, der den Inbetriebssetzungsstrom dämpfen kann.
Nach der erfolgreichen Prüfung der Elektrolokomotiven der Reihe ВЛ82 baute die Elektrolokomotivenfabrik Nowotscherkassk bis 1968 noch 22 Lokomotiven. Ursprünglich wurden alle Lokomotiven im Bereich Jaroslawl der Sewernaja schelesnaja doroga betrieben. Später wurden sie in das Depot Kupjansk der Piwdenna Salisnyzja gegeben. 1977–1980 wurde die Mehrheit der Lokomotiven in das Depot Mineralnyje Wody der Sewero-Kawkasskaja schelesnaja doroga versetzt.
ВЛ82m

Von 1972 an fertigte die Elektrolokomotivenfabrik Nowotscherkassk eine weiterentwickelte Variante der Zweisystem-Elektrolokomotive, diese erhielt die Bezeichnung ВЛ82m (WL82m). Insgesamt wurden bis 1979 69 dieser Lokomotiven gebaut. Von der Vorgängerin unterschied sie sich durch das verkleinerte Übersetzungsverhältnis, entwickelt speziell für ihre neuen Traktionsfahrmotoren НБ-407Б (NB-407B). Auch erfuhr das elektrische Schema wesentliche Veränderungen, die Lokomotive erhielt einen neuen Fahrschalter, neue Stromabnehmer usw. Der Hauptunterschied im elektrischen Schema ist die elektrische Ausrüstung mit einem Gruppen-Umschalter analog der ВЛ10. Der Lokkasten und die Drehgestelle wurden analog denen der Reihen ВЛ10u oder der ВЛ80T ausgeführt. Im Maschinenraum sind daher runde Fenster anstatt der großen rechteckigen angeordnet, seitens der Drehgestelle ersetzten seitliche Stützen die Wiege-Aufhängung.
Das Gewicht der modifizierten Lokomotiven beträgt 200 t gegenüber 188 t der originalen ВЛ82. Wegen der größeren Masse der modifizierten Lokomotiven änderte sich auch das Einsatzgebiet der ursprünglichen Lokomotiven; durch ihre Neigung zum Schleudern auf Grund des geringeren Gewichtes wurden sie zur Bespannung von Personenzügen herangezogen.
Die Lokomotiven der Reihe ВЛ82m werden vom Depot Kupjansk der Piwdenna Salisnyzja und vom Depot Mineralnyje Wody der Sewero-Kawkasskaja schelesnaja doroga betrieben. Hingegen hat die Oktober-Eisenbahn den 1977 begonnenen Einsatz dieser Lokomotiven nach Vainikkala (Finnland) beendet und bespannt die Züge über diesen Grenzübergang jetzt mit Diesellok.
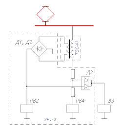
Einrichtung zur Strombestimmung

Beide Lokomotivausführungen besitzen die Erkennungseinrichtung für den verwendeten Strom bei Systemtrennstellen. Deren Aufgabe besteht in der zuverlässigen automatischen Bestimmung der Stromart (Gleichstrom oder Wechselstrom) unter dem Stromabnehmer der Elektrolokomotive und übergibt Signale zur Umschaltung in den Hochspannungsbereich. Die Bezeichnung lautet УРТ-3 (URT-3). Diese arbeitet paarweise zu dem Trockentransformator ТОС-41. Dessen Primärwicklung ist angeschlossen einerseits zu der Dachschiene des Stromabnehmers und andererseits zu dem УРТ-3. Der sekundäre Anschluss des Trafos bringt die Spannung 160 V hervor und ist ebenfalls mit dem УРТ-3 verbunden. Ist an der Dachschiene Gleichstrom mit 2,2 kV – 4 kV angeschlossen, gelangt Strom zu den Relais РВ4 und B3 was eine Steuerung des Stromes direkt zu den Fahrmotoren veranlasst. Ist dagegen Wechselstrom an der Dachschiene, gelangt transformierter und über die Diodenblöcke Д1 und Д2 gleichgerichteter Strom zu dem Relais РВ2, das Relais РВ4 wird stromlos durch die 1350 Windungen des Trafos, das Relais B3 zieht durch die Diodenbrücke Д1 und Д2 an. Das bewirkt den Stromfluss von der Hochspannungskammer zu dem Haupttransformator. Eine Gleichrichterbrücke Д3 dient zur Trennung dieser Steuerkreisläufe.
Die Steuerung УРТ-3 ist auf einem Kunststoffpanel, der Trafo ist gesondert montiert.
