Wiedereinschaltverzögerung
Als Wiedereinschaltverzögerung wird in der Steuerungs- und Automatisierungstechnik eine Kombination aus mehreren Relais bzw. eine elektronische Schaltung bezeichnet, mit deren Hilfe ein Wiedereinschalten vor Ablauf einer voreingestellten Zeit verhindert wird.
Ausführungen
Für eine Wiedereinschaltverzögerung bieten sich folgende Lösungen an:
1. Eine speicherprogrammierbare Steuerung (SPS) öffnet und schließt programmgesteuert Schaltkontakte nach der letzten Betriebszeit.
2. Eine Kombination aus verschiedenen Relais (verbindungsprogrammierte Steuerung).

- a) ein Relais mit Ausschaltwischer gibt nach dem letzten Betrieb einen kurzen Impuls an ein Zeitrelais, das für eine voreingestellte Zeit ausschaltverzögert, einen oder mehrere Arbeitskontakte öffnet. Wenn das Zeitrelais über keine(n) Öffner verfügt, muss mit einem 3. Relais das Signal des Zeitrelais invertiert werden.
- b) der Öffner eines rückfallverzögerten Zeitrelais steuert ein zweites Relais, das seinerseits mit einem Schließer den Öffner des ersten Relais überbrückt, in Selbsthaltung geht und über den Steuereingang B1 den Kontakt des Zeitrelais auch nach dem letzten Betrieb eine voreingestellte Zeit offenhält. Ein Wiedereinschalten ist in dieser Zeit nicht möglich. Voraussetzung für diese Version ist, dass die Ansprechzeit des zweiten Relais deutlich kürzer, als die des Zeitrelais ist.
- c) die Version b wird um ein 3. Relais erweitert, um die Schaltverzögerung eines mechanischen Relais zu nutzen. Mit dem 3. Relais wird der Impuls an den Steuereingang B1 verzögert, um die Schließzeit vom Öffner 15–16 zu verlängern.
Anwendungen
In vielen Fällen der Steuerungselektrik wird gefordert, dass nach dem letzten Betrieb eines Antriebs, oder einer Anlage, eine bestimmte Zeit vor der erneuten Inbetriebsetzung vergehen muss. Das gilt insbesondere für Elektromotoren mit Wendeschützschaltungen. Typische Anwendungen für Wiedereinschaltverzögerungen sind z. B.:

- Antriebsmotoren mit Schweranlauf,
- Antriebe mit Drehrichtungswechsel bei längerer Auslaufzeit nach dem Abschalten,
- Hochtourige Elektromotoren oder solche mit großem Schwungmoment der rotierenden Massen,
- Antriebe für Wärmepumpen, Kompressoren, Aufzüge oder Hebezeuge,
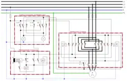
- Die Zeichnung zeigt das Beispiel einer Wendeschützschaltung mit Wiedereinschaltverzögerung.
Bei komplexen Steuerungsaufgaben werden Zeitrelais und verbindungsprogrammierte Steuerungen heute weniger verwendet und meist durch speicherprogrammierbare Steuerungen ersetzt. In vielen einfachen Steuerungsaufgaben ist jedoch der Aufwand dafür unverhältnismäßig und lässt sich einfacher mit Relaisschaltungen realisieren.
Siehe auch
Literatur
- Gerd Engbarth, Heinrich Hübscher, Jürgen Klaue, Stephan Sausel, Mike Thielert: Elektrotechnik Aufträge. 1. Auflage. Verlag Westermann, 2005, ISBN 3-14-221533-6.
- Peter Bastian u. a.: Fachkunde Elektrotechnik. 25. Auflage. Verlag Europa-Lehrmittel, 2006, ISBN 3-8085-3159-2.
- Klaus Beuth, Wolfgang Schmusch: Grundschaltungen Elektronik 3. 14. Auflage. Verlag Vogel, Würzburg 2000, ISBN 3-8023-1843-9.
- Fanal Schaltungspraxis. 5. Auflage. Metzenauer & Jung, Wuppertal 1969, OCLC 1075499596.