Voyager-Sonden

Die Voyager-Sonden sind zwei weitgehend baugleiche Raumsonden der US-amerikanischen Raumfahrtbehörde NASA, die als Voyager 1 und Voyager 2 das äußere Planetensystem durchqueren. Seit 1977 sammeln sie im Rahmen des Voyager-Programms Daten aus dem äußeren Sonnensystem.
Entwicklungsgeschichte

Die Voyager-Sonden sind Nachfolger der aus Kostengründen gestrichenen Raumsonden des „Thermoelectric Outer Planets Spacecraft“-Projekts (TOPS). Die Konstrukteure übernahmen daraus etliche der für TOPS entwickelten neuen Technologien. Sie hofften durch diese Technologien auf eine Missionsverlängerung.[1] Der Bau der beiden Voyager-Sonden begann Mitte 1975. Voyager 2 startete am 20. August 1977, Voyager 1 am 5. September 1977.
Aufbau
Die Voyager-Sonden bestehen im Wesentlichen aus einer zentralen ringförmigen Aluminium-Zelle, die im Querschnitt zehneckig ist und einen Großteil der Elektronik beherbergt. Sie hat einen Durchmesser von 1,78 m und ist 0,47 m hoch. Auf ihr ist eine Parabolantenne mit einem Durchmesser von 3,66 m angebracht. Der Großteil der wissenschaftlichen Instrumente ist an einem 2,5 m langen Ausleger installiert. Die zentrale Zelle ist um den Hydrazin-Tank herumgebaut und in zehn einzelne Abteile mit einer Breite von je 0,43 m aufgeteilt. Jede Sonde hat eine Gesamtmasse von 825,5 kg, wovon 104,8 kg auf wissenschaftliche Instrumente entfallen.[2]
Elektronik
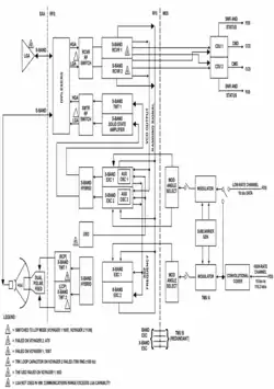
Der Großteil der elektronischen Systeme ist in der zentralen Zelle untergebracht und basiert auf der Architektur der Pioneer-10- und -11-Sonden. Die Voyager-Sonden besitzen drei vollständig redundante Computersysteme, die für die Kommunikation (Communication & Command System; CCS), die Ausrichtung sowie Bahnregelung (Attitude and Articulation Control System; AACS) und die Datenspeicherung (Flight Data Subsystem; FDS) zuständig sind. Zum Strahlenschutz sind diese Komponenten durch eine Hülle aus Tantal und Titan abgeschirmt.[2]
Das CCS-Kommunikationssystem sollte erst komplett von den Viking-Sonden übernommen werden, wobei dieses aufgrund des anspruchsvolleren Missionsprofils umfassend in der Leistung gesteigert wurde. Bei 1,9 MHz Taktfrequenz erreicht es eine Rechenleistung von 0,73 MIPS, das 64fache der Viking-Sonden. Der frei aufteilbare Ringkernspeicher hat eine Kapazität von 4000 Datenworten zu je 18 Bit. Zum ersten Mal wurde bei einer Sonde ein Built-in self-test verbaut, der schwerwiegende Probleme erkennen soll: Verlust der Empfänger für Kommandos, Ausfall des Senders oder des Oszillators für die Trägerwelle, Anomalien im AACS, Anomalien in der Hard- oder Software des CCS und ungewöhnliche Spannungs- oder Stromschwankungen.[2]


Das AACS-Kontrollsystem wird aufgrund der sehr hohen Geschwindigkeiten beim Vorbeiflug für die korrekte Ausrichtung der Sonde und der Instrumente benötigt. Es besitzt zwar den gleichen Ringkernspeicher wie das CCS, hat aber nur knapp 5 Prozent der Rechenleistung. Das AACS besitzt zwei Betriebsmodi: Einen Gyro-Modus für die hochgenaue Ausrichtung der Instrumentenplattform bei Vorbeiflügen und einen Sternenmodus zur astronomischen Navigation. Die Gyroskope weisen nach der Kalibrierung eine Abweichung von 0,05° pro Stunde auf. Im Sternenmodus kommt je ein Sonnen- und ein Sternensensor zum Einsatz, die an der Spitze der Parabolantenne angebracht sind. Der Sonnensensor ist ein Potentiometer auf Cadmiumsulfid-Basis und weist eine Messgenauigkeit von 0,01° auf. Bei dem Sternensensor handelt es sich um eine Photomultiplier-Röhre mit einem Cäsium-Detektor, der auf den Stern Canopus ausgerichtet ist. Beide Instrumente versuchen ihre Referenzobjekte in der Mitte ihres Sichtfeldes zu halten und aktivieren daher ab einer Abweichung von 0,05° die Schubdüsen.[2]
Aufgrund der hohen Datenrate war für deren Bearbeitung ebenfalls ein eigenes Subsystem nötig, das FDS. Es verwendet statt des üblichen Ringkernspeichers der Viking-Sonden einen zur damaligen Zeit neuartigen CMOS-Speicher, der resistenter gegenüber Spannungsschwankungen ist. Er ist mit 8000 Datenworten Kapazität doppelt so groß wie die Ringkernspeichervariante und wurde daher bei komplexen Operationen vom CCS mitbenutzt. Durch den beim CMOS-Speicher möglichen Speicherdirektzugriff (DMA) konnte auch die Belastung für den Prozessor (Verarbeitungsleistung 0,08 MIPS) deutlich gesenkt werden. Beide FDS-Computer können parallel arbeiten, bei einem Ausfall kann es allerdings zu schwerwiegenden Problemen kommen, da kein dediziertes Reservesystem mehr zur Verfügung steht. Ein FDS wiegt 16,3 kg und benötigt 10 W elektrische Leistung.[2]
Da die gewonnenen Daten aufgrund der begrenzten Übertragungskapazität nicht sofort zur Erde gesendet werden können, wurde ein Massenspeichersystem eingebaut. Es handelt sich hierbei um ein 328 m langes Magnetband, das bis zu 536 MBit (100 Bilder) digital speichern kann. Die Schreibgeschwindigkeit liegt maximal bei 115,2 kBit/s und die Lesegeschwindigkeit bei maximal 57,6 kBit/s.[2]
Energieversorgung

Für Missionen dieser Art (großer Abstand zur Sonne) sind Solarzellen zur Energieversorgung nicht geeignet. Daher kamen drei Radionuklidbatterien zum Einsatz, die mit Silizium-Germanium-Thermoelementen die durch spontane Kernzerfälle entstehende Wärme direkt in elektrische Energie umwandeln. Die Batterien enthielten beim Start je 4,5 kg Plutonium-238, einen α-Strahler mit einer Halbwertszeit von 87,7 Jahren. Jede der drei Batterien wiegt 39 kg und besitzt ein Beryllium-Gehäuse, das 51 cm lang ist und einen Durchmesser von 40,6 cm hat. Zum Zeitpunkt des Starts stand eine Gleichspannung von 30 Volt und eine Leistung von insgesamt 470 Watt zur Verfügung. Aufgrund des Zerfalls des Plutoniums reduziert sich die thermische Leistung um jährlich 0,79 %. Mit fallender Temperatur der Radionuklidbatterie fällt zusätzlich der Wirkungsgrad, außerdem altern die Thermoelemente, so dass der jährliche Leistungsverlust bei etwa 1,38 % liegt. Daher müssen immer mehr wissenschaftliche Geräte und Funktionen abgeschaltet werden, um genug Energie für die Steuer- und Kommunikationssysteme übrigzulassen.
Die Batterien sind an einem Ausleger befestigt, damit die Bordelektronik und die wissenschaftlichen Experimente möglichst wenig durch Strahlung beeinflusst werden. Dies gilt insbesondere für die Bremsstrahlung, die beim Eindringen der α-Teilchen in die Batterieummantelung entsteht und die sich nicht vollständig abschirmen lässt.
Kommunikation

Praktisch die gesamte Kommunikation mit der Sonde wird über die auffällige Parabolantenne abgewickelt, die auf der zentralen Zelle montiert ist und aus einem Graphit-Epoxid gefertigt ist. Sie besitzt einen Durchmesser von 3,66 m und weist im X-Band einen Antennengewinn von 48 dBi auf, im S-Band 36 dBi. Da sie nur begrenzt beweglich ist, muss die Sonde genau auf die Erde ausgerichtet werden, um eine Verbindung aufbauen zu können. Zur Datenübertragung werden zwei Frequenzbänder eingesetzt: Das S-Band (2295 MHz) und das X-Band (8418 MHz). Für beide Bänder sind jeweils zwei Sender vorhanden, die nicht parallel betrieben werden können (sie dienen primär als Backup).[2] Zusammen haben sie eine Masse von 21,7 kg.
Das S-Band wird nur zum Senden und Empfangen von Kommandos oder kleinen Datenpaketen genutzt, da die Datenrate bei nur 60 bis 160 Bit/s liegt. Die beiden Sender besitzen eine Abstrahlleistung von je 9,4 und 28,3 Watt und wurden sekundär auch zur Durchleuchtung von Planetenatmosphären verwendet. Als Backup ist auch eine Antenne mit niedrigem Antennengewinn vorhanden (7 dBi). Über das X-Band werden praktisch alle wissenschaftlichen Daten übertragen, da hier eine wesentlich höhere Datenrate (2,5 bis 115,2 kBit/s) verfügbar ist. Die geringste mögliche Transferrate liegt bei 10 Bit/s.[2]
Zur Fehlerkorrektur wurden der Golay- und Reed-Solomon-Code implementiert. Trotz der im Vergleich zu früheren Missionen deutlich höheren Datenraten kam es zu spürbar weniger Übertragungsfehlern.
| Bezeichnung | Anzahl | Verbrauch | Masse |
|---|---|---|---|
| Passiver Transponder | 2 | k. A. | 4,7 kg |
| Empfänger | 1 | 4,3 W | k. A. |
| Antennen-Kontrollsystem und -Interface |
1 | 0,9 W | 2,5 kg |
| Hochstabiler Oszillator | 1 | 2,7 W | 2,0 kg |
| Diplexer | 2 | 1,4 kg | |
| Telemetrie-Modulator | 2 | 5,7 W | 2,7 kg |
| „Command Detector Unit“ | 2 | 5,4 W | 2,0 kg |
| S-Band Exciter | 1 | 2,4 W | k. A. |
| S-Band Schaltverstärker | 1 | bis 91,2 W | 5,0 kg |
| S-Band TWT-Verstärker | 1 | bis 86,4 W | 5,1 kg |
| X-Band TWT-Verstärker | 2 | bis 71,9 W | 5,8 kg |
| Sende-/Empfangsschalter | 1 | 1,2 W | k. A. |
| Verkabelung | 2,3 kg | ||
| sonstige Schaltungen | k. A. | 3,5 kg | |
| Wellenleiter, Coax | 1 | 2,1 kg | |
| Parabolantenne | 1 | 50,9 kg | |
| Gesamtmasse | 105,4 kg |
Flugsteuerung
Zur Zwei-Achsen-Lageregelung und Kurskontrolle der Sonde werden zwei mal sechs redundante Schubdüsen mit je 0,89 N Schub eingesetzt, die durch die katalytische Zersetzung von Hydrazin den nötigen Rückstoß erzeugen. Der entsprechende Titan-Tank mit einem Durchmesser von 71 cm befindet sich in der Mitte der zentralen Zelle. Er fasst 104 kg Hydrazin und getrennt durch eine Teflon-beschichtete Gummimembran Helium als zusätzliches Druckgas. Beim Start betrug der Tank-Innendruck 29 bar, er sinkt durch den Hydrazin-Verbrauch auf minimal 9 bar. Der Tank muss beheizt werden, damit das Hydrazin nicht gefriert. Für die Regelung der dritten Achse, der Rollachse, stehen vier weitere Schubdüsen zur Verfügung, die einen Schub von je 0,89 N liefern, sie sind baugleich mit den Lageregelungs- und Kursregelungs-Düsen. Die genauen Steuerimpulse werden vom AACS-Computer berechnet.[2]
Wissenschaftliche Instrumente
Überblick

Die Voyager-Sonden tragen insgesamt elf wissenschaftliche Instrumente mit einer Gesamtmasse von 104,8 kg, was erheblich mehr ist als bei früheren Planetenmissionen. Die Instrumente benötigen insgesamt 90 Watt elektrische Leistung, wovon 10 Watt auf die entsprechenden Heizelemente entfallen.
Die Instrumente sind in zwei Kategorien unterteilt: Direktmessung (zum Beispiel Teilchendetektoren) und Fernerkundung (zum Beispiel Kameras). Alle Instrumente der letzten Kategorie sind an einer beweglichen Scanplattform angebracht, die sich an einem Ausleger in 2,5 m Entfernung von der zentralen Zelle befindet. Die Plattform kann durch mehrere Elektromotoren, die vom AACS kontrolliert werden, präzise auf einen bestimmten Punkt im Raum (zum Beispiel Planeten) ausgerichtet werden. Die Positionierungsgenauigkeit liegt bei 2,5 mrad.
| Instrument | Masse kg |
Verbrauch W |
Datenrate Bit/s |
|---|---|---|---|
| Cosmic Ray System (CRS) | 7,50 | 5,4 | |
| Imaging Science System (ISS) | 38,20 | 21,5 | 115200 |
| Infrared Interferometer Spectrometer (IRIS) | 19,57 | 12,0 | 1120 |
| Low-Energy Charged Particles (LECP) | 7,50 | 3,8 | |
| Photopolarimeter System (PPS) | 2,55 | 0,7 | 0,6...1023 |
| Planetary Radio Astronomy (PRA) | 7,70 | 5,5 | 266 |
| Plasma Spectrometer (PLS) | 9,90 | 8,1 | 32 |
| Plasma Wave System (PWS) | 1,40 | 1,3 | 32...115200 |
| Radio Science (RSS) | 44,00 | ||
| Triaxial Fluxgate Magnetometer (MAG) | 5,60 | 2,2 | 120 |
| Ultraviolet Spectrometer (UVS) | 4,50 | 3,5 |
Cosmic Ray System (CRS)

Dieses Instrument dient zur Untersuchung des Sonnenwindes und der Strahlungsgürtel der Planeten, insbesondere dem des Jupiters. Es besteht aus drei unterschiedlichen Teilchenzählern, die Winkel, Anzahl und Energie auftreffender Teilchen zählen. Der Detektor für hochenergetische Teilchen (HET) kann Protonen und Ionen mit den Ordnungszahlen von 1 (Wasserstoff) bis 30 (Zink) im Bereich von 6 bis 500 MeV pro Nukleon erfassen. Diese Teilchen schädigen stark elektronische Bauteile, daher waren die Ergebnisse für zukünftige Missionen von großer Bedeutung. Das HET setzt sich aus insgesamt 11 Sensoren zusammen, die aus der Eindringtiefe der Teilchen deren Energie ermitteln. Die Fehler der Messung liegen zwischen 5 und 7 Prozent. Der Elektronendetektor (TET) arbeitet nach dem gleichen Prinzip und kann Elektronen im Bereich von 3 bis 110 MeV erfassen. Auch der Detektor für Teilchen mit niedriger Energie (LET) bestimmt die Energie mit Hilfe der ermittelten Eindringtiefe und erfasst Teilchen im Bereich von 1,8 MeV bis 30 MeV.[3]
Imaging Science System (ISS)

Das ISS fasst zwei optische Kameras zusammen, die im Bereich des sichtbaren und ultravioletten Lichts arbeiten, nämlich einer Schmalwinkel-Tele-Kamera (NAC) und einer Weitwinkelkamera (WAC). Beide Instrumente können Bilder 0,005 bis 61 Sekunden lang belichten.[3]
Die Telekamera verfügt über ein Cassegrain-Teleskop mit einer Öffnung von 176,5 mm und einer Brennweite von 1500 mm. Die Transmission der Optik beträgt 60 Prozent und die theoretische Auflösung liegt bei 1,18 Bogensekunden. Zur Bildaufnahme kommt eine 11 mm große Vidiconröhre auf Selensulfid-Basis zum Einsatz. Der Sensor hat 800×800 Pixel. Der Sensor arbeitet im Spektralbereich 280 bis 640 nm (UV-B bis rot) und ist zur Gewinnung von Farb- und Falschfarbenaufnahmen mit Orange-, Grün-, Blau-, Violett- und UV-Filtern ausgerüstet. Die Kamera wiegt 22,06 kg und hat die Maße 25 cm × 25 cm × 98 cm.[3]
Die Weitwinkelkamera verwendet ein Petzval-Linsenteleskop mit einer Brennweite von 202 mm und einem Durchmesser von 57,2 mm. Es besteht aus sechs strahlungsgehärteten Linsen, von denen eine zum Staubschutz dient. Die Transmission der Optik beträgt 84 %, und die theoretische Auflösung liegt bei 2,87 Bogensekunden, wobei derselbe Sensor wie beim NAC zum Einsatz kommt. Der einzige Unterschied liegt im etwas geringeren Spektralbereich (400–620 nm), der durch die Filtereigenschaften der Linsen bedingt ist. Die WAC benutzt ebenfalls alle Filter der Telekamera mit Ausnahme des UV-Filters. Zusätzlich sind noch Spezialfilter zur Erkennung von Natrium und Methan vorhanden. Die Kamera wiegt 13,30 kg und hat die Maße 20 cm × 20 cm × 55 cm.[3]
Um die Bildsensoren, die bei beiden Kameras identisch sind, komplett auszulesen, werden mindestens 48 Sekunden benötigt. Es gibt ebenfalls Modi, die diese Zeit auf das 10fache erhöhen können. Um ein schnelles Auslesen zu ermöglichen, können auch nur 10 % der Pixel ausgelesen werden. Die Quantisierung erfolgt mit 8 Bit.[3]
Infrared Interferometer Spectrometer (IRIS)
Das IRIS bestimmt Temperatur und Atmosphärenstruktur von Planeten und Monden durch die Auswertung ihrer Infrarot-Emissionen. Insbesondere sollte es das Wasserstoff-Helium-Verhältnis auf Jupiter und Saturn messen. Es handelt sich um ein Cassegrain-Teleskop mit einem Durchmesser von 50,0 cm, einer Brennweite von 303,5 mm und einem Gesichtsfeld von 0,25°. Es sind zwei Sensoren angeschlossen: ein Interferometer/Spektrometer und ein Radiometer. Ersteres arbeitet im Spektralbereich von 2,5 bis 50 µm und erreicht eine spektrale Auflösung von 0,094 µm. Das Radiometer ermittelt die Wärme von beobachteten Objekten und nutzt hierfür den Spektralbereich von 0,33 bis 2 µm. Als Referenz dient eine Neon-Strahlungsquelle, die monochromatische Strahlung von 585,2448 nm aussendet. Das IRIS ist mit den beiden Kameras des ISS synchronisiert und liefert für eine 48-Sekunden-Aufnahme (1-fache Auslesegeschwindigkeit) sechs Messwerte.[3]
Low-Energy Charged Particles (LECP)

Dieses Instrument dient zur Untersuchung von elektrisch geladenen Teilchen mit niedriger Energie und ergänzt somit das CRS, das Teilchen mit hoher Energie untersucht. Zur Messung werden zwei Sensoren eingesetzt: das „Low Energy Particle Teleskop“ (LEPT) und der „Low Energy Magnetospheric Particle Analyzer“ (LEMPA). Sie untersuchen die Wechselwirkungen von Teilchen mit den Magnetfeldern von Monden und Planeten sowie die kosmische Strahlung und Sonnenwinde.[3]
Das LEPT analysiert Elektronen im Energiebereich von 0,01 bis 11 MeV und Protonen von 0,015 bis 150 MeV, wobei 10−5 bis 1012 Teilchen pro Sekunde erfasst werden können. Das LEMPA arbeitet nur in der Nähe von Planeten und Monden. Es erfasst Alphateilchen, Ionen und Protonen im Energiebereich 0,05 bis 30 MeV. Die beiden Sensoren sind übereinander angebracht, so dass sie stets denselben Bereich untersuchen. Sie haben ein Gesichtsfeld von 45° und können mittels eines 8-Schrittmotors um 360° gedreht werden, was mindestens 48 Sekunden dauert. Der Motor sollte mindestens 500.000-mal eine volle Drehung durchführen können, was für den damaligen Stand der Technik bereits sehr ambitioniert war. Trotz der erwarteten Abnutzungsprobleme hatte er bis zum Jahr 2008 über 5 Millionen Drehungen erfolgreich durchgeführt. Zur Messung kommen verschiedene Sensorentypen zum Einsatz: Halbleiterdetektoren mit einer Dicke von 2 bis 2450 µm, acht Teilchenzähler mit einer Auflösung von 24 Bit und ein Pulshöhenanalysator mit 256 Kanälen. Die Kalibrierung erfolgt mit einer schwach radioaktiven Quelle.[3]
Photopolarimeter System (PPS)
Das PPS misst Polarisierungseffekte, die oft durch Wechselwirkungen von Licht mit Materie entstehen. Da sich jeder Stoff in dieser Hinsicht anders verhält, sind somit Rückschlüsse auf die chemische Struktur von Planetenoberflächen, Ringsystemen und Atmosphären möglich. Das PPS besitzt ein Cassegrain-Teleskop mit einem Durchmesser von 20,32 cm, einer Brennweite von 280 mm und einem variablen Gesichtsfeld von 0,12° bis 3,5°. Es untersucht die Polarisation des Lichts in 8 Spektralbereichen zwischen 235 und 750 nm. Als Sensor dient eine Photomultiplierröhre mit einer Multialkali-Photokathode. Das einfallende Licht kann durch bis zu acht verschiedene Filter geleitet werden. Ein kompletter Arbeitszyklus, bei dem 40 Messungen mit unterschiedlichen Polarisations- und Filtereinstellungen durchgeführt werden, dauert 24 Sekunden.[3]
Plasma Spectrometer (PLS)
Das PLS untersucht das Verhalten des Sonnenwindes und von heißen, ionisierten Gasen im offenen Weltraum sowie deren Wechselwirkungen mit den Magnetfeldern der Planeten. Es analysierte auch das Plasmafeld um den Jupitermond Io und ist in der Lage, die Grenze der Heliopause zu bestimmen. Hierzu verwendet es zwei Sensoren, die nach dem Prinzip der Faradayschen Gesetze arbeiten. Ein Detektor ist auf die Erde ausgerichtet und kann Elektronen im Energiebereich von 4 eV bis 6 keV erfassen, der andere steht senkrecht zu ihm und misst im Bereich von 5 eV bis 10 keV.[3]
Plasma Wave System (PWS)

Dieses Instrument fällt besonders durch seine beiden 10 Meter langen Antennen auf, die im rechten Winkel von der zentralen Zelle wegführen. Sie haben einen Durchmesser von je 1,27 cm und sind aus Berylliumkupfer gefertigt. Das PWS benutzt sie als Dipolantenne, die eine effektive Länge von 7 m hat. Das Instrument untersucht die Wechselwirkungen von Teilchen mit den Magnetfeldern der Planeten und die elektrische Komponente von Plasmawellen im Frequenzbereich von 15 Hz bis 56 kHz. Der Empfänger (mit vorgeschaltetem 40-dB-Verstärker) bietet 16 verschiedene Kanäle, wobei vorher ein Rauschfilter die Störungen durch die Wechselspannung der Bordsysteme bei 2,4 und 7,2 kHz eliminiert.[3]
Ein Teil des PWS ist ein Frequenzanalysator, der alle vier Sekunden ein komplettes Spektrum erstellen kann. Für den unteren Frequenzbereich beträgt die Bandbreite ±15 %, für den oberen Bereich ±7,5 %. Die Datenrate ist mit 32 Bit/s sehr niedrig. Der andere Teil des PWS ist ein Wellenformanalysator, der eine wesentliche Neuerung in der damaligen Raumfahrt war. Die Analyse von Wellenformen erfordert eine verhältnismäßig große Anzahl an Messwerten (28.800 pro Sekunde), was eine sehr hohen Datenrate von 115.200 Bit/s erzeugt. Da diese Daten nicht komprimiert oder beschnitten werden können, war man nach dem Verlassen des Jupitersystems wegen der immer geringeren Übertragungsbandbreite gezwungen, die Messungen erst auf den Bandlaufwerken zwischenzuspeichern und später zu versenden.[3]
Planetary Radio Astronomy (PRA)
Dieses Instrument verwendet die beiden Antennen des PWS als Monopol. Es empfängt Radiowellen von Planeten im Frequenzbereich von 20,4 bis 1300 kHz und 2,3 bis 40,5 MHz.[3]
Radio Science Subsystem (RSS)
Das RSS benutzt ebenfalls Baugruppen anderer Systeme mit, in diesem Fall die des Kommunikationssystems. Es kann bei der Kommunikation die Dopplerverschiebung der empfangenen Signale messen und so Rückschlüsse auf die Masse von nahe gelegenen Planeten und Monden ziehen. In einem anderen Betriebsmodus werden X- und S-Band gleichzeitig eingesetzt, um unterschiedliche Frequenzverschiebungen beim Durchqueren von Atmosphären oder Staubwolken zu ermitteln. Aus den gewonnenen Daten kann deren Struktur und chemische Zusammensetzung ermittelt werden. Allerdings ist in diesem Modus keine Kommunikation möglich. Für gute Messergebnisse ist eine hoch stabile Sendefrequenz unerlässlich, weswegen ein besonders stabiler Oszillator eingebaut wurde, der auch nach langer Zeit immer noch eine sehr exakte Frequenz produzieren kann.[3]
Triaxial Fluxgate Magnetometer (MAG)
Das MAG besteht aus vier Sensoren, die Magnetfelder unterschiedlicher Stärke in drei Richtungen messen. Zwei davon sind nahe an der Sonde angebracht und messen starke Magnetfelder bis zu einer Stärke von 2 mT mit einer Genauigkeit von 6 pT (1/10000 des Erdmagnetfeldes). Die beiden Sensoren für schwache Magnetfelder sind an einem auffälligen, 13 m langen Ausleger befestigt, der aufgrund einer sehr leichten Berylliumlegierung nur 2,3 kg wiegt. Der große Abstand ist zum Reduzieren von Störungen durch das Magnetfeld der Sonde, deren Elektronik und der Radionuklidbatterien notwendig. Das maximal messbare Magnetfeld liegt bei etwa 500 µT, die maximale Genauigkeit bei 2 pT.[3]
Ultraviolet Spectrometer (UVS)

Dieses Instrument führt dieselben Analysen durch wie das IRIS, allerdings im hohen Ultraviolett-Frequenzbereich von 40 bis 160 nm. Es besitzt im Wesentlichen zwei Betriebsmodi. Zum einen kann es Strahlungsquellen in der Atmosphäre von Monden und Planeten ausmachen, zum anderen kann es das spezifische Verhalten von externer UV-Strahlung (zum Beispiel der Sonne) beim Durchwandern von Atmosphären analysieren. Das UVS war aber auch sehr wichtig, wenn sich die Sonde nicht in der Nähe von Himmelskörpern befand. Zu jener Zeit war kein Teleskop, weder auf der Erde noch im Weltraum, vorhanden, das den extrem hohen UV-Bereich abdeckte. Daher wurde dieses Instrument auch für viele andere wissenschaftliche Beobachtungen eingesetzt.[3]
Voyager Golden Record

Die „Voyager Golden Record“ ist eine kupferne Datenplatte, die zum Schutz vor Korrosion mit Gold überzogen wurde. Auf ihr sind Bild- und Audio-Informationen über die Menschheit gespeichert. Auf der Vorderseite befindet sich unter anderem eine Art Gebrauchsanleitung und eine Karte, die die Position der Sonne in Relation zu 14 Pulsaren zeigt.
Pflege der Software
Die Software der Sonden wird nach wie vor weiterentwickelt und gepflegt. Ende 2015 suchte die NASA einen Nachfolger für Larry Zottarelli, der die Software der Sonden bis dahin betreute.[4][5][6]
Bilder
-
Modell einer Voyager-Sonde in Originalgröße -

-
Die Scan-Plattform (Detailzeichnung) -
Voyager 1 im Space Simulator
Literatur
- Jens Bezemer, Joel Meter, Simon Phillipson, Delano Steenmeijer, Ted Stryk: Voyager – Fotografien von der größten Reise der Menschheit. teNeues, Kempen 2020, ISBN 978-3-96171-292-2.
- Ben Evans: NASA's Voyager Missions. Springer-Verlag, London 2004, ISBN 1-85233-745-1.
- Reiner Klingholz: Voyagers Grand Tour. Smithsonian Institute Press, 2003, ISBN 1-58834-124-0.
- William E. Burrows: Mission to Deep Space: Voyager's Journey of Discovery. W. H. Freeman & Co. Ltd., 1993, ISBN 0-7167-6500-4.
- Bernd Leitenberger: Voyagers Grand Tour: Eine Reise zu den Gasriesen und darüber hinaus. BOD, Norderstedt 2022, ISBN 978-3-7568-3570-6.
Einzelnachweise
- ↑ Bernd Leitenberger: Voyagers Mission: Die Geschichte.
- ↑ a b c d e f g h i j Bernd Leitenberger: Voyagers: Die Sonde. Abgerufen am 19. Mai 2012.
- ↑ a b c d e f g h i j k l m n o p Bernd Leitenberger: Voyagers Instrumente. Abgerufen am 19. Mai 2012.
- ↑ NASA sucht Programmierer für Voyager-Sonden, Heise online, 31. Oktober 2015.
- ↑ Why NASA Needs a Programmer Fluent In 60-Year-Old Languages, Popular Mechanics, 29. Oktober 2015.
- ↑ NASA's last original Voyager engineer is retiring, CNN, 27. Oktober 2015.
Weblinks
- Beschreibung der Voyager-Sonden
- Voyager-Projektseite der NASA (englisch)
- Ulf von Rauchhaupt: Voyager-Sonden: Die weiteste Reise, faz.net, 5. September 2017, abgerufen am 6. September 2017.
- Dokument zu „Thermoelectric Outer Planets Spacecraft (TOPS)“ auf dem NASA Technical Reports Server (PDF, englisch, 154,9 MB).
- Uptime 15,364 days: The Computers of Voyager Vortrag insb. über die Elektronik der Sonden auf YouTube (engl.)