Vienna-Gleichrichter
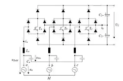
Ein Vienna-Gleichrichter, auch als Dreiphasen-Dreipunkt-Pulsgleichrichter bezeichnet, ist eine in der elektrischen Energietechnik verwendete Gleichrichterschaltung, um Dreiphasenwechselstrom in Gleichstrom umzuwandeln. Er zählt zu der Gruppe der gesteuerten Gleichrichter und wurde 1993 von Johann W. Kolar an der TU Wien entwickelt.[1]
Allgemeines


Der Vienna-Gleichrichter zeichnet sich im Gegensatz zu der herkömmlichen bei Drehstrom verwendeten Sechspuls-Brückenschaltung (B6) durch einen wesentlich geringeren Oberschwingungsanteil auf der Wechselspannungsseite aus und liefert, wenn man will, eine doppelt so hohe Gleichspannung. Aufgrund des fast sinusförmigen Stromverlaufes ist vor allem bei größeren Leistungen ein kleinerer Netzfilter und somit ein geringeres Volumen für den Gleichrichter nötig. Der Nachteil ist die aufwändige und notwendige elektronische Ansteuerschaltung, welche den Gleichrichter mittels Pulsweitenmodulation (PWM) ansteuert.[2]
Durch die PWM-Ansteuerung des Gleichrichters, typischerweise kommen darin IGBTs zur Anwendung, kann die Ausgangsgleichspannung in bestimmten Bereichen gesteuert werden. Dabei kommt eine Form der Raumzeigermodulation zur Anwendung. Der Leistungsfluss ist bei diesem Gleichrichter nur von der Drehstromseite zur Gleichstromseite möglich.
Der Vienna-Gleichrichter wird angewendet als kompakter Ersatz der Sechspuls-Brückenschaltung und wo sonst voluminöse Netzfilter zur Erzielung eines fast sinusförmigen Stromverlaufes auf der Drehstromseite notwendig sind. Das umfasst beispielsweise:
- Stromversorgungseinheiten im Telekommunikationsbereich
- Unterbrechungsfreie Stromversorgungen
- Eingangsstufen für die Regler von Gleichstrommotoren.
- Windkraftanlagen
Einzelnachweise
- ↑ J. W. Kolar, „Dreiphasen-Dreipunkt-Pulsgleichrichter“, 23. Dezember 1993, Nr.: A2612/93, Europäisches Patent: EP 94 120 245.9-1242, “Vorrichtung und Verfahren zur Umformung von Drehstrom in Gleichstrom”.
- ↑ J. W. Kolar, H. Ertl, F. C. Zach: Design and Experimental Investigation of a Three-Phase High Power Density High Efficiency Unity Power Factor PWM (Vienna) Rectifier Employing a Novel Integrated Power Semiconductor Module, in Proceedings of the 11th IEEE Applied Power Electronics Conference, San Jose (CA), USA, 3. bis 7. März 1996, Ausgabe 2, Seiten 514 bis 523 doi:10.1109/APEC.1996.500491.