Torfdolomit

Torfdolomite sind Konkretionen aus permineralisiertem Torf, die in Kohleflözen gefunden werden. Sie treten als grob kugelförmige Knollen oder als irreguläre flache Platten auf. Torfdolomite entstanden durch die Permineralisierung von Torf durch Calcit in Sümpfen des Karbon vor der Umwandlung in Kohle. Dadurch enthalten sie detaillierte Informationen über die Gewebestruktur der Pflanzen des Karbon, die bei der Verkohlung verlorengegangen wären.
Torfdolomite wurden zuerst 1855 von den Wissenschaftlern Joseph Dalton Hooker und Edward William Binney in England beschrieben. Sie kommen in Nordamerika und in Eurasien vor. In Nordamerika wurden sie zuerst 1922 von Adolf Carl Noé beschrieben; dort sind sie sowohl geographisch als auch stratigraphisch weiter verbreitet. Die ältesten bekannten Torfdolomite stammen aus dem Namurium und wurden in Deutschland und der ehemaligen Tschechoslowakei gefunden. Die Untersuchung von Torfdolomiten hat zur Entdeckung von Hunderten von Spezies und Genera geführt.
Frühe wissenschaftliche Theorien
Torfdolomite wurden zuerst von Joseph Dalton Hooker und Edward William Binney wissenschaftlich beschrieben. Sie berichteten über Exemplare aus den Kohleflözen von Lancashire und Yorkshire. Viele der frühen Arbeiten über Torfdolomite stammen von europäischen Wissenschaftlern.[1][2]
In Nordamerika wurden Torfdolomite zuerst 1894 in den Kohleflözen von Iowa gefunden,[3][4] allerdings erst 1922 durch Adolf Carl Noé mit den europäischen Torfdolomiten in Verbindung gebracht.[2] Noës Veröffentlichung löste ein erneuertes Interesse an Torfdolomiten aus, und in den 1930ern reisten europäische Paläobotaniker auf der Suche nach Torfdolomiten ins Illinois-Becken.[5]
Es gibt zwei Theorien – die autochthone In-situ-Theorie und die allochthone Drift-Theorie – die versuchen, die Entstehung der Torfdolomite zu erklären, obwohl dieses Thema vielfach spekulativ ist.[6]
Unterstützer der In-situ-Theorie glauben, dass organisches Material nahe seiner Fundstelle sich in einem Torfmoor sammelte und, kurz nachdem es begraben wurde, permineralisiert wurde – Mineralien drangen in die organische Substanz ein und formten einen inneren Abguss.[7][8] Wasser mit einem hohen Gehalt an gelösten Mineralien wurde zusammen mit dem Pflanzenmaterial im Moor begraben. Als sich die gelösten Ionen kristallisierten, bildeten sich pflanzliches Material enthaltende Konkretionen, die als rundliche Steinklumpen erhalten blieben. Dadurch wurde die Inkohlung verhindert, und der Torf blieb erhalten und bildete schließlich einen Torfdolomiten.[6] Die meisten Torfdolomite werden in Steinkohleflözen gefunden,[9] an Stellen, wo der Torf nicht ausreichend komprimiert wurde, um sich in Kohle zu verwandeln.[6]
Marie Stopes und David Watson analysierten Torfdolomit-Proben und entschieden, dass sich Torfdolomite in situ bilden. Sie betonten die Wichtigkeit der Wechselwirkung mit Meerwasser, das sie als notwendige Voraussetzung für die Bildung von Torfdolomiten ansahen.[10] Einige Unterstützer der In-situ-Theorie sehen in Stopes und Watsons Entdeckung eines Pflanzenstängels, der durch mehrere Torfdolomite ragt, einen Beweis für die In-situ-Theorie, da die Drift-Theorie diese Beobachtung nicht erklären könne. Sie verweisen auch auf zerbrechliche Teile organischen Materials, die aus manchen Torfdolomiten ragen und die, wäre die Drift-Theorie korrekt, hätten zerstört werden müssen.[11] Schließlich seien einige Torfdolomite so groß, dass sie gar nicht transportabel seien.[12]
Nach der Drift-Theorie bildete sich das organische Material nicht nahe dem Fundort, sondern wurde von einer Flut oder einem Sturm dorthin transportiert.[13] Unterstützer der Drift-Theorie wie Sergius Mamay und Ellis Yochelson glaubten, das Vorkommen von Meerestieren in Torfdolomiten beweise, dass Material vom Meer in eine nicht-marine Umgebung transportiert worden sei.[14] Laut Edward C. Jeffrey hatte die In-situ-Theorie „keine guten Beweise“; er glaubte, die Bildung aus transportiertem Material sei wahrscheinlich, da Torfdolomite oft Materialien enthalten, die durch Transport und Sedimentierung in offenem Wasser entstehen.[15]
Zusammensetzung

Torfdolomite bestehen nicht aus Kohle.[4] Sie sind nicht brennbar. Sie sind kalziumreiche, permineralisierte Lebensformen,[1] die hauptsächlich Kalzium- und Magnesiumkarbonate sowie Pyrit und Quarz enthalten.[16][17] In geringeren Mengen kommen auch Gips, Illit, Kaolinit und Lepidokrokit vor.[18] Die Größe von Torfdolomiten variiert von der Größe einer Walnuss bis zu einem Durchmesser von 90 cm;[11] üblicherweise sind sie faustgroß.[9] Es wurden auch Torfdolomite gefunden, die kleiner als ein Fingerhut waren.[4]
Torfdolomite enthalten Dolomite, Aragonite und Mengen an unterschiedlich stark verwestem organischem Material.[6] Hooker und Binney analysierten einen Torfdolomit und bemerkten „einen Mangel an koniferenartigem Holz ... und Farnwedeln“; das entdeckte Pflanzenmaterial schien so angeordnet, „genau wie es von den Pflanzen fiel, die es produzierten“.[7] Üblicherweise enthalten Torfdolomite keine Blätter.[19]
1962 untersuchten Sergius Mamay und Ellis Yochelson nordamerikanische Torfdolomite.[1] Nachdem sie Meeresorganismen entdeckten, wurden Torfdolomite in drei Typen eingeteilt: normale (auch florale), die nur pflanzliches Material enthalten; faunale, die nur tierische Fossilien enthalten, und gemischte, die sowohl pflanzliches als auch tierisches Material enthalten.[20] Die gemischten wurden wiederum unterteilt in heterogene, bei denen pflanzliches und tierisches Material getrennt vorlagen, und homogene, die keine solche Trennung aufwiesen.[21]
Erhaltungsgrad
Der Erhaltungsgrad von organischem Material in Torfdolomiten schwankt zwischen keiner Erhaltung bis hin zu so guter Erhaltung, dass die Zellstrukturen untersucht werden konnten.[8] Einige Torfdolomite erhielten Wurzelhaare,[4] Pollen und Sporen[6] und werden als „mehr oder weniger perfekt erhalten“ beschrieben;[22] sie enthalten nicht, „was einmal die Pflanze war“, sondern die Pflanze selbst.[23] Andere sind „botanisch wertlos“;[24] das organische Material hatte sich zersetzt, bevor es zum Torfdolomit wurde.[12] Gut erhaltene Torfdolomite sind nützlich für Paläobotaniker.[25] Sie wurden benutzt, um die geographische Verteilung der Vegetation zu untersuchen, und lieferten Beweise dafür, dass im tropischen Gürtel in der Ukraine und im Oklahoma der Kreidezeit die gleichen Pflanzen wuchsen.[26] Torfdolomit-Forschung führte auch zur Entdeckung von mehr als 130 Genera und 350 Spezies.[1]
Drei Hauptfaktoren bestimmen die Qualität des erhaltenen Materials in einem Torfdolomit: Die Mineralzusammensetzung, wie schnell das Material begraben wurde, und wie stark es vor der Permineralisierung komprimiert wurde.[4] Allgemein sind Torfdolomite von kaum zersetztem Material, das unter geringem Druck schnell begraben wurde, am besten erhalten; allerdings zeigt Pflanzenmaterial in Torfdolomiten fast immer einige Zersetzungsspuren.[6] Torfdolomite, die Eisensulfid enthalten, sind erheblich schlechter erhalten als Torfdolomite, die durch Magnesium- oder Kalziumkarbonate permineralisiert wurden;[6][27][21] deshalb wurde Eisensulfid auch der „Hauptfluch der Torfdolomit-Jäger“ genannt.[4]
Verteilung
Torfdolomite wurden zuerst in England entdeckt,[7] danach in anderen Gebieten einschließlich Australien,[13][11] Belgien, den Niederlanden, der ehemaligen Tschechoslowakei, Deutschland, der Ukraine,[28] China[1] und Spanien.[28] Sie kommen auch in Nordamerika vor; dort sind sie geographisch weiter verteilt als in Europa.[1] In den USA wurden sie von Kansas bis zum Illinois-Becken und den Appalachen gefunden.[6][12]
Die ältesten Torfdolomite stammen aus der frühen Endphase des Namurium (vor 326 bis 313 Millionen Jahren); sie wurden in Deutschland und der früheren Tschechoslowakei gefunden.[1] Das übliche Alter liegt zwischen dem Perm (vor 299 bis 251 Millionen Jahren) und dem Pennsylvanium.[29] Einige amerikanische Torfdolomite stammen aus Schichten zwischen dem späten Westfalium (vor ca. 313 bis 304 Millionen Jahren) und dem späten Stefanium (vor ca. 304 bis 299 Millionen Jahren). Europäische Torfdolomite stammen üblicherweise aus dem frühen Westfalium.[1]
In Kohleflözen sind Torfdolomite vollständig von Kohle umgeben.[10] Sie werden oft in zufällig im Flöz verteilten, isolierten Gruppen gefunden,[25] üblicherweise in der oberen Hälfte des Flözes. Ihr Vorkommen kann extrem selten oder häufig sein; viele Kohleflöze enthalten gar keine Torfdolomite,[12][21] während einige so viele enthalten, dass Bergleute die Gebiete meiden.[12]
Untersuchungsmethoden

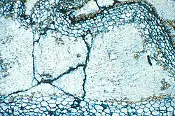
Dünnschliff war eine frühe Methode zur Untersuchung von fossilen Materialien in Torfdolomiten.[5] Dazu wurde ein Torfdolomit mit einer Diamantsäge geschnitten und die dünne Scheibe geglättet und mit einem Scheuermittel poliert.[14] Danach wurde sie unter einem Polarisationsmikroskop betrachtet.[24] Obwohl dieser Prozess mechanisiert werden konnte, wurde er wegen des hohen Zeitbedarfs und der schlechten Qualität der durch Dünnschliff hergestellten Proben durch eine bequemere Methode ersetzt.[1][30]
1928 löste die heute noch gebräuchliche Flüssigsplitter-Technik (liquid peel) den Dünnschliff ab.[6][5][1] Dabei werden Proben mit einer Diamantsäge geschnitten, mit Siliziumkarbid auf einer Glasplatte poliert und mit Salzsäure geätzt.[17][4][31][30] Die Säure löst die Mineralien vom Torfdolomit, so dass eine vorstehende Lage von Pflanzenmaterial überbleibt. Nach der Anwendung von Aceton wird ein Stück Celluloseacetat auf den Torfdolomit gelegt. Dadurch werden die im Torfdolomit erhaltenen Zellen ins Celluloseacetat eingebettet. Nach dem Trocknen kann man das Acetat mit einer Rasierklinge vom Torfdolomit entfernen und den entstehenden Splitter mit einem schwach sauren Farbstoff einfärben und unter dem Mikroskop beobachten. Auf diese Weise können bis zu 50 Proben aus einem 2 mm dicken Torfdolomitstück gewonnen werden.[30]
Die Proben zerfallen allerdings mit der Zeit, wenn sie Eisensulfid (Pyrit oder Markasit) enthalten. Shya Chitaley behob dieses Problem, indem sie die Trennung des konservierten organischen Materials von den anorganischen Mineralien, einschließlich Eisensulfid, verbesserte. Dadurch behält die Probe ihre Qualität länger bei.[29] Bei Chitaleys Methode wird nach dem Polieren die Probe erhitzt und wiederholt mit Lösungen von Paraffin in Xylol behandelt, wobei die Paraffin-Konzentration mit jeder Behandlung zunimmt, damit das Wachs den Torfdolomit vollständig durchdringen kann. Danach wird die Probe mit Salpetersäure und Aceton behandelt.[32] Danach gleicht Chitaleys Technik wieder der üblichen Flüssigsplitter-Technik.
Auch Röntgenbeugung im Debye-Scherrer-Verfahren wurde zur Untersuchung von Torfdolomiten benutzt.[18] Röntgenstrahlen von vorgegebener Wellenlänge werden durch eine Probe geschickt, um ihre Struktur zu untersuchen, insbesondere die kristallographische Struktur, die chemische Zusammensetzung und physikalische Eigenschaften. Die Intensität der gebeugten Röntgenstrahlung wird beobachtet und analysiert, wobei die Messgrößen aus Einfalls- und Beugungswinkel, Polarisierung und Wellenlänge (Energie) bestehen.[33]
Siehe auch
Einzelnachweise
- ↑ a b c d e f g h i j Andrew C. Scott, G. Rex: The formation and significance of Carboniferous coal balls. In: Philosophical Transactions of the Royal Society. B 311, Nr. 1148, 1985, S. 123–137, doi:10.1098/rstb.1985.0144, bibcode:1985RSPTB.311..123S, JSTOR:2396976 (rhul.ac.uk [PDF; abgerufen am 15. Juli 2011]).
- ↑ a b Adolf C. Noé: Coal Balls. In: Science. Band 57, Nr. 1474. American Association for the Advancement of Science, 30. März 1923, S. 385, doi:10.1126/science.57.1474.385, PMID 17748916, bibcode:1923Sci....57..385N, JSTOR:1648633.
- ↑ William Culp Darrah, Paul C. Lyons: Historical Perspective of Early Twentieth Century Carboniferous Paleobotany in North America. Geological Society of America, United States of America 1995, ISBN 0-8137-1185-1.
- ↑ a b c d e f g Henry N. Andrews: Coal Balls – A Key to the Past. In: The Scientific Monthly. Band 62, Nr. 4, April 1946, S. 327–334, bibcode:1946SciMo..62..327A, JSTOR:18958.
- ↑ a b c Tom L. Phillips, Herman L. Pfefferkorn, Russel A. Peppers: Development of Paleobotany in the Illinois Basin. (PDF) Illinois State Geological Survey, 1973, archiviert vom (nicht mehr online verfügbar) am 26. März 2012; abgerufen am 15. September 2011. Info: Der Archivlink wurde automatisch eingesetzt und noch nicht geprüft. Bitte prüfe Original- und Archivlink gemäß Anleitung und entferne dann diesen Hinweis.
- ↑ a b c d e f g h i Tom Phillips, Matthew J. Avcin, Dwain Berggren: Fossil Peats from the Illinois Basin: A guide to the study of coal balls of Pennsylvanian age. (PDF) In: University of Illinois. 1976, archiviert vom (nicht mehr online verfügbar) am 9. Oktober 2011; abgerufen am 16. Juli 2011. Info: Der Archivlink wurde automatisch eingesetzt und noch nicht geprüft. Bitte prüfe Original- und Archivlink gemäß Anleitung und entferne dann diesen Hinweis.
- ↑ a b c Joseph Dalton Hooker, Edward William Binney: On the structure of certain limestone nodules enclosed in seams of bituminous coal, with a description of some trigonocarpons contained in them. In: Philosophical Transactions of the Royal Society. Band 145. Royal Society, Britain 1855, S. 149–156, doi:10.1098/rstl.1855.0006, JSTOR:108514.
- ↑ a b Thomas Perkins: Textures and Conditions of Formation of Middle Pennsylvanian Coal Balls, Central United States. (PDF) University of Kansas, 1976, S. 1, abgerufen am 16. Juli 2011.
- ↑ a b Paleobotany. Cleveland Museum of Natural History, archiviert vom (nicht mehr online verfügbar) am 27. Oktober 2010; abgerufen am 10. September 2011.
- ↑ a b Marie C. Stopes, David M. S. Watson: On the Present Distribution and Origin of the Calcareous Concretions in Coal Seams, Known as 'Coal Balls'. In: Philosophical Transactions of the Royal Society. Band 200, Nr. 262–273. Royal Society, Britain 1909, S. 167–218, doi:10.1098/rstb.1909.0005, bibcode:1909RSPTB.200..167S, JSTOR:91931.
- ↑ a b c José MariaFeliciano: The Relation of Concretions to Coal Seams. In: The Journal of Geology. Band 32, Nr. 3. The University of Chicago Press, 1. Mai 1924, S. 230–239, doi:10.1086/623086, bibcode:1924JG.....32..230F, JSTOR:30059936.
- ↑ a b c d e Henry N. Andrews Jr.: American Coal-Ball Floras. In: Botanical Review. Band 17, Nr. 6. Springer Science+Business Media für New York Botanical Garden Press, 1951, S. 431–469, doi:10.1007/BF02879039, JSTOR:4353462.
- ↑ a b E. M. Kindle: Concerning "Lake Balls," "Cladophora Balls" and "Coal Balls". In: American Midland Naturalist. Band 15, Nr. 6. University of Notre Dame, November 1934, S. 752–760, doi:10.2307/2419894, JSTOR:2419894.
- ↑ a b William Culp Darrah, Paul C. Lyons: Historical Perspective of Early Twentieth Century Carboniferous Paleobotany in North America. Geological Society of America, United States of America 1995, ISBN 0-8137-1185-1.
- ↑ Edward C. Jeffrey: Petrified Coals and Their Bearing on the Problem of the Origin of Coals. In: Proceedings of the National Academy of Sciences of the United States of America. Band 3, Nr. 3, 1917, S. 206–211, doi:10.1073/pnas.3.3.206, PMID 16576220, PMC 1091213 (freier Volltext), bibcode:1917PNAS....3..206J.
- ↑ James Lomax: On the occurrence of the nodular concretions (coal balls) in the lower coal measures. In: Report of the annual meeting. Band 72. British Association for the Advancement of Science, 1903, S. 811–812 (google.com).
- ↑ a b Mark L. Gabel, Steven E. Dyche: Making Coal Ball Peels to Study Fossil Plants. In: The American Biology Teacher. Band 48, Nr. 2. University of California Press, Februar 1986, S. 99–101, doi:10.2307/4448216, JSTOR:4448216.
- ↑ a b Phillip J. Demaris: Formation and distribution of coal balls in the Herrin Coal (Pennsylvanian), Franklin County, Illinois Basin, USA. In: Journal of the Geological Society. Band 157, Nr. 1, Januar 2000, S. 221–228, doi:10.1144/jgs.157.1.221 (lyellcollection.org).
- ↑ W. D. Evans, Dewey H. Amos: An Example of the Origin of Coal-Balls. In: Proceedings of the Geologists' Association. Band 72, Nr. 4. University of Nottingham, Februar 1961, S. 445, doi:10.1016/S0016-7878(61)80038-2.
- ↑ Paul C. Lyons, Carolyn L. Thompson, Patrick G. Hatcher, Floyd W. Brown, Michael A. Millay, Nikolaus Szeverenyi, Gary E. Maciel: Coalification of organic matter in coal balls of the Pennsylvanian (upper Carboniferous) of the Illinois Basin, United States. In: Organic Geochemistry. Band 5, Nr. 4. Pergamon Press, 1984, S. 227–239, doi:10.1016/0146-6380(84)90010-X.
- ↑ a b c Sergius H. Mamay, Ellis L. Yochelson: Occurrence and significance of marine animal remains in American coal balls. In: Shorter Contributions to General Geology. Band 354. United States Geological Survey, 1962, S. 193–224 (google.de).
- ↑ Albert Charles Seward: Fossil plants: a text-book for students of botany and geology. Cambridge University Press, 1898, S. 84–87.
- ↑ Tom L. Phillips: T L 'Tommy' Phillips, Department of Plant Biology, University of Illinois. University of Illinois, archiviert vom (nicht mehr online verfügbar) am 27. Juli 2011; abgerufen am 31. Juli 2011. Info: Der Archivlink wurde automatisch eingesetzt und noch nicht geprüft. Bitte prüfe Original- und Archivlink gemäß Anleitung und entferne dann diesen Hinweis.
- ↑ a b Robert W. Baxter: Coal Balls: New Discoveries in Plant Petrifactions from Kansas Coal Beds. In: Transactions of the Kansas Academy of Science. Band 54, Nr. 4, Dezember 1951, S. 526–535, JSTOR:3626215.
- ↑ a b W. John Nelson: Geologic disturbances in Illinois coal seams. In: Illinois State Geological Survey. Band 530, 1983 (uiuc.edu [PDF; abgerufen am 19. Januar 2012]). Geologic disturbances in Illinois coal seams ( des vom 17. April 2012 im Internet Archive) Info: Der Archivlink wurde automatisch eingesetzt und noch nicht geprüft. Bitte prüfe Original- und Archivlink gemäß Anleitung und entferne dann diesen Hinweis.
- ↑ Tom L. Phillips, Russel A. Peppers: Changing patterns of Pennsylvanian coal-swamp vegetation and implications of climatic control on coal occurrence. In: International Journal of Coal Geology. Band 3, Nr. 3, Februar 1984, S. 205–255, doi:10.1016/0166-5162(84)90019-3.
- ↑ Adolf C. Noé: A Paleozoic Angiosperm. In: The Journal of Geology. Band 31, Nr. 4, Juni 1923, S. 344–347, doi:10.1086/623025, bibcode:1923JG.....31..344N, JSTOR:30078443.
- ↑ a b Jean Galtier: Coal-ball floras of the Namurian-Westphalian of Europe. In: Review of Palaeobotany and Palynology. Band 95. Elsevier Science B.V., 1997, S. 51–72, doi:10.1016/S0034-6667(96)00027-9.
- ↑ a b T. P. Jones, N. P. Rowe: Fossil plants and spores: modern techniques. Geological Society, London 1999, ISBN 1-86239-035-5.
- ↑ a b c A. C. Seward: Plant Life Through the Ages: A Geological and Botanical Retrospect. Cambridge University Press, 2010, ISBN 978-1-108-01600-1.
- ↑ NMNH Paleobiology: Illustration Techniques. In: paleobiology.si.edu. Smithsonian Institution, 2007, archiviert vom (nicht mehr online verfügbar) am 26. August 2011; abgerufen am 9. August 2011. Info: Der Archivlink wurde automatisch eingesetzt und noch nicht geprüft. Bitte prüfe Original- und Archivlink gemäß Anleitung und entferne dann diesen Hinweis.
- ↑ Shya Chitaley: A New Technique for Thin Sections of Pyritized Permineralizations. In: Review of Paleobotany and Palyntology. Nr. 45, 1985, S. 301–306.
- ↑ Materials Research Lab – Introduction to X-ray Diffraction. In: Materials Research Lab. University of Santa Barbara, California, 2011, archiviert vom (nicht mehr online verfügbar) am 7. Oktober 2007; abgerufen am 25. August 2011. Info: Der Archivlink wurde automatisch eingesetzt und noch nicht geprüft. Bitte prüfe Original- und Archivlink gemäß Anleitung und entferne dann diesen Hinweis.