Stromrückgekoppelter Operationsverstärker

(Eingangs- und Differenzverstärker, Strom/Spannungskonverter, Impedanzwandler)
Der stromrückgekoppelte Operationsverstärker, auch als Transimpedanz-Operationsverstärker bezeichnet (engl. Current Feedback Amplifier, CFA), ist ein Bauelement der Elektronik. Er besitzt einen invertierenden (−) und einen nichtinvertierenden Eingang (+), sowie einen Spannungsausgang. Der invertierende Eingang ist im Gegensatz zum normalen Operationsverstärker niederohmig.[1]
Dieser Typ von Operationsverstärker ist nicht mit der Schaltung eines Transimpedanzverstärkers zu verwechseln, die aus einem entsprechend spannungsrückgekoppelten Operationsverstärker besteht und dazu dient, einen Eingangsstrom in eine proportionale Ausgangsspannung umzuwandeln. Gegenüber dem spannungsrückgekoppelten OPV verliert der stromrückgekoppelte OPV besonders bei hohen Frequenzen nicht an Verstärkung. Er wird deshalb z. B. für Videoverstärker eingesetzt. Dafür sind die Eingangsströme um mehrere Größenordnungen höher, was sich bei höheren Frequenzen wegen der Eingangskapazitäten zum Teil relativiert.
-
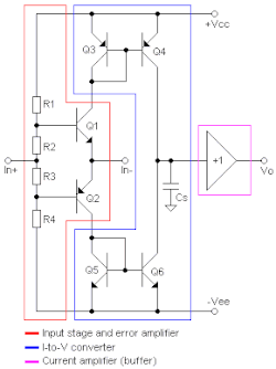
Vereinfachtes Funktionsprinzip -
Ersatzschaltbild
Der prinzipielle interne Aufbau des stromrückgekoppelten Operationsverstärkers lässt sich in drei Abschnitte einteilen:
- Ein Pufferverstärker (Spannungsfolger) puffert die Spannung am nichtinvertierenden Eingang, sein Ausgang geht an den invertierenden Eingang. Dieser Teil ist in der Prinzipschaltung rot umrahmt. Das führt zur hohen Impedanz am nichtinvertierenden Eingang, und zur niedrigen Impedanz am invertierenden Eingang – der invertierende Eingang ist eigentlich ein Spannungsausgang, an dem die gleiche Spannung ausgegeben wird, die am nichtinvertierenden Eingang anliegt.
- Zwei Stromspiegel replizieren den Strom am invertierenden Ausgang, und beaufschlagen damit einen Kondensator. Dieser Teil ist in der Prinzipschaltung blau umrahmt. Dadurch wird der Strom am invertierenden Eingang integriert und führt dort zu einer dem Strom proportionalen Anstiegsgeschwindigkeit der Spannung.
- Ein weiterer Pufferverstärker am Ausgang ist für die niedrige Ausgangsimpedanz verantwortlich. Er ist in der Prinzipschaltung magenta umrahmt.
Anstiegszeit und mittelbar die Bandbreite des Verstärkers sind damit vorwiegend durch die Kapazität des Kondensators, und den Strom am invertierenden Eingang bestimmt. Der Kondensator bewirkt, dass die Transimpedanz des Verstärkers komplex ist, mit einem resistiven und einem kapazitiven Anteil. Die Transimpedanz sinkt mit steigender Frequenz. Der Kondensator ist in der Regel sehr klein und besteht nur aus parasitären Kapazitäten, die sich aus der Fertigungstechnik ergeben. In manchen Fällen macht der Hersteller diesen Schaltungspunkt an einem Anschluss zugänglich, dann kann der Anwender die Kapazität vergrößern, und so die Bandbreite herabsetzen. Meist ist dieser Punkt aber von außen unzugänglich, damit die parasitären Kapazitäten minimal, und die Bandbreite und Anstiegsgeschwindigkeit maximal werden.
Wenn eine Gegenkopplung den Ausgang mit dem invertierenden Eingang verbindet, dann hängt der Strom am invertierenden Eingang von der Größe dieses Widerstandes ab. Da wie beschrieben der Strom am invertierenden Eingang Einfluss auf die Bandbreite hat, kann man durch die Wahl des Widerstandswertes Einfluss auf die Bandbreite, und mittelbar auf die Stabilität der Schaltung nehmen. In dieser Hinsicht unterscheidet sich der CFA in seinem Verhalten deutlich vom VFA. In der Praxis wählt man beim CFA den Rückkopplungswiderstand in erster Linie nach den Bandbreiteanforderungen aus, die resultierende Gesamtverstärkung bestimmt dann der zweite Widerstand im Gegenkopplungsnetzwerk.
Trotz des niederimpedanten invertierenden Eingangs gelten die „goldenen Regeln“ des VFA auch beim CFA, allerdings in einer etwas anderen Art:
- Der Ausgang versucht, die Spannungsdifferenz zwischen den beiden Eingängen auf 0 Volt zu bringen. Beim CFA ist das schon durch den Pufferverstärker am Eingang gewährleistet, er zwingt den invertierenden Eingang auf die gleiche Spannung wie den nichtinvertierenden. Der Ausgang und die Gegenkopplung werden dafür nicht gebraucht.
- Durch die Eingänge fließt kein Strom. Beim CFA ist das für den invertierenden Eingang streng genommen falsch, das Gegenkopplungsnetzwerk sorgt jedoch indirekt für die Einhaltung dieser Regel, denn der Ausgang nimmt diejenige Spannung an, die dafür sorgt, dass der Strom am invertierenden Eingang auf 0 geht. Beim VFA ist das schon durch die hohe Impedanz der Eingänge so, ohne dass der Ausgang über die Gegenkopplung dafür sorgen müsste.
Aus diesem Grund kann der CFA in vielen Fällen mit dem gleichen Rückkopplungsnetzwerk benutzt werden wie der VFA und implementiert dann die gleiche Operation. Die Schaltungsentwicklung wird damit für CFA und VFA weitgehend gleich. Die Unterschiede betreffen vor allem die Bereiche Stabilität und Frequenzkompensation, und damit zusammenhängend die Bandbreite und die Anstiegsgeschwindigkeit.
Weblinks
- Current Feedback Amplifier Theory and Applications (englisch, PDF, 85 kB)