SO-Bauform


.jpg)
SO steht für Small Outline („kleiner Grundriss“) und bezeichnet eine Gehäuseform für Integrierte Schaltungen (IC). Je nach Hersteller, wird die Bezeichnung SO oder SO-IC verwendet. Beides bezeichnet dieselbe Bauform. SO-ICs sind 30–50 % kleiner als entsprechende DIL-ICs. Es handelt sich dabei um eine Surface-Mounted-Device-Bauform (SMD), also eine „oberflächenmontierte“. Die Grundfläche ist rechteckig, auf den längeren Seiten sind zwei Pinreihen vorhanden. Die Pins sind vom Typ gull wing, stehen also seitlich ab.
Trotz des ähnlichen Namens werden auf Speichermodulen wie zum Beispiel SO-DIMM keine ICs in der SO-Bauform verwendet. Dort kommen die kompakteren TSSOP-, SSOP- sowie neuerdings BGA-Bauformen zum Einsatz.
Varianten
Die SO(IC)-Bauform wurde von der US-amerikanischen Normierungsorganisation JEDEC in zwei verschiedenen Ausführungen standardisiert.
Das JEDEC-Dokument mit dem Namen MS-012 beschreibt eine sogenannte „Narrow“-Version (N), die in der 8-, 14- und 16-Pin-Ausführung eine schmalere Gehäuseform mit einer Breite von ca. 3,9 mm (0,15 Zoll, 150 mil) besitzt.
Im Dokument MS-013 hingegen wird eine „Wide“-Version (W) mit Pin-Anzahlen von 14, 16, 18, 20, 24 und 28 spezifiziert. Die Breite beträgt hier ca. 7,5 mm (0,3 Zoll, 300 mil). Von beiden Versionen existieren „Thermal Enhanced Versions“ mit „Exposed Pad“ (Lötbare Kühlfläche auf der Unterseite).
Die beiden Bauformen gehören bei der JEDEC zur „Plastic Small Outline Family“. Weitere Gehäusebezeichnungen sind gemäß der Dokumente R-PDSO (R-Plastic Dual Small Outline), SOP (Small Outline Profile) und SOIC (Small Outline Integrated Circuit). Der Pinabstand („pitch“) beträgt bei beiden Versionen 1,27 mm (50 mil).
Manche Hersteller sprechen von „SO“, andere von „SOIC“ – hier gibt es keine Einheitlichkeit. Des Weiteren werden die Bauformbezeichnungen um eine Zahl erweitert, die die Anzahl der Pins angibt (z. B.: „SO8“ oder „SO16W“) bzw. die Zugehörigkeit zur Narrow- oder Wide-Version anzeigen soll. Auch hier gibt es keine Einheitlichkeit.
Von einzelnen Herstellern wurde dieser Standard eigenmächtig erweitert. So reicht die Typenvielfalt dann von „SO4“ bis „SO64“.[1]
Neben den JEDEC-Varianten mit den genannten Gehäusebreiten existiert eine Variante, die von der Normierungsorganisation JEITA (auch: EIAJ) mit einer Gehäusebreite von 5,4 mm unter dem Namen SOP (s. u.) oder auch P-SOP spezifiziert wurde.[2] Für diese Variante existieren im Markt zum Teil identische Gehäusebezeichnungen (z. B. SOIC8), sie sind aber auf Grund der anderen Abmessungen auf den Leiterplatten nicht austauschbar.
Gehäuseabmessungen
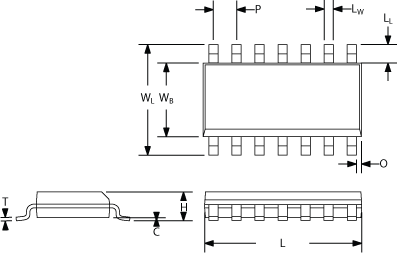
Das Bild zeigt ein SO-IC mit Bemaßungen, die Werte sind der Tabelle zu entnehmen. Alle Angaben in mm.
|
|
|
| Name | JEDEC-Variation | Pins | WB | WL | H (max) | C | L | P | LL | T | LW | O |
|---|---|---|---|---|---|---|---|---|---|---|---|---|
| SO8 | MS-012-AA | 8 | 3,9 ± 0,1 | 6,0 ± 0,2 | 1,75 | 0,10..0,25 | 4,9 ± 0,1 | 1,27 | 1,04 | 0,19..0,25 | 0,31..0,51 | k. A. |
| SO14 | MS-012-AB | 14 | 3,9 ± 0,1 | 6,0 ± 0,2 | 1,75 | 0,10..0,25 | 8,65 ± 0,1 | 1,27 | 1,04 | 0,19..0,25 | 0,31..0,51 | k. A. |
| SO16 | MS-012-AC | 16 | 3,9 ± 0,1 | 6,0 ± 0,2 | 1,75 | 0,10..0,25 | 9,9 ± 0,1 | 1,27 | 1,04 | 0,19..0,25 | 0,31..0,51 | k. A. |
| SO14W | MS-013-AF | 14 | 7,5 ± 0,1 | 10,3 ± 0,3 | 2,65 | 0,10..0,30 | 9,9 ± 0,2 | 1,27 | 1,40 | 0,23..0,32 | 0,31..0,51 | k. A. |
| SO16W | MS-013-AA | 16 | 7,5 ± 0,1 | 10,3 ± 0,3 | 2,65 | 0,10..0,30 | 10,3 ± 0,2 | 1,27 | 1,40 | 0,23..0,32 | 0,31..0,51 | k. A. |
| SO18W | MS-013-AB | 18 | 7,5 ± 0,1 | 10,3 ± 0,3 | 2,65 | 0,10..0,30 | 11,55 ± 0,2 | 1,27 | 1,40 | 0,23..0,32 | 0,31..0,51 | k. A. |
| SO20W | MS-013-AC | 20 | 7,5 ± 0,1 | 10,3 ± 0,3 | 2,65 | 0,10..0,30 | 12,8 ± 0,2 | 1,27 | 1,40 | 0,23..0,32 | 0,31..0,51 | k. A. |
| SO24W | MS-013-AD | 24 | 7,5 ± 0,1 | 10,3 ± 0,3 | 2,65 | 0,10..0,30 | 15,4 ± 0,2 | 1,27 | 1,40 | 0,23..0,32 | 0,31..0,51 | k. A. |
| SO28W | MS-013-AE | 28 | 7,5 ± 0,1 | 10,3 ± 0,3 | 2,65 | 0,10..0,30 | 17,9 ± 0,2 | 1,27 | 1,40 | 0,23..0,32 | 0,31..0,51 | k. A. |
Die "Thermally Enhanced Versions" mit "Exposed Pad" sind durch eine andere JEDEC-Variation gekennzeichnet. Sie sind von den äußeren Abmessungen her fast gleich und unterscheiden sich nur geringfügig in der Höhe:
| Name | JEDEC-Variation | Pins | WB | WL | H (max) | C | L | P | LL | T | LW | O |
|---|---|---|---|---|---|---|---|---|---|---|---|---|
| SO8 | MS-012-BA | 8 | 3,9 ± 0,1 | 6,0 ± 0,2 | 1,70 | 0,00..0,15 | 4,9 ± 0,1 | 1,27 | 1,04 | 0,19..0,25 | 0,31..0,51 | k. A. |
| SO14 | MS-012-BB | 14 | 3,9 ± 0,1 | 6,0 ± 0,2 | 1,70 | 0,00..0,15 | 8,65 ± 0,1 | 1,27 | 1,04 | 0,19..0,25 | 0,31..0,51 | k. A. |
| SO16 | MS-012-BC | 16 | 3,9 ± 0,1 | 6,0 ± 0,2 | 1,70 | 0,00..0,15 | 9,9 ± 0,1 | 1,27 | 1,04 | 0,19..0,25 | 0,31..0,51 | k. A. |
| SO14W | MS-013-BF | 14 | 7,5 ± 0,1 | 10,3 ± 0,3 | 2,50 | 0,00..0,15 | 9,9 ± 0,2 | 1,27 | 1,40 | 0,23..0,32 | 0,31..0,51 | k. A. |
| SO16W | MS-013-BA | 16 | 7,5 ± 0,1 | 10,3 ± 0,3 | 2,50 | 0,00..0,15 | 10,3 ± 0,2 | 1,27 | 1,40 | 0,23..0,32 | 0,31..0,51 | k. A. |
| SO18W | MS-013-BB | 18 | 7,5 ± 0,1 | 10,3 ± 0,3 | 2,50 | 0,00..0,15 | 11,55 ± 0,2 | 1,27 | 1,40 | 0,23..0,32 | 0,31..0,51 | k. A. |
| SO20W | MS-013-BC | 20 | 7,5 ± 0,1 | 10,3 ± 0,3 | 2,50 | 0,00..0,15 | 12,8 ± 0,2 | 1,27 | 1,40 | 0,23..0,32 | 0,31..0,51 | k. A. |
| SO24W | MS-013-BD | 24 | 7,5 ± 0,1 | 10,3 ± 0,3 | 2,50 | 0,00..0,15 | 15,4 ± 0,2 | 1,27 | 1,40 | 0,23..0,32 | 0,31..0,51 | k. A. |
| SO28W | MS-013-BE | 28 | 7,5 ± 0,1 | 10,3 ± 0,3 | 2,50 | 0,00..0,15 | 17,9 ± 0,2 | 1,27 | 1,40 | 0,23..0,32 | 0,31..0,51 | k. A. |
SOP
_-_controller_board_-_Macronix_MX25L12845EMI-10G-0213.jpg)
Ungefähr zum selben Zeitpunkt wie die SO(IC)-Bauform begann eine ähnliche Bauform zu existieren, das Small Outline Package (SOP), das den gleichen Pinabstand von 1,27 mm aufwies.
Nach SOP folgte Familien kleinerer Bauformen mit geringerem Rastermaß:
- Plastic Small-Outline Package (PSOP)
- Thin Small-Outline Package (TSOP)
- Shrink Small-Outline Package (SSOP)
- Thin-Shrink Small Outline Package (TSSOP)
- Quarter-Size Small Outline Package (QSOP)
- Mini Small Outline Package (MSOP)
Die ICs auf DRAM-Speichermodulen waren üblicherweise TSOPs, bis diese Bauform durch das sogenannte Ball Grid Array (BGA) abgelöst wurde.
Einzelnachweise
- ↑ Packaging Information for Type: SOIC. Texas Instruments, archiviert vom am 13. März 2015; abgerufen am 7. April 2013 (englisch).
- ↑ Design guideline of integrated circuits for Plastic Shrink Small Outline Package (P-SSOP). JEITA, abgerufen am 13. Januar 2022 (englisch, Dokument EDR-7314A JEITA).
