Realer Transformator
Der reale Transformator ist ein in der Regel linearisiertes Modell eines Transformators, das den idealen Transformator um Streufelder, ohmsche Verluste, Hystereseverluste und ggf. kapazitive Effekte erweitert.
In einem realen Transformator fließt nicht der gesamte magnetische Fluss, den eine der Spulen hervorruft auch durch die andere Spule. Dieses Phänomen heißt Streuung. In vielen Anwendungsfällen ist Streuung unerwünscht, in anderen wiederum (z. B. resonante Wandler) wichtiger Bestandteil der Topologie, da mit gezielt gewählten Streufaktoren zusätzliche Spulen eingespart werden können.
Ersatzschaltbild für niedrige Frequenzen

Elektrischer und magnetischer Kreis
Die nebenstehende Abbildung wird anschaulich in folgendem Schaltplan abgebildet:
Dieser Schaltplan beinhaltet zwei elektrische Kreise und einen Magnetischen. Die Spulenwicklungen N1 und N2 fungieren als Kopplung zwischen elektrischem und magnetischem Kreis.
Die Streuflüsse werden im Ersatzschaltplan als magnetische Widerstände Rm,σ1 und Rm,σ2 dargestellt. Ein Strom I1 erzeugt im magnetischen Kreis an N1 eine Durchflutung , sodass . Der magnetische Widerstand Rm,h, den der Hauptfluss Φh erfährt, ist hier aus Symmetriegründen geteilt. In sehr guter Näherung ist Rm,h der magnetische Widerstand des Eisenjochs. Die Widerstände R1 und R2 repräsentieren den Widerstand der Spulenwicklungen.
Symmetrisches Ersatzschaltbild
Im nächsten Schritt wird der magnetische Kreis in die elektrischen Kreise transformiert:
Die Spulenwicklungen N1 und N2 verschmelzen zu einem idealen Transformator mit Übersetzungsverhältnis . Bei der Transformation durch die gyratorischen Spulenkopplungen werden parallel geschaltete, magnetische Widerstände zu in Reihe geschalteten Induktivitäten: , , und .
Anmerkung: Oftmals ist auch von primärer- und sekundärer Hauptinduktivität die Rede, welche aber die Transformation beider Spulenhälften auf eine Seite meinen und daher nie im gleichen Ersatzschaltbild eingezeichnet werden dürfen![1] Dies führt oft zu Verwechslungen.
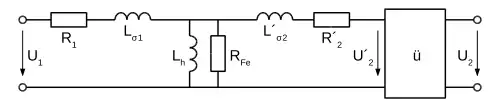
T-Ersatzschaltbild
Jedes lineare Zweitor kann als T-Ersatzschaltbild dargestellt werden. Über die oben gezeigten Schritte bekommen die einzelnen Komponenten dieses Schaltbilds hier einen direkten, realen Bezug. Der ideale Transformator wird dafür aus dem Schaltbild herausgezogen:
Neu hinzugekommen ist hier der Widerstand RFe, der die bislang nicht beachteten Hystereseverluste im Kern symbolisiert.
Bei der Transformation durch die transformatorische Kopplung [ü] bleiben Parallel-/Reihenschaltungen erhalten und es gilt: und Die beiden Induktivitäten Lh,1 und Lh,2 verschmelzen zur (primären) Hauptinduktivität .
Das oben gezeigte T-Ersatzschaltbild erweitert also den idealen Transformator [ü] um die realen Effekte. Das Übertragungsverhalten des realen Transformators ergibt sich durch die Verkettung des idealen- und des realen Transformators in Kettenparametern (Stromrichtung I2 von Zweitor weg!) somit zu:
- wobei mit
Für Schaltungsanalysen wird in aller Regel das T-Ersatzschaltbild verwendet.
Kenngrößen

Selbstinduktivität
Die Selbstinduktivitäten eines Transformators berechnen sich wie folgt:[2]
wobei der magnetische Leitwert und Φ11 der Anteil des magnetischen Flusses ist, der vom Strom I1 hervorgerufen wird (Superposition) und durch die Spulenwicklungen N1 verläuft (Φ22 äquivalent).
Die Selbstinduktivitäten können an den Transformatorklemmen gemessen werden, wenn die andere Seite des Transformators offen (im Leerlauf) ist. Anmerkung: Im magnetischen Kreis aus dem ersten Schaltplan wirkt N2 wie ein Kurzschluss, wenn die Klemmen im elektrischen Kreis offen sind (gyratorische Kopplung).
Gegeninduktivität
Die Gegeninduktivitäten sind definiert als:
Wie oben gezeigt, sind die beiden Gegeninduktivitäten im Falle linearer Materialien (wie bisher angenommen) gleich. Somit wird die Größe als Gegeninduktivität bezeichnet.
Kopplungsfaktor
Die sogenannten Flusskoppelfaktoren sind wie folgt definiert:[3]
ist der Anteil des magnetischem Flusses durch , der von Strom hervorgerufen wird. Demnach gilt: .
Weiter lässt sich schreiben:
- →
- →
- →
mit gemeinsamem Kopplungsfaktor wobei ist. Für vollkommene Kopplung ist .[4]
Streufaktor

Äquivalent zum Kopplungsfaktor lassen sich Streufaktoren wie folgt definieren:
Der Faktor heißt Blondel-Koeffizient oder einfach Streufaktor.
Im Falle eines symmetrischen, kapazitätsfreien Transformators ( ) lässt sich der Blondel-Koeffizient z. B. mit einem LCR-Meter durch Induktivitätsmessung leicht bestimmen:
wobei Loffen = L1 die messbare Induktivität am Eingang bei offenem Ausgangs ist und Lkurz die messbare Kurzschlussinduktivität am Eingang bei Kurzschluss des Ausgangs ist (Eingang und Ausgang sind hier vertauschbar).[5]
Einzelnachweise
- ↑ vgl. Dieter Zastrow: Elektrotechnik: Ein Grundlagenlehrbuch. 17. Auflage. Springer-Verlag, 2010, ISBN 978-3-8348-0562-1, Abschnitt: Realer Transformator, S. 330.
- ↑ Manfred Albach: Induktivitäten in der Leistungselektronik. Springer Fachmedien Wiesbaden, Wiesbaden 2017, ISBN 978-3-658-15080-8, doi:10.1007/978-3-658-15081-5.
- ↑ Praktikum Grundlagen der Elektrotechnik Versuch: Magnetischer Kreis. ( des vom 5. November 2016 im Internet Archive) Info: Der Archivlink wurde automatisch eingesetzt und noch nicht geprüft. Bitte prüfe Original- und Archivlink gemäß Anleitung und entferne dann diesen Hinweis. HTW Dresden, August 2011, abgerufen am 5. September 2015, S. 9.
- ↑ Wolfgang Demtröder: Experimentalphysik 2 : Elektrizität und Optik. 5. Auflage. Springer, Berlin/Heidelberg 2009, ISBN 978-3-540-68219-6, S. 150–154.
- ↑ Ing: GdE: Modelle des Transformators – Wikibooks, Sammlung freier Lehr-, Sach- und Fachbücher. In: de.wikibooks.org. Abgerufen am 4. November 2016.