R2R-Netzwerk
Das R2R-Netzwerk ist eine elektronische Schaltung aus Widerständen, um digitale Werte in eine Analogspannung umzusetzen, siehe (Digital-Analog-Umsetzung). R/2R-Widerstandsnetzwerke werden sowohl in Chips, als auch für den preisgünstigen Ersatz derselben eingesetzt.
Aufbau

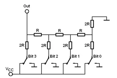
Ein R/2R-Netzwerk besteht aus Widerständen mit zwei unterschiedlichen Werten: Die einzelnen Eingangsbits, hier schematisch als Schalter dargestellt, liegen je nach Schaltungszustand entweder auf Masse oder an der Referenzspannung und speisen einen elektrischen Strom über Widerstände (2R) ein, die stets doppelt so groß sind wie der horizontale Teil (R) des Netzwerks. Jedes Bit trägt so seinen spezifischen Teil zur resultierenden Ausgangsspannung bei. Das höchstwertige Bit ist für 50 % der Ausgangsspannung, der folgende für 25 % usw. verantwortlich. In Summe ergeben sich analoge Spannungsstufen, die in der Anzahl dem digitalen Endwert entsprechen, z. B. 16 für ein 16-Bit-Signal.
Um die Rückwirkungsfreiheit am Ausgang sicherzustellen, werden R2R-Wandler in vielen Anwendungen um einen nachgeschalteten Spannungsfolger ergänzt. Kommerzielle Digital-Analog-Wandler-ICs, sogenannte Flash-Wandler, haben solche R/2R-Netzwerke mitsamt Verstärker integriert.
Eigenschaften
Gegenüber anderen Verfahren und Schaltungstechniken bietet das R2R-Netzwerk folgende Vor- und Nachteile:
Vorteile
- sehr hohe Geschwindigkeit
- einfach zu verstehen
- besteht aus gleichartigen Bauteilen
- (theoretisch) ohne Geschwindigkeitsverlust auf beliebige Genauigkeit erweiterbar
- bei geringen Auflösungen meist die preiswerteste Lösung
Nachteile
- die Widerstandswerte müssen exakt gleich sein. Jegliche Abweichung vom idealen Wert – insbesondere bei den höherwertigen Bits – führt zu nichtlinearen Verzerrungen. Da sich das in der Praxis auch durch Bauteilselektion nicht realisieren lässt, bleibt die maximale Auflösung begrenzt
- es sind viele Bauteile erforderlich (deshalb werden R2R-Netze manchmal auch als „Widerstandsgrab“ bezeichnet)
- die höherwertigen Bits müssen beim Umschalten einen großen Anteil der Ausgangslast treiben; daher wird oft zwischen jedem Eingangsbit und den zugehörigen Widerständen ein Operationsverstärker geschaltet
- eine Kompensation der Ungenauigkeiten durch Softwarekalibrierung ist nur möglich, wenn durch Abweichung vom R2R-Schema[1] oder Addition von weiterer Schaltungselemente eine Möglichkeit zur Kompensation geschaffen wird[2]
- es entstehen kurze Fehlspannungen beim Umschalten, weswegen reale Schaltungen einen Latch verwenden
Erläuterung

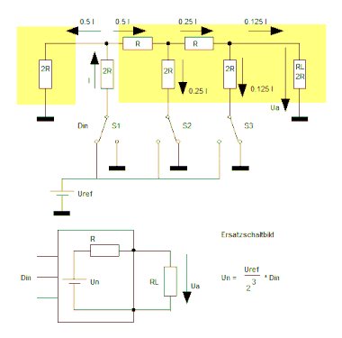
Im Folgenden wird als Lastwiderstand RL = 2R angenommen und davon ausgegangen, dass nur ein Umschalter auf +Uref steht und alle übrigen auf Masse. Wie man sieht, beträgt der Gesamtwiderstand rechts und links vom Knoten jeweils 2R (gelb unterlegt), sodass sich der über S1 auf den Knoten zufließende Strom I in die beiden Teilströme 0,5 I aufteilt. Dem nächsten weiter rechts stehenden Knoten fließt somit der Strom 0,5 I zu, der sich wieder in die beiden Teilströme 0,25 I teilt. Dies setzt sich mit jedem weiteren Knoten fort. Der Schalter S1 bewirkt somit über RL den Strom 0,125 I, S2 bewirkt (wenn er auf +Uref steht) 0,25 I und S3 bewirkt 0,5 I. Wenn entgegen der Annahme mehrere Schalter gleichzeitig auf +Uref stehen, überlagern sich die von den einzelnen Schaltern herrührenden Ströme. Von den Schaltern aus gesehen hat das Netzwerk den Widerstand 3R, somit ist der über den Schalter fließende Strom I = Uref / 3R. Damit lässt sich der über RL fließende Strom und die Ausgangsspannung Ua berechnen.
Ersatzschaltbild
Vom Lastwiderstand RL aus gesehen ist das Netzwerk eine Spannungsquelle mit dem Innenwiderstand R. Die Schalterstellung spielt dabei keine Rolle, weil der Innenwiderstand der Spannungsquelle Uref definitionsgemäß Null ist und die Spannungsquelle somit als Kurzschluss anzusehen ist. RL kann beliebige Werte annehmen. Die Ausgangsspannung ändert sich zwar, die Stufung bleibt aber korrekt. Un ist die Leerlaufspannung, wenn kein Lastwiderstand angeschlossen ist (RL = ∞).
Einzelnachweise
- ↑ R2R-DAC. In: electronics-tutorials.ws. 31. Oktober 2022, abgerufen am 31. Oktober 2022 (englisch).
- ↑ R2R-DAC enhancement to 2% precision with 5% resistors - J.S. 2002. Abgerufen am 31. Oktober 2022.