Prellen
Als Prellen wird ein mechanisch ausgelöster Störeffekt bei elektromechanischen Schaltern und Tastern bezeichnet: Statt des sofortigen elektrischen Kontaktes ruft die Betätigung des Schalters kurzzeitig ein mehrfaches Schließen und Öffnen des Kontakts hervor. Ursache ist elastisches Zurückprallen gegen die Federung. Wesentlich seltener dagegen kommt es beim Ausschalten der Schalter bzw. Loslassen der Taster nach der ersten Unterbrechung zur wiederholten erneuten Kontaktgabe.
Ursache und Prellzeit
Die Dauer und die Anzahl der mehrfachen Kontaktgabe während des Prellens wird durch die mechanischen Eigenschaften des Schalters, der Größe, Betätigungskraft, Rückstellfederkraft, Form und Material und Masse der Kontakte und deren Befestigungen bestimmt. Es bildet sich ein schwingfähiges System aus der Masse der Kontakte und der Elastizität.
Typische Prellzeiten bei elektromechanischen Schaltern und Tastern liegen im Zeitbereich 100 µs bis 10 ms. Schiebe- und Drehschalter verursachen wesentlich längere Kontaktunsicherheiten, die jedoch nicht ursächlich Prellen sind, sondern Korrosion oder Schmutz.
Die Prellzeit bei einem 16 A Kippschalter für Netzspannung, wie im Bild gezeigt, beträgt ca. 5 ms. Bei großen Schützen für mehrere 100 A kann die Prellzeit auch größer als 100 ms sein. Das Prellen hängt bei großen Schützen mit AC-Betätigungsspule auch stark von dem Einschaltzeitpunkt der Schützspule ab, wodurch die Magnetanzugskraft und damit die Auftreffgeschwindigkeit des beweglichen Kontaktes beeinflusst wird.
Beim Kontaktöffnen von Relais, Schützen oder Leistungsschaltern tritt dagegen in der Regel kein Prellen auf und damit kein Verschweißen ein.
Auswirkungen
Dieser Effekt des mehrfachen Schließen und Öffnen des Kontaktes führt bei schnellen elektronischen Schaltungen, deren zeitliche Auflösung hoch genug ist um das Prellen zu erfassen, zu unerwünschten Mehrfachereignissen. Betroffen sind beispielsweise digitale Eingabegeräte wie eine Computertastatur, Eingabecontroller an Tastenfeldern oder elektronische Schaltungen, welche einen Relais- oder einen anderen elektromechanischen Kontakt erfassen. Durch die prellenden Schließvorgänge würde ohne Entprellung ein Tastenanschlag fehlerhafterweise als mehrfacher Anschlag registriert werden.
Aber auch bei elektromechanischen Schaltern, Relais und Schützen tritt das Prellen der Kontakte auf und führt dabei zu erhöhtem Kontaktabbrand und Ausfall der Kontakte. Das Kontaktverschweißen, welches beim gleichzeitigen Auftreten von Überströmen entsteht, wird durch die Prellphase stark begünstigt, weil dabei der entstehende Lichtbogen Kontaktmaterial wiederholt aufschmilzt, was dann bei einem erneuten Schließen während des Prellens verschweißen kann. Wenn der Kontakt nicht für einen Über-Strom ausgelegt ist, der beim Einschalten von Lasten entstehen kann, besteht die Gefahr des Verschweißens oder Verklebens der Kontakthälften. Ob ein Kontakt verschweißt, hängt deshalb stark von der geschalteten Last ab. Besonders beim Einschalten von zumindest anfänglich kapazitiven Lasten, wie zum Beispiel Schaltnetzteilen, die einen um Faktor 20 bis 50 überhöhten Einschaltstromstoß verursachen, tritt ein Aufschmelzen auf. Dadurch kommt es zu einem starken Kontaktverschleiß schon nach wenigen tausend Schaltungen, was dann zum Ausfall des Schalters und/oder zum Verschweißen führt.

Das nebenstehende Bild zeigt den Schalter einer Steckdosenleiste, der zum Einschalten von zwei Laptopnetzteilen mit jeweils lediglich 50 VA diente. Der Nennstrom der beiden Netzteile von zusammen nur ca. ein Ampere war für den 16-A-Schalter kein Problem. Man sieht jedoch auf dem Bild das von den Kontakten abgedampfte Material, das sich im Schaltergehäuse niedergeschlagen hat und natürlich auf den Kontakten fehlt.
Verwendung
Bei der Hammond-Orgel werden als Tastschalter federnde Drähte unter den Klaviertasten des Manuale aufeinander gedrückt. Deren Prellen und nicht-synchrones Schließen der Mehrfachschalter ist als Hammond-Click bekannt, und es gibt Kompositionen, die diese Eigenschaft nutzen und betonen. Manche elektronische Orgeln verfügen über eine zuschaltbare Nachbildung dieser Geräusche.[1]
Gegenmaßnahmen

Seit Beginn der elektronischen Signalverarbeitung und der damit einhergehenden Relevanz dieses Phänomens bei Signalschaltern und Relais wurden verschiedene Hard- und Softwareverfahren entwickelt, um dem Prellen und dessen Auswirkungen entgegenzuwirken. Diese Maßnahmen nennt man Entprellen. Das Entprellen erfolgt mittels eines Tiefpassfilters oder einer Verriegelungslogik.
Entprellen per Hardware – Entprellschaltung

- Im einfachsten Fall wird dabei ein RC-Glied als Tiefpassfilter und ein Schmitt-Trigger zur Signalformung vorgesehen. Der Tiefpassfilter unterdrückt dabei die hochfrequenten Signalanteile, und damit das Kontaktprellen, der Schmitt-Trigger stellt die passenden Spannungspegel für die nachfolgende Digitalschaltung sicher.

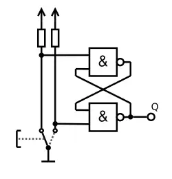
- Mittels Verriegelungslogik in Form eines Wechselschalters. Zur Verriegelung wird ein asynchrones RS-Flipflop oder eine adäquate Schaltung, der „prellfreien Taste“, eingesetzt. Dabei muss vom mechanischen Aufbau des Wechselschalters sichergestellt sein, dass die Kontakte nicht zwischen den beiden Kontaktstellungen schwingen können. Der Kontaktweg beim Umschalten zwischen den beiden Zuständen muss dazu hinreichend groß gewählt sein.
- Entprellen durch eine Ansteuerung der AC-Magnetspule eines Relais oder Schützes, welche die Auftreffenergie reduziert und für alle Schließvorgänge vergleichmäßigt. Hierzu wird unter anderem die Magnetspule vormagnetisiert und per Phasenanschnitt mit reproduzierbaren Spannungskurven eingeschaltet.
Entprellen per Software – Entprellroutine
- Die Zustandsänderung des Kontaktes wird erst dann registriert, wenn er eine bestimmte Zeit, der sogenannten Entprellzeit, vorliegt. Dies ist eine Form der Tiefpassfilterung und kann wie ein digitaler Tiefpassfilter realisiert werden. Meistens, da einfacher, wird dieser Filter in Form eines Zählers realisiert. Der Zählerwert, welcher das Ereignis auslöst, stellt gemeinsam mit der Zählgeschwindigkeit die Grenzfrequenz des Filters dar.
- Weiter kann auch in Software mittels Verriegelungslogik eine Entprellung vorgenommen werden. Da dafür aber pro Taste ein Wechselschalter und zwei digitale Eingänge mitsamt dem damit verbundenen höheren schaltungstechnischen Aufwand nötig sind, kommt diese Art der Entprellung nur selten zur Anwendung.
Wird die Verriegelungslogik durch eine Zeitsteuerung in Form einer monostabilen Kippstufe in Software nachgebildet, so wird der Impuls zwar mit der ersten Signalflanke erkannt und nachfolgend werden für eine bestimmte Zeit alle weiteren Signaländerungen ignoriert, jedoch ist dieses Verfahren empfindlich gegenüber hochfrequenten Störimpulsen. Da es eine Form von Hochpass ist, stellt es keine sichere Entprellung dar. Ebenfalls stellt auch die Unterabtastung keine sichere Entprellung dar, da damit nur die Wahrscheinlichkeit zur Erkennung von kurzen Störimpulsen reduziert, aber nicht vermieden wird.
Durch speziellen mechanischen Aufbau und Kontaktgestaltung können auch nahezu prellfreie Schalter realisiert werden. Flüssige Kontaktmaterialien, beispielsweise in Form des Quecksilberschalters, sind praktisch prellfrei. Durch die Giftigkeit von Quecksilber und seiner chemischen Verbindungen finden diese Schalter zur Vermeidung des Prellens allerdings keine praktische Anwendung mehr.
Sensortasten mit integrierter Elektronik wie Piezo- und Hall-Tasten enthalten intern bereits Schwellwertschalter und liefern üblicherweise prellfreie Signale.
Literatur
- Dieter Nührmann: Das große Werkbuch Elektronik. 6. Auflage. Band 3. Franzis, 1994, ISBN 3-7723-6546-9, S. 3191.
- Ulrich Tietze, Christoph Schenk: Halbleiter-Schaltungstechnik. 9. Auflage. Springer, 1989, ISBN 978-3-662-11942-6, S. 256.
Weblinks
- (englisch) Manoj Shenoy: Switch Debouncing, electroSome, 1. Januar 2018, abgerufen, 26. Juli 2018
Einzelnachweise
- ↑ Ausstattung: Technics E-33