Solarmodul
Ein Solarmodul, auch Photovoltaikmodul, PV-Modul, Solarpanel oder Solarpaneel genannt, wandelt das Licht der Sonne direkt in elektrische Energie um. Das Modul besteht aus Solarzellen, die in Reihe oder parallel geschaltet sind und mechanisch eine Einheit, ein elektrisches Bauelement, bilden. Solarmodule sind als flexible und starre Ausführung verfügbar. Starre Solarmodule bestehen üblicherweise aus siliziumbasierten Solarzellen, die zwischen zwei Glasplatten oder einer Glasplatte und einer Rückseitenfolie mittels Einbettungsmaterial hermetisch verkapselt sind. Die Solarzellen werden durch diesen Aufbau vor Umwelteinflüssen geschützt. Flexible Solarmodule basieren auf organischen Werkstoffen und werden vorzugsweise im mobilen Bereich eingesetzt.
Ein Solarmodul wird durch seine elektrischen (z. B. Leerlaufspannung und Kurzschlussstrom), mechanischen, optischen und thermischen Eigenschaften charakterisiert. Die Kennlinie des Solarmoduls hängt vom verwendeten Halbleitermaterial und vom Herstellungsprozess der Solarzellen ab. Zum Erhalt hoher Effizienz ist es wichtig, dass die verschalteten Solarzellen möglichst gleichartig sind. Dazu werden Solarzellen beim Hersteller entsprechend ihrer elektrischen Kennwerte sortiert. Darüber hinaus werden Solarzellen auch entsprechend ihrer Farbe sortiert, um ein einheitliches Aussehen des PV-Generators (alle Solarmodule einer Photovoltaikanlage) zu gewährleisten.
Seit der Erfindung der Halbleiter-Solarzelle 1954 wurde die Photovoltaik-Leistung von Solarmodulen pro Quadratmeter stetig verbessert. Allein im 21. Jahrhundert ist sie für Standard-Silizium-Solarmodule von 154 Wp/m² im Jahr 2000 auf einen Wert von durchschnittlich 226 Wp/m² im Jahr 2025 gestiegen.[1]
Mechanische Anforderungen
Folgende mechanische Anforderungen werden an Solarmodule zum Einbau in eine Photovoltaikanlage gestellt:
- transparente, strahlungs- und witterungsbeständige Abdeckung
- robuste elektrische Anschlüsse
- Schutz der spröden Solarzelle vor mechanischen Einflüssen
- Hagelfestigkeit (Hagelschutz-Klasse)
- Schutz der Solarzellen und elektrischen Verbindungen vor Feuchtigkeit
- Ausreichende Kühlung der Solarzellen
- Berührungsschutz der elektrisch leitenden Bauteile
- Handhabungs- und Befestigungsmöglichkeit
In Deutschland haben 2025 die meisten Bundesländer die Änderung der Muster-Verwaltungsvorschrift Technische Baubestimmungen in der Ausgabe 2024/1 (MVV TB 2024/1) durch das DIBt umgesetzt, nach der nun auch Module bis zu einer Fläche von 3 m² ohne Zustimmung im Einzelfall auf Dächern mit einer Neigung von weniger als 75° montiert werden dürfen.[2]
Typischer Aufbau

Im Folgenden wird anhand des weltweit am häufigsten eingesetzten Modultyps der Aufbau erklärt:
- eine Glasscheibe, meist so genanntes Einscheiben-Sicherheitsglas (ESG) auf der zur Sonne gewandten Seite, die unter anderem zum Schutz gegen Hagel und Verschmutzung dient
- eine transparente Kunststoffschicht (Ethylenvinylacetat (EVA), Polyolefin (PO)), in der die Solarzellen eingebettet sind
- mono- oder polykristalline Solarzellen, die durch Lötbändchen oder aufgeklebte Kupferdrähte[3] elektrisch miteinander verschaltet sind
- Einer weiteren Kunststofffolie zum Verkleben der Rückseitenverkapselung, ähnlich der Einbettungsfolie auf der Vorderseite
- Rückseitenkaschierung mit einer witterungsfesten Kunststoffverbundfolie z. B. aus Polyvinylfluorid (Tedlar) und Polyester oder einer weiteren Glasscheibe (sogenannte Glas-Glas-Module)
- Anschlussdose mit Freilaufdiode bzw. Bypassdiode (siehe unten) und Anschlussterminal, häufig bereits werksseitig mit Anschlusskabeln und Steckern (zumeist „MC4“-Steckverbindungen[4] zwischen 4 und 6 mm²) ausgerüstet
- meistens ein Aluminiumprofil-Rahmen zum Schutz der Glasscheibe bei Transport, Handhabung und Montage, für die Befestigung und für die Versteifung des Verbundes, rahmenlose Module sind meistens als Glas-Glas-Module ausgeführt und werden direkt auf einer Unterkonstruktion mit speziellen Klemmen befestigt
- individuelle Seriennummer auf dem Rahmen oder bei manchen Fabrikaten zusammen mit den Solarzellen unveränderbar eingebettet
Herstellung
Herstellungsprozess
Die Fertigung eines Solarmoduls erfolgt weitgehend automatisiert mit der optisch aktiven Seite nach unten. Als erstes wird ein entsprechendes Glas gereinigt und bereitgelegt. Auf dieses kommt dann eine zugeschnittene Bahn EVA-Folie. Die Solarzellen werden mittels Lötbändchen zu einzelnen Strängen (so genannte Strings) verbunden und auf der Scheibe mit der EVA-Folie positioniert. Nun werden die Querverbinder, die die einzelnen Strings miteinander verbinden und zum Ort der Anschlussdose führen, positioniert und verlötet. Anschließend wird alles nacheinander mit einer zugeschnittenen EVA-Folie und einer Polyvinylfluoridfolie als Rückseitenabschluss bedeckt. Als nächster Produktionsschritt erfolgt das Laminieren des Moduls in einem Vakuumsack bei ca. 140 °C oder im Autoklaven mit Überdruck (um 10 bar) und ebenfalls 140 °C. Beim Laminieren bildet sich aus der bis dahin milchigen EVA-Folie eine klare, dreidimensional vernetzte und nicht mehr aufschmelzbare Kunststoffschicht, in der die Zellen nun eingebettet sind und die fest mit der Glasscheibe und der Rückseitenfolie verbunden ist. Nach dem Laminieren werden die Kanten gesäumt, die Anschlussdose wird gesetzt und mit den Freilaufdioden bestückt. Nun wird das Modul noch gerahmt, vermessen und nach seinen elektrischen Werten klassifiziert und verpackt.
Herstellungsländer
In Deutschland wurden im Jahr 2008 Solarzellen mit einer Leistung von 1.460 MW oder 1.207 MW hergestellt,[5] Spitzenreiter war China, wo Solarzellen mit einer Leistung von 2.589 MW produziert wurden. Deutschland und Japan verloren 2008 Weltmarktanteile, während China, Taiwan und weitere asiatische Länder solche gewannen. 2008 kam rund jede dritte weltweit verkaufte Solarzelle aus China; Deutschland fertigte rund 19 Prozent der Weltproduktion.[6]
Deutschland war schon 2006 bis 2008 Netto-Importeur von Solarmodulen, da die Produktionsmenge an Solarmodulen kleiner war als die Installationsmenge, zudem wurde die Hälfte der Produktion exportiert. Bei einer Gesamtinstallation von mind. 1.933 MW wurden somit zwei von drei im Jahr 2008 in Deutschland installierte Solarmodule aus dem Ausland importiert.[7]
Rund 95 % der in der EU verwendeten Solarmodule stammen aus China.[8]
Technische Merkmale
Die Daten eines Solarmoduls werden genauso wie die Daten einer Solarzelle für standardisierte Testbedingungen (1000 W/m², 25 °C, AM 1,5) angegeben.

Gebräuchliche Abkürzungen für die Bezeichnungen sind:
- Short Circuit (SC)
- Kurzschluss
- Open Circuit (OC)
- Leerlauf
- Maximum Power Point (MPP)
- Betriebspunkt maximaler Leistung
Die Kennwerte eines Solarmoduls sind:
- Leerlaufspannung
- Kurzschlussstrom
- Spannung im bestmöglichen Betriebspunkt
- Strom im bestmöglichen Betriebspunkt
- Leistung im bestmöglichen Betriebspunkt
- Füllfaktor
- Temperaturkoeffizient (TK) für die Leistungsänderung (negativ)
- TK für die Leerlaufspannungsänderung (negativ)
- TK für die Kurzschlussstromänderung (leicht positiv)
- Modulwirkungsgrad
- Aperturwirkungsgrad
- zulässiger Rückstrom bzw. maximale Stringsicherung
- maximale Systemspannung
Da eindringende Feuchtigkeit die Lebensdauer eines Moduls durch Korrosion stark verkürzen und elektrisch leitende Verbindungen der stromdurchflossenen Bauteile des Solarmoduls verursachen kann, kommt der dauerhaften Kapselung eine besondere Bedeutung zu. Bei der Berechnung der Leistungsdaten und der Wirtschaftlichkeit einer PV-Anlage wird meist auch die Alterung mitberechnet, beispielsweise eine Verminderung von 1 % jährlich.
Die Freilauf- oder Bypass-Diode

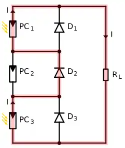
Werden mehrere Solarmodule in Reihe – also in einem String – betrieben, so muss antiparallel zu jedem Modul eine Freilaufdiode geschaltet werden, wie dies in nebenstehender Schaltung skizziert ist. Dabei sind in diesem Beispiel die beiden Solarmodule PC1 und PC3 beleuchtet, das mittlere Modul PC2 ist abgeschattet. Der resultierende Stromfluss I im String-Stromkreis durch den Lastwiderstand RL, die Freilaufdiode D2 und die aktiven Solarmodule PC1 und PC3 ist hier rot hinterlegt dargestellt. Der maximale Strom und die Sperrspannung der Freilaufdiode müssen mindestens den Kurzschlussstrom- und Leerlaufspannungswerten eines Moduls gleichen, damit die Diode einerseits den Strom thermisch verkraftet und andererseits nicht durchbricht. Gleichrichterdioden mit 3–30 A bei einer Sperrspannung von bis zu 100 V sind üblich.
Die Freilaufdiode ist so an die Anschlüsse jedes Moduls geschaltet, dass sie im normalen Betriebszustand (Modul liefert Strom) in Sperrrichtung gepolt ist; die Kathode bzw. Ringmarkierung der Diode ist also mit dem positiven Pol des Moduls verbunden. Wenn das Modul durch Verschattung oder durch einen Defekt keinen Strom liefert, würden – ohne Freilaufdiode – die nunmehr in Sperrrichtung betriebenen Photodioden der verschatteten Solarzellen den gesamten String außer Betrieb nehmen. Überschreitet die Spannung der in Reihe geschalteten funktionstüchtigen und bestrahlten Solarmodule des Strings die Sperrspannung des nicht bestrahlten Solarmoduls (ohne Freilaufdiode), kann dies zu dessen Zerstörung führen. Da die anderen Module weiterhin Spannung aufbauen (und Strom liefern können), bildet sich an der verschatteten Stelle eine Überhitzung, die sogar zu einem Brand des Moduls führen kann. Dieser Effekt wird als Hot Spot bezeichnet. Durch die Freilaufdiode wird dies verhindert, weil der Strom dann durch die Freilaufdiode fließen kann und nicht mehr durch die in Sperrrichtung betriebenen Solarzellen in deren Durchbruchsbereich fließen muss. Ein teilverschatteter String kann daher weiterhin – wenngleich auch geringere – elektrische Leistung liefern.
Bei aktuellen PV-Modulen (September 2011) sind diese Freilaufdioden meistens in die Anschlussdosen auf der Rückseite des Moduls integriert. Bei einem Modul mit 6 × 10 Solarzellen werden beispielsweise je 20 Solarzellen mit einer Diode bei Verschattung überbrückt, sodass bei Teilverschattung nicht gleich das ganze Modul deaktiviert wird, sondern lediglich 1⁄3 oder 2⁄3; die Spannung des Moduls sinkt dann um den jeweiligen Faktor, abzüglich der Schwellenspannung(en) der dann leitenden Freilaufdiode(n).[9] Im Extremfall ist jede einzelne Solarzelle mit einer separaten Freilaufdiode ausgestattet, was zu optimal verschattungsresistenten Solarmodulen führt.[10]
Um bei Verschattungen die Spannungs- und damit die Leistungseinbußen des Solarmoduls möglichst gering zu halten, werden Dioden (z. B. Schottky-Dioden) mit einer möglichst niedrigen Schwellenspannung als Freilaufdioden eingesetzt.
Ein Schwachpunkt besteht darin, dass eine mangelhaft kontaktierte Freilaufdiode im Normalbetrieb nicht auffällt. Dies war die Ursache für den Brand der Photovoltaikanlage Bürstadt[11][12] 2009.
Elektrische Leistung
Die jeweils angegebene (Spitzen-)Nennleistung eines Solarmodules (in Watt Peak = Wp) wird nur bei Laborbedingungen (STC = englisch: standard test conditions) mit einer Lichteinstrahlung von 1000 W/m², 25 °C Zelltemperatur und 90° Einstrahlungswinkel und einem Lichtspektrum von AM 1,5 erreicht. In der Praxis gibt es diese optimalen Bedingungen bei fest installierten Modulen nur bedingt und allenfalls kurzfristig. Entweder ist es dunkler, die Sonne fällt in einem anderen Winkel auf die Module oder die Effizienz der Zellen sinkt durch eine erhöhte Temperatur im Sommer. Jedes Modul reagiert auf die unterschiedlichen Lichtstärken und Lichtfarben anders, sodass die effektive, aktuelle Leistung und der jährliche Ertrag zweier gleich starker Modultypen stark unterschiedlich sein können. Somit kommt es bei den tatsächlichen Tages- oder Jahreserträgen auf die Art und Qualität der Module an und hochwertige Module können daher mehr Ertrag liefern.
Als Richtwerte kann man folgendes ansetzen: Täglich liefert ein unverschattetes Durchschnitts-Modul zwischen 0,5 (trüber, kurzer Wintertag) und 7 (klarer, langer Sommertag) Volllaststunden. Das heißt, ein 100-Watt-Modul (je nach Güte, 0,7–1 m² nötig), bringt zwischen 50 Wh und 700 Wh Tagesertrag. Für Standorte in Süddeutschland, der Schweiz und in Österreich kann man als Faustregel mit einem Jahresertrag von 1000 Wh für jedes Watt Nennleistung (Wp) rechnen. Von modernen Anlagen mit qualitativ hochwertigen und gut aufeinander abgestimmten Komponenten wird dieser Wert durchaus übertroffen. Der detaillierte Standort und die auf ihn abgestimmte Planung spielen dabei eine wichtige Rolle. Im Süden Europas sind diese Werte generell besser und im Norden schlechter. Während an klaren, sonnigen Sommertagen zwischen Nord und Süd nur wenig Unterschied besteht, sind die Gegensätze im Winter umso gravierender. Dies liegt daran, dass im Norden die Sommertage viel länger und die Wintertage erheblich kürzer sind und die Sonne dann dort kaum über den Horizont kommt. In einer Solarsimulation kann man aus Wetterdaten, insbesondere den Strahlungsdaten, und der geografischen Lage für den jeweiligen Standort typische Solar-Erträge ermitteln.[13]
Bei der Serienschaltung unterschiedlich orientierter Module beispielsweise auf gekrümmten Oberflächen oder bei unterschiedlicher Beschattung werden sinnvollerweise Maximum Power Point Tracker (MPPTs) in die Module selbst verbaut.
Varianten


Intelligentes Modul
Ein Intelligentes Modul besitzt einen integrierten MPP-Tracker oder gleich den ganzen Solarwechselrichter für das Modul und kann über einen Gleichstromzwischenkreis oder direkt an das Netz angeschlossen werden.
Steckersolargeräte / Balkonkraftwerk

Steckersolargeräte, Plug-in-Photovoltaikmodule, auch unter Namen Balkonkraftwerk, Plug and Save, Plug & Play[14] oder Mini-PV bekannt, sind Solarmodule mit einem (z. T. integrierten) Mikrowechselrichter. Diese Anlagen können auf der Terrasse, im Garten, auf Carport, Garage, Balkon oder Gartenhäuschen aufgestellt werden und per Stecker (je nach Land Netzstecker oder Energiestecker) mit der Elektroinstallation der eigenen Wohnung oder des Hauses verbunden werden.
Steckersolargeräte sind fertig montiert und konfektioniert, sodass sie auch von Laien in Betrieb genommen werden können. Derartige „Balkonanlagen“ können die private Stromrechnung senken.[15] In Deutschland unterliegen seit Mai 2024 Anlagen bis 800 W Wechselrichterleistung keiner Anmeldepflicht beim Netzbetreiber mehr und herkömmliche Stromzähler dürfen nach der Installation eines BKWs bis zum Zählertausch gegen einen Zähler mit Rücklaufsperre, für den der Netzbetreiber zuständig ist, rückwärts laufen.[16] Bis 2024 waren nicht angemeldete PV-Anlagen daher auch unter dem Begriff Guerilla-PV bekannt.[17]
Die Zulassung von Plug-in-Photovoltaikmodulen wird in verschiedenen Ländern unterschiedlich gehandhabt. In Deutschland ist der Betrieb einer Anlage bis 800 W Wechselrichterleistung am Stromnetz innerhalb eines Monats beim Marktstammdatenregister anzumelden; eine Anmeldung beim Netzbetreiber ist nicht notwendig (s. o.). Ein Anschluss einer Erzeugungsanlage mit einem Schuko-Stecker direkt an einen Endstromkreis ist in Deutschland seit 2024 nicht mehr verboten, wenn die Einspeiseleistung von 800 Watt nicht überschritten wird und der Wechselrichter über normgerechte Komponenten zum Netz- und Anlagenschutz verfügt.[16]
In Österreich schreiben viele Netzbetreiber vor, dass Erzeugungsanlagen nicht steckbar ausgeführt sein dürfen. In der Schweiz und vielen anderen Ländern können Plug-in-Photovoltaikmodule dagegen normal angeschlossen und verwendet werden, sofern sichergestellt ist, dass eine Einspeiseleistung von 600 Watt unter keinen Umständen überschritten wird.[18] Dieselbe Toleranzschwelle existiert in den Niederlanden.[19]
Bis Ende 2021 wurden nach einer Studie[20] der Hochschule für Technik und Wirtschaft Berlin zwischen 140 000 und 190 000 Steckersolargeräte (Hochrechnung) in Deutschland an Endkunden verkauft, was einer Leistung von 59 bis 66 Megawatt entspricht.[21]
Glas-Glas-Module
- Laminiert: Vorteile sind Robustheit und erhöhte Lebensdauer[22]
- in Gießharztechnik
- in Verbundsicherheitsfolien-Technologie (Verbund-Sicherheitsglas) mit PVB-Folie: Die Verwendung von PVB ist von Nachteil, da es geringere UV-Transmissionswerte hat. Daher ist EVA sehr sinnvoll, wie oben erwähnt.
Weitere Arten

- Bifaziale Module (lat. bi facies = zwei Gesichter): Bifaziale Solarmodule gewinnen Solarenergie über ihre Vorder- und Rückseite. Sie liefern einen potenziell höheren Ertrag, da sie Streulicht etwa bei einem bewölkten Himmel oder in der Dämmerung besser nutzen können. Der Mehrertrag kommt nur zustande, wenn die Module so aufgestellt werden, dass sie von der Rückseite Licht aufnehmen können (z. B. senkrechten Montage, Aufstellung mit Abstand zu einem hellen Untergrund).[23]
- Dünnschicht-Module (CdTe, CIGSSe, CIS, a-Si, µc-Si[24]) hinter Glas oder als flexible Beschichtung, z. B. auf Kupferband
- Fluoreszenz-Kollektor: Diese besondere Form von Solarmodulen wandelt die einfallende Strahlung in einer Kunststoffplatte in eine besonders an die Solarzellen angepasste Wellenlänge um. Der Kunststoff ist dazu mit fluoreszierenden Farbstoffen dotiert. Die Sonnenstrahlung wird vom Farbstoff absorbiert und regt diesen zum Leuchten an. Die dabei emittierte langwelligere Strahlung verlässt die Platte hauptsächlich an einer Stirnseite, an allen anderen Seiten wird sie durch Totalreflexion oder Spiegelung weitestgehend im Material gehalten. Die freie Stirnseite wird mit Solarzellen bestückt, die optimal für die durch den Farbstoff emittierte Wellenlänge geeignet sind. Durch das Stapeln mehrerer verschiedener Kunststoffplatten und Solarzellen, die jeweils auf einen anderen Wellenlängenbereich optimiert werden, kann der Wirkungsgrad erhöht werden, da hierdurch ein breiterer Spektralbereich des Sonnenlichtes ausgenutzt werden kann, als dies mit einer üblichen Mono-Solarzelle möglich ist
- Folien-Rückseiten-Module
- Semi-flexible Module aus monokristallinen Zellen zwischen transparenten Kunststoffplatten
- Konzentrator-Module (auch CPV: Concentrated PV), siehe auch Konzentratorzellen: Das Sonnenlicht wird mit Hilfe einer Optik auf kleinere Solarzellen konzentriert. Damit spart man kostbares Halbleitermaterial, indem man es mittels vergleichsweise billiger Linsen gebündelt beleuchtet. Konzentratorsysteme werden meist in Verbindung mit III-V-Verbindungshalbleitern verwendet. Da für die Optik ein bestimmter Sonneneinfall (meist senkrecht) notwendig ist, erfordern Konzentratorsysteme immer eine mechanische Nachführung nach dem Sonnenstand
Degradation
Unter dem Begriff Degradation wird die alterungsbedingte Änderung der Parameter von Halbleiterbauteilen verstanden – in diesem Fall der Rückgang des Wirkungsgrades von Solarzellen im Laufe ihres Lebens.
Üblicherweise betrachtet man einen Zeitraum von bis zu 25 Jahren. Der Verlust an Wirkungsgrad liegt etwa im Bereich von 10 % bzw. 13 % in dem Zeitraum von 20 bzw. 25 Jahren.[25] Solarzellen im Weltraum altern wesentlich schneller, da sie einer höheren Strahlung ausgesetzt sind.
Nachlassende Wirkungsgrade bzw. Stromerträge bei Solarmodulen haben aber oft banalere Ursachen: allgemeine flächige Verschmutzung der Modulgläser; Veralgung (Verpilzen) speziell vom Modulrahmen ausgehend, mit Teilabschattung der Zellen; wachsende Bäume und Sträucher, die eine Teilabschattung bewirken und bei der Installation noch deutlich kleiner waren; Vergilbung des polymeren Einbettungsmaterials, das den Zelle-Glas-Kontakt bewerkstelligt.
Kristalline Solarzellen

Bei kristallinen Solarzellen beträgt der anfängliche Wirkungsgrad ca. 19–23 %. Oft garantieren die Hersteller nach 20-jährigem Betrieb noch eine Leistung von 80 bis 85 % der Nennleistung.
Für die Degradation verantwortlich sind im Wesentlichen rekombinationsaktive Defekte, die die Lebensdauer der Ladungsträger bei Beleuchtung erheblich reduzieren (lichtinduzierte Degradation). Durch beleuchtungsinduzierte Injektion von Minoritätsladungsträgern (Elektronen im p-Typ Silizium) wird die Diffusion von Sauerstoff-Dimeren im Silizium beschleunigt. Die positiv geladenen Sauerstoff-Dimere lagern sich dann an die negativ geladenen Bor-Dotierstoffatome an und bilden so den für Solarzellen schädlichen Bor-Sauerstoff-Komplex.[26]
Um den Effekt des Wirkungsverlustes zu minimieren, kann man Siliziumwafer mit einem niedrigeren Anteil an Bor und möglichst geringem Sauerstoffanteil verwenden (< 15 ppm). Bei der Verwendung von weniger Bor wird der Wafer jedoch aufgrund der geringeren Dotierung auch hochohmiger, wodurch der Wirkungsgrad der Zelle sinken kann, abhängig von der Zellstruktur.
Untersuchungen haben gezeigt, dass Solarzellen bei Dotierung des p-Kristalls mit Gallium statt Bor keine wesentliche Degradation aufweisen.[27][28] Der geringere Wirkleistungsverlust konnte auch bei Gallium-dotiertem Silizium mit hohem Sauerstoffanteil nachgewiesen werden.[29]
Amorphe Siliziumsolarzellen
Eine besonders hohe Degradation von bis zu 25 Prozent kann bei Solarzellen aus amorphem Silizium im ersten Betriebsjahr auftreten. Für Solarmodule aus diesem Material wird jedoch nicht die Leistung zu Beginn der Lebenszeit, sondern die Leistung nach der Alterung in den Datenblättern und beim Verkauf angegeben. Solarmodule aus diesem Material haben also zunächst eine höhere Leistung als die, für die man bezahlt hat. Die Degradation, auch Staebler-Wronski-Effekt (SWE) genannt, erfolgt unter Lichteinstrahlung. Dabei erfährt das metastabile amorphe wasserstoffhaltige Silizium (a-Si:H) eine Zunahme der Defektdichte um etwa eine Größenordnung, bei gleichzeitiger Abnahme der Leitfähigkeit und Verschiebung des Fermi-Niveaus in die Mitte der Bandlücke.
Nach etwa 1000 Sonnenstunden erreichen a-Si-Zellen einen stabilen Sättigungswert für den Wirkungsgrad. Die ersten Module wurden Anfang der 1980er-Jahre durch die amerikanische Firma Chronar industriell hergestellt. Die 6″ × 12″ großen Module lieferten bis zu 12 W Leistung für Systeme mit einer Spannung von 12 V. Kleine netzunabhängige Systeme mit einer 12-V-Bleibatterie können damit betrieben werden. Bis 1989 errichtet Chronar Fertigungsstätten in den USA, Großbritannien, Frankreich und Kroatien. Auch nach der Insolvenz 1990 sind von einigen dieser Fabriken bis in die Gegenwart Module der 1. Generation gefertigt worden.
Es handelt sich um Module mit einer vorderen, 2 mm dicken Glasplatte, welche die aktiven Solarzellen trägt. Die Rückseite bildet eine zweite Glasplatte, die mit einem UV-aushärtenden Acrylharz luft- und wasserdicht aufgeklebt ist. Ein Kunststoff- oder Metallrahmen garantiert den Schutz der Kanten. Ein Steckverbinder war in den Rahmen integriert. Die Solarzellen wurden durch abwechselnde Abscheidung von dünnen Materialschichten und anschließendes Trennen in schmale Streifen, die eigentlichen Zellen, mit Laser auf einem XY-Tisch erzeugt. Begonnen wurde mit der vakuumtechnischen Ablagerung einer transparenten Schicht aus Zinnoxid, die als leitfähige Elektrode dient. Mittels Plasmagestützter CVD von Silan und Wasserstoff unter zeitlich gesteuerter Zugabe von Dotierungselementen wurde die Schichtfolge pin einer Diodenstruktur erzeugt. Der zweite Laserschnitt erfolgt um einige 100 µm versetzt und legte die Frontelektrode wieder frei. Abschließend wurde in einem Vakuumprozeß eine gut leitfähige Aluminiumschicht als Verbinder zur Serienschaltung der Zellen gesputtert. Ein dritter versetzter Laserschnitt trennte die Zellen, sicherte aber die Verbindung von der Aluminiumschicht der einen Zelle zur Frontelektrode der benachbarten. Störende Restverbindungen der Zellen wurden durch einen starken Stromimpuls ausgebrannt. Abschließend wurden an den Randzellen Aluminiumfoliebänder mittels Ultraschall gebondet und diese Bänder mit dem Steckverbinder verbunden.
Spannungsinduzierte Degradation
Spannungsinduzierte Degradation (auch potentialinduzierte Degradation; englisch potential induced degradation; PID) ist eine spannungsbedingte Leistungsdegradation bei kristallinen Photovoltaik(PV)-Modulen, hervorgerufen durch sogenannte Leckströme. Dieser negative Effekt kann Leistungsverluste von bis zu 30 % verursachen.[30]
Ursache für die schädlichen Leckströme ist neben dem Aufbau der Solarzelle die Spannungslage der einzelnen PV-Module gegenüber dem Erdpotential – bei den meisten ungeerdeten PV-Systemen sind die PV-Module einer positiven oder negativen Spannung ausgesetzt. PID tritt meistens bei einer negativen Spannung gegenüber Erdpotential auf (Ausnahme: gewisse kristalline Hochleistungsmodule) und wird durch hohe Systemspannungen, hohe Temperaturen und hohe Luftfeuchtigkeit beschleunigt.
PID ist als Effekt seit mehreren Jahren bekannt. Erste Veröffentlichungen zu dem Thema aus dem Jahr 2006 (Photon 4/2006, 6/2006 und 4/2007) betrafen damals nur die kristallinen Hochleistungsmodule von SunPower. 2007 wurde PID auch bei manchen Solarmodulen von Evergreen Solar (Photon 1/2008 und 8/2008) registriert. Mittlerweile ist PID auch bei gewöhnlichen kristallinen Modulen ein Problem (Photon 12/2010, Vortrag vom Solarenergieunternehmen Solon SE auf der PVSEC in Valencia 2010): Aussage des Solarmodulherstellers Solon SE: „Bei 1000 V, einer inzwischen durchaus üblichen Spannung bei größeren PV-Anlagen, kann es für jede Modultechnologie kritisch werden“.
Der negative PID-Effekt kann gänzlich verhindert werden, indem ein Wechselrichter mit der Möglichkeit zur Erdung des positiven oder negativen Poles verwendet wird. Welcher Generatorpol geerdet werden muss, ist mit dem Solarmodulhersteller abzuklären.
Recycling
Materialien in einem Photovoltaikmodul können bis zu 95 % recycelt werden. Die weltweit erste Versuchsanlage zum Recycling von kristallinen Siliziumsolarzellen ging 2004 in Freiberg in Betrieb.[31] Solarmodule unterliegen seit dem 15. August 2018 den Regeln der Richtlinie 2012/19/EU über Elektro- und Elektronik-Altgeräte, die in Deutschland als Elektro- und Elektronikgerätegesetz in nationales Recht umgesetzt wurde. Hersteller und Händler sind dazu verpflichtet, neu in den Markt gebrachte Module bei der Stiftung Elektro-Altgeräte Register zu registrieren. Die gefordertete Sammelquote beträgt aktuell (2021) 85 %, wobei 80 % des Materials wieder in den Wertstoffkreislauf zurückgeführt werden müssen.[32] Bei CdTe-Dünnschichtmodulen werden Recyclingquoten von 90 % erreicht.[33]
In einem der heute verfügbaren Recyclingprozesse für siliziumbasierte Module werden bei Temperaturen um 600 °C die im Modul enthaltenen Kunststoffe verbrannt. Zurück bleiben Glas, Metall, Füllstoffe und die Solarzelle. Das Glas und die Metallfraktion werden an entsprechende Recyclingbetriebe weitergegeben.
Von der Solarzelle werden die Oberflächenschichten durch einen chemischen Reinigungsschritt (Ätzen) gelöst. Aus dem Silizium der Solarzelle können dann wieder neue Solarzellen hergestellt werden. Bemerkenswert ist, dass wesentlich weniger Energie aufgewendet werden muss, wenn man aus den alten Solarmodulen das Silizium recycelt, als wenn man es neu herstellt.[34]
Für einen qualitativ gleichwertigen Wafer aus Recycling-Silizium braucht man nur 30 % der Energie im Vergleich zu einem neuen Wafer.[35] Recycling ist also ökologisch sinnvoll, da die Energierücklaufzeit geringer wird, das heißt, ein recyceltes Modul spielt den Energieaufwand, den man zur Herstellung gebraucht hat, schneller wieder ein als ein Solarmodul aus nicht recyceltem Silizium. Eine 2012 erschienene Studie des deutschen Fraunhofer-Instituts zeigt, dass das Recycling einer Tonne siliziumbasierter PV-Module bis zu 1200 Tonnen CO2-Äquivalent einsparen kann. Heute bestehen Recyclingtechnologien für alle am Markt erhältlichen PV-Technologien.
Eine Forschungsgruppe am Fraunhofer-Center für Silizium-Photovoltaik (CSP) – einer gemeinsamen Einrichtung des Fraunhofer-Instituts für Mikrostruktur von Werkstoffen und Systemen (IMWS) und des Fraunhofer-Instituts für Solare Energiesysteme (ISE)[36] – entwickelte ein Verfahren, mit dem das Silizium kristalliner Silizium-PV-Module unabhängig von Hersteller und Herkunft zurückgewonnen und zur Herstellung neuer PERC-Solarzellen genutzt werden kann. Der Wirkungsgrad der neuen Module liege bei 19,7 und somit niedriger als Spitzen-Wirkungsgrade von 22,2 und höher als der Wirkungsgrad der Solarzellen der dem Recycling zugeführten Module.[37] Die Lebensdauer sei ebenso lang wie die anderer Module.[38]
Seit 2010 bringt eine jährliche Konferenz Hersteller, Recycler und Wissenschaftler zusammen, um auf die Zukunft von PV-Modulrecycling zu schauen. 2011 fand die Veranstaltung in Berlin statt.[39]
Literatur
- Alan R. Hoffman, Ronald G. Ross: Environmental qualification testing of terrestrial solar cell modules. In: Proceedings of the 13th IEEE PV Specialists Conference. Washington, DC, 1978, S. 835–842.
- S. Pingel, O. Frank, M. Winkler, S. Daryan, T. Geipel, H. Hoehne, J. Berghold: Potential Induced Degradation of solar cells and panels. Photovoltaic Specialists Conference (PVSC), 35th IEEE, Valencia 2010, ISBN 978-1-4244-5891-2. (abstract)
Weblinks
Einzelnachweise
- ↑ Jens Burkhardt: kWp pro m²: Photovoltaik-Leistung je Fläche. echtsolar.de, 23. März 2025, abgerufen am 4. April 2025.
- ↑ Aktualisiert: Welche bauaufsichtlichen Bestimmungen gelten für Photovoltaik-Module (PV-Module)? In: dibt.de. 27. Oktober 2023, abgerufen am 26. Juni 2025.
- ↑ Smart Wire Connection Technologie. Abgerufen am 31. Dezember 2021.
- ↑ Der echte Original MC4 von Stäubli für Qualität und Zuverlässigkeit. In: Stäubli International. Abgerufen am 10. Oktober 2023.
- ↑ Photon Jan. 2009, Seite 36ff.: Ein gutes Jahr
- ↑ Photon April 2009, Seite 54ff.: Verhaltenes Lächeln auf langen Gesichtern.
- ↑ Solarserver(2009): Solarserver: Unterüberschrift Zwei von drei in Deutschland installierten Solarmodulen kamen 2008 aus dem Ausland, Neue Zahlen: Photovoltaik-Zubau 2008 höher als bislang bekannt; fast zwei Gigawatt nachgewiesen, bis zu vier Gigawatt für 2009 erwartet ( vom 4. Mai 2011 im Internet Archive)
- ↑ Energiewende ohne Europa: Rasanter Zubau der Solarenergie: China dominiert den Weltmarkt - Europa kaum vertreten. In: industriemagazin.at. 2. Januar 2025, abgerufen am 18. Juni 2025.
- ↑ Bypass-Dioden – Funktionsweise im Photovoltaik Modul. Abgerufen am 4. März 2023.
- ↑ Ralph Diermann: Greenakku bringt Balkonsolar-Paket mit verschattungsresistentem Modul auf den Markt. In: pv magazine. 31. Januar 2023, abgerufen am 16. März 2023.
- ↑ Brandursache in Bürstadt waren mangelhafte Solar-Laminate von BP Solar. auf: photovoltaik-guide.de, 24. August 2009.
- ↑ Feuer auf dem Dach. ( vom 1. September 2009 im Internet Archive) In: Financial Times Deutschland. 3. Juli 2009.
- ↑ Leistung, beziehungsweise Ertrag eines Solarmodules Abschnitt des Artikels PV-Module/ Solarmodule zur Stromerzeugung auf oeko-energie.de, abgerufen am 10. September 2010.
- ↑ Jörg Sutter: Marktstudie Steckersolar veröffentlicht. In: www.dgs.de. Deutsche Gesellschaft für Sonnenenergie, 25. Februar 2022, abgerufen am 26. Februar 2022.
- ↑ Verbraucherzentrale NRW: Stecker-Solar: Solarstrom vom Balkon direkt in die Steckdose. 18. Januar 2022, abgerufen am 25. Februar 2022.
- ↑ a b Neue Gesetze und Normen für Steckersolar: Was gilt heute, was gilt (noch) nicht? Verbraucherzentrale NRW e. V., 8. Juli 2024, abgerufen am 13. August 2024.
- ↑ Ralph Diermann: Mini-Photovoltaik: Solarenergie vom eigenen Balkon. In: Der Spiegel – Wissenschaft. Abgerufen am 18. Januar 2021.
- ↑ Plug-&-Play-Photovoltaikanlagen Eidgenössisches Starkstrominspektorat ESTI 2014.
- ↑ Bericht der WDR-Sendung „Markt“. 15. Juni 2015, abgerufen am 25. August 2015.
- ↑ Joseph Bergner, Rosa Hoelger, Barbara Praetoriu: Der Markt für Steckersolargeräte 2022. (PDF; 1,1 MB) Ergebnisse einer Erhebung und Befragung von Anbietern zu Marktvolumen, -struktur und -entwicklung in Deutschland. In: solar.htw-berlin.de. Hochschule für Technik und Wirtschaft Berlin, 24. Februar 2022, abgerufen am 26. Februar 2022.
- ↑ Studie: Der Markt für Steckersolargeräte 2022. Auswertung einer Umfrage unter Anbietern von Steckersolargeräten zu Marktstruktur, Marktvolumen, Umsatz und Kundenpräferenzen. In: solar.htw-berlin.de. Hochschule für Technik und Wirtschaft Berlin, 24. Februar 2022, abgerufen am 26. Februar 2022.
- ↑ Erfolgreicher Start für das Dünnglas-Photovoltaik-Modul Dünnglas-Photovoltaik-Modul, abgerufen am 21. November 2013
- ↑ Bifaziale Module: So funktionieren sie, das sind die Vor- und Nachteile - (Computer Bild vom 5. April 2024)
- ↑ Mikrokristallines Silizium
- ↑ Detailliertere Berechnung hier: Photovoltaik - Degradation (Leistungsverlust) Rechner. In: rechneronline.de. Abgerufen am 26. Juni 2025.
- ↑ J. Schmidt, K. Bothe: Structure and transformation of the metastable boron- and oxygen-related defect center in crystalline silicon. In: Physical Review B. Band 69, Nr. 2, 2004, S. 024107, doi:10.1103/PhysRevB.69.024107.
- ↑ J. Schmidt: Light-induced degradation in crystalline silicon solar cells. In: Solid State Phenomena. Band 95-96, 2004, S. 187–196, doi:10.4028/www.scientific.net/SSP.95-96.187.
- ↑ M. Sheoran, A. Upadhyaya, A. Rohatgi: A Comparison of Bulk Lifetime, Efficiency, and Light-Induced Degradation in Boron- and Gallium-Doped Cast mc-Si Solar Cells. In: Electron Devices, IEEE Transactions on. Band 53, Nr. 11, 2006, S. 2764–2772, doi:10.1109/TED.2006.883675.
- ↑ S. W. Glunz, S. Rein, J. Knobloch, W. Wettling, T. Abe: Comparison of boron- and gallium-doped p-type Czochralski silicon for photovoltaic application. In: Progress in Photovoltaics: Research and Applications. Band 7, Nr. 6, 1999, S. 463–469, doi:10.1002/(SICI)1099-159X(199911/12)7:6<463::AID-PIP293>3.0.CO;2-H.
- ↑ Fraunhofer CSP stellt Ergebnisse zur potentialinduzierten Degradation (PID) von Solarmodulen vor. ( vom 17. Februar 2013 im Webarchiv archive.today) Fraunhofer-Center für Silizium-Photovoltaik CSP, abgerufen am 28. Januar 2013.
- ↑ Recycling von Modulen, Solar-Konzerne kämpfen um ihr grünes Image. auf: Spiegel Online. 25. April 2010.
- ↑ WEEE2: Recycling von Photovoltaik-Modulen. Abgerufen am 30. Dezember 2021.
- ↑ First Solar Recycling. Abgerufen am 30. Dezember 2021.
- ↑ Nicole Vormann: Studie: Nachhaltigkeit und Social Responsibility in der Photovoltaik-Industrie. (Studie) Januar 2010, abgerufen am 4. März 2010.
- ↑ Anja Müller, Karsten Wambach, Eric Aslema: Life Cycle Analysis of Solar Module Recycling Process. Life Cycle Analyses Tools Symposium, MRS Meeting, 2005.
- ↑ Sophia Bächle, Peter Dold: PERC-Solarzellen aus 100 Prozent recyceltem Silizium. (PDF) In: fraunhofer.de. 7. Februar 2022, abgerufen am 16. April 2022.
- ↑ Recycling alter Photovoltaik-Modulen: Fraunhofer entwickeln PERC-Solarzellen aus 100 % recyceltem Silizium. In: industrieanzeiger.industrie.de. 8. Februar 2022, abgerufen am 16. April 2022.
- ↑ Wolfgang Kempkens: Recycling für Solarzellen: Strahlt fast wie neu. In: faz.net. 7. April 2022, abgerufen am 16. April 2022.
- ↑ International Conference on PV Module Recycling ( vom 10. Februar 2013 im Webarchiv archive.today)