NATO-Schiene

Die NATO-Schiene ist eine nach STANAG 4694 genormte Montageschiene für Zubehör von Handfeuerwaffen. Die Norm wurde am 8. Mai 2009 von den zuständigen NATO-Behörden verabschiedet.[1]
Hintergrund und Technik

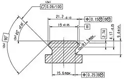
Die NATO-Schiene basiert auf der Picatinny-Schiene (MIL-STD-1913/STANAG 2324) und ist mit ihr rückwärtskompatibel. Damit kann sie auch für die Picatinny-Schiene entwickeltes Zubehör aufnehmen.[1] Sie wurde in Zusammenarbeit mit einigen Waffen- und Zubehörherstellern entwickelt, darunter Aimpoint, Beretta, Colt Canada, FN Herstal und Heckler & Koch.[2]

Im Unterschied zur Picatinny-Schiene und deren Vorläufer, der Weaver-Schiene, ist die NATO-Schiene metrisch bemaßt. Des Weiteren wurden Maßangaben und Toleranzen ergänzt oder angepasst und insbesondere die Geradheitstoleranz um 50 % reduziert.[3] Auch wurden die Referenzflächen für die Klemmung der Zubehörteile geändert, um eine höhere Wiederholpräzision zu gewährleisten.[4]
Verwendung
Die NATO-Schiene findet bereits auf dem von der deutschen Bundeswehr eingesetzten Gewehr G28 und beim HK416 ab der Ausführung 5 Verwendung.[5] NATO-Schienen werden auch in der Videoproduktion und der professionellen Fotografie als schnell zu wechselnde Befestigungen für verschiedenste Zurüstteile wie etwa Griffe oder Monitorhalterungen genutzt.
Weiterentwicklung
Durch die Verwendung von Zubehörteilen die elektrische Energie benötigen, wie beispielsweise Taktisches Licht oder Restlichtverstärker, wird das Gewicht der Waffe durch die eingebauten Batterien des Zubehörs stark erhöht und häufig auch eine störende Kopflastigkeit erzeugt, die das Führen der Waffe erschwert.[6] Ziel der Entwicklung ist es, die STANAG-4694-Schiene so zu modifizieren, um mit beispielsweise einer im Griff untergebrachten Batterie die Verteilung von Strom auf die Zubehörteile zu ermöglichen. Der Vorteil dieses Systems wäre eine positive Schwerpunktsverlagerung, Gewichtsreduzierung, verbesserte Interoperabilität und die Einführung eines Energiemanagements.[7] Diese Weiterentwicklung wurde als STANAG 4740 standardisiert.
Weblinks
Einzelnachweise
- ↑ a b NATO Infantry Weapons Standardization, NATO Weapons & Sensors Working Group, PDF, 650,76KB ( vom 29. Dezember 2009 im Internet Archive)
- ↑ Andrew White: NATO countries finalise plans for a standard rail adaptor system. In: Jane’s Defence Security Report, 20. Mai 2009.
- ↑ Per G. Arvidsson: NATO Infantry Weapons Standardization. (PDF, 650,76KB) NATO Weapons & Sensors Working Group, 27. Mai 2009, S. 13, archiviert vom (nicht mehr online verfügbar) am 29. Dezember 2009; abgerufen am 6. Juli 2014 (englisch).
- ↑ Per G. Arvidsson: NATO Infantry Weapons Standardization. (PDF, 650,76KB) NATO Weapons & Sensors Working Group, 27. Mai 2009, S. 14, archiviert vom (nicht mehr online verfügbar) am 29. Dezember 2009; abgerufen am 6. Juli 2014 (englisch).
- ↑ Produktbeschreibung G28. Heckler & Koch, archiviert vom (nicht mehr online verfügbar) am 8. Februar 2015; abgerufen am 6. Juli 2014 (deutsch).
- ↑ Torbjoern Eld: Powered Rail. (PDF) NATO Weapons & Sensors Working Group, 20. Mai 2009, S. 5, archiviert vom (nicht mehr online verfügbar) am 24. September 2015; abgerufen am 11. November 2014 (englisch).
- ↑ Torbjoern Eld: Powered Rail. (PDF) NATO Weapons & Sensors Working Group, 20. Mai 2009, S. 6, archiviert vom (nicht mehr online verfügbar) am 24. September 2015; abgerufen am 11. November 2014 (englisch).