MFO Fc 2x2/2
Die Lokomotiven Nr. 1 und 2 der Maschinenfabrik Oerlikon (MFO) waren zunächst elektrische Versuchslokomotiven für den Versuchsbetrieb Seebach–Wettingen in der Schweiz. Am 30. Juli 1919 kamen sie als Fc 2x2/2 12101 und 12102 zu den Schweizerischen Bundesbahnen (SBB), wo sie vorwiegend als Rangierlokomotiven verwendet wurden. Ab 1920 trugen sie die Bezeichnung Ce 4/4 13501 und 13502. Später gelangten sie als Ce 4/4 33 „Eva“ zur Bodensee-Toggenburg-Bahn beziehungsweise als Ce 4/4 1 „Marianne“ zur Sensetalbahn.
Lokomotive Nr. 1 ist die erste Lokomotive für Wechselstrom mit 50 Hz Standard-Industriefrequenz und die erste Umformerlokomotive der Welt[1]. Sie ist heute im Verkehrshaus der Schweiz ausgestellt. Lokomotive Nr. 2 gilt als erste brauchbare Lokomotive, deren Motoren direkt mit Einphasen-Wechselstrom betrieben wurden[2] und ist im Bestand von SBB Historic.
Versuchslokomotive Nr. 1
| MFO Fc 2x2/2 1 (Umformerlokomotive) | |
|---|---|
![]() Lok Nr. 1 auf dem Anschlussgleis der MFO in Seebach
| |
| Hersteller: | MFO, SLM |
| Achsformel: | B'B' |
| Länge über Kupplung: | 9500 mm |
| Dienstmasse: | 48 t |
| Höchstgeschwindigkeit: | 60 km/h |
| Stundenleistung: | 400 PS (294 kW) |
| Treibraddurchmesser: | 1030 mm |
Mechanischer Teil

Der von der Schweizerischen Lokomotiv- und Maschinenfabrik (SLM) gelieferte mechanische Teil mit einem Lokomotivkasten in Form eines Bügeleisens mit einseitig angeordnetem Führerstand ist gekennzeichnet durch die beiden zweiachsigen Drehgestelle. In der Mitte jedes Drehgestells befindet sich oben der Fahrmotor, der über eine Zahnradübersetzung, einer Blindwelle und Kuppelstangen die Triebräder antrieb. Der Bodenrahmen des Wagenkastens trägt an seinen Stirnseiten die Zug- und Stossvorrichtungen und ist mit zwei federnden Pendel mit den Drehgestellen verbunden. Weil wegen des Motors in der Mitte des Drehgestells die Verwendung von Drehzapfen ausgeschlossen war, werden die Zug- und Stosskräfte zwischen Rahmen und Drehgestell durch je zwei schiefe Stangen übertragen. Die damals 48 Tonnen schwere Lokomotive konnte mit einer achtklötzigen Bremse von Hand oder mit Druckluft betätigt werden. Sandstreuer, Stromabnehmer und Pfeife wurden auch mit Druckluft betrieben. Die elektrische Ausrüstung war im Vorbau der Lokomotive untergebracht.

Elektrische Ausrüstung als Umformerlokomotive

Da beim Bau der Lokomotive noch keine Direktmotoren zur Verfügung standen, wurde die Maschine zunächst als Umformerlokomotive gebaut. Die Einphasenspannung mit 15 kV und 50 Hz wurde mit zwei luftgekühlten Transformatoren mit einer Scheinleistung von je 250 kVA auf 700 V verringert und dem in der Längsachse des Wageninnern zwischen den Drehgestellen angeordneten Ward-Leonard-Umformer zugeführt. Er bestand aus einem asynchronen Wechselstrommotor mit Kurzschlussläufer, der direkt mit einem Gleichstromgenerator von 400 kW Leistung gekuppelt war. Die von 0 V bis 600 V einstellbare Spannung des Generators wurde den beiden Gleichstrom-Nebenschluss-Fahrmotoren zugeleitet. Vorne am Umformer befand sich der Erregerdynamo mit etwa 6 kW Leistung, der zugleich zum Anlassen des Umformers diente. Bevor die Lokomotive losfahren konnte, wurde der Umformer gestartet und langsam auf seine Nenndrehzahl gebracht, wobei ein immer lauteres Heulen zu vernehmen war.
| MFO Fc 2x2/2 1 (Direktmotorlokomotive) | |
|---|---|
![]() Lok Nr. 1 nach dem Umbau zur Wechselstromlokomotive
| |
| Hersteller: | MFO, SLM |
| Achsformel: | B'B' |
| Länge über Kupplung: | 9500 mm |
| Dienstmasse: | 40 t |
| Höchstgeschwindigkeit: | 60 km/h |
| Stundenleistung: | 500 PS (370 kW) |
| Stundenzugkraft: | 3400 daN |
| Treibraddurchmesser: | 1050 mm |
Mit der Lokomotive sollte die Betriebstüchtigkeit von einphasigem Wechselstrom mit hoher Spannung nachgewiesen werden. Die Lokomotive erfüllte die an sie gestellten Anforderungen vollständig. Weil während den Arbeitspausen die Umformergruppe nicht jedes Mal abgestellt wurde, kam es zu verhältnismässig häufigem Leerlauf mit einem relativ grossen Stromverbrauch. Aus diesem Grund und weil die Konstruktion von Einphasen-Kollektormotoren für 15 Hz gelungen war, entschloss sich die MFO zum Umbau der Lokomotive in eine Direktmotor-Lokomotive ähnlich der inzwischen erprobten Maschine Nr. 2.
Lokomotive Nr. 1 als Direktmotorlokomotive

Im Jahre 1906 wurde die Lokomotive Nr. 1 von einer Umformer- in eine Direktmotorlokomotive entsprechend der Nr. 2 umgebaut. Der mechanische Teil wurde nur soweit geändert, als dies zur Aufnahme der neuen elektrischen Ausrüstung nötig war. Das Laufwerk und der unsymmetrische Kasten mit nur einem Endführerstand blieben deshalb erhalten. Durch den Umbau sank das Gewicht der Lokomotive von 48 auf 40,5 Tonnen.
Elektrisch hatte die Maschine nun annähernd die klassische Form einer Einphasenlokomotive der damaligen Zeit angenommen. Auf dem Dach des Führerhauses war auf einem hölzernen Rahmen zusätzlich ein SSW-Bügelstromabnehmer aufgebaut, damit die Lokomotive auf dem Abschnitt Regensdorf–Wettingen mit der Bügelfahrleitung verkehren konnte. Am Kasten über dem Vorbau war weiterhin ein Paar Rutenstromabnehmer montiert. Alle Stromabnehmer waren mit Druckluft angetrieben. Auf dem Dach befanden sich neu eine sogenannte Hörner-Blitzschutzvorrichtung und eine Induktionsspule. Die Maschine erhielt einen pneumatisch betätigten Hauptschalter mit zwei Transformatoren. Die Spannungsregulierung besorgten 16 elektromagnetische Schützen mit Überschalt-Drosselspule, die von einem Steuerkontroller im Führerstand betätigt wurden. Auch der Wendeschalter wurde vom Führerstand aus mit Druckluft betrieben. Es kamen die gleichen Fahrmotoren wie bei der Versuchslokomotive Nr. 2 zum Einbau.
Als Hilfsbetriebe waren ein Kompressor und eine Führerstandsheizung eingebaut, aber keine Ventilatoren. Eine Batterie war wie bei Lokomotive Nr. 2 nicht vorhanden. Dank den beiden Petrollampen blieben die Lokomotiven in der Nacht bei abgestellter Stromversorgung sichtbar.
Einsatz nach dem Versuchsbetrieb
Nach der Einstellung des Versuchsbetriebs 1909 hatte man für die beiden Lokomotiven Nr. 1 und 2 zunächst keine Verwendung, und sie wurden abgestellt.
SBB Fc 2x2/2 12101 (später Ce 4/4 13501)


Als die SBB 1919 auf der Bahnstrecke Bern–Thun den elektrischen Betrieb aufnahmen, waren sie dringend auf Triebfahrzeuge angewiesen und kauften von der MFO die beiden Maschinen. Die SBB richteten die Lokomotiven für den Streckendienst her, und die beiden Lokomotiven bekamen Batterien und elektrisches Licht. Lokomotive Nr. 1 wurde am 30. Juli 1919 übernommen und bis Mai 1920 als Fc 2x2/2 12101, dann als Ce 4/4 13501 „Marieli“ bezeichnet. Als genügend Streckenlokomotiven zur Verfügung standen, wurden die ehemaligen Versuchslokomotiven im Rangierdienst eingesetzt. 1922 wurde „Marieli“ nach Biasca und ein Jahr später nach Erstfeld versetzt. Von 1938 bis 1940 war sie dem Depot Olten zugeteilt.
BT Ce 4/4 33
Am 18. Dezember 1940 erfolgte der Verkauf an die Bodensee-Toggenburg-Bahn (BT), die das Fahrzeug als Ce 4/4 Nr. 33 mit dem passenden Übernamen „Eva“ vorwiegend im Rangierdienst im Bahnhof Herisau einsetzte. Seit 1955 steht „Eva“ (TSI-Nummer: 91 85 4400 001-4) im Verkehrshaus Luzern und erinnert an die Pionierzeit der elektrischen Traktion.
Versuchslokomotive Nr. 2
| MFO Fc 2x2/2 2 (Direktmotorlokomotive) | |
|---|---|
![]() Lokomotive Nr. 2, mit Bügel- und Rutenstromabnehmern
| |
| Hersteller: | Elektrischer Teil: MFO Mechanischer Teil: SLM |
| Achsformel: | B'B' |
| Länge über Kupplung: | 9500 mm |
| Dienstmasse: | 43 t |
| Höchstgeschwindigkeit: | 60 km/h |
| Stundenleistung: | 500 PS (370 kW) |
| Stundenzugkraft: | 3400 daN |
| Treibraddurchmesser: | 1050 mm |
Die Lokomotive Nr. 2 hat als Triebmotoren Wechselstrommotoren, die entsprechend der verlangten Geschwindigkeit mit Einphasenstrom variabler Klemmenspannung gespeist werden.
Mechanischer Teil

Der mechanische Teil der im Jahre 1905 fertig gestellten 42 Tonnen schweren Lokomotive stammt von der SLM. Er unterscheidet sich von der Lokomotive Nr. 1 mit seiner symmetrischen Form des Kastens mit zwei Endführerständen. Die Frontfenster können zur Kühlung der Führerstände abgedreht werden und besitzen dazu eine mittige Drehhalterung. Anfänglich waren Stirnwandtüren vorhanden, die später durch grosse Stufenschalter von innen verbaut wurden. In der Mitte der Seitenwände ist links und rechts eine grosse Türe zum Ein- und Ausbau des Transformators eingebaut.
Elektrische Ausrüstung



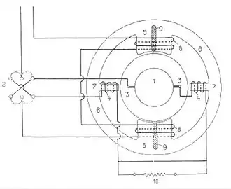
Der elektrische Teil war im Gegensatz zur Lokomotive Nr. 1 eine vollständige Neuentwicklung. Zur Stromabnahme sind auf dem Dach bei der Lokomotive Nr. 2 anfänglich nur ein Rutenpaar für die Fahrleitung der MFO auf dem Bahnstreckenabschnitt Seebach–Regensdorf montiert gewesen. Mit der Beteiligung der Siemens-Schuckertwerke am Versuch ab 1907 wurde für die Fahrleitung des mit der von den Siemens-Schuckertwerke (SSW) elektrifizierten Bahnstreckenabschnittes Regensdorf–Wettingen ein dazu passender Bügel angebracht. Zum Schutze gegen atmosphärische Entladungen sind Induktionsspule und Hörnerblitzableiter vorhanden. Die Hochspannungsleitung führt durch Mikanitröhren als Dachisolatoren auf die Primärwicklung der Transformatoren. Die zwei parallel geschalteten luftgekühlten Transformatoren von je 250 kVA Leistung sind in der Mitte des Innenraumes der Lokomotive aufgestellt. Sie haben auf ihren Sekundärseiten 20 Anzapfungen, an denen unterschiedliche Spannungen zwischen 0 V und 700 V zur Regulierung der Fahrmotoren abgenommen wurden.

Um Erfahrungen mit der Regulierbarkeit von Wechselstrom zu sammeln, wurden zwei unterschiedliche Steuerungssysteme verwendet. Ein vom Führerstand aus mit einer Kurbel betätigter Zellenschalter kann mit seiner Funkenlöschung als Vorläufer späterer Stufenschalter betrachtet werden. Das zweite System arbeitete anfänglich mit einem Induktionsregler, der sich nicht bewährte, und durch einen Direktkontroller im Führerstand und einen Hilfstransformator[3] ersetzt wurde, die zuverlässig arbeiteten. Jeder der beiden unabhängigen Steuerungen war ein pneumatisch betriebener Aus- und Umschalter nachgeschaltet. Er verriegelte die beiden Steuerungssysteme gegeneinander und diente als Wendeschalter.
Die Neuigkeit dieser Lokomotive sind die Fahrmotoren. Die Einphasen-Reihenschlussmotoren in offener Bauart entsprechen bis auf wenige Details Gleichstromreihenschlussmotoren. Der Stator hat einen lamellierten Eisenkörper mit acht Polkernen und zugehörigen acht magnetisierenden Spulen. Zudem trägt der Stator acht Wendepole, deren magnetische Achse gegenüber der Hauptpolachse um 90° verschoben ist. Die durch die Wendepolwicklung verursachte Ankerrückwirkung bewirkt auch eine Verzerrung des Hauptpolfeldes, die durch eine Kompensationswicklung korrigiert wird. Diese Schaltung als Reihenschlussmotor mit phasenverschobenem Wendefeld war wegweisend für die Einphasentraktion. Sie wurde zum Standard für die mit niederfrequentem Wechselstrom betrieben Triebfahrzeuge, wie sie bis in die 1970er-Jahre in Deutschland, Österreich, der Schweiz, Norwegen und Schweden gebaut wurden.
Ein Kompressor, der mit 140 V ab einer Anzapfung des Transformators betrieben wurde, versorgte Bremse, Pfeife, Sander und diverse Schalter.
Einsatz nach dem Versuchsbetrieb
SBB Fc 2x2/2 12102 (später Ce 4/4 13502)


Auch Versuchslokomotive Nr. 2 gelangte 1919 als Fc 2x2/2 12102 respektive ab 1920 als Ce 4/4 13502 zu den SBB und wurde dem Depot Bern zugeteilt für den Dienst auf der Bahnstrecke Bern–Thun. Sie bekam den Spitznamen Karli, führte leichte Personenzüge und leistete Rangierdienst. 1922 wurde Karli ins Depot Biasca versetzt und wurde in Airolo und Göschenen im Rangierdienst eingesetzt. 1923 bis 1925 war die Lokomotive für den Einsatz auf der Seetalbahn dem Depot Luzern zugeteilt, nachdem sie einen Transformator erhielt, der auch mit 5,5 kV bei 25 Hz betrieben werden konnte. Nachher kam sie wieder nach Erstfeld, wo sie auch zum Schienenschweissen verwendet wurde.
STB Ce 4/4 1
Ab dem 30. Januar 1938 vermieteten die SBB die Ce 4/4 13502 der Sensetalbahn (STB), weil deren Triebwagen verspätet abgeliefert wurden. Am 26. September 1940 hat die STB das Fahrzeug, nun mit dem Spitznamen Marianne versehen, als Reservefahrzeug käuflich übernommen. 1964 zerstörte ein Kurzschluss den Transformator so stark, dass die Lokomotive nicht mehr repariert werden konnte. Sie wurde bis 1995 im Verkehrshaus Luzern der Öffentlichkeit gezeigt. Seither ist das Museumsstück an verschiedenen Orten remisiert und trägt immer noch den Spitznamen Marianne. Die heutige TSI-Nummer der Lokomotive ist 91 85 4400 002-2.
Siehe auch
- Einphasenwechselstrom-Versuchsbetrieb Seebach–Wettingen
- Produktionsliste der Schweizerischen Lokomotiv und Maschinenfabrik SLM
Literatur
- S. Herzog: Vollbahnbetrieb mit einphasigem Wechselstrom. In: Elektrische Bahnen. Band 11, Nr. 1. München ; Berlin : R. Oldenbourg, 1904, S. 4–10 (archive.org).
- Hugo Studer: Die elektrische Traktion mit Einphasenwechselstrom auf der S.B.B.-Linie Seebach-Wettingen. In: Schweizerische Bauzeitung (SBZ), Band 51, 1908:
- Allgemeines und Kraftwerk, doi:10.5169/seals-27407
- Fahrleitung für Rutenstromabnehmer, doi:10.5169/seals-27410
- Fahrleitung für Bügelstromabnehmer, doi:10.5169/seals-27410
- Lokomotive Nr. 1 als Umformerlokomotive, Lokomotive Nr. 2, doi:10.5169/seals-27422
- Lokomotive Nr. 3, Lokomotive Nr. 1 als Wechselstromlokomotive, Beeinflussung der Schwachstromanlagen, Betriebsleistungen, doi:10.5169/seals-27423
- Hans Schneeberger: Die elektrischen und Dieseltriebfahrzeuge der SBB, Band I: Baujahre 1904–1955; Minirex AG, Luzern; 1995; ISBN 3-907014-07-3
Anmerkungen und Einzelnachweise
- ↑ Schneeberger, Seite 31
- ↑ Schneeberger, Seite 33
- ↑ Heute würde man von einer Drosselspule mit mittiger Anzapfung sprechen.


