Luftfahrtkarte
Luftfahrtkarten (aeronautical charts) ist i. w. S. ein Sammelbegriff für eine Vielzahl unterschiedlicher Kartentypen und -arten für die Planung, Vorbereitung, Durchführung und Kontrolle von Flügen nach Sichtflug- oder Instrumenten-Flugregeln einschließlich der Flugsicherungs- und der Flugplatzkarte. Die Grundlagen bilden die Richtlinien der Internationalen Zivilluftfahrt-Organisation (engl. International Civil Aviation Organisation (ICAO)) in denen die Kartenprojektion und die wichtigsten Inhalte geregelt sind.[1]
Geschichte
Die ersten Flugnavigationskarten in der Geschichte der Luftfahrt, die in Europa mit den ersten Ballonfahrten begannen, werden handschriftliche Aufzeichnungen während des Fluges gewesen sein, bzw. nachträgliche Dokumentationen von Flugstrecken. Eine solche ist im Text des "Experiments der Herren Charles und Robert" zu sehen (Cartes de voyage aérostatiques), das mit dem Wasserstoffballon, der sog. Charlière, am 1. Dezember 1783 in Paris stattfand.[2] Mit der Weiterentwicklung von Luftfahrzeugen, die weitere Strecken zurücklegen konnten, und der Professionalisierung des Luftverkehrs stieg die Notwendigkeit der örtlichen und zeitlichen Präzisierung der geplanten und zurückgelegten Flugrouten. Zunächst wurden herkömmliche Land- und Seekarten verwendet, wie die der Feldfliegerabteilung 32 im Ersten Weltkrieg 1915 oder die von Charles A. Lindbergh, auf seiner Atlantiküberquerung 1926.
-
Erster Wasserstoff-Ballonflug in Paris 1783. Runde Einsatzkarte mit Flugstrecken (gepunktet) -
Im 1. Weltkrieg selbst hergestellte Karte der Feldfliegerabteilung 32 von der Gegend um Arras, Maßstab 1: 25.000, 1915 -
Atlantischer Ozean: "Great Circle Sailing Chart", mit Anmerkungen von Charles A. Lindbergh, 1926 -
Bermudadreieck, Flight 19, Seekarte mit Eintrag des Navigationsproblems # 1, 1945 -
United States of America and the United Kingdom Bilateral Air Transport Rights, Vertrag vom 11. Februar 1946, Maßstab 1: 45.000.000, Juni 1947
Während die geografische Positionsbestimmung zunächst allein vom Flugzeug aus erfolgte, entwickelte man im weiteren Verlauf Navigitationshilfen wie Funkfeuer, die ähnlich wie Leuchttürme in der Schifffahrt als Orientierungshilfen dienen. So sind in einer "Luft-Navigationskarte in Merkatorprojektion" der Deutschen Luftwaffe im Maßstab 1: 2.000.000 aus dem Jahr 1942 nicht nur Flugplätze, Sperrgebiete, Luftgefahrengebiete usw., sondern auch Navigationsfunkfeuer, Markierungsfunkfeuer, Hauptstrecken- und Nebenfeuer dargestellt. Darüber hinaus ist die Karte (Vorderseite: Blatt Nr. 1 (Deutschland), Rückseite: Blatt Nr. 2 (Brit. Inseln Süd)) auf wasserabweisendes Gewebe ("Textoplast") aufgezogen.[3]
Allgemein
Im engeren Sinne umfassen Luftfahrkarten alle Arten von Luftnavigationskarten, die als Planungs- und Orientierungskarten für den Luftverkehr sowie als Navigationskarten von Flugbewegungen dienen. Unterschieden werden sie nach dem jeweiligen Kartenmaßstab, der von 1: 2 Mio. (milit. Jet-Navigation Chart) über 1: 1,0 Mio. (Weltluftfahrtkarte)[4] bis zu 1: 5000 (Precision Approach Terrain Chart) reichen kann und ob sie für die Zivil- oder die Militärluftfahrt verwendet werden. Luftfahrtkarten werden in der Regel, anders als Seekarten in Lamberts winkeltreuer Kegelprojektion dargestellt (Lambert conformal conic projection).
-
Militärische USAF Jet Navigations Karte (Ausschnitt), Maßstab 1: 2.000.000, Bereich Casablanca, 1955 -
Teilblatt CH-24 WAC 41, World Aeronautical Chart, Maßstab 1: 1.000.000, Nordteil des Golfs von Mexiko, 2010 -

-

-
Zivile VFR Slow to Medium Speed-Karte, (Ausschnitt, online) Maßstab 1: 500.000, Bereich San Francisco, 2008 -

Kartenarten

Das genaue Layout oder die Art der Darstellung von Gelände und Wald auf Luftfahrtkarten für den Sichtflug (engl. visual flight rules, VFR), insbesondere auf den ICAO-Karten 1:500.000, bleibt dem jeweiligen Staat überlassen.

Die gebräuchlichsten Karten für die Flugplanung und die räumliche Orientierung während der Streckennavigation im Sichtflug sind Übersichtskarten, die in den Maßstäben 1:500.000 (ICAO-Karte 1:500.000 in den meisten Staaten) und 1:1 Million (nicht in Deutschland) sowie in winkeltreuer Kegelprojektion gehalten sind.[5]
Für langsamere Flugzeuge der Allgemeinen Luftfahrt und für den Segelflug gibt es für viele Gebiete auch großmaßstäbigere Karten, etwa die Luftfahrt-Generalkarte Deutschland im Maßstab 1:200.000.
Die ICAO-Karte 1:500.000 wird von der zuständigen Stelle für Flugsicherung – in Deutschland die DFS Deutsche Flugsicherung GmbH – jährlich herausgegeben. Die Veröffentlichung erfolgt in der Regel Ende März. Die hinterlegte topografische Karte kann für längere Zeit gleich bleiben. Die Daten und Symbole des Flugsicherungsaufdrucks sind in Blau gehalten. Der Flugsicherungsaufdruck stellt die Luftraumstruktur (Luftraumgrenzen und Höhenangaben), Flugplätze, die Funkfeuer mit Namen, Frequenz und Morsekennung sowie die Luftfahrthindernisse, die eine Höhe von 100 m über Grund überschreiten, teilweise in Gruppen zusammengefasst, dar. Kontrollzonen, deren Untergrenze am Boden beginnt, sind innerhalb ihrer blauen Grenzen flächig rosa eingefärbt.[6]
Weiter schreibt der ICAO-„Kartenanhang“ (Annex) ein Koordinatengitter in einheitlichem Bezugssystem vor, die Darstellung der größeren Ortschaften, terrestrischen Verkehrswege und Gewässer, sowie Angaben zur magnetischen Deklination (Missweisung). Wie bei allen Kartenwerken sind die Einzelheiten in einer Legende aufgeführt.[7]
Für Flugplätze, die nach Sicht angeflogen werden, auch für Flughäfen, werden Anflugkarten (sog. Sichtflugkarten) im Luftfahrthandbuch VFR (engl. visual flight rules) veröffentlicht.[8] Der Maßstab einer Sichtflugkarte liegt je nach Ausdehnung der Sichtflugverfahren und Lufträume zwischen 1:50.000 und 1:250.000. Auf einer Sichtflugkarte wird der Nahbereich des jeweiligen Flugplatzes mit Luftrauminformationen, Platzrunde und Hindernissen dargestellt.[9] Auf der Rückseite befindet sich die großmaßstäbige Flugplatzkarte mit Darstellung der Start- und Landebahn und Flugplatzeinrichtungen sowie den Daten der Start- und Landebahnen.[10]
%252C.jpg)
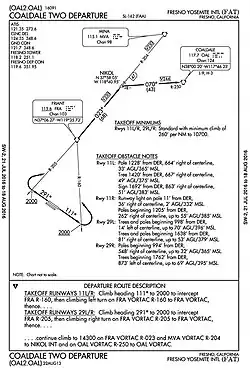
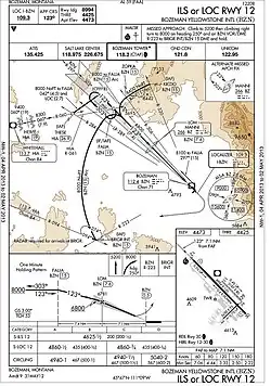
Da nicht alle Daten zu den jeweiligen Flugplätzen auf Karten dargestellt werden können, werden diese Daten auf Textseiten im Luftfahrthandbuch VFR veröffentlicht. Hierbei geht es hauptsächlich um Öffnungszeiten, Telefonnummern oder verfügbare Kraftstoffe. Luftfahrtkarten für den Instrumentenflug (engl. instrument flight rules, IFR) „haben in der modernen Luftfahrt eine vorrangige Bedeutung. Sie bestehen aus zwei Teilen, wobei die topographische Situation und der Flugweg entsprechend dem eingesetzten Anflugverfahren getrennt von einer Profildarstellung des höhenmäßigen Anflugablaufs, ergänzt durch Geländeprofil und Lage der Funkeinrichtungen, auf einem Display im Cockpit dargestellt werden.[11] Ähnliche wie die "Approach Charts" sehen die Karten für die "Departure" aus.

Neben den konventionellen Karten zur Sicht- und Funknavigation stehen den Piloten Kartenanzeigegeräte für die computergesteuerte elektronische Navigation zur Verfügung.“[12]
Für die Streckennavigation dient die Enroute-Karte (enroute chart) im Maßstab 1:1000.000 mit der Darstellung aller ATS (air traffic service)-Strecken für den Unteren Luftraum sowie den Oberen Luftraum.
Im Luftfahrthandbuch (aeronautical information publication AIP) IFR sind alle Details zu den ATS-Strecken auf Textseiten enthalten, außerdem alle Verfahrenskarten der Flugplätze, für die Instrumentenflugverfahren genehmigt sind.[13]
Auf diesen Karten sind insbesondere die Zuführungen (standard instrument arrival STAR) von den ATS-Strecken zum Beginn des jeweiligen Anflugverfahrens, die verschiedenen Anflugverfahren selbst sowie die Abflugverfahren (standard Instrument departure SID) bis zum Erreichen der ATS-Strecken veröffentlicht. Der Maßstab der Verfahrenskarten beträgt je nach Ausdehnung der Verfahren 1:250.000 oder 1:500.000. Teilweise sind auf diesen Karten die Nahbereiche der Flugplätze mit großmaßstäbigeren Ausschnitten (Insets) enthalten, um besonders bei Instrumentenabflugverfahren wichtige Informationen zu Entfernungen, Höhen, Geschwindigkeiten und Kurven erkennbar darzustellen, damit diese Verfahren durch die Piloten eindeutig befolgt werden. Außerdem werden im Luftfahrthandbuch IFR detaillierte Informationen und weitere Karten zu den enthaltenen Flugplätzen veröffentlicht, z. B. Flugplatzkarten (aerodrome chart)[14] oder Rollkarten (ground movement chart).[15]
Mit der fortschreitenden Entwicklung hat sich neben den Karten auf den Radarbildschirmen der Flugsicherung[16] und den digitalisierten Kartenabbildungen im Flugzeug[17] eine Vielzahl von Online-Kartenwerken entwickelt, die eine Erleichterung zu den großformatigen, gedruckten Kartenwerken M = 1: 1.000.000 (zivil) und M = 2.000.000 (militärisch) darstellen.[18][19] Solche mehrfach gefalteten Karten, mit Größen von z. B. 1,50 × 1,10 m, sind in beengten Cockpits unhandlich und müssen vor dem Flug, entsprechend der Route, gefaltet werden.[20]
Hersteller und Vertrieb

Neben den nationalen Flugadministrationen wie die FAA in den Vereinigten Staaten[21] und/oder den Flugsicherungsorganisationen (z. B. die DFS in Deutschland[22] oder die Austro Control in Österreich)[23] ist ein weiterer Anbieter von Luftfahrtkarten die traditionsreiche Fa. Jeppesen, die der weltweit erste Flugkartenverlag war und inzwischen zum Boeing-Konzern gehört.[24] Neben Karten für den Instrumentenflug unter dem Markennamen Jeppesen werden Karten für den Sichtflug unter den Produktnamen VFR Manual (ehemals Bottlang Airfield Manual) bzw. VFR+GPS Chart angeboten. Auch die Firma Rogers Data[25] stellt Kartenmaterial hauptsächlich für die europäischen Staaten her.
Luftfahrtkarten sind außerdem bei Flugschulen, Aero-Clubs und im Fachhandel erhältlich und werden in Ländern wie Frankreich,[26] Deutschland, der Schweiz, Italien, Österreich und Spanien[27] auch kostenlos online zur Verfügung gestellt.[28]
Große Fluggesellschaften unterhalten häufig eigene Abteilungen, die mit der Herstellung des gesamten für ihren Flugbetrieb notwendigen Kartenmaterials befasst sind.[29] Bisweilen werden solche Abteilungen ausgegliedert, dies ist z. B. bei Lufthansa Systems AG der Fall, deren Produkt „Lido“ heißt.[30]
Im Gegensatz zu den zivilen Luftfahrtkarten sind die für die militärische Verwendung nicht für jedermann zugänglich. Sie werden jeweils von regierungseigenen Dienststellen hergestellt und vertrieben wie z. B. durch das Aeronautical Chart and Information Center in St. Louis, Missouri (ACIC)[31] (nicht identisch mit dem Army Counterintelligence Command (ACIC), oder in der BRD durch das Amt für Militärisches Geowesen (früher: Militärgeographisches Amt)). Die Kartenwerke des ACIC werden weltltweit in den entsprechenden Maßstäben herausgegeben, den Natopartnern zur Verfügung gestellt, oder von deren Dienststellen übernommen und publiziert.
-
Ausschnitt: USAF Jet Navigation Chart – Devon Island, (JN-7) N, Maßstab 1: 2.000.000, 1958 -
USAF World Aeronautical Chart (WAC), Rückseite von Toulouse (PC 319 B), Maßstäbe der Serien 1:1.000.000, 1960 -
Teilblatt aus: World Aeronautical Chart, Virgin Islands (WAC 649), Maßstab 1:1.000.000, 1961
-
Ausschnitt: USAF Operational Navigation Chart – Zypern, (ONC G-4), Maßstab 1: 1.000.000, 1963 -
Ausschnitt: USAF Pilotage Chart – Schott el Hodna, (PC-G-2D), Maßstab 1: 500.000, 1964
Weblinks
- open Flightmaps.org, Homepage TU Graz und FH Joanneum mit Liste der 21 verfügbaren Regionen (z. Zt. Belgium – Slowakia), 15. Mai 2024
- Website mit Online-Luftfahrtkarten und Flugplanungswerkzeuge für Flughäfen in Europa
- Übersicht über verfügbaren Gratis-Luftfahrtkarten (Europa), In: flieger news – Das Magazin der Leicht-Aviatik, 28. April 2021
- Manuel Fritz: Komplettes Kartenmaterial der DFS Deutsche Flugsicherung online von 11 deutschen Flughäfen (Nur für die Flugsimulation und den Heim- und nicht für den navigatorischen Gebrauch geeignet),
- Luftfahrtkarte ICAO Schweiz 1:500'000 der BAZL (als Layer auf map.geo.admin.ch); zugehörige Kartenlegende
- Interaktive Onlinekarte VFR Austria DE, Video-Anleitung für die Karte auf You-Tube, 25. April 2019
- Aeronautical Chart Gallery, In: esriuk.com (englisch)
- Luftfahrtkarten mit den Abschnitten: Projektionsarten, Maßstab, Gebräuchliche Luftfahrtkarten, Luftraumstruktur, In: Segelfliegengrundausbildung.de, Deutscher Aero Club vom 18. Januar 2024
- Sidney Manhart: Von den Anfängen der Luftnavigation – Die unikalen Flugkarten der Swissair, In: Sammlungen und Archive der ETH Zürich, 3. März 2023
- Wie geht ICAO-Karte? , Informationen über die Symbole auf der ICAO-Karte 1:500.000 Deutschland, In: Website Fa. R. Eisenschmidt
Einzelnachweise
- ↑ Luftfahrtkarten - Lexikon der Kartographie und Geomatik. Abgerufen am 11. Mai 2022.
- ↑ Chronologie der Luftfahrtgeschichte. In: Otto-Lilienthal-Museum Anklam. Abgerufen am 11. Mai 2024.
- ↑ Digitalisierte Luft-Navigationskarte in Merkatorprojektion. Blatt Nr. 1 und 2, Generalstab der Luftwaffe 1940. In: Beinecke Rare Book and Manuscript Library, Yale University Library. September 1942, abgerufen am 11. Mai 2024.
- ↑ Erklärung: Weltluftfahrtkarte. In: GeoDataZone - Lexikon der Erde. Abgerufen am 9. Mai 2024.
- ↑ ICAO-KARTE, Erläuterung. In: IVAO Kompendium, Germany. Abgerufen am 8. Mai 2024.
- ↑ Ausgewählte Luftraumänderungen zum 21. März 2024. In: DFS Deutsche Flugsicherung GmbH. 21. März 2024, abgerufen am 8. Mai 2024.
- ↑ Legende einer ICAO-Karte der DFS. In: Website R. Eisenschmidt GmbH. Abgerufen am 14. Mai 2024.
- ↑ Ausschnitt Anflugblatt Kassel-Calden. In: DFS Deutsche Flugsicherung GmbH. Abgerufen am 9. Mai 2024.
- ↑ Platzrundenkarte Eichstätt. In: DFS Deutsche Flugsicherung GmbH. Abgerufen am 9. Mai 2024.
- ↑ Flugplatzkarte Augsburg. In: DFS Deutsche Flugsicherung GmbH. 17. Dezember 2020, abgerufen am 9. Mai 2024.
- ↑ Instrument Approach Procedure (IAP). In: SKYbrary. Abgerufen am 17. Mai 2024 (englisch).
- ↑ Gartner, G. und Poop, A.: Kartographische Produkte für Flugpassagiere. In: Kartographische Nachrichten, 1995, Seite 101, abgerufen am 9. Mai 2024.
- ↑ Luftfahrthandbuch Deutschland. Abgerufen am 10. Dezember 2023.
- ↑ ICAO Aerodrome Chart, Vilnius. In: esriuk.com. Abgerufen am 10. Mai 2024.
- ↑ Ground Movement Chart, Vilnius. In: esriuk.com. Abgerufen am 10. Mai 2024.
- ↑ Air Traffic-Controller vor der Radarkarte. In: Skyguide: Schweizer Luftfahrt erholte sich nur minimal, Aviation Direkt. 28. Januar 2022, abgerufen am 9. Mai 2024.
- ↑ Cockpit einer King Air 360 mit digitalisierter Kartenanzeige. In: Wikimedia Commons. 26. April 2021, abgerufen am 9. Mai 2024.
- ↑ Full Europe Coverage VFR 500k Bundle. In: Rogers Data - Digitale VFR ICAO Karten. Abgerufen am 9. Mai 2024.
- ↑ openaip. In: Mapbox - OpenStreetMap online. Abgerufen am 9. Mai 2024.
- ↑ Foto einer aufgefalteten USAF Jet Navigation Chart - North Sea (JN-9), 1958
- ↑ U.S. Terminal Procedures Publication, Northeast (NE) Vol 3 of 4. (PDF) In: FAA. 21. März 2024, abgerufen am 12. Mai 2024 (englisch).
- ↑ DFS FRA Restriction Viewer. 18. April 2024, abgerufen am 12. Mai 2024 (englisch).
- ↑ Interaktive Online Karte VFR. In: Austro Control. 2019, abgerufen am 8. Mai 2024.
- ↑ Jeppesen Special Edition Commemorative Charts Jeppesen. In: condesan-ecoandes.org. Abgerufen am 17. Mai 2024 (englisch).
- ↑ VFR Aeronautical Charts – ICAO Charts. In: Rogers Data GmbH. Abgerufen am 12. Mai 2024 (englisch).
- ↑ OACI-VFR-Karte (Carte OACI-VFR-Geoportail). In: Institut national de l’information géographique et forestière (IGN) und Service de l’information aéronautique (SIA). 18. April 2024, abgerufen am 15. Mai 2024 (französisch).
- ↑ OACI-Instrumentenanflugkarte (Carta de Aproximación por Instrumentos OACI) für LA CORUÑA. (PDF) In: ENAIRE. 30. November 2023, abgerufen am 15. Mai 2024 (englisch, spanisch).
- ↑ Gratis-Luftfahrtkarten. In: Flieger.news.de. 28. April 2021, abgerufen am 8. Mai 2024.
- ↑ Boeing übernimmt Luftfahrtkarten-Anbieter ForeFlight. In: Luftfahrtmagazin.de & Pilotenmagazin. 7. März 2019, abgerufen am 9. Mai 2024.
- ↑ Lido Data Solutions. In: Lufthansa Systems GmbH. Abgerufen am 8. Mai 2024.
- ↑ HEADQUARTERS, AERONAUTICAL CHART AND INFORMATION CENTER. (PDF) In: USAF Unit Histories. 16. Juni 2023, abgerufen am 14. Mai 2024.