k-Faktor (Energietechnik)

Als k-Faktor bzw. Erdfaktor bezeichnet man in der Energietechnik, insbesondere in elektrischen Energienetzen, das Verhältnis zwischen Leitungs- und Erdimpedanz. Beim Schutz von Freileitungen oder Erdkabeln kommt dem k-Faktor als einem entscheidenden Faktor der Einstellung von Distanzschutzrelais besondere Bedeutung zu.[1] Abbildung 1 stellt schematisch die Impedanz einer Leiter-Leiter-Schleife dar. In Abbildung 2 ist die Impedanzschleife eines Leiter-Erde-Fehlers dargestellt.

Abbildung 1: Schematische Darstellung einer Leiter-Leiter-Schleife

K-Faktor in der Schutztechnik

Abbildung 2: Schematische Darstellung einer Leiter-Erde-Schleife
Abbildung 3: Schematische Darstellung eines Energienetzes mit optimal eingestellten Distanzschutzrelais
Abbildung 4: Schematische Darstellung eines Energienetzes mit nicht-optimal eingestellten Distanzschutzrelais

Die Aufgabe des Schutzrelais besteht darin, im Falle eines Leiter-Erde-Fehlers (Abbildung 2) den entsprechenden Netzabschnitt zu trennen. Bei korrekten Relaiseinstellungen wird ein Verbraucher, der in der Regel von zwei Seiten versorgt wird (Abbildung 3), weiterhin über eine Leitung mit Energie versorgt, falls die andere Leitung abgeschaltet werden muss.

Sind die k-Faktoren bzw. Zonen eines Relais jedoch nicht korrekt eingestellt, treten Über- oder Unterreichweiten der Zonen auf (Abbildung 4). In diesem Fall wird der Fehler statt von nur 2 Relais (DIS) von drei Relais in Zone 1 gesehen, d. h. alle drei Relais lösen aus. Die Folge ist, dass eine zweite Versorgungsleitung abgeschaltet wird. Der Verbraucher ist so nun von der Versorgung abgeschnitten.

Unterschiedliche Formate

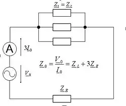
Abbildung 5: Ersatzschaltbild Leiterimpedanzen

Es existieren mehrere Formate für die Darstellung des k-Faktors, welche in Gleichung 1 bis 5 dargestellt sind. Hierbei stellen , und die Erdimpedanz, , und die Leiterimpedanz dar, bzw. den k-Faktor. Für alle gilt jedoch, dass sie Konstanten der Leitung sind, unabhängig von der Leitungslänge.

Gleichung 1
(Kommentar zu Gleichung 1: Diese Gleichung 1 ist sicherlich missverständlich, da die Indize 0 und 1 häufig für Mit- und Gegensystem stehen. Dabei geschieht häufig der Fehler, Nullimpedanz und Erdimpedanz im Allgemeinen gleichzusetzen. Drückt man Erdimpedanz und Leiterimpedanz korrekt in Abhängigkeit von Nullimpedanz und Mitimpedanz aus, findet man Gleichung 5)
Gleichung 2
Gleichung 3
Gleichung 4
Gleichung 5 mit Index 1 = Mitsystem und Index 0 = Nullsystem (siehe auch Kommentar zu Gleichung 1)

Die k-Faktoren beschreiben das Verhältnis zwischen der Impedanz einer Leiter-Leiter-Schleife und einer 3-Leiter-Erde-Schleife. Die halbe Impedanz einer symmetrischen Leiter-Leiter-Schleife, d. h. die Impedanz eines Leiters, wird hierbei als Mitimpedanz , die dreifache Impedanz einer 3-Leiter-Erde-Schleife als Nullimpedanz bezeichnet (Abbildung 5).

Berechnung

Abbildung 6: Schematische Darstellung der Leitungsgeometrie einer Hochspannungsleitung

Die erforderlichen Parameter zur Berechnung der Leiterimpedanz sind vielfältig. Einerseits werden Informationen zur geometrischen Konfiguration benötigt (Abbildung 6). Diese sind:

  • Höhe über dem Boden und horizontaler Abstand für jeden Leiter und jeden Erdungsdraht,
  • mittlerer Durchhang der Leiter- und Erdungsdrähte in der Mitte zwischen zwei Masten,

andererseits müssen verschiedene elektrische Parameter bekannt sein:

  • spezifischer Erdwiderstand ,
  • Gleichstromwiderstand aller Leitungsdrähte,
  • Drallaufbau der Leitungsdrähte,
  • mittlerer Radius der Leitungsdrähte, und
  • Gesamtdurchmesser der Leitungsdrähte.

Ein allgemeines Problem ist, dass für die Berechnung von Leitungsimpedanzen eine große Anzahl von Parametern eine Rolle spielt. Ein einziger falscher Parameter kann zu einem erheblichen Fehler führen.

Messung

Verglichen mit der Berechnung ist eine Messung der Leitungsparameter einschließlich der k-Faktoren relativ einfach.

Die Problematik bei der Ermittlung der Leitungsparameter war lange Zeit, dass sehr hohe Leistungen erforderlich waren. Entweder musste mit Strömen um oder über dem Nennstrom gearbeitet werden, um deutlich über den durch Einkopplungen von anderen Systemen entstehenden Störpegel zu kommen oder mit einem großen Dieselgenerator knapp über dem Störpegel mit der Schwebungsmethode zu messen. Dies ist eine Ausrüstung die üblicherweise einige Tonnen wiegt.

Im Zeitalter elektronischer Signalquellen gibt es eine dritte Möglichkeit zur Messung von k-Faktoren. Ein Strom mit einer Frequenz deutlich neben der Netzfrequenz wird in eine Freileitung oder ein Kabel eingespeist, und mittels einer frequenzselektiven Messung kann exakt der Anteil mit der generierten Frequenz aus dem Messsignal herausgefiltert werden. Störungen mit einer anderen Frequenz als der erzeugten – auch Störungen mit Netzfrequenz – werden ausgeblendet. Wird die Leitungsimpedanz einmal über und einmal unter der Netzfrequenz gemessen und gemittelt, kann die Impedanz bei Netzfrequenz sehr genau ermittelt werden. Mit dieser Methode ist es möglich, mit Strömen deutlich unter den von anderen Systemen eingekoppelten Störpegeln zu arbeiten.

Überspannungsableiter sichern eine solche Messung sicher gegen Spannungen über den erwarteten Pegeln ab.

Einzelnachweise

  1. Klapper, Ulrich: Übertragungssicherheit durch Messung von Leitungsimpedanz und k-Faktor, EW Magazin für Energiewirtschaft Sonderdruck Nr. 6170, Jg. 1006 (2007), Heft 4, S. 36–41