Impedanzanpassung
Unter Impedanzanpassung (englisch Impedance matching) versteht man den Abgleich passender Eingangsimpedanz einer Last zur Ausgangsimpedanz der Quelle in einem Stromkreis.
Impedanzen sind im Regelfall komplex, weisen also auf:
- einen Realteil, welcher auch als Resistanz bezeichnet wird
- einen imaginären Teil, welcher auch als Reaktanz bezeichnet wird.
In Sonderfällen, wie bei niedrigen Frequenzen, kann die Impedanz auch rein reellwertig sein.
Ziele
Häufig ist das Ziel der Impedanzanpassung die Übertragung der maximalen Wirkleistung von der Quelle zur Last (Leistungsanpassung), oder aber man möchte minimale Reflexionen auf einer Leitung erreichen (Leitungsanpassung).
Eine Anwendung der Impedanzanpassung, ist z. B. die verbesserte Leistungsübertragung von einem Radiosender über die Antennenleitung zur Antenne. Man möchte ein Maximum der Sendeleistung zur Antenne übertragen und den Sender vor Reflexionen schützen.
Eine Signalübertragung ohne störende Reflexionen auf einer Leitung ist erforderlich, um einen nichtlinearen Frequenzgang oder störende Echos zu vermeiden. Hierfür ist ebenfalls Impedanzanpassung erforderlich, es sei denn, die Leitung ist kurz gegenüber der Wellenlänge.[1][2][3]
Wird eine Anpassung nicht erreicht, so spricht man von Fehlanpassung. Fast nie lassen sich alle wünschenswerten Anpassungsziele gleichzeitig erreichen. Dann ist ein guter Kompromiss das Ziel. So kann z. B. oft eine suboptimale Anpassung auf einer Frequenz in Kauf genommen werden zugunsten verbesserter Anpassung auf dem gesamten benötigten Frequenzbereich (Bandbreite).
Weitere Ziele sind z. B. ein guter Wirkungsgrad der Energiequelle (durch Spannungsanpassung) oder bestmögliches Signal-Rausch-Verhältnis am Ausgang eines Eingangsverstärkers.
In der Audiotechnik der Unterhaltungsindustrie ist die Spannungsanpassung die übliche Anpassung. Diese erlaubt das Parallelschalten mehrerer Verbraucher an eine Quelle. Auch die Energietechnik arbeitet mit Spannungsanpassung; hier steht maximaler Wirkungsgrad im Vordergrund.
Ursache
Oft ist eine Lastimpedanz nicht an eine Leitung angepasst. Das führt bei Wechselströmen der Radio- und Hochfrequenztechnik zu stehenden Wellen auf der Leitung, wodurch nicht die vollständige Leistung vom Generator zur Last übertragen werden kann; auf einer Leitung mit vollständig stehender Welle kann gar keine Energie transportiert werden.
Dieser Effekt kann mit Stichleitungen oder durch Parallel- bzw. Serienschaltung von Kapazität(en) oder Induktivität(en) verhindert werden. Solche Impedanzwandler passen die Quellimpedanz oder eine Leitung an die Lastimpedanz an.
Um die optimale Anpassstruktur sowie Bauteilegrößen zu bestimmen, wird die Anpassung mit Hilfe des Smith-Diagramms simuliert; siehe auch Resonanztransformator und Leitungstransformation.
Anpassstrukturen
Anpassstrukturen, mit deren Hilfe man bei einer einzelnen Frequenz jede Impedanz an den Wellenwiderstand der Leitung anpassen kann, sind L-, T- sowie Pi- bzw. -Strukturen. Der Name wird vom Aussehen der Bauteilanordnung abgeleitet. Dabei kann in jedem Zweig eine Spule oder ein Kondensator liegen, die unten aufgeführten Bestückungen sind nur beispielhaft.
Die Auswahl der Anpassstruktur hängt nicht nur vom notwendigen Transformationsweg und somit der Anpassung ab, sondern auch von den peripheren Umgebungsbedingungen.
- Anpassstrukturen
-
T-Anpassstruktur -
L-Anpassstruktur -
Pi-Anpassstruktur
Wird auf der HF-Leitung eine Versorgungsspannung transportiert (z. B. für einen Antennenverstärker), so muss mit Drosseln gekoppelt bzw. mit Kondensatoren entkoppelt werden. Je größer deren Werte sind, desto weniger beeinflussen sie den Frequenzgang.
Leitungskreise
Bei hohen Frequenzen ab etwa 100 MHz werden oft Leitungskreise statt diskreter Bauteile eingesetzt.
Um Quellenimpedanz ZQ und Lastimpedanz ZL bei einer einzigen Frequenz aneinander anzupassen, kann auch die dazwischen liegende Leitung selbst dazu herangezogen werden. Sie muss dann unter Berücksichtigung des Verkürzungsfaktors eine Länge von λ/4 haben und eine Impedanz Z von
- .
Hat die Leitung hingegen eine Länge von λ/2, so spielt ihre Impedanz für die Anpassung keine Rolle – die Eingangsimpedanz wird stets auf den Ausgang transformiert.
Streifenleitungen
Für Frequenzen ab 1 GHz werden oft Mikrostreifenleitungen eingesetzt.
Offene Stichleitungen (stubs) stellen je nach Länge einen kapazitiven oder einen induktiven Blindwiderstand dar. Damit kann man an der Quelle oder der Last den Komplexanteil der Impedanz korrigieren.
Um den Realteil anzupassen, wird ein Stück Streifenleitung der wie oben angegebenen Impedanz und der Länge λ/4 zwischen Quelle und Last geschaltet.
Eine offene Stichleitung der Länge λ/4 erzeugt an ihrem Beginn einen Kurzschluss gegen Masse (Impedanz = 0), das kann als Ersatz für einen Abblockkondensator verwendet werden; die Arbeitsfrequenz wird unterdrückt. Sie ist das Äquivalent für einen Reihenschwingkreis gegen Masse (Sperrkreis).
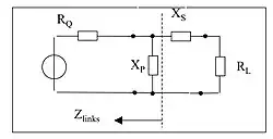
L-Anpassstruktur
Unter Anpassnetzwerken ist eine der beliebtesten Entwurfsmethoden das verlustfreie L-Netzwerk. Dieses gilt für reelle Impedanzanpassungen.
Hat eine Impedanz Z auch einen imaginären Anteil, wie Spule oder Kondensator, so muss als erstes konjugiert komplex erweitert werden, um den imaginären Anteil zu kompensieren. Hat z. B. eine Kapazität einen imaginären Blindwiderstand X von −50 Ω, so muss sie mit einer Spule, die eine Impedanz von +50 Ω aufweist, mittels Reihenschaltung kompensiert werden.

Für die Dimensionierung ist das Parallelelement parallel zum größeren Last-Widerstand, mit
- dem Quellenwiderstand und
- dem Lastwiderstand :
folgen daraus zwei Gleichungen:
Als Erstes wird der Blindwiderstand eines Kondensators oder eine Spule berechnet aus und . Der resultierende Blindwiderstand in muss nun noch mit dem konjugiert komplexen Element kompensiert werden.
Siehe auch
Literatur
- Thomas H. Lee, Planar Microwave Engineering, Cambridge, University Press, 2004, ISBN 978-0-521-83526-8.
Einzelnachweise
- ↑ Warren L. Stutzman, Gary A. Thiele, Antenna Theory and Design, – 3rd ed., ch. 6.4.2, "Matching networks", p. 176–177
- ↑ Sophocles J. Orfanidis, ECE Department, Rutgers University, Electromagnetic Waves and Antennas, 2016, ch.13 “Conjugate and Reflectionless Matching”, p. 615
- ↑ Shepard Roberts, Member I.R.E, Conjugate-image impedances, Proceedings of the I.R.E. and Waves and Electrons, volume 34, number 4, Section 1, April 1946 p.199 P, eq. (3a) “reflection coefficient” and Fig. 1-Equivalent circuit of generator and load, (Für Beginn und Ende des Artikels bei Bedarf bitte 080 oder 082 statt 081 im pdf Namen einsetzen).