Gilbertzelle
Die Gilbert-Zelle ist ein Analogmultiplizierer für Ströme. Sie wurde 1968 von Barrie Gilbert entwickelt, der damals bei Tektronix in Beaverton tätig war.[1] Der Ausgangsstrom der Zelle ist eine exakte Multiplikation der differentiellen Eingangsströme. Die Gilbert-Zelle wird z. B. beim Mischen von Signalen oder in spannungsgesteuerten Verstärkern eingesetzt.
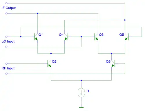
Funktionsbeschreibung

Der Schaltungsaufbau ähnelt dem Differenzverstärker, wobei der Strom der Konstantstromquelle über einen Eingang verändert werden kann. Vom Strom der Konstantstromquelle hängt die Verstärkung des Differenzverstärkers ab. Da dieser gesteuert wird, ergibt sich eine Multiplikation mit dem Signal am Differenzeingang. Die Differenzstufe ist weitgehend doppelt ausgeführt, lediglich die Arbeitswiderstände (im Bild nicht mit gezeichnet) werden, paarweise getauscht, gemeinsam benutzt. An beiden Stufen liegt das gleiche Signal. Auf diese Weise kompensieren sich die Ströme, die sich durch die Verstärkung ergeben, ansonsten erschienen am Ausgang außer dem Produkt auch die verstärkten Eingangssignale.
Die Gilbert-Zelle ist Bestandteil bzw. Grundlage vieler als Mischstufe dienender oder eine solche enthaltender integrierter Schaltungen, da sie eine Trägerunterdrückung und geringe Verzerrungen aufweist und sich durch Integration die erforderliche Symmetrie der Bauelemente besonders gut erreichen lässt.
Sonderfall
Die Ansteuerung der Schaltung kann auch stark übersteuert erfolgen, das Verhalten entspricht nun dem XOR-Gatter der Digitaltechnik. Diese Eigenschaft stellte bei späteren Patentstreitigkeiten ein Problem dar, da die Gilbert-Zelle als XOR-Gatter und nicht als analoger Mischer zum Patent angemeldet wurde.
Siehe auch
Einzelnachweise
- ↑ Wes Heyward (W7ZOI), Rick Campbell (KK7B), Bob Larkin (W7PUA) - Experimental Methods of RF Design, ISBN 978-0-87259-879-9
Literatur
Barrie Gilbert: A Precise Four-Quadrant Multiplier with Subnanosecond Response. In: IEEE Journal of Solid-State Circuits Vol. 3, No. 4. IEEE Solid-State Circuits Society, Dezember 1968, S. 365–373, abgerufen am 21. August 2010 (englisch, Fassung vom 6. Januar 2003).