Form- und Lagetoleranz
Die Form- und Lagetoleranzen sind ein Teilgebiet der Geometrischen Produktspezifikation (GPS, englisch Geometrical Product Specification) und bieten die Möglichkeit, mittels Zeichnungseinträgen die zulässige geometrische Abweichung von Bauteilen zu tolerieren. Dadurch können niedrigere Fertigungskosten erreicht werden, als bei engeren Maßtoleranzen ohne Form- und Lagetoleranz. Geregelt werden diese Zeichnungseinträge und Symbole durch die Norm ISO 1101. In Nordamerika sind diese Regeln unter GD&T (Abk. von englisch Geometric Dimensioning and Tolerancing) bekannt und werden durch die Geometric Product Specification-Normen ASME Y 14.5 definiert.
Es wird zwischen Form-, Richtungs-, Orts- und Lauftoleranzen unterschieden.
Symbole und ihre Definition
Kürzel: t = Toleranzwert (2× Abweichung); Ø = Durchmesser; Δr = Differenz der beiden Radien
| Deutsche Bezeichnung | Symbol | Definition | Englische Bezeichnung | Symbol (Unicode) | |
|---|---|---|---|---|---|
| Form | Geradheit |
|
für Flächen: Die tolerierte Linie muss in jeder Ebene zwischen zwei parallelen Geraden mit Abstand t liegen.[Anm. 1]
für Achsen: Die tolerierte Achse muss in einem Zylinder (Ø = t) liegen. |
Straightness | ⏤ |
| Ebenheit |
|
Die tolerierte Fläche muss zwischen zwei parallelen Ebenen (Abstand t) liegen. | Flatness | ⏥
U+25B1 | |
| Rundheit |
|
Die tolerierte Umfangslinie muss in allen Schnittebenen senkrecht zur Mittelachse zwischen zwei konzentrischen Kreisen (Δr = t) liegen. | Circularity | ○
U+25CB | |
| Zylindrizität |
|
Die tolerierte Mantelfläche muss zwischen zwei koaxialen Zylindern (Δr = t) liegen. | Cylindricity | ⌭
U+232D | |
| Profil einer Linie |
|
Das tolerierte Profil muss in jeder Ebene zwischen zwei äquidistanten Hülllinien liegen, deren Abstand von Kreisen (Ø = t) definiert wird.[Anm. 2] | Profile of a line | ⌒
U+2312 | |
| Profile einer Fläche |
|
Die tolerierte Fläche muss zwischen zwei äquidistanten Hüllflächen liegen, deren Abstand durch Kugeln (Ø = t) definiert wird.[Anm. 2] | Profile of a surface | ⌓
U+2313 | |
| Richtung | Parallelität |
|
für Flächen: Die tolerierte Fläche muss zwischen zwei Ebenen (Abstand t), welche parallel zum Bezug sind, liegen.
für Achsen: Die tolerierte Achse muss in einem Zylinder (Ø = t), dessen Achse parallel zum Bezug ist, liegen. |
Parallelism | ∥
U+2225 |
| Rechtwinkligkeit |
|
für Flächen: Die tolerierte Fläche muss zwischen zwei Ebenen (Abstand t), welche senkrecht zum Bezug sind, liegen.
für Achsen: Die tolerierte Zylinderachse muss in einem zur Bezugsfläche senkrechten Zylinder (Ø = t) liegen. |
Perpendicularity | ⟂
U+27C2 | |
| Winkligkeit |
|
für Flächen: Die tolerierte Fläche muss zwischen zwei Ebenen (Abstand t), welche im angegebenen Winkel zum Bezug geneigt sind, liegen.
für Achsen: Die tolerierte Achse muss zwischen zwei parallelen Ebenen (Abstand t), welche im angegebenen Winkel zum Bezug geneigt sind, liegen. |
Angularity | ∠
U+2220 | |
| Ort | Position |
|
Der Bohrungsmittelpunkt muss in einem Quadrat (a = t), dessen Mittelpunkt mit der theoretisch genauen Position der Bohrung übereinstimmt, liegen.[Anm. 3]
mit Ø-Zeichen: Der Bohrungsmittelpunkt muss in einem Kreis (Ø = t), dessen Mittelpunkt mit der theoretisch genauen Position der Bohrung übereinstimmt, liegen.[Anm. 4] Ebenfalls kann die Position von Flächen definiert werden. Nach DIN EN ISO 5459 ist die Toleranzzone der Positionstoleranz dahingehen definiert, dass es sich entweder um eine Positionstoleranz mit zylindrischer Toleranzzone, mit Ebenen als Toleranzzone (beispielsweise bei Lochbildern) oder auch um eine kugelförmige Toleranzzone handelt. Dies bedeutet, dass sowohl die Lage des Eintrittspunktes der Bohrung, als auch die Lage der Achse und somit die Richtung der Bohrung(en) oder auch die Lager einer Fläche eindeutig spezifiziert sind. |
Position | ⌖
U+2316 |
| Konzentrizität
Koaxialität |
|
Der Mittelpunkt des tolerierten Kreises muss in einem Kreis (Ø = t), dessen Mittelpunkt konzentrisch zum Bezug ist, liegen.[Anm. 5]
Die Achse der tolerierten Fläche muss in einem Zylinder (Ø = t), dessen Mittelachse koaxial zum Bezug ist, liegen.[Anm. 5] |
Concentricity | ◎
U+25CE | |
| Symmetrie |
|
Die tolerierte Mittelebene muss zwischen zwei parallelen Ebenen (Abstand t), welche symmetrisch zum Bezug sind, liegen. | Symmetry | ⌯
U+232F | |
| Lauf | Rundlauf (radial)
Planlauf (axial) |
|
Bei einer Umdrehung um die Bezugsachse darf die Rundlaufabweichung t nicht überschreiten.
Bei einer Umdrehung um die Bezugsachse darf die Planlaufabweichung t nicht überschreiten. |
Circular runout | ↗
U+2197 |
| Gesamtrundlauf (radial)
Gesamtplanlauf (axial) |
|
Bei mehrfacher Umdrehung um die Bezugsachse und gleichzeitiger axialer Verschiebung darf die Rundlaufabweichung t nicht überschreiten.
Bei mehrfacher Umdrehung um die Bezugsachse und gleichzeitiger radialer Verschiebung darf die Planlaufabweichung t nicht überschreiten. |
Total runout | ⌰
U+2330 |

Anmerkungen
- ↑ Die Geradheit auf Flächen wird in Richtung der Linie in der angegebenen Ansicht gemessen. Flächen können in X-Achse gerade sein, obwohl sie entlang der Y-Achse gekrümmt sind.
- ↑ a b Der Mittelpunkt von Kreis oder Kugel liegt auf der idealen Linie bzw. Fläche.
- ↑ Quadrat nach theoretisch genauer Bemaßung ausgerichtet
- ↑ Ø-Zeichen vor dem Toleranzwert (siehe Toleranzrahmen (Bild))
- ↑ a b Die Koaxialität ist bei zu kurzer Länge eines zylindrischen Körpers teils nicht messbar.
Zeichnungsangaben
Ist keine geometrische Toleranz auf der Zeichnung angegeben, gelten die Werte der Allgemeintoleranz, zum Beispiel nach dem Standard: ISO 2768-2.
Toleranzrahmen
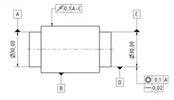
Die Form- und Lagetoleranzen werden auf der Zeichnung in einem Toleranzrahmen angegeben. Der angegebene Toleranzwert beschreibt die gesamte Breite der Toleranzzone. Die maximal zulässige Abweichung beträgt in den meisten Fällen in der Praxis also nur die Hälfte (Toleranzzone Ø = 0.04, Abweichung r = 0.02). Ein Bezugspfeil verbindet den Toleranzrahmen auf der linken und/oder rechten Seite mit dem tolerierten Element. Er kann sich spalten und auf mehrere Materialkanten oder Maßhilfslinien zeigen, um effizient mehrere Elemente zu tolerieren. Abhängig von der Position der Pfeilspitze ist die Fläche bzw. Mittelebene gemeint (bei runden Bauteilen: die Mantelfläche oder Mittelachse). Liegt sie auf demselben Niveau einer anliegenden Bemaßung, ist die Mittelebene /-achse gemeint. Dieselbe Regelung gilt auch für Bezüge.
B&D = Mantelfläche
Bezug
Ein Bezug ist immer eine Ebene oder Gerade (Achse) und wird bei der Messung als Referenz benötigt. Oft genügt es die Bezugsfläche mit bestimmter Kraft gegen eine Referenzfläche zu drücken, doch bei sehr engen Toleranzen muss die Bezugsfläche ausgemessen und durch ein Messprogramm alle Rau- und Unebenheiten entfernt werden. Besonders bei der Verwendung mehrerer Bezüge, wo das Bauteil beim Anpressen an den dritten Bezug vom ersten Bezug abheben könnte, ist es wichtig den Faktor Mensch zu minimieren.
Die Reihenfolge in der Bezugselemente im Toleranzrahmen aufgelistet sind bestimmt deren Priorität. Sie sind also nicht zwingend alphabetisch sortiert, sondern werden lediglich zur einfacheren Lesbarkeit durch die Angabe der Bezüge auf dem Bauteil geordnet. Die Anzahl an benötigten Bezugselementen hängt von der Toleranzart ab. In manchen Fällen können aber auch mehr angegeben werden, so kann eine Fläche mit nur einem Toleranzrahmen rechtwinklig auf A und B toleriert werden.

Hinten: zwei Punkte
Rechts: ein Punkt
Zum Beispiel werden bei der Positionstoleranz drei Bezüge angegeben:
- der Erste kann per Dreipunktauflage voll definiert werden.
- der Zweite kann nur noch mit zwei Punkten definiert werden, da er rechtwinklig auf den ersten Bezug sein muss.
- der Dritte kann nur noch an einem Punkt definiert werden, da er rechtwinklig auf beide anderen Bezüge sein muss.
Mit der Ausnahme von Formtoleranzen, die in sich gelten, benötigen alle in der Tabelle oben aufgelisteten Symbole mindestens einen Bezug.
Mehrfachbezug
Bei einem Mehrfachbezug bilden die angegebenen Bezüge einen gemeinsamen Bezug, welcher als Referenz verwendet wird. Dies ist besonders nützlich bei länglichen Bauteilen mit Auflageflächen an beiden Enden. Ein kleiner Winkelfehler in den einzelnen Achsen kann dabei zu einer hohen Laufabweichung führen, welche aber beim Einbau durch die beidseitige Aufnahme eliminiert wird. Mit einer gemeinsamen Bezugsachse wird das Bauteil näher an der realen Einbausituation ausgemessen.
Theoretisch genaues Maß
Durch ein theoretisch genaues Maß wird die genaue Position der Toleranzzone ohne Toleranzen bestimmt. Es erhält auf der Zeichnung einen eigenen Toleranzrahmen, wodurch es aus der vorher definierten allgemeinen Toleranz ausgeschlossen wird, also quasi ±0. Da eine Toleranz von Null ungültig ist, benötigen alle Bohrungen, Kanten usw. auf einem theoretisch genauen Maß ihre eigene Lagetoleranz. Eine Ausnahme bilden die gleichen Bohrungen in einem Lochbild.
Literatur
- Tabellenbuch Metall (ohne Formelsammlung), ISBN 978-3-8085-1678-2.
- Hans Hoischen/Andreas Fritz: Technisches Zeichnen, 36. Auflage, Cornelsen 2018, ISBN 978-3064517127.
- DIN EN ISO 1101:2017-09
- Normen-Auszug 2022













