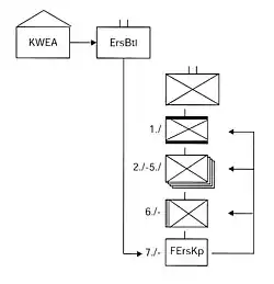
Feldersatzkompanie

Die Feldersatzkompanie (FErsKp) war bis 2007 ein nichtaktiver Truppenteil der Bundeswehr, der bei Auslösung einer bestimmten Alarmmaßnahme mobilgemacht wurde. Sie war ein organisatorischer Bestandteil eines Bataillons, dessen Ersatzpersonal sie bereithielt. Die Feldersatzkompanie eines Jägerbataillons z. B. erhielt, orientiert an der Jägertruppe, den benötigten Personalersatz aus dem zugeordneten Ersatzbataillon (ErsBtl) und gab ihn auf Anforderung an die Einheiten des Bataillons weiter. Sie war voll beweglich und sicherte sich selbst. Die Ausstattung und Stärke der Feldersatzkompanie richtete sich nach der STAN.
Die Streitkräftebasis hat zum 1. April 2007 alle nichtaktiven Truppenteile außer Dienst gestellt.
Auftrag
- Bereithalten von Personal als unmittelbarer Ausgleich von Verlusten, insbesondere während und nach Gefechtshandlungen,
- Abgabe von Personal auf Anforderung des S1-Offz des Bataillons,
- Aufnahme von Ersatzpersonal aus dem Ersatzbataillon und
- Ausbildung des Ersatzpersonals.
Gliederung
Dazu gliederte sich die Feldersatzkompanie in
- die Kompanieführungsgruppe und
- Teileinheiten mit Ersatzpersonal.
Frieden
Im Frieden bildete die Feldersatzkompanie ihr Stammpersonal in Wehrübungen weiter. Das Ersatzpersonal führte seine Wehrübungen in den aktiven Einheiten durch. Die Kompanie stellte so die gleiche Qualität wie bei aktivem Personal sicher.
Krise
In der Krise stellte die Feldersatzkompanie ihre Einsatzbereitschaft nach Entscheidung des Kommandeurs im Rahmen der Krisenausbildung her.
Verteidigungsfall
Im Verteidigungsfall bildete die Feldersatzkompanie Soldaten in den „allgemeinen Aufgaben im Einsatz“ und die für die Sicherung relevanten Ausbildungsthemen aus. Darüber hinaus konnte dienstpostenübergreifende Ausbildung durchgeführt werden. ATN- bzw. ATB-bezogene Ausbildung führte die Feldersatzkompanie nur durch, sofern entsprechendes Großgerät zur Verfügung stand. Einsatzort der Feldersatzkompanie war in enger Anlehnung an die Stabs- und Versorgungskompanie des jeweiligen Bataillons zur Sicherung vorgesehen.