Direct-Digital-Control-Gebäudeautomation

Eine Komponente der Direct-Digital-Control-Gebäudeautomation, kurz DDC-GA, ist eine einem Computer ähnliche elektronische Baugruppe, die für Steuerungs- und Regelungsaufgaben in der Gebäudeautomatisierung eingesetzt wird.
Aufbau
Die klassische DDC-GA-Komponente entspricht größtenteils der speicherprogrammierbaren Steuerung (SPS) und besitzt eine feste interne Verdrahtung, unabhängig von der jeweiligen Steuerungsaufgabe. Die DDC-GA-Komponente kommt jedoch nicht aus der Industrieautomatisierung wie die SPS, sondern aus der Gebäudeautomatisierung mit dem Schwerpunkt auf der Regelung. Die Anpassung an die zu steuernde Maschine oder Anlage erfolgt durch ein Programm, das den gewünschten Ablauf festlegt. Im Gegensatz hierzu gibt es Kompaktregler, die festverdrahtet eine bestimmte Regelaufgabe erfüllen können (z. B. für die Einzelraumregelung).
Viele moderne DDC-GA-Komponenten sind Microcontrollersysteme mit einer entsprechenden Firmware. Die Basissoftware besteht aus einem Echtzeitbetriebssystem (heute oft ein Linux-Derivat) und DDC-GA-spezifischen „Bausteinen“, die DDC-GA-Funktionen wie Addierer und sonstiger Verknüpfungsglieder nachbilden. Üblicherweise gehört auch noch Software zur Kommunikation und zur Programmierung dazu.
Hardware
Die Hardware ist entsprechend dem Haupteinsatzgebiet, den Anforderungen für den Einsatz in Schaltschränken ausgelegt.
- Eingänge: Analoge (AI) oder digitale Eingänge (DI). Analoge Eingänge nehmen meist ein Normsignal auf (0–10 V, 2–10 V, 0–20 mA, 4–20 mA, s. u.), digitale Eingänge meist 24 V DC oder 5 V DC.
- Ausgänge: Wiederum analog (AO) oder digital (DO)
- Schnittstelle: Schnittstelle zu Feldbusmodulen CAN befindet sich an der rechten Seite unter einer Klappe
- Montage: Tragschiene direkt im Schaltschrank
Eingänge
Digitale Eingänge (eigentlich könnte man sie genauer „Binäre Eingänge“ nennen, denn sie kennen nur zwei Zustände) dienen der Erfassung von Schaltvorgängen. Die Eingänge akzeptieren eine Spannung von 24 V Gleichstrom, selten auch 5 V (für TTL-Signale) für das "High"/"true"-Signal und 0V für "Low"/"false". Manchmal liefern sie auch eine Hilfsspannung, die vom Sensor im Feld genau beim High-Signal durchgelassen wird. Sie sind daher für das Sammeln von potentialfreien Kontakten und von gepolten Schnittstellen wie z. B. der S0-Schnittstelle geeignet.
Analoge Eingänge dienen der Erfassung von Sensorwerten oder externen analogen Steuersignalen. Die analogen Eingänge sind manchmal konfigurierbar, sodass verschiedenste Sensortypen genutzt werden können. Andere Typen von Analogeingängen können nur eines der typischen Signale verarbeiten:
- Spannung: 0 … 10 V oder 2 … 10 V (mit Drahtbrucherkennung) – Einheitssignal/Normsignal
- Strom: 0 … 20 mA oder 4 … 20 mA (mit Drahtbrucherkennung) – Einheitssignal/Normsignal
- Temperaturmessung, im Gebäude meist Pt100/Pt1000/Ni1000 oder NTC10K
- Widerstände für die Rückmeldung von Brennerstellungen, Ventilen, Potentiometern etc.
Ausgänge
- Digitale Ausgänge (in der Regel binär) zum Schalten via 24 V / 5 V (Schalten von höheren Spannungen über Koppelrelais) oder zum von direkten Schalten von 230 V (dann meist mit eingebautem Relais)
- Analoge Ausgänge mit Normsignal (s. o.) zur Ansteuerung von Beleuchtung (z. B. Dimmer mit 1-10V-Schnittstelle), Ventilen über den Ventilantrieb, Frequenzumrichter oder über zusätzliche Module zur Drei-Punkt-Steuerung (PWM)
Programmierung

DDC-GA-Komponenten werden meist mit speziellen Programmiersprachen, die oft grafisch sind, programmiert. Die Syntax und der Umfang der Programmiersprache sind entweder herstellerspezifisch oder -übergreifend (z. B. Codesys für Wago 750-88x und Wago 750-830-Controller). Im Gegensatz zur SPS hat sich bis heute kein genormter Standard nach IEC/EN etabliert.
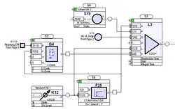
Die meisten Hersteller haben jedoch eine grafische Programmierung der Controller implementiert, wie im folgenden Bild gezeigt wird:
Das Programm enthält sechs Module. Die Eingänge der Module befinden sich auf der linken Seite und tragen Kurzbezeichnungen wie E, F, G, H. Die Ausgänge befinden sich an der rechten Seite der Module und tragen die Kurzbezeichnung D.
- S1V Externer Sensorwert Vorlauftemperatur eines Heizkreises
- S19 Interner Rechenwert des Sollwertes, den der Regler L3 erreichen soll
- L3 Regler mit PID Anteil
- G4 Logisches Modul zur UND und ODER Verknüpfung
- K12 Interner Knopf zur Festwertvorgabe am Reglerausgang
- F25 Vergleichsmodul.
Die Programmierung erfolgt traditionellerweise durch das Verbinden der einzelnen Module untereinander, ab und zu auch unter Verwendung einer Hochsprache (z. B. C). Durch das Verbinden der Module werden die Signale von einem Modul zum anderen geleitet und weiter verarbeitet.
Kommunikation

Die Kommunikation der DDC-GA-Komponenten untereinander erfolgen in der Regel über herstellerspezifische proprietäre Bussysteme. Seit 1990 wurden für die Gebäudeautomation die herstellerunabhängigen Bussysteme EIB/KNX, LON und BACnet entwickelt. Obgleich sie dafür konzipiert sind, können diese Standards jedoch nicht immer garantieren, dass die Komponenten auch miteinander kommunizieren können.
Die Anbindung an die herstellerunabhängigen Bussysteme erfolgt entweder nativ direkt am Controller, was momentan eine kostenintensivere Variante darstellt, oder über Software Gateways. Mittels dieser Gateways ist es dann möglich, proprietäre Systeme zu öffnen und verschiedene Fabrikate in einem Gebäude zu nutzen. Dies wird von einigen der etablierten Hersteller auf dem Markt nicht gewünscht, weshalb OPC, LON oder BACnet Gateways nicht in den üblichen Preislisten zu finden sind, sondern mit einem für das Bauvorhaben spezifischen Preis beaufschlagt werden.
Aus der Industrieautomatisierung wurde OPC als Standard für die Anbindung von Gebäudeleittechnik (GLT) eingeführt. Aufgrund der spezifischen Eigenschaften des OPC-Protokolls hat sich dieses System bisher nicht durchsetzen können. Das Handicap von OPC ist, dass für Datenaufzeichnungen eine permanente Onlineverbindung zu den Controllern notwendig ist, da keine Datenaufzeichnungen aus den Controllern ausgelesen werden können. Zudem gibt es keine verlässliche Alarmbehandlung, da die Werte durch den OPC Client ständig abgefragt werden müssen, um eine Veränderung des Wertes mitzubekommen.
Momentan ist ein Trend hin zu BACnet/IP fähigen DDC-GA-Komponenten und Leitstationen zu beobachten. Zudem haben viele Controller inzwischen einen integrierten Webserver, sind E-Mail-fähig und können Alarme an SNMP-fähige Systeme der IT übermitteln.
Als Nutzerinterface zu den Automationsstationen hat sich in der Gebäudeautomation die Gebäudeleittechnik etabliert. Dort werden die gesteuerten Prozesse über entsprechende Visualisierungsprogramme für den Nutzer auf verständliche Weise grafisch dargestellt.
Siehe auch
Literatur
- Arbeitskreis der Dozenten für Regelungstechnik an Fachhochschulen mit Fachbereich Versorgungstechnik Braunschweig, Siegfried Baumgarth: Digitale Regelung und Steuerung in der Versorgungstechnik (DDC-GA). 2. korrigierte Auflage, Springer, Berlin 1995, ISBN 3-540-59133-8