Differential Pulse Code Modulation
Die Differential Pulse Code Modulation (DPCM) ist ein Pulsmodulationverfahren, das ein zeitdiskretes Signal in ein zeit- und wertdiskretes digitales Signal umsetzt. Es stellt eine Erweiterung der Puls-Code-Modulation (PCM) dar und ist eine Vorstufe zur Adaptive Differential Pulse Code Modulation (ADPCM). Bei DPCM werden Differenzwerte aufeinanderfolgender Abtastwerte gebildet, was bei Signalfolgen mit hoher Autokorrelation, wie es beispielsweise digitale Audiosignale sind, zu einer Datenreduktion führt. DPCM wurde 1950 an den Bell Laboratories von C. Chapin Cutler entwickelt.[1]
Funktionsweise

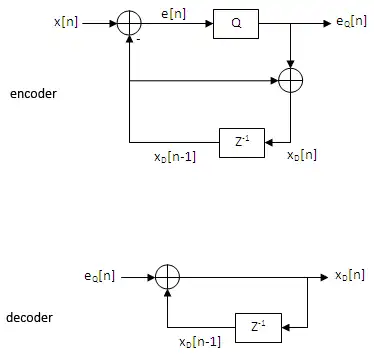
Ein DPCM-System besteht aus einem Encoder (Modulator) und einem Decoder (Demodulator) mit einem dazwischen liegenden Kanal. Aus der zu übertragenden Folge der Datenquelle, in nebenstehender Abbildung mit x[n] bezeichnet, wird zunächst die Differenzfolge e[n] gebildet:
wird dem Quantisierer Q zugeführt, welcher daraus das digitale Signal bildet. Dieses wird sowohl über den Kanal zum Decoder übertragen, als auch einer Additionsstufe zugeführt, welche
bildet. Der Wert wird für die Dauer einer Abtastperiode gespeichert, in der Abbildung dargestellt als z−1. Der Ausgang des Speicherelements (englisch Tap) wird der Eingangsstufe zur Differenzbildung zugeführt.
Alternativ existiert auch ein weiteres DPCM-Verfahren, welches am Eingang direkt die Differenz zwischen zwei Eingangswerten in der Form
bildet. Diese Form der DPCM hat den Nachteil Quantisierungsrauschen nicht zu kompensieren und spielt in praktischen Anwendungen nur eine untergeordnete Rolle.
Der Decoder bildet zur Rekonstruktion aus der empfangen Folge mit Hilfe eines Taps und einer Additionsstufe die ursprüngliche Signalfolge durch folgende Beziehung:
Diese Form der DPCM mit nur einem Speicherelement bei Encoder bzw. Decoder stellt das ursprüngliche und einfachste DPCM-System dar. Als eine Erweiterung mit prädiktiver Kodierung kann eine Folge von p Abtastwerten zur Differenzbildung herangezogen werden. Das Differenzsignal wird dann gebildet durch
mit den Prädiktionskoeffizienten welche Gewichtungsfaktoren darstellen. Je nachdem wie diese Prädiktionskoeffizienten in Relation zu dem Verlauf der Eingangssignalfolge gewählt sind, lässt sich das Differenzsignal im Umfang, bei konstantem Informationsgehalt, reduzieren.
Einzelnachweise
- ↑ Patent US2605361: Differential Quantization of Communication Signals. Angemeldet am 29. Juni 1950, veröffentlicht am 29. Juli 1952, Erfinder: C. Chapin Cutler.
Literatur
- John G. Proakis, Masoud Salehi: Communication Systems Engineering. 2. Auflage. Prentice Hall, Upper Saddle River NJ 2002, ISBN 0-13-095007-6.