Commodore 128

Commodore 128


Hersteller Vereinigte StaatenVereinigte Staaten Commodore
Typ Heimcomputer (C64-Modus)
Bürocomputer (andere Modi)
Veröffentlichung Vereinigte StaatenVereinigte Staaten 5. Januar 1985 (C128)[1][2][3][4]
Europa 15. Januar 1986 (C128D)[5]
Welt 2. Juni 1987 (C128D-CR)[6]
Produktionsende Welt 1989[7][8]
Neupreis Vereinigte StaatenVereinigte Staaten 300 US$ (1985)[4][9][10][11]
Vereinigtes KonigreichVereinigtes Königreich 269 £ (1985)[12][13][14]
Deutschland 1198 DM (1985)[15]
Prozessor 8-Bit-MOS Technology 8502
  • 8-Bit-Datenbus
  • 16-Bit-Adressbus
  • max. 2,04 MHz Taktfrequenz

8-Bit-Zilog Z80A (CP/M-Modus)

  • 8-Bit-Datenbus
  • 16-Bit-Adressbus
  • max. 4 MHz Taktfrequenz
Arbeitsspeicher 128 kB RAM (per Bank Switching, max. 1 MB RAM)
16 kB VRAM (C128, C128D)
64 kB VRAM (C128D-CR)
Grafik 8-Bit-MOS 8564 (NTSC)
8-Bit-MOS 8566 (PAL-B)
8-Bit-MOS 8569 (PAL-N)
  • max. 320 × 200 Pixel
  • max. 40 × 25 Zeichen
  • max. 16 Farben
  • max. 8 Sprites (mehrfarbig)

8-Bit-MOS 8563 (C128, C128D)

  • 640 × 200 Pixel (Standard)
  • 640 × 536 Pixel (Interlace)
  • 80 × 25 Zeichen (Standard)
  • max. 16 Farben

8-Bit-MOS 8568 (C128D-CR)

  • 640 × 200 Pixel (Standard)
  • 720 × 700 Pixel (Interlace)
  • 80 × 25 Zeichen (Standard)
  • max. 16 Farben
Sound 8-Bit-MOS 6581 (C128, C128D)
8-Bit-MOS 8580 (C128D-CR)
  • 3 Oszillatoren
  • 4 Wellenformen
Datenträger 5¼-Zoll-Disketten (DS, DD)
3½-Zoll-Disketten (DS, DD)
Kompaktkassetten
Steckmodule
Betriebssystem Commodore BASIC V2.0 (1981)
Commodore BASIC V7.0 (1985)
CP/M-Plus Version 3.0 (1985)
GEOS 128 (1986)
Vorgänger Commodore 64 (1982)
Commodore Plus/4 (1984)
Nachfolger Commodore 256 (keine Serienreife)

Der Commodore 128 (kurz C128; umgangssprachlich Hundertachtundzwanziger) ist der letzte zur Marktreife gebrachte 8-Bit-Mikrocomputer des US-amerikanischen Technologiekonzerns Commodore International. Die in der Modellbezeichnung enthaltene Zahl bezeichnet dabei die Größe des ab Werk verbauten Arbeitsspeichers (RAM) in Höhe von 128 Kilobytes (KB). Aufgrund des breiten Leistungsspektrums, das nach zeitgenössischer Wahrnehmung Eigenschaften von Heimcomputern mit denen von Arbeitsplatzrechnern verbindet, lässt sich der Rechner nicht eindeutig einer Geräteklasse zuordnen. Bedient und programmiert werden kann der Rechner mit Hilfe eines herstellereigenen, interpretierten Dialekts der Programmiersprache BASIC.

Der als Nachfolger des weltweit meistverkauften Heimcomputers Commodore 64 geltende C128 wurde erstmals im Januar 1985 auf der Winter Consumer Electronics Show in Las Vegas nach fünfmonatiger Entwicklungszeit der Weltöffentlichkeit vorgestellt. Der Markteinführungspreis lag nur wenig später in den Vereinigten Staaten bei 300 US$, in Großbritannien bei 269 £ und in Westdeutschland bei 1198 DM. Mit weltweit rund vier Millionen verkauften Einheiten gehört der bis 1989 in drei unterschiedlichen Varianten produzierte C128 zu den kommerziell erfolgreichsten Rechnern der zweiten Hälfte der 1980er Jahre.

Die technikgeschichtliche Relevanz des C128 leitet sich vor allem aus der ungewöhnlichen Ausstattung des Rechners mit zwei 8-Bit-Hauptprozessoren unterschiedlicher Hersteller und drei verschiedenen Betriebssystemen ab. Man konnte den Computer im C64-Modus starten und so die Programme für den Vorgänger Commodore 64 nutzen. Für die vielen an Spielen interessierten Käufer lohnte sich der teurere C128 jedoch nicht, so dass der C64 weiterhin den niedrigpreisigen 8-Bit-Heimcomputerbereich dominierte.

Da die Entwicklung von Software für den C128-Modus einen im Vergleich zum C64 deutlich eingeschränkten Markt bedeutete, wurde für den C128-Modus deutlich weniger Software entwickelt als für den C64. Im mittleren Preissegment mit ambitionierten Software-Amateuren und kleinen Unternehmern herrschten der Atari 520 ST und der Amiga 500 vor, die bald nach dem C128 erschienen. Und im hochpreisigen Bereich behielten die IBM-PC-Kompatiblen ihre Position.

Geschichte

C128-Projektleiter Bil Herd (1985)

In der ersten Hälfte der 1980er Jahre hatten sich die Heimcomputer als Massenprodukt bereits fest am Markt für Unterhaltungselektronik etabliert. Allerdings wurde in Nordamerika und Westeuropa heftig zwischen vornehmlich US-amerikanischen Herstellern wie Commodore, Atari, Apple und Texas Instruments um Marktanteile gerungen.[16] Daher wird diese von zahlreichen zueinander inkompatiblen Modellen geprägte Ära bisweilen als „Heimcomputer-Krieg“ bezeichnet.[17]

Auch unternehmensintern entstanden bei Commodore zunehmend Spannungen zwischen Konzernleitung und Entwicklungsabteilung. Fast alle der an der Entwicklung des C64 beteiligten Ingenieure, darunter die Chipentwickler Bob Yannes und Al Charpentier, klagten über trotz des großen Verkaufserfolgs ausbleibende Gehaltserhöhungen.[18] Hinsichtlich neuer Hardwareprojekte herrschte keine Einigkeit. Charpentier schlug die Entwicklung eines neuen Rechners namens C80 mit 80-Zeichen-Bildschirm, 256 kB RAM, hochauflösendem Monitor und schnellerem Diskettenlaufwerk für das mittlere Preissegment vor.

Diese Idee wurde jedoch vom für seine Niedrigpreispolitik bekannten Hauptgeschäftsführer Jack Tramiel abgelehnt. Tramiel versprach sich von einem billigeren, wie der C64 an herkömmliche Fernsehgeräte anschließbaren neuen Rechner mehr Profit.[19] Im Sommer 1983 begann daher auf Geheiß Tramiels die Arbeit an der Commodore-264-Serie mit dem Ziel der Entwicklung eines Konkurrenzmodells zum erfolgreichen britischen Billigrechner ZX Spectrum.[20][21] Daraufhin verließen Yannes, Charpentier sowie weitere führende Ingenieure das Unternehmen.[22]

Tramiel selbst musste aufgrund unüberbrückbarer Meinungsverschiedenheiten mit dem Hauptaktionär und Aufsichtsratsvorsitzenden Irving Gould nach gut dreißigjähriger Betriebszugehörigkeit am 13. Januar 1984 seinen Posten als Hauptgeschäftsführer räumen.[23] An seine Stelle rückte am 21. Februar 1984 der erfahrene, zuvor in der Stahlindustrie tätige Marshall F. Smith.[23][24][25] Zwar verkaufte sich der marktführende C64 immer noch ausgezeichnet, die Anfang 1984 zur Marktreife gebrachten, nicht zum C64 kompatiblen Rechner der Commodore-264-Serie stellten sich jedoch als Ladenhüter heraus.[23]

Entwicklung

Vorgänger Commodore 64 (1982–1994)

Projektierung unter Einbeziehung von Kundenwünschen

Um sich Klarheit über die Kundenwünsche hinsichtlich eines C64-Nachfolgers zu verschaffen, führten Commodore-Mitarbeiter anlässlich der in Chicago stattfindenden Summer Consumer Electronics Show im Juni 1984 eine Umfrage unter den einen C64 besitzenden Messebesuchern durch. Diese ergab große Zufriedenheit hinsichtlich der Grafikfähigkeiten, der Klangerzeugungsmöglichkeiten sowie des vergleichsweise niedrigen Preises des C64. Neben der am häufigsten genannten C64-Softwarekompatibilität zählten ein verbessertes BASIC, mehr Arbeitsspeicher, die Fähigkeit zur Darstellung von 80 Zeichen pro Zeile, ein numerischer Ziffernblock, ein schnelleres Diskettenlaufwerk sowie die native Fähigkeit zur Verwendung professioneller CP/M-Software zu den dringendsten Verbesserungswünschen.[26]

Hauptgeschäftsführer Smith gab schließlich im September 1984 unter Berücksichtigung der genannten Verbesserungswünsche die Entwicklung des C128 in Auftrag.[2][8][23] Der neue Rechner sollte rechtzeitig zur für Anfang Januar 1985 in Las Vegas angesetzten Winter Consumer Electronics Show fertig sein. Damit standen lediglich vier Monate an Entwicklungszeit zur Verfügung.[27] Die Projektleitung übernahm der 1983 im Alter von 24 Jahren zum Leiter der Hardware-Entwicklungsabteilung ernannte Bil Herd.[8][28] Das Wissen darum, dass der C128 Commodores letzter Vertreter der 8-Bit-Heimcomputer-Pioniergeneration sein würde, stellte für das Entwicklerteam eine besondere Motivation dar.[27]

Planung

Bereits seit 1983 arbeitete ein Entwicklungsteam unter der Leitung Robert Russells an einem neuen Heimcomputermodell namens D128. Der D128 ging seinerseits auf im Zusammenhang mit der Planung der CBM-500-Serie angestellte Überlegungen zurück, die mit dem B128 ein Bürocomputermodell und dem P128 ein Heimcomputermodell vorsahen. Ähnlich wie der P128 sollte auch der D128 mit dem zur Verwaltung von mehr als 64 kB Arbeitsspeicher fähigen 8-Bit-Hauptprozessor MOS Technology 6509 (kurz MOS 6509) sowie dem schon im C64 verbauten Soundchip MOS Technology 6581 (kurz MOS 6581) ausgestattet werden. Da sich Russells Ingenieure nach dem Weggang Charpentiers nicht an eine Weiterentwicklung des spritefähigen und sehr komplexen 40-Zeichen-Grafikchips MOS Technology VIC II (kurz VIC II) heranwagten, gestaltete sich die Bildschirmausgabe beim D128 jedoch als problematisch. In Erwägung gezogen wurde nicht zuletzt die Verwendung zweier parallel arbeitender Grafikchips in Gestalt des bewährten VIC II sowie eines noch zu entwickelnden farbfähigen 80-Zeichen-Grafikchips.[29][30]

Da die Planungen so oder so aber weder eine C64-Kompatibilität noch eine CP/M-Fähigkeit vorsahen und damit den von der Unternehmensleitung gemachten Vorgaben widersprachen, wurde das D128-Projekt kurzerhand von Herd beendet. Herds eigenes Entwicklerteam griff aber einige der im Zusammenhang mit dem D128 angestellten Überlegungen bei der Planung des C128 wieder auf, etwa hinsichtlich der Verwendung von zwei Grafikchips. Um die angestrebten Verbesserungen der Leistungsfähigkeit ohne Verlust der vollständigen C64-Kompatibilität umsetzen zu können, sollte außerdem der im C64 seit 1982 verbaute Chipsatz mit dem Hauptprozessor MOS Technology 6510 (kurz MOS 6510), dem Grafikchip VIC II, dem Soundchip MOS 6581 sowie weiteren Bausteinen für den C128 einfach weiterentwickelt werden. Zwecks Implementierung der geforderten CP/M-Fähigkeit bot sich die Verwendung der weitverbreiteten CPU Zilog Z80A (kurz Z80A) als Zweitprozessor an.[31]

Um die gesteckten Ziele zu erreichen, sollte der C128 außerdem mit drei voneinander völlig unabhängigen Betriebsarten versehen werden. Zur Erschließung der für den C64 bereits existierenden umfangreichen Softwarebibliothek sollte die Hardware des neuen Rechners im C64-Modus das Vorgängermodell lückenlos emulieren. Eine höhere Arbeitsgeschwindigkeit, ein komfortableres BASIC und ein vergrößerter Arbeitsspeicher sollten im C128-Modus zur Verfügung stehen, der als Hauptbetriebsart vorgesehen war. Der CP/M-Modus schließlich war vornehmlich für ernsthafte berufliche Anwendungen und den Einsatz der bewährten sowie in Fülle vorhandenen CP/M-Software gedacht. Während für den C64-Modus der ursprüngliche Betriebssystemkern des Vorgängermodells unverändert übernommen werden konnte, musste für den C128-Modus ein neuer Betriebssystemkern sowie ein leistungsstärkerer Dialekt des Commodore BASIC programmiert werden.[27]

Implementierung

CPU MOS Technology 8502 (1986)
Zweitprozessor Zilog Z80A (1984)

Um im C128-Modus die angestrebte höhere Arbeitsgeschwindigkeit realisieren zu können, wurde der altbekannte, mit einer Taktfrequenz von rund 1 MHz arbeitende 8-Bit-Hauptprozessor MOS 6510 aus dem C64 überarbeitet und weiterentwickelt. Diese Aufgabe übernahm die konzerneigene Abteilung für Halbleiterentwicklung. Sie trug die Bezeichnung Commodore Semiconductor Group (kurz CSG) und war aus dem 1976 von Commodore übernommenen Halbleiterhersteller MOS Technology hervorgegangen.[32] Die Überarbeitung führte schließlich zur Fertigstellung des mit einer Taktfrequenz von rund 2 MHz doppelt so schnellen und mit zusätzlichen Funktionen versehenen MOS Technology 8502 (kurz MOS 8502).[27]

Der Grafikchip VIC II aus dem C64 wurde von Dave DiOrio weiterentwickelt und konnte nun bei abgeschaltetem Videosignal mit dem gleichen Basistakt wie der MOS 8502 Grafikdaten verarbeiten.[27][33] Allerdings gab es beim daraus entstandenen MOS Technology VIC IIe (kurz VIC IIe) keine signifikanten Verbesserungen etwa im Hinblick auf die Bildauflösung, die Farbtiefe oder die für die Spieleindustrie wichtige Spritefähigkeit.[34]

Frank Palaia übernahm die Aufgabe der im Dezember 1984 erfolgreich zum Abschluss gebrachten Integration des Z80A in die bewährte 8-Bit-Rechnerarchitektur von Commodore.[8][27] Zu diesem Zweck wurde die Taktfrequenz des eigentlich doppelt so schnellen Z80A auf 2,04 MHz gedrosselt. Für den Betrieb unter CP/M musste außerdem eine auf die Hardware des C128 zugeschnittene Portierung der aktuellen Betriebssystemversion CP/M-Plus Version 3.0 (kurz CP/M 3.0 bzw. CP/M-Plus) entwickelt werden. Diese Aufgabe wurde dem Programmierer Von Ertwine übertragen. Terry Ryan schrieb den für zur Programmierung und Bedienung gedachten neuen BASIC-Dialekt des C128, fortan als Commodore BASIC V7.0 bezeichnet. Fred Bowen wurde mit der Programmierung der Betriebssystemroutinen betraut.[27]

Der Arbeitsspeicher des neuen Rechners wurde auf namengebende 128 kB RAM aufgestockt. Da die 16-Bit-Adressbusstrukturen des MOS 8502 nicht zur Verwaltung eines so großen Arbeitsspeichers ausreichten, mussten außerdem ein Speicherverwaltungsbaustein sowie ein Adressmanager neu entwickelt werden.[27] Dave Haynies Erfahrungen bei der Emulation des Adressmanagers sowie der Konzeption der Zeitsteuerung flossen später in die Entwicklung des Commodore Amiga ein.[35] Außerdem sollte in Übereinstimmung mit den Kundenwünschen das für seine extreme Langsamkeit bei der Datenübertragung berüchtigte 5¼-Zoll-Diskettenlaufwerk VC1541 des Vorgängermodells C64 durch ein neu entwickeltes Gerät mit deutlich höherer Datenübertragungsrate ersetzt werden. Greg Berlin war für die Planung der Hardware des neuen 5¼-Zoll-Diskettenlaufwerks VC1571 verantwortlich, während Dave Siracusa das zugehörige Diskettenbetriebssystem Commodore DOS 3.0 programmierte.[33]

Der C128 erhielt außerdem ein völlig neues, im Gegensatz zur klobigen Brotkastenform des C64 auf Professionalität, Bürotauglichkeit sowie verbesserte Ergonomie abzielendes Design. So wurde das Gehäuse gegenüber dem Vorgängermodell deutlich abgeflacht, um den Anwendern das ermüdende Anheben der Handballen bei der Bedienung der Tastatur zu ersparen. Außerdem erhielt die Tastatur einen numerischen Ziffernblock und zusätzliche Funktionstasten.[36] Wer genau das Gehäuse des C128 entworfen hat, ist nicht bekannt. Vermutet wird eine Beteiligung des preisgekrönten Industriedesigners Ira Velinsky, der bereits die Gehäuse der Modelle Commodore Max, SX-64 und Plus/4 entworfen hatte, bevor er im Jahr 1984 gemeinsam mit Tramiel Commodore International verließ.[37][38]

Probleme bei der Integration des 80-Zeichen-Grafikchips

Zum Zeitpunkt der Entwicklung des C128 verfügte die Hardware-Entwicklungsabteilung von Commodore bereits über Erfahrungen mit zur Darstellung von 80 Zeichen pro Zeile fähigen Grafikchips. So hatte die CSG für die Bürorechner der CBM-8000-Serie bereits den Motorola 6845 zum als Ansteuerschaltung für die Kathodenstrahlröhre des fest eingebauten Bildschirms dienenden MOS Technology 6545 (kurz MOS 6545) weiterentwickelt.[39] Der im englischsprachigen Raum auch als Cathode Ray Tube Controller (kurz CRTC) bezeichnete MOS 6545 vermochte Texte jedoch lediglich in zwei Farben auf den Bildschirm zu bringen. Daher wurde der Grafikchip für den D128 sowie den als 16-Bit-Workstation konzipierten, aber ebenfalls nie zur Serienreife gebrachten CBM 900 unter der Leitung von Kim und Anne Eckert ab Anfang 1983 in rund anderthalb Jahren zum mit einer Palette von 16 Farben und dediziertem Grafikspeicher arbeitenden MOS Technology 8563 (kurz MOS 8563) weiterentwickelt.[40][41] Da der MOS 8563 vornehmlich für die Textverarbeitung gedacht war, wurde auf die Fähigkeit zur Darstellung von Sprites verzichtet.[27]

Zwecks Umsetzung der für den C128 vorgesehenen Fähigkeit zur Darstellung von 80 Zeichen pro Zeile entschied sich die Entwicklungsabteilung für einen Einbau des MOS 8563 in den neuen Rechner. Beim Versuch der Integration des MOS 8563 in die Systemarchitektur des C128 kam es allerdings zu Kommunikationsstörungen zwischen Herd und der unabhängig arbeitenden CSG.[31] Zwar wusste Herd, dass der MOS 8563 eine Weiterentwicklung des schon für eine Verwendung im D128 in Erwägung gezogenen Motorola 6845 sowie des MOS 6545 darstellte. Allerdings war der C128-Projektleiter nicht von den Kollegen der Abteilung für Halbleiterentwicklung über Änderungen der Adressbusstrukturen, der Taktung sowie der Handhabung der Lese-/Schreibleitung in Kenntnis gesetzt worden.[31] Der ab September 1984 prinzipiell einsatzfähige 80-Zeichen-Grafikchip des C128 bereitete den Hardwareentwicklern daher immer wieder Probleme, vor allem mit seiner aus Herds Unkenntnis resultierenden Neigung zum Überhitzen und seiner vom 40-Zeichen-Grafikchip VIC IIe abweichenden Taktung.[8][27][31]

Offizielle Vorstellung

Las Vegas (Nevada), Schauplatz der offiziellen Vorstellung des C128
Messegelände Hannover

Laut Herd war die Zeitknappheit bei der Planung des C128 so groß, dass die Waschbecken des Entwicklungslabors als provisorische Duschen herhalten mussten. Die heißgelaufenen Diskettenlaufwerke wurden zum Warmhalten der bei der Arbeit nebenbei eingenommenen Fertigmahlzeiten verwendet.[27] Noch in der Nacht vor der Eröffnung der Winter Consumer Electronics Show (kurz CES) vom 5. bis 6. Januar 1985 musste bis 2 Uhr morgens an den Prototypen des C128 gearbeitet werden, um den Rechner überhaupt rechtzeitig der Öffentlichkeit präsentieren zu können.[27] Obendrein waren die Hotelzimmerreservierungen des Präsentationsteams in Las Vegas im Vorfeld der Messe von einer unbekannten Person annulliert worden. Dabei handelte es sich möglicherweise um einen Sabotageakt des ehemaligen Commodore-Geschäftsführers Tramiel.[8]

Wirklich zuverlässig war der mit einem Listenpreis von unter 300 US$[42] angekündigte C128 zum Zeitpunkt der offiziellen Präsentation indessen noch nicht. Pro Tag brannten im Durchschnitt zwei Exemplare des 80-Zeichen-Grafikchips MOS 8563 durch. Das Präsentationsteam ersetzte die defekten Grafikchips klammheimlich hinter den Kulissen durch funktionsfähige Ersatzbausteine. Auf diese Weise entstand beim Messepublikum der Eindruck eines bereits perfekt funktionierenden, sofort einsetzbaren Rechners.[8] Erst im Verlauf der nächsten Monate gelang den Commodore-Entwicklern durch Veränderungen am Layout der Hauptplatine eine auch im Dauerbetrieb technisch zuverlässige Implementierung des MOS 8563 ins Gesamtsystem.

Neben dem C128 stellte Commodore auch das neue, CP/M-kompatible 5¼-Zoll-Diskettenlaufwerk VC1571, den Farbmonitor 1902, einen Monochrommonitor sowie die Computermaus 1350 dem Fachpublikum vor und kündigte die Veröffentlichung einer teureren Desktop-Version des Rechners namens C128D mit integrierter VC1571 an, ohne einen konkreten Termin für die Markteinführung zu nennen.[43][44] Außerdem wurden neben diversen Speichererweiterungen mit dem Modell 1660 ein 300-Baud-Modem sowie dem Modell 1670 ein 1200-Baud-Modem für den C64 bzw. C128 angekündigt.[45]

Dem kontinentaleuropäischen Publikum wurde der C128 auf der Hannover-Messe vom 17. bis 24. April 1985 vorgestellt.[46] Dabei handelte es sich um einen Prototyp mit deutscher Tastatur.[47] Zwar funktionierte der als „Superding“ beworbene neue Rechner nun technisch anstandslos und zog viel Aufmerksamkeit auf sich.[48] Zu Demonstrationszwecken entwickelte neue Software blieb jedoch zu diesem Zeitpunkt zur Enttäuschung der Messebesucher – von wenigen Ausnahmen wie der Textverarbeitung Superscript abgesehen – eine Seltenheit.[49] Auch die Portierung von CP/M-Plus war noch nicht abgeschlossen und die vorgestellte Testversion zudem sehr langsam.[47] Der westdeutsche Einführungspreis lag bei 1198 DM. Neben dem C128 wurde auch ein Prototyp der Desktop-Version C128D ausgestellt.[15]

In Großbritannien wurde der C128 anlässlich der International Commodore Computer Show vom 7. bis 9. Juni 1985 offiziell eingeführt.[50][51][52] Der vom Hersteller zu diesem Zeitpunkt für Großbritannien noch nicht bekanntgegebene Einführungspreis für den C128 wurde auf 300–350 £ und für den noch nicht marktreifen C128D auf 500–600 £ geschätzt.[53]

Desktop-Modellvarianten

Auf der vom 15. bis 18. Januar 1986 im National Exhibition Centre der englischen Industriestadt Birmingham abgehaltenen Which Computer Show stellte Commodore dem europäischen Fachpublikum den bereits im Vorjahr angekündigten C128D mit platzsparendem Kunststoffgehäuse, ausklappbarem Tragegriff, abgesetzter Tastatur und integriertem 5¼-Zoll-Diskettenlaufwerk VC1571 offiziell vor. Die unverbindliche Preisempfehlung für das neue, auf Geschäftsleute ausgerichtete Modell lag zunächst bei 499 £ bzw. 538,85 £ inklusive Mehrwertsteuer.[54][55] Ein Monochrommonitor sollte ebenfalls in diesem Preis inbegriffen sein.[56] Das Gesamtpaket kostete aber schließlich dann doch 599 £.[57]

Trotz erster Verkaufserfolge in Westeuropa im Laufe des Jahres 1986 gelangte der C128D jedoch nicht in den US-amerikanischen Handel, da der Rechner nach Auffassung der dort für die Zulassung elektronischer Geräte zuständigen Federal Communications Commission (FCC) nicht hinreichend funkentstört war.[58][59] Um die strengen FCC-Standards doch noch zu erfüllen und keine Marktanteile zu verlieren, entwickelte das Unternehmen mit dem C128D-CR ein weiteres Desktop-Modell mit Metallgehäuse und überarbeiteter Elektronik, das den C128D ablösen sollte. Das neue Gerät wurde auf der vom 8. bis 11. Januar 1987 in Las Vegas abgehaltenen Winter Consumer Electronics Show dem nordamerikanischen Publikum vorgestellt.[60] Die unverbindliche Preisempfehlung lag bei 550 US$.[58]

Vermutlich bereits ab Ende 1985 arbeitete die Commodore-Entwicklungsabteilung außerdem an einer weiteren Variante des C128D mit integriertem 3½-Zoll-Diskettenlaufwerk. Es blieb jedoch bei der Entwicklung eines funktionsfähigen, aber nie über das Planungsstadium hinaus gelangenden NTSC-Prototypen. Dieser enthielt die Platine sowie Laufwerksmechanik des ebenfalls nie zur Serienreife gebrachten 3½-Zoll-Diskettenlaufwerks VC1563 mit eigenem, bereits für die spätere VC1581 programmierten Diskettenbetriebssystem auf einem provisorischen EPROM-Chip, eine stark modifizierte Hauptplatine, mehrere improvisierte Zusatzplatinen, ein Kunststoffgehäuse mit Lüftungsschlitzen sowie einen ausklappbaren Tragegriff. Zwecks Unterscheidung von anderen Modellvarianten wird dieser Prototyp inoffiziell auch als C128D/81 bezeichnet, da keine Klarheit über den von Commodore intern verwendeten Projektnamen besteht (möglicherweise wurde hierfür die Bezeichnung „Kentron“ verwendet).[61][62][63]

Bis zum Frühsommer 1986 wurden alle für Westeuropa gedachten C128-Modellvarianten in Commodores Zweigwerk im englischen Corby hergestellt. Nach der Schließung der einzigen britischen Produktionsstätte des weltumspannenden Konzerns wurde die Produktion des Rechners aus Kostengründen ins westdeutsche Zweigwerk in Braunschweig verlegt.[64][65] Ende 1986 entschied die Unternehmensleitung, zukünftig den neuen Amiga 2000 in Braunschweig fertigen zu lassen, während die C128-Produktion ins Mutterwerk nach West Chester im US-Bundesstaat Pennsylvania sowie nach Fernost verlagert wurde.[66]

Nachfolgemodelle ohne Serienreife

C64-Revision C64C (1986)

Chefentwickler Bil Herd verließ Commodore kurz nach der Markteinführung des C128. Dave Haynie und Frank Palaia aus dem einstmaligen Entwicklerteam arbeiteten trotz des offensichtlichen Bedeutungsverlustes der Rechner mit 8-Bit-Architektur ab 1986 an möglichen Nachfolgemodellen auf der Basis des C128.

Aus dieser Zusammenarbeit gingen mehrere Designstudien hervor. Eine davon bestand im Desktop-Modell Commodore 256 (kurz C256), das es immerhin bis zum Stadium eines vorführbaren Prototypen schaffte und auch in einer Wartungsanleitung für den C128 aus dem Jahr 1987 als bereits geplantes Nachfolgemodell des C128 erwähnt wird.[67][68] Der C256-Prototyp besaß neben einem integrierten 3½-Zoll-Diskettenlaufwerk und einer internen Festplatte mit einer Speicherkapazität von 25 MB einen großzügigeren Arbeitsspeicher von 256 kB RAM sowie einen auf volle 4 MHz getakteten Zweitprozessor Z80A. Die höhere Taktung sollte gegenüber dem C128 zu einer wesentlichen Erhöhung der Arbeitsgeschwindigkeit im CP/M-Modus führen.[67][69]

Eine weitere Designstudie hatte eine abgespeckte Version des im Grunde überkomplexen C128 zum Ziel. Sie sollte unter Verzicht auf jegliche C64-Kompatibilität lediglich über den 80-Zeichen-Grafikchip MOS 8563 verfügen und daher in der Herstellung deutlich kostengünstiger sein.[67][69]

Beide Konzepte wurden jedoch von der Unternehmensleitung rundweg abgelehnt.[69] Da es für den C128 bereits Speichererweiterungen aus dem eigenen Hause gab, mit deren Hilfe der Arbeitsspeicher auf bis zu 640 kB RAM ausgebaut werden konnte, bestand kein Bedarf nach einem weiteren Modell auf C128-Basis mit einer Speicherkapazität von lediglich 256 kB.[70] Auch der Verzicht auf jegliche C64-Kompatibilität und die Spritefähigkeit des 40-Zeichen-Grafikchips VIC IIe überzeugte die um die Wichtigkeit der Spielesoftware wissende Konzernspitze nicht. Daraufhin konzentrierten sich Haynie und Palaia ganz auf die Entwicklung des noch unvollendeten 16-Bit-High-End-Rechners Amiga 2000.[69]

Zwar brachte Commodore kein C128-Nachfolgemodell zur Marktreife, das runderneuerte Design des Rechners inklusive abgeflachter Gehäuseform, beiger Gehäusefarbe und ergonomischer Tastatur wurde aber bei der Planung des C64C – einer 1986 auf den Markt gebrachten Revision des ursprünglich in grauer Brotkastenform gefertigten C64 – von der Entwicklungsabteilung übernommen.[71]

Vermarktung

Markteinführung in Nordamerika und Westeuropa

Den ursprünglichen Planungen zufolge sollte der C128 spätestens ab April 1985 in den Vereinigten Staaten und ab dem folgenden Sommer in Europa erhältlich sein.[10][72] Die Serienproduktion des C128 lief aber erst im Sommer 1985 an, sodass sich diese Termine nur teilweise einhalten ließen.[8] Ab Ende Juli 1985 waren erste Exemplare des Rechners in westdeutschen Kaufhäusern erhältlich.[73] Ende August 1985 folgten die großen US-amerikanischen Kaufhausketten wie Kmart oder Sears Roebuck, während der laut Planung erst etwas später für die Markteinführung vorgesehene, jedoch keine FCC-Zulassung erhaltende C128D dem Fachhandel vorbehalten bleiben sollte.[74][75] In Kanada war der Rechner ab September 1985 zunächst nur in kleinen Stückzahlen lieferbar, da es Probleme bei der Abnahme des Netzteils durch die zuständige Behörde gab und jedes Exemplar vor dem Verkauf einzeln überprüft werden musste.[76]

Ab dem 1. September 1985 sollte der C128 ursprünglich auch in Großbritannien verfügbar sein.[12][77][78] Die dortige Auslieferung wurde jedoch hinausgezögert, um Zeit für die Entwicklung einer billigeren, lediglich 199 £ kostenden Alternative zur relativ teuren VC1571 zu gewinnen, die schließlich mit dem im Gehäuse des Vorgängermodells VC1541 untergebrachten und nur über einen Schreib-/Lesekopf verfügenden 5¼-Zoll-Diskettenlaufwerk VC1570 realisiert wurde. Da britische Verbraucher weniger für einen neuen Rechner auszugeben bereit waren als die Kundschaft im wohlhabenderen Nordamerika, versprach sich die Marketingabteilung von der kostengünstigeren VC1570 größere Absatzchancen für den C128 selbst.[79][80][81][82] Das Modell VC1570 ist deshalb etwa in den Vereinigten Staaten praktisch unbekannt.[83] Ab Anfang Oktober 1985 war der Rechner schließlich auch in Großbritannien erhältlich – zunächst nur vereinzelt in unabhängigen Fachgeschäften, dann auch in den großen Kaufhäusern.[84]

Produktionsverzögerungen bei Peripheriegeräten und Desktop-Modellen

Commodore lieferte zunächst ausschließlich den C128 aus. Die Peripheriegeräte sollten einige Zeit später folgen.[84] Bei der Produktion der Diskettenlaufwerke VC1570 und VC1571 sowie der Herstellung des neuentwickelten RGBI-fähigen Farbmonitors 1902 gab es jedoch mehrwöchige Verzögerungen.[85][86] In den Vereinigten Staaten waren die VC1571 und der NTSC-Farbmonitor 1902 ab November 1985 in kleineren Mengen erhältlich.[87] Etwa zeitgleich waren das günstigere Diskettenlaufwerk VC1570 sowie der PAL-Farbmonitor 1901 auch in Großbritannien verfügbar.[88] Die VC1571 hingegen gab es dort erst ab März 1986 für 269 £ zu kaufen und war damit genauso teuer wie der Rechner selbst.[89] In Westdeutschland wiederum waren beide Diskettenlaufwerke erst um den Jahreswechsel lieferbar.[90][91] Commodore-Pressesprecher Gerold Hahn dementierte in diesem Zusammenhang aufgekommene Gerüchte um technische Probleme und machte Lieferschwierigkeiten bei den Zulieferern des Gehäuses sowie der Laufwerksmechanik der VC1571 für die Verzögerungen verantwortlich.[92] Der Einführungspreis der VC1570 lag in Westdeutschland bei 750 DM, während die VC1571 mit 950 DM etwas weniger als der C128 kostete.[93] Der Farbmonitor 1901 war in Westdeutschland ab dem gleichen Zeitpunkt für 998 DM erhältlich.[94][95] Das 1200-Baud-Modem 1670 war bereits ab Ende 1985 lieferbar. Frühe Bauserien des Gerätes enthielten jedoch einen Hardwarefehler.[96] Dieser wurde zwar in späteren Bauserien korrigiert, insgesamt erreichte das nur in geringen Stückzahlen hergestellte, für 89,95 US$ erhältliche Modem 1670 jedoch keine hohe Marktdurchdringung und war bis Mitte des Jahres 1988 kaum verfügbar.[97][98]

Die schon im Zuge der Markteinführung aufgetretenen Produktionsverzögerungen und Auslieferungsschwierigkeiten setzten sich bei den nach 1985 von Commodore zur Marktreife gebrachten Peripheriegeräten sowie dem Desktop-Modell C128D-CR fort, während der C128D in Westeuropa pünktlich Anfang 1986 erschien und im zweiten Quartal bereits in hohen Stückzahlen lieferbar war.[99] Bereits im Frühjahr 1986 verkündete Commodore die bevorstehende Serienreife der digitalen Joystickmaus 1350 sowie der Speichererweiterungsmodule 1700, 1750 und 1764 mit Kapazitäten von 128 kB, 256 kB bzw. 512 kB.[100] Im Sommer 1986 wurden überdies Pläne zur Entwicklung des 3½-Zoll-Diskettenlaufwerks VC1581 bekanntgegeben.[101] Spätestens ab Herbst 1986 sollten das Diskettenlaufwerk VC1581 und die Maus 1350 laut Planung lieferbar sein.[102] Die unverbindliche Preisempfehlung für die VC1581 lag zunächst bei 399 US$,[103] wurde später aber auf 249,95 US$ herabgesenkt.[104][105] Der Straßenpreis für die VC1581 lag im Herbst 1987 in Westdeutschland bei rund 600 DM.[106]

Es kam jedoch erneut zu Produktionsverzögerungen. Erst Ende 1986 waren die 128-kB-Speichererweiterung 1700 für 198 DM sowie die 512-kB-Version 1750 für 298 DM im Handel erhältlich.[107] Anfang 1987 folgte die 256-kB-Speichererweiterung 1764[108] für zunächst 129 US$,[103] später dann 149,95 US$.[105] Aufgrund von Lieferungsschwierigkeiten seitens der Zulieferer bei den RAM-Chips konnte die 512-kB-Version ohnehin nur in kleinen Stückzahlen produziert werden.[97] Sie blieb daher stets schwer erhältlich, auch in Nordamerika.[109] In Westdeutschland war das Modell 1750 schon nach wenigen Monaten ausverkauft und musste fortan – sofern verfügbar – aus den Vereinigten Staaten importiert werden.[110] Die übrigen genannten Peripheriegeräte kamen erst im Laufe der ersten drei Quartale des Jahres 1987 nach und nach in die Läden.[111][112][113][114] Zusätzlich wurde im Sommer 1987 die schon auf der vorhergehenden Winter Consumer Electronics Show vorgestellte analoge Proportionalmaus 1351 für 49 US$ auf den Markt gebracht.[115][116] Ebenfalls im Sommer 1987 veröffentlichte Commodore auf ROM-Chips gebrannte, fehlerbereinigte Versionen des Commodore DOS 3.0 für 9,95 US$ sowie des C128-Betriebssystems für 24,95 US$.[117]

Im Herbst 1987 erfolgte in Zusammenarbeit mit der damaligen Deutschen Bundespost die Markteinführung des für 399 DM erhältlichen BTX-Decoder-Moduls II in Westdeutschland, mit dessen Hilfe das zu diesem Zeitpunkt deutschlandweit über gerade einmal 70.000 Anschlüsse zugängliche interaktive Endbenutzer-Informationssystem Bildschirmtext (kurz BTX) am C128 betrieben werden konnte, das als gescheiterter Vorläufer des heutigen Internets sowie des World Wide Webs gilt. Mit dieser Kooperation sollte den ursprünglich von der Bundespost anvisierten drei Millionen BTX-Anschlüssen zumindest näher gekommen werden.[118] Bis Anfang 1989 gelang aber lediglich eine Verdopplung der BTX-Anschlüsse auf knapp 150.000.[119]

Lieferbar war selbst das neuentwickelte, bereits im Januar 1987 offiziell eingeführte Spitzenmodell C128D-CR trotz gegenüber der Tastaturcomputerversion und dem C128D vereinfachter Fertigungsprozesse und niedrigerer Herstellungskosten erst ab dem dritten Quartal des Jahres 1987.[120][121] Aufgrund der unerwartet hohen Nachfrage kam es im Frühjahr 1988 vorübergehend sogar zu Auslieferungsschwierigkeiten bei dieser letzten zur Marktreife gebrachten Modellvariante des C128.[70]

Fernseh- und Zeitschriftenwerbung

Im Zuge der Markteinführung schaltete Commodore im US-amerikanischen Fernsehen und in Fachzeitschriften eine gegen die Konkurrenzmodelle IBM-PC, IBM-PCjr und Apple IIc gerichtete Werbekampagne mit dem Slogan ‚Schlechte Neuigkeiten für IBM und Apple‘ (englisch „Bad News for IBM and Apple“).[122][36] Weitere, in diversen Computerzeitschriften veröffentlichte Werbeanzeigen hoben die Überlegenheit des C128 gegenüber dem Apple IIc etwa hinsichtlich der Speicherkapazität mit Slogans wie ‚Danke für den großen Arbeitsspeicher‘ (englisch „Thanks for the memory“) hervor und betonten überdies neben der um einen numerischen Ziffernblock erweiterten Tastatur die herausragenden Grafik- und Soundfähigkeiten des neuen Rechners.[123][124] Verschwiegen wurde allerdings die im Vergleich zum C128 kompaktere Bauform des Apple IIc, dessen angebliche technische Unterlegenheit im beigefügten Werbefoto durch vom Baum gefallene Äpfel symbolisiert wird.[125] In einer weiteren Werbeanzeige war der C128 in Anspielung auf gängige Darstellungen der durch Evolution bedingten Stammesgeschichte des Menschen in einer horizontalen Bilderfolge als sich ständig fortentwickelndes und erweiterndes Computersystem mit Rechner, Diskettenlaufwerk, Speichererweiterung, Maus, Modem, Drucker und Farbmonitor zu sehen, begleitet von dem Slogan ‚Wie man sich zu einer höheren Form von Intelligenz entwickelt‘ (englisch „How to evolve to a higher intelligence“).[126]

Die Softwarehersteller verhielten sich in Bezug auf den C128 zunächst abwartend. Nur wenige etablierte Publisher wie Timeworks, Audiogenic, Thorn EMI, Spinnaker Software oder Precision Software kündigten Programme für betriebswirtschaftliche Zwecke, aber keine Spiele für die nähere Zukunft an.[127][128] Als sich gegen Ende des Jahres 1985 in diversen Computerzeitschriften immer mehr C128-Besitzer über den Mangel an Software für ihre neuen Rechner zu beklagen begannen, veröffentlichte Commodore Werbeanzeigen, die unter Verwendung des Slogans ‚Harte Fakten über die Software‘ (englisch „Hard Facts About the Software“) die Entwicklung hunderter neuer Anwendungsprogramme für den C128-Modus ankündigten.[129] Insgesamt verblassten die Werbemaßnahmen für den C128 in den Vereinigten Staaten jedoch im Vergleich zum intensiver beworbenen Amiga 1000.[87]

In Großbritannien sah Hauptgeschäftsführer Smith den in Westdeutschland von Schneider vertriebenen, ebenfalls CP/M-fähigen Amstrad CPC6128 als Hauptkonkurrenten des C128 an – eine auch von Teilen der britischen Fachpresse geteilte Sichtweise.[130][131] Mit Werbetexten wie ‚Die Fakten sprechen eine eindeutige Sprache‘ (englisch „When you look at the facts, they do seem to weigh heavily in our favour“) und Begleitfotos, die den C128 als Gewinner eines Gewichtsvergleichs mit einem nicht genau identifizierbaren Konkurrenzmodell auf einer Balkenwaage zeigten, wurde in britischen Computerzeitschriften für den Rechner geworben.[132] Dabei sollte dem C128 das Image eines auch für Geschäftsleute und Kleinunternehmer interessanten Bürocomputers gegeben werden, mit dem man nicht nur spielen konnte.[133]

Im deutschsprachigen Raum war der Apple IIc genau wie seine Vorgänger Apple IIe und Apple II Europlus wegen seines hohen Preises kaum verbreitet. Deshalb wurde dort anfänglich eine andere Werbestrategie verfolgt. Den deutschsprachigen Kunden wurde der C128 in der Tradition der erfolgreichen Bürorechner der CBM-8000-Serie als professioneller, dem weitaus teureren IBM-PC technisch überlegener Personal Computer vorgestellt. Besonders hervorgehoben wurde dabei, dass der neue Rechner bei voller C64-Kompatibilität mit seinem 80-Zeichen-Bildschirm, seiner CP/M-Fähigkeit sowie seinem großen, obendrein auf 640 kB RAM erweiterbaren Arbeitsspeicher „weit über die Grenzen der Heimcomputerklasse“ hinausrage.[134] Tatsächlich war der C128 dem IBM-PC bei Benchmarktests hinsichtlich der Berechnung von Primzahlen und Fließkommazahlen in BASIC leicht überlegen und konnte auch hinsichtlich der Geschwindigkeit beim Einlesen von auf Diskette gespeicherten Daten sowie der Speicherkapazität pro Diskette mit dem IBM-Rechner mithalten. Lediglich bei Disketten-Schreiboperationen besaß der IBM-PC gegenüber dem C128 Geschwindigkeitsvorteile.[135] Später wurde dann mit Slogans wie „Mächtiges Gedächtnis. Starke Programme. Eine höhere Form der Intelligenz“[34] oder „Hohe Intelligenz. Mächtiger Wortschatz. Drei Mikrocomputer in einen gepackt“[136] an die in der englischsprachigen Welt geführte Werbekampagne angeknüpft.

Finanziell geriet der Konzern nach der Markteinführung des C128 zunehmend in eine Schieflage, die sich auch auf die Produktwerbung auswirkte. Im dritten Quartal des Jahres 1985 mussten 39,2 Millionen US$ an Verlusten verbucht werden, die zum Teil den hohen Entwicklungskosten für den C128 und den Amiga 1000 zugeschrieben wurden.[137] Im vierten Quartal des Jahres 1985 wuchs der Fehlbetrag sogar auf 50,2 Millionen US$ an.[138] Insgesamt betrugen die Verluste im Kalenderjahr 1985 satte 144 Millionen US$.[139] Auch das erste Quartal des Jahres 1986 brachte mit Verlusten von 36,7 Millionen US$ keine Verbesserung.[140][141][142] Im April 1986 löste Thomas J. Rattigan aufgrund dieser Talfahrt seinen Vorgänger Smith als Commodore-Hauptgeschäftsführer ab.[143] Rattigan schloss unprofitable Zweigwerke wie das im englischen Corby und nahm einen bis zum 15. März 1987 laufenden Kredit in Höhe von zunächst 135 Millionen US$ auf, der im Herbst sogar auf 140 Millionen US$ aufgestockt wurde und nicht zuletzt eine angemessene Vermarktung des C128 sowie des Amiga 1000 gestatten sollte.[142][144]

Diese Maßnahmen brachten das Unternehmen tatsächlich wieder zurück in die Gewinnzone.[145][146] Dennoch wurden die Ausgaben für die Werbung unter Rattigan zunächst zurückgefahren. Das Ausbleiben von Werbeanzeigen und die bevorstehende Veröffentlichung des nur etwas teureren, aber deutlich leistungsstärkeren Amiga 500 nährten von der Unternehmensspitze umgehend dementierte Gerüchte um eine Produktionseinstellung des C128 nach dem Weihnachtsgeschäft 1986.[147][148] Erst unter Rattigans am 16. April 1987 ernannten Nachfolger, dem Mehrheitsaktionär Irving Gould, wurden die Werbemaßnahmen kurzzeitig wieder etwas verstärkt.[149][150][151] Danach verzichtete Commodore vollständig auf Werbung und aggressives Marketing.[152] Werbung machte für den C128 fortan – wenn auch eher indirekt – nur noch Berkeley Softworks, der Publisher der 1987 für den Rechner herausgebrachten grafischen Benutzeroberfläche GEOS 128. Slogans wie ‚Wird ihr C128 erwachsen oder alt?‘ (englisch „Is your 128 growing up or growing old?“)[153] bzw. ‚Wissenschaftler der Universität Berkeley stoppen den Alterungsprozess‘ (englisch „Scientists at Berkeley stop the aging process“)[154] zielten darauf ab, dem Rechner trotz seiner in die Jahre gekommenen 8-Bit-Architektur das Image eines immer noch modernen Personal Computers zu verleihen.

Sonderangebote

In Großbritannien wurde die Heimcomputerindustrie Mitte der 1980er Jahre von einheimischen Herstellern wie Sinclair, Acorn oder Amstrad beherrscht, während Commodore in den Vereinigten Staaten und Westdeutschland als Branchenführer galt. Das Unternehmen machte daher große Anstrengungen, um die Verkäufe speziell in Großbritannien anzukurbeln. Dazu zählten zahlreiche Sonderangebote.

In der Vorweihnachtszeit des Jahres 1985 war der C128 im Paket mit dem Diskettenlaufwerk VC1570 für preisgünstige 449,99 £ erhältlich.[155][156] Flankiert wurde dieses Paket von weiteren Sonderangeboten. So wurde Besitzern des C64 ein Rabatt in Höhe von 50 £ angeboten, sofern sie beim Kauf eines C128 ihren alten Rechner abzugeben bereit waren. Beim Kauf eines C128 wurde außerdem den Besitzern anderer Computermodelle im Austausch für ihre bisherigen Rechner eine kostenlose Datasette des Typs 1530 im Wert von 45 £ als Kaufanreiz in Aussicht gestellt.[157][158] Die Marketingabteilung verband mit diesem Angebot die Hoffnung auf Umsteiger, die bislang Heimcomputersysteme anderer Hersteller verwendet hatten. Schließlich erhielten die Kunden mit der kostenfreien Datasette Zugriff auf die gesamte, auf Kompaktkassetten preisgünstig zu erwerbende Spielesoftware des C64.[159] Im Vorfeld der Sommerferien des Jahres 1986 führte die Marketingabteilung außerdem spezielle Bündelangebote mit zusätzlichen Kaufanreizen ein. Jedem aus einem C128, einer VC1570 sowie einem Commodore-Monitor bestehenden Paket wurden fünf Gutscheine im Wert von jeweils 50 £ beigelegt. Die Gutscheine konnten in ausgewählten Reisebüros beim Buchen von Pauschalreisen eingelöst werden.[160][161]

Da zum Betrieb des Rechners im 80-Zeichen-Modus ein relativ kostspieliger und für die meisten britischen Heimanwender daher unerschwinglicher RGBI-Farbmonitor vonnöten war, begann Commodore ab Anfang 1986 neue, auf die vergleichsweise finanzkräftigen Kleinunternehmer ausgerichtete Sonderangebote zu entwickeln. Zu diesem Zweck wurde die noch immer nicht abgeschlossene Entwicklung des bürotauglichen und bereits im Sommer 1985 angekündigten C128D, der Maus des Typs 1530 sowie der Speichererweiterungen forciert.[162][163] Günstige, aus einem C128D, einem Monochrommonitor und einem Softwarepaket bestehende Bündelangebote zum Preis von 499 £ sollten den Rechner außerdem auch auf dem bis dahin von Acorns BBC Micro und dessen Nachfolger BBC Master beherrschten britischen Bildungsmarkt zu größeren Marktanteilen verhelfen.[164]

US-amerikanischen Verbrauchern wurde der Rechner in den Monaten nach der Markteinführung zusammen mit einem Freiabonnement für den Onlinedienstanbieter QuantumLink angeboten, über den ab November 1985 auf das zuvor in Zusammenarbeit mit Compuserve betriebene und neben dem Informationsaustausch auch für den Kundendienst in Anspruch genommene Commodore Information Network zugegriffen werden konnte.[165][166][167][168]

Produktionseinstellung

Während der Entwicklungsabteilung von Commodore bei der Herstellung des C64 immer wieder signifikante Kosteneinsparungen gelangen, litt der wesentlich komplexere C128 stets an hohen Produktionskosten und vergleichsweise niedrigen Gewinnmargen.[148] Im Niedrigpreissegment war der Rechner deshalb nur eingeschränkt konkurrenzfähig. Im mittleren Preissegment erreichte der C128 dagegen eine höhere Marktdurchdringung. Die erheblich leistungsfähigeren und allmählich günstiger werdenden 16-Bit-Rechner wie der Atari ST, der 1987 erschienene Amiga 500 und die zahlreichen IBM-PC-Kompatiblen eroberten jedoch nach und nach Marktanteile in diesem für den Absatz des C128 entscheidenden Bereich.[169]

Auf der vom 1. bis 6. November 1987 abgehaltenen Computermesse COMDEX gab die Unternehmensleitung trotz dieser wachsenden Konkurrenz sogar aus dem eigenen Hause offiziell bekannt, den C128 bei nicht nachlassender Nachfrage auch über Weihnachten 1987 hinaus weiter produzieren zu wollen.[170] Danach näherte sich der Rechner jedoch allmählich dem Ende seiner Marktpräsenz. Bei einer der Ermittlung des Computers des Jahres 1988 dienenden Umfrage unter den Lesern der Computerzeitschrift 64’er landete der C128 nur noch im Mittelfeld, hinter leistungsstärkeren 16-Bit-Rechnern wie dem Apple Macintosh II, dem Amiga, dem Compaq Deskpro, dem IBM Personal System/2 sowie den Modellen der Atari-ST-Serie, aber immerhin noch vor dem C64, den Heimcomputern der Atari-XL-Serie oder dem standardsetzenden IBM-PC/XT/AT.[171] Im Januar 1989 wurde zunächst die Produktion der ursprünglichen Tastaturcomputerversion zugunsten des C128D-CR eingestellt.[97] Außerdem bot Commodore potenziellen Käufern eines Amiga 500 bzw. eines Amiga 2000 in den Vereinigten Staaten einen Preisnachlass in Höhe von 100 US$ im Tausch gegen ihre alten C128-Modelle an.[97] Im März 1989 wurde das 5¼-Zoll-Diskettenlaufwerk VC1571 ebenfalls vom Markt genommen, was eilig dementierte Gerüchte um einen bevorstehende Produktionsstopp auch des C128-DCR auslöste.[172][173] In Kanada und Westeuropa war die VC1571 aber noch einige Zeit lieferbar.[174] Gleichzeitig häuften sich die in den Computerzeitschriften abgedruckten Beschwerden über den mangelhaften Support des C128 seitens Commodore.[172][175][176] Im Juli 1989 entschied die Unternehmensleitung schließlich, die Produktion des nicht mehr profitablen C128D-CR nunmehr ebenfalls einzustellen.[177][178]

Abverkäufe

Sinkende Preise machten die noch nicht abverkauften Restexemplare des C128D-CR im Jahr 1990 noch einmal für viele westdeutsche Kleinunternehmer attraktiv, da sich der Rechner gut zur Verwaltung der Unternehmensfinanzen eignete.[179] Nach dem Abschluss des mit dem zweiten Quartal endenden Commodore-Geschäftsjahres 1989/90 spielte der Rechner in den Unternehmensbilanzen des Herstellers keine Rolle mehr.[180] Die Mehrheit der C128-Besitzer stieg bis 1991 auf die mittlerweile marktbeherrschenden IBM-PC-kompatiblen Rechner mit XT- oder AT-Architektur bzw. andere Plattformen mit leistungsstärkeren 16-Bit-Hauptprozessoren wie den Amiga um.[181][182][183] Von wenigen Ausnahmen wie der Textverarbeitung Wordstar 128, der Datenbankanwendung dBase II oder der Tabellenkalkulation Microsoft Multiplan abgesehen, waren viele kommerzielle Anwendungsprogramme für den CP/M-Modus zu diesem Zeitpunkt bereits nicht mehr im Handel erhältlich, da MS-DOS in der Zwischenzeit CP/M bereits als faktisches Standardbetriebssystem abgelöst hatte.[184]

Gelegentlich wurden in Deutschland im Jahr 1991 noch unverkaufte, aus den übrigen EG-Staaten reimportierte Restexemplare des C128D-CR aus alter westdeutscher Produktion für 499 DM in diversen Warenhäusern angeboten.[185] Peripheriegeräte wie etwa das 3½-Zoll-Diskettenlaufwerk VC1581, Speichererweiterungen und kommerzielle Software für den C128-Modus bzw. den Betrieb unter CP/M-Plus waren zu diesem Zeitpunkt allerdings praktisch nur noch in den Vereinigten Staaten erhältlich.[110] Um diese Versorgungsengpässe zu beseitigen, wurden 1992 in Deutschland Nachbauten des Diskettenlaufwerks VC1571 sowie der 512-kB-Speichererweiterung 1750 vom Hardwarehersteller CEUS-Computersysteme auf den Markt gebracht.[186]

In den Vereinigten Staaten wurde der C128D-CR noch bis Mitte 1991 vom Versandgroßhändler Montgomery Grant inklusive eines Gratis-Computerspiels für 399 US$ angeboten.[187] Bis 1997 wurden ferner instandgesetzte Gebrauchtexemplare des Rechners vom Hardwarehersteller Creative Micro Designs zum Verkauf inseriert. Dabei erzielten beide Modellvarianten allmählich ansteigende Preise, die beim C128 zwischen 129 US$ und 159 US$, beim C128D-CR zwischen 239 US$ und 299 US$ lagen.[188][189][190]

Verkaufszahlen

Zum Zeitpunkt der Markteinführung ging die Unternehmensleitung von einer Million verkaufter Exemplare des C128 bis Ende 1986 aus.[191] Tatsächlich verkaufte sich der Rechner anfangs ausgesprochen gut.[192] Im Juni 1985 gab es bereits 100.000 Vorbestellungen.[193] Bis Ende 1985 konnten weltweit 425.000 Einheiten abgesetzt werden, davon 60.000 in Westdeutschland.[194] Commodore stellte Anfang September 1985 sogar 350 neue Arbeitskräfte ein, um den C128 und seinen Vorgänger überhaupt in ausreichender Menge produzieren zu können.[195] Bis zur Cebit im März 1986 wurden weltweit fast 500.000 Exemplare verkauft, was Harald Speyer, Chef des deutschen Zweiges von Commodore International, in einem Interview als bis dahin „erfolgreichste Markteinführung aller Zeiten“ bezeichnete.[196] Bis Mitte 1986 wurden allein in den Vereinigten Staaten 600.000 Einheiten abgesetzt.[101] Dort galt der C128 zu diesem Zeitpunkt als einer der sich am schnellsten verkaufenden Computer der jüngeren US-amerikanischen Technikgeschichte.[166][197][198] Außerhalb Nordamerikas verlief der Absatz jedoch schleppender. Von den weltweit bis August 1986 verkauften ca. 800.000 Einheiten entfielen beispielsweise lediglich 10 Prozent auf den von Commodore beherrschten westdeutschen Markt, also gerade einmal 80.000 Muster.[199] Trotzdem war der Rechner durchaus ein Verkaufserfolg: Commodore-Geschäftsführer Rattigan bestätigte in einem Interview vom Frühjahr 1987, dass bis Ende 1986 tatsächlich weltweit rund eine Million Einheiten des C128 abgesetzt worden seien.[200] Damit hatten sich die ursprünglichen Erwartungen der Unternehmensspitze erfüllt.

Bis Juli 1987 stieg die Zahl der in Westdeutschland verkauften Exemplare sämtlicher C128-Modellversionen auf 210.000. Das entspricht einem Anteil von 10,67 Prozent aller dort bis zu diesem Zeitpunkt verkauften Commodore-Rechner.[201] Im April 1988 lag die geschätzte Zahl der nordamerikanischen C128-User bereits bei 1,5 Millionen.[202] Besonders populär war der C128 dort unter bereits einen Commodore-Rechner besitzenden Anwendern. 78 Prozent dieses Personenkreises gaben laut einer im Mai 1986 von der US-amerikanischen Computerzeitschrift Run veröffentlichten Umfrage an, sich in naher Zukunft einen C128 anschaffen zu wollen.[100] Die Unternehmensleitung selbst hatte dagegen nur mit 28 Prozent gerechnet.[130] Im August 1988 überschritt die Zahl der weltweit verkauften Einheiten die Zwei-Millionen-Grenze.[203] Mit insgesamt vier Millionen[178] weltweit bis 1990 abgesetzten Einheiten erreichte der C128 schließlich im Großen und Ganzen durchaus „akzeptable Verkaufszahlen“.[204]

Mit 284.300 bis 1990 verkauften Einheiten blieb der C128 in Westdeutschland allerdings weit hinter den 3,05 Millionen abgesetzten Exemplaren des Vorgängers C64 zurück.[205] Die Verkaufszahlen lagen damit auf dem gleichen Niveau wie die der 1984 zur Marktreife gelangten, gemeinhin als Flops geltenden Modelle der Commodore-264-Serie.[206] Allerdings erklären sich die relativ hohen Verkaufszahlen dieser Modellreihe vor allem durch die Schleuderpreise, zu denen die Geräte ab 1985 nach einer Marktpräsenz von lediglich einem Jahr in den Filialen der Supermarktkette Aldi abverkauft wurden.[207] Im Übrigen fanden sich auch unter den westdeutschen C128-Besitzern viele treue Commodore-Kunden. Die meisten hatten zuvor bereits einen C64 oder einen Plus/4 erworben.[181]

Bis zur deutschen Wiedervereinigung kamen laut einer im SPIEGEL veröffentlichten Schätzung rund 200.000 Heimcomputer aus westlicher Produktion in die DDR, die meisten davon als Privatimport im Reisegepäck.[208] Darunter war auch eine unbekannte Anzahl an Exemplaren des C128. Bei einer von der Computerzeitschrift 64’er im Frühjahr 1990 durchgeführten Umfrage gaben 26 Prozent der westdeutschen Befragten an, im Besitz eines C128 zu sein. In der DDR lag der Anteil des C128 dagegen bei lediglich 11 Prozent.[209]

Preisentwicklung

Vereinigte Staaten

Während der Marktpräsenz der C128 blieben die Preise für den Rechner in den Vereinigten Staaten relativ konstant. Die zunächst vom Hersteller anvisierte unverbindliche Preisempfehlung von unter 300 US$ für die Tastaturcomputerversion – mehrere Quellen sprechen sogar von gerade einmal 250 US$ als ursprünglich geplantem Einführungspreis[210][211] – ließ sich aufgrund der hohen Produktionskosten jedoch nicht dauerhaft aufrechterhalten. Sie lag ab dem vierten Quartal 1985 stets zwischen 349 US$ und 399 US$. Die unverbindliche Preisempfehlung für den C128D-CR pendelte zwischen 549 US$ und 599 US$.

Die Straßenpreise des oft im Bündel mit einem Diskettenlaufwerk sowie einem Monitor in Kaufhäusern, Fachgeschäften und von zahlreichen Versandgroßhändlern wie etwa Lyco Computer, Protecto, Computer Direct oder Montgomery Grant angebotenen Rechners lagen meist recht deutlich unter den Listenpreisen Commodores, vor allem in der Vorweihnachtszeit. Im Dezember 1987 beispielsweise verlangte Montgomery Grant 219,95 US$ für einen C128 und lag damit rund 130 US$ unterhalb der aktuellen Preisempfehlung.[212] Zur gleichen Zeit bot Lyco Computer den C128D-CR für 439,95 US$ an, rund 160 US$ unterhalb des gültigen Listenpreises.[213]

Entwicklung der unverbindlichen Preisempfehlung für den C128/C128D-CR in den Vereinigten Staaten
Modell Okt.–Dez.
1985
Jan.–Jun.
1986
Jul.–Sep.
1986
Okt.–Dez.
1986
Jan.–Jun.
1987
Jul.–Dez.
1987
Jan.–Jun.
1988
Jul.–Dez.
1988
Jan.–Mär.
1989
Apr.–Jun.
1989
C128 349 US$[214] 349 US$[215] 349 US$[216]
399 US$[217] 399 US$[218] 349 US$[219] n. v.* n. v.*
C128D-CR 550 US$[58] 599 US$[220] n. v.* 549 US$[221] 549 US$[222] 599 US$[223]
* nicht verfügbar
Großbritannien

In Großbritannien lagen die Versandgroßhandelspreise anfänglich kaum unter der stabil bleibenden unverbindlichen Preisempfehlung von 269 £ für den C128 bzw. 499 £ für den C128D. Bei Dimension Computers kostete die Tastaturcomputerversion im Januar 1986 beispielsweise volle 269,95 £, für das Desktopmodell wurden 499,95 £ verlangt.[224] Evesham Micros sowie HiVoltage dagegen boten die Tastaturcomputerversion zur gleichen Zeit etwas günstiger für 259 £ an. 489,95 £ verlangte HiVoltage für einen C128D.[225][226]

Erst nach einiger Zeit wurde der Rechner schließlich auch im Vereinigten Königreich deutlich unter dem offiziellen Listenpreis angeboten. Beispielsweise inserierte Dimension Computers die Tastaturcomputerversion im Dezember 1987 für 199,95 £ und damit rund 70 £ günstiger als von Commodore empfohlen. Für den mittlerweile an die Stelle des C128D gerückten C128D-CR wurden dagegen 399,95 £ verlangt, also rund 100 £ weniger als die unverbindliche Preisempfehlung des Herstellers.[227]

Westdeutschland

In Westdeutschland bewegten sich die Preise für den Rechner zunächst im Vergleich zu Großbritannien auf einem erheblich höheren Niveau. Nur wenige Versandgroßhändler verlangten in den ersten Monaten der Marktpräsenz des C128 im Herbst 1985 allerdings tatsächlich einen Preis in Höhe der unverbindlichen Preisempfehlung von 1198 DM für die Tastaturcomputerversion. Zu diesen Anbietern gehörte im September 1985 der Hard- und Software-Vertrieb H. Steber (kurz HSV Steber).[228] Schon im November 1985 reduzierte HSV Steber den Preis für den C128 allerdings auf 1098 DM.[229]

Die große Mehrheit der Versandgroßhändler veranschlagte dagegen am Ende des dritten bzw. Anfang des vierten Quartals 1985 bereits Preise unterhalb der verkaufspsychologisch wichtigen 1000-DM-Grenze. Neckermann,[230] die IES Computerhandelsgesellschaft,[231] Computer Reschke[232] sowie Valasik-Computer[233] etwa verlangten 998 DM für einen C128. Bei Abacomp kostete der Rechner 960 DM.[234] Der Computer- und Softwarevertrieb Riegert (kurz CSV Riegert) offerierte den C128 im September 1985 für 949 DM[235] und im Oktober 1985 für 929 DM.[236] Mit einem Preis von 898 DM blieb der CC-Computerversand sogar unterhalb der 900-DM-Grenze und damit 300 DM unter der unverbindlichen Preisempfehlung des Herstellers.[237] Zwecks Ankurbelung der Weihnachtsverkäufe ging schließlich auch HSV Steber im Dezember 1985 mit dem Preis auf 998 DM herunter.[238]

Die Handelskette Vobis bot den C128 im Januar 1986 für 975 DM und den C128D für 1785 DM an.[239] Im weiteren Verlauf des Jahres 1986 sanken die Versandgroßhandelspreise sowohl für die Tastaturcomputerversion als auch das Desktopmodell jedoch spürbar. Die ProSoft GmbH offerierte Ende des ersten Quartals 1986 den C128 für 798 DM und den C128D für 1698 DM.[240] Zum gleichen Zeitpunkt verlangte Dela Elektronik 899 DM für den C128.[241] CSV Riegert reduzierte bis zum Ende des zweiten Quartals 1986 den Preis für den C128 auf 749 DM.[242] Ende des dritten Quartals verlangte CSV Riegert noch 679 DM für den C128 und 1475 DM für den C128D.[243]

Zum Weihnachtsgeschäft 1986 bot ProSoft den C128 für 679 DM und den C128D für 1288 DM an.[244] Zum gleichen Zeitpunkt verlangte CSV Riegert nach wie vor 679 DM für den C128, aber nur noch 1299 DM für den C128D.[245] Abacomp offerierte den C128 unterdessen für 665 DM, den C128D für 1368 DM.[246] Andere Versandgroßhändler wie Computertechnik Luda,[247] Computer Discount München[248] oder die Syndrom Computer GmbH[249] boten das Tastaturcomputermodell in der Vorweihnachtszeit ebenfalls durchgehend unterhalb der 700-DM-Grenze an.

Am Ende des ersten Quartals des Jahres 1987 verlangte ProSoft nach wie vor 679 DM für den C128, aber nur noch 1279 DM für den mittlerweile auf den Markt gekommenen C128D-CR.[250] CSV Riegert führte dagegen den C128 zu diesem Zeitpunkt bereits nicht mehr im Sortiment und bot den C128D-CR für nunmehr 1169 DM an.[251] Bei Vobis kostete der C128D-CR zum gleichen Zeitpunkt noch 1248 DM.[252] Im zweiten Quartal reduzierte ProSoft die Preise für den C128 auf 630 DM und für den C128D-CR auf 1099 DM.[253] CSV Riegert ging währenddessen nur um 20 DM mit dem Preis des C128D-CR auf 1149 DM herunter.[254] Bei Abacomp war der Rechner mittlerweile für 580 DM in der Tastaturcomputerversion und für 1140 DM als Desktopmodell erhältlich.[255] Im dritten Quartal 1987 verlangte Vobis 569 DM für einen C128.[256] CSV Riegert reduzierte den Preis für den C128D-CR im gleichen Zeitraum um weitere 100 DM auf 1049 DM.[257] Abacomp blieb dagegen bei 1140 DM für den C128D-CR.[258] ProSoft inserierte zu diesem Zeitpunkt den Rechner bereits nicht mehr.

Mit Beginn des vierten Quartals des Jahres 1987 wurde die unverbindliche Preisempfehlung seitens Commodore auf 499 DM für den C128 und 999 DM für den C128D-CR nach unten korrigiert.[259] Fortan unterschritten zahlreiche Anbieter erstmals die 1000-DM-Marke beim Desktopmodell. So konnte der C128D-CR bei Quelle sowie Abacomp für 998 DM bestellt werden.[260][261] CSV Riegert bot den C128D-CR für 969 DM an.[262] Bei Zweifach Computer mussten die Kunden im Vorweihnachtsgeschäft des Jahres 1987 für einen C128 nur noch 444 DM und für einen C128D-CR 958 DM bezahlen.[263] Beim Tornado Computervertrieb waren es dagegen 549 DM für den C128 und 979 DM für den C128D-CR.[264]

In der ersten Hälfte des Jahres 1988 verschwand das Tastaturcomputermodell allmählich aus den Sortimenten der meisten Großhandelsketten und Versandgroßhändler. Gleichzeitig änderte sich kaum etwas an den für den C128D-CR verlangten Preisen. Erst Mitte des Jahres 1988 kam wieder Bewegung in das Preisgefüge. Vobis bot das Desktopmodell im Sommer 1988 für 899 DM an.[265] CSV Riegert reduzierte den Preis für den C128D-CR im dritten Quartal des Jahres 1988 auf 929 DM.[266] Zweifach Computer folgte diesem Beispiel im vierten Quartal mit 888 DM.[267]

1989 erfolgten unter dem Eindruck der Produktionseinstellung sämtlicher Modellvarianten sowie des Aufstiegs der leistungsstärkeren 16-Bit-Computer wie dem konzerneigenen Amiga, der Atari-ST-Serie oder den IBM-PC-Kompatiblen weitere, teils deutliche Preisrücknahmen, die den C128D-CR bzw. noch unverkaufte Restexemplare der Tastaturcomputerversion vor allem für Einsteiger interessant machen sollten. Dabei lagen die Preise für das Desktopmodell nunmehr durchgehend unter der 700-DM-Grenze bzw. für das Tastaturcomputermodell unter der 350-DM-Marke. Bis zum Weihnachtsgeschäft 1989 reduzierte etwa Zweifach Computer die Preise für den C128 auf 333 DM und den C128D-CR auf 666 DM.[268] Bei CSV Riegert kostete ein C128D-CR zum gleichen Zeitpunkt noch 699 DM.[269]

Im Verlauf des Jahres 1990 nahmen viele Versandgroßhändler den mittlerweile technisch überholten Rechner schließlich aus ihrem Sortiment. Erhältlich waren sowohl der C128 als auch der C128D-CR aber immer noch. Im Juni 1990 verlangte Zweifach Computer 333 DM für ein aus einem C128 sowie einem Joystick und zwei Spielen bestehendes Bündelangebot, während der C128D-CR zum gleichen Zeitpunkt 577 DM kostete.[270] Bei Vobis war der C128D-CR zu diesem Zeitpunkt für 599 DM erhältlich.[271] Deutlich teurer war der Rechner Mitte 1990 in westdeutschen Kaufhausketten wie Karstadt oder Horten. Letzte Restexemplare des C128 schlugen dort mit rund 450 DM zu Buche, ein C128D-CR kostete durchschnittlich 850 DM.[272] Weihnachten 1990 verlangte Zweifach Computer nur noch 299 DM für das C128-Bündelangebot und 555 DM für einen C128D-CR.[273] Ende 1990 lagen die Gebrauchtmarktpreise für einen C128 bei ca. 200–300 DM, für einen C128D-CR bei 300–530 DM.[274]

Einsatzgebiete

Während hinsichtlich des Einsatzes von Peripheriegeräten viele Gemeinsamkeiten zwischen nordamerikanischen und westeuropäischen Anwendern des C128 bestanden, lassen sich bemerkenswerte Unterschiede insbesondere im Hinblick auf die Verwendung des Rechners im Alltag bzw. im Bildungssystem feststellen.

Verwendung im Alltag

In Nordamerika nutzten die C128-Besitzer ihre Rechner wesentlich häufiger zur Datenfernübertragung als die C64-User. Auch im Bereich der Anwendungsprogramme wurde der C128 häufiger eingesetzt als sein marktführender Vorgänger.[275] Gegen Ende der 1980er Jahre kam das Desktop-Publishing als neues Einsatzgebiet hinzu.[276]

Zu den beliebtesten Einsatzgebieten des C128 gehörten im deutschsprachigen Raum Anwendungen wie etwa das Erstellen und Ausdrucken von Texten, der CP/M-Modus sowie das Programmieren in BASIC oder Assemblersprache, während der Rechner nur selten zur Datenfernübertragung oder zum Spielen eingesetzt wurde.[181] Neben meist jugendlichen Männern zählten auch Frauen in Westdeutschland zur Anwenderbasis des C128.[277]

Verwendung im Bildungssystem

An Schulen, Universitäten und anderen Bildungseinrichtungen in den Vereinigten Staaten konnte sich der C128 nicht gegen das bereits seit den 1970er Jahren den Markt dominierende Erfolgsmodell Apple II durchsetzen.[111][278] Der Rechner wurde aber privat von Schülern und Studenten etwa für das Abfassen von Hausaufgaben oder Seminararbeiten verwendet.[279] In Westeuropa dagegen gelang es dem C128D bis zum Frühjahr 1986, in mehreren westdeutschen Bundesländern sowie in Belgien zum offiziellen Schulcomputer zu avancieren.[194]

Diese Entscheidungen machten insbesondere die Desktop-Modellvarianten in Westeuropa für neue Produkte im Bereich der Lernsoftware interessant. So zeigten auf der vom 16. bis 20. Februar 1987 abgehaltenen Didacta, der jährlichen Fachmesse für den Bereich Schule und Ausbildung, mehrere Softwareunternehmen den C128D-CR beispielsweise als Rechner zur Steuerung physikalischer Experimente im Schulunterricht. Der bekannte dänische Spielzeughersteller Lego präsentierte die Steuersoftware seiner neuen Produktreihe Lego Technic Control bei gleicher Gelegenheit ebenfalls auf einem C128D-CR.[280] Auf der vom 16. bis 23. März 1988 abgehaltenen CeBIT präsentierte neben Lego auch Fischertechnik den zum Erlernen des Einsatzes von Computern in den Bereichen Messen, Steuern und Regeln gedachten Baukasten Computing Experimental auf einem C128D.[281] Darüber hinaus wurde der Rechner unter Verwendung von Desktop-Publishing-Software zum Erstellen von Schülerzeitungen verwendet und ermöglichte so Jugendlichen erste Einblicke in die Welt des Journalismus.[282]

Hardware

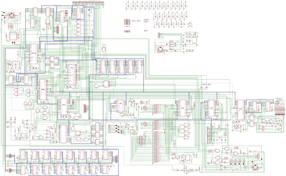
Der C128 baut technisch auf seinem Vorgänger C64 auf.[283] Der Rechner verfügt aber über eine verbesserte Tastatur, mehr Schnittstellen mit gegenüber dem C64 erweiterter Funktionalität sowie einen wesentlich umfangreicheren und technisch leistungsfähigeren Chipsatz mit Bausteinen, die größtenteils vollständig abwärtskompatible Weiterentwicklungen der im Vorgängermodell verwendeten Bausteine darstellen. Die sehr komplexe 8-Bit-Architektur des C128 besteht ferner aus zwei Hauptprozessoren, zwei Grafikchips, zwei I/O-Bausteinen, zwei Speicherverwaltungseinheiten, einem Soundchip sowie einer Reihe von Speicherchips, die über einen für damalige Verhältnisse außergewöhnlich aufwändig gestalteten Systembus miteinander Daten austauschen können.[284][285]

Weder die Hardwareeigenschaften noch die Systemsoftware des C128 lassen eine eindeutige Zuordnung zu einer bestimmten Geräteklasse zu. Für eine Zuordnung zu den Heimcomputern sprechen die 8-Bit-Architektur, die Verwendung eines herstellereigenen Betriebssystems in Gestalt eines nativen BASIC-Dialekts, das Vorhandensein von Anschlüssen für zwei Joysticks und eine Datasette, die Kunststoffgehäuse der Modellvarianten C128 bzw. C128D sowie der vergleichsweise niedrige Preis. Dagegen legen die Fähigkeit zur Darstellung von 80 Zeichen pro Zeile, das integrierte 5¼-Zoll-Diskettenlaufwerk bei den Modellvarianten C128D sowie C128D-CR, das Stahlblechgehäuse des C128D-CR und schließlich die Verwendung des Standard-Betriebssystems CP/M eine Zurechnung zu den Personal Computern bzw. Arbeitsplatzrechnern nahe.[286][287][288] Entsprechend erschien der C128 in der zeitgenössischen Wahrnehmung als „Mischung zwischen Spiele-Computer und Profimaschine“[289] bzw. als „general-purpose computer“ (deut. Allzweckrechner).[290]

RAM 128 kTastaturJoystickKassettenportSerieller PortAudio/Video-PortHF-ModulatorVideo-Port (80 Zeichen)Userport8563 VDC8566 VICROM6526 CIA 26526 CIA 1Z80 CPU8502 CPU6581 SID8722 MMU8721 PLA

Hauptplatine des C128 mit Hauptprozessoren, Grafikchips, Soundchip, Speicherverwaltungsbausteinen, I/O-Bausteinen, Speicherchips, Systembus-
Leiterbahnen, HF-Modulator, Steckplätzen, Schnittstellen, Bodenabschirmblech, Aufdruck der Modellbezeichnung und Commodore-Logo

Hauptprozessoren

MOS Technology 8502

Der erste im C128 verwendete Hauptprozessor MOS 8502 besitzt 40 Anschlusspins und stellt eine Weiterentwicklung des im C64 verwendeten MOS 6510 dar.[291] Er wurde eigens für den C128 in HMOS-II-Technologie entwickelt und steuert sowohl den C64- als auch den C128-Modus.[292][293] Der eine typische 8-Bit-Prozessorarchitektur aufweisende MOS 8502 verfügt über 8 Daten- sowie 16 Adressleitungen.[292] Außerdem weist er einen Programmzähler (PC), einen Akkumulator (AC), ein Statusregister (SR), zwei Indexregister (XR, YR), einen Stackpointer (SP), eine Interruptlogik, einen Timer sowie eine als elektronisches Rechenwerk fungierende, für sämtliche logischen sowie arithmetischen Operationen zuständige arithmetisch-logische Einheit (englisch Arithmetic Logic Unit, kurz ALU) auf.[294] Zur Steuerung der RAM-Chips, ROM-Chips, I/O-Bausteine, Datasette sowie der Feststelltaste beim US-amerikanischen Tastaturlayout bzw. der Zeichensatz-Umschalttaste bei den nicht für die englischsprachigen Länder produzierten Versionen des C128 besitzt der MOS 8502 außerdem ein spezielles 7-Bit-Datenrichtungsregister zur Festlegung der Datenflussrichtung sowie ein zugehöriges Datenregister zur Auswahl der genannten Systemkomponenten.[295]

Per Softwaresteuerung lässt sich der MOS 8502 wahlweise mit einer langsameren Taktfrequenz von 0,985 MHz (PAL-Version) bzw. 1,02 MHz (NTSC-Version) sowie einer schnelleren Taktfrequenz von 1,97 MHz (PAL) bzw. 2,04 MHz (NTSC) betreiben. Damit ist er im 2-MHz-Modus theoretisch etwa doppelt so schnell wie der MOS 6510.[291] Da beide CPUs über den gleichen Befehlssatz verfügen, sind sie zueinander vollständig softwarekompatibel.[293][296] Auch hinsichtlich der Adressierungsarten gleichen sich MOS 6510 und MOS 8502. Unterschiede bestehen dagegen bei den Pinbelegungen.[297]

Generiert wird die Taktfrequenz des MOS 8502 vom Taktbaustein MOS Technology 8701, der seinerseits mit einem externen Schwingquarz verbunden und sowohl zur in Westeuropa verbreiteten PAL-Fernsehnorm als auch zum nordamerikanischen NTSC-Standard kompatibel ist.[298][299] Allerdings muss das Videosignal des für die Darstellung von 40 Zeichen pro Zeile verantwortlichen Grafikchips VIC IIe im 2-MHz-Modus des MOS 8502 abgeschaltet werden.[300] Nach dem Vorbild des MOS 6510 verwendet auch der MOS 8502 zwecks Speicherverwaltung die ersten 256 Bytes des Arbeitsspeichers als Zeropage.[301] Überdies weist er wie sein Vorgänger insgesamt 4000 Transistoren auf.[302]

Zilog Z80A

Die-Foto eines Z80A

Mit dem Z80A des US-amerikanischen Chipherstellers Zilog besitzt der C128 einen weiteren Hauptprozessor mit typischer 8-Bit-Prozessorarchitektur, der mit einer Taktfrequenz von bis zu 4 MHz betrieben werden kann, aus Gründen der Synchronisation mit dem MOS 8502 jedoch effektiv nur auf maximal 2,04 MHz getaktet ist.[293] Als Taktbaustein fungiert der 40-Zeichen-Grafikchip VIC IIe.[303] Der als Zweitprozessor agierende und in NMOS-Logik ausgeführte Z80A dient der Steuerung des C128 im CP/M-Modus.[304] Er besteht aus 8500 Transistoren und verfügt über 40 Anschlusspins mit 8 Daten- und 16 Adressleitungen.[302] Mit einer maximalen Speicherzugriffszeit von 380 Nanosekunden zählt der Z80A auf diesem Gebiet zu den überdurchschnittlich schnellen 8-Bit-Hauptprozessoren.[305]

Im Gegensatz zum speicherorientierten MOS 8502 handelt es sich beim aus dem Intel 8080 hervorgegangenen Z80A wie bei sämtlichen CPUs der im IBM-PC, IBM-PC XT und IBM-PC AT verbauten Intel-80xxx-Familie um einen registerbezogenen Hauptprozessor. Trotz seiner doppelt so hohen Taktfrequenz ist der Z80A zwar schneller, aber nicht doppelt so schnell wie der MOS 8502. Für die Abarbeitung von Maschinenbefehlen braucht der Z80A nämlich häufig mehr Taktzyklen als der MOS 8502 – ein Nachteil, der nur zum Teil durch das beim Z80A in die Prozessorarchitektur integrierte Pipelining ausgeglichen wird, das der Zilog-CPU erlaubt, während der Bearbeitung des aktuellen Maschinenbefehls bereits einen neuen Befehl zu laden.[306]

Der C128 ist neben dem in den Vereinigten Staaten als SuperPET bekannten MMF 9000, dem CBM 630 sowie dem CBM 730 der einzige 8-Bit-Rechner von Commodore, in dem eine nicht vom konzerneigenen Halbleiterhersteller MOS Technology stammende CPU verbaut wurde. Der Z80A ermöglicht dem Rechner das Ausführen von Software, die für das Betriebssystem CP/M-Plus geschrieben wurde.[307] Da die beiden Hauptprozessoren MOS 8502 und Z80A nicht gleichzeitig, sondern ausschließlich seriell operieren können, stellt der C128 kein Multiprozessorsystem dar.[308]

Grafikchips

Eine Besonderheit des C128 stellt die Ausstattung des Geräts mit gleich zwei 8-Bit-Grafikchips dar, von denen einer für die Bildschirmausgabe im 40-Zeichen-Modus, der andere für die Bildschirmausgabe im 80-Zeichen-Modus verantwortlich ist. Da beide Grafikchips ihr eigenes Videosignal erzeugen und über eigene Schnittstellen zur Bildausgabe verfügen, können im C128-Modus bei aktiviertem 80-Zeichen-Modus gleichzeitig zwei Monitore am C128 betrieben werden.[309][310] Dabei dient der 80-Zeichen-Bildschirm zur Eingabe von Befehlen über den BASIC-Interpreter und zur Textausgabe, während der 40-Zeichen-Bildschirm zur Grafikausgabe verwendet wird.[311] Von beiden Grafikchips wurden mehrere Versionen entwickelt und in den verschiedenen Modellvarianten des C128 verbaut.

MOS Technology 8563

Farbpalette des 80-Zeichen-Grafikchips MOS Technology 8563[312]
1 Schwarz 9 Magenta (dunkel)
2 Weiß 10 Dunkelgelb
3 Dunkelrot 11 Hellrot
4 Cyan (hell) 12 Cyan (dunkel)
5 Magenta (hell) 13 Mittelgrau
6 Dunkelgrün 14 Hellgrün
7 Dunkelblau 15 Hellblau
8 Hellgelb 16 Hellgrau

Für den ersten im C128 verbauten 8-Bit-Grafikchip des Typs MOS 8563 bürgerte sich die Abkürzung VDC ein, die für die in der englischsprachigen Welt übliche, aber auch im deutschsprachigen Raum gebräuchliche Bezeichnung Video Display Controller steht.[313] Der mit 42 Anschlusspins versehene MOS 8563 kommt in den Modellvarianten C128 sowie C128D zum Einsatz und ist für den Bildschirmaufbau im hochauflösenden 80-Zeichen-Modus verantwortlich.[314] Der in der HMOS-II-Technologie hergestellte Grafikchip übernimmt nicht nur die Erzeugung des CGA-kompatiblen RGBI-Videosignals, sondern verwaltet mithilfe seiner 16 Adressleitungen, die einen Adressraum von bis zu 64 kB ermöglichen, auch den in der Grundkonfiguration ab Werk eingebauten dynamischen Grafikspeicher von 16 kB VRAM direkt.[314][315][316][317] Dieser besteht aus einem 2-kB-Bildwiederholspeicher, einem 2-kB-Farbspeicher bzw. Attribut-RAM und einem 8-kB-Zeichensatzspeicher, während die restlichen 4 kB Grafikspeicher ungenutzt bleiben.[318][319][320]

Der MOS 8563 besitzt überdies 37 interne Register.[321] Mithilfe der Register lassen sich zahlreiche Parameter einstellen, beispielsweise die Anzahl der Zeichen pro Zeile, die Pixelbreite, der Darstellungsmodus, die Bildauflösung, die Farben für Vorder- und Hintergrund, die Cursoreinstellungen usw.[322] Für eine Programmierung des MOS 8563 ist das native Commodore BASIC V7.0 des C128 allerdings zu langsam. Daher musste der 80-Zeichen-Grafikchip in maschinennahen Programmiersprachen wie etwa der Assemblersprache programmiert werden.[323] Der MOS 8563 beherrscht ferner etliche Bildformate, darunter auch die Fernsehnormen PAL und NTSC.[324]

Der MOS 8563 verfügt über eine Farbtiefe von 4 Bit und damit über eine Palette von 16 Farben, wobei die Farbwerte über den Farbspeicher bzw. das Attribut-RAM programmiert werden können.[325] Zwar gestattet der MOS 8563 keine Darstellung von Sprites und ist daher nur eingeschränkt für die Spieleprogrammierung tauglich, erlaubt aber dafür einen sanften Bildlauf (englisch smooth scrolling) in horizontaler sowie vertikaler Richtung.[326][327][328][329] Außerdem ist der MOS 8563 in der Lage, Rastergrafiken und Bobs (Abkürzung für englisch blitter objects) über den Bildschirm zu bewegen. Zu diesem Zweck stehen spezielle Verschiebebefehle (englisch block movement commands) zur Verfügung, die das schnelle Kopieren und Transferieren zusammenhängender Speicherinhalte gestatten (englisch Bit Block Image Transfer).[330]

Textmodus und hochauflösende Grafiken
Vom MOS 8563 generierter Startbildschirm des C128-Modus mit 80 Zeichen pro Zeile

Mittels der Systemroutinen zur Bildschirmausgabe werden die Register des MOS 8563 so gesetzt, dass zwischen einem Textmodus mit einer für die Textverarbeitung geeigneten Standardeinstellung von 80 × 25 Zeichen sowie einem Grafikmodus mit einer Standardauflösung von 640 × 200 Bildpunkten hin und her geschaltet werden kann.[315][331]

Im Textmodus verfügt der MOS 8563 sowohl über einen Buchstabenzeichensatz mit Groß- und Kleinbuchstaben als auch einen Grafikzeichensatz, die im Gegensatz zum C64 allesamt gleichzeitig auf dem Bildschirm dargestellt werden können.[325][332] Über Veränderungen am Attribut-RAM lassen sich blinkende, unterstrichene oder inverse Buchstaben anzeigen.[333] Genau wie die übrigen 8-Bit-Rechner von Commodore verwendet auch der MOS 8563 – sofern kein landestypischer Zeichensatz aktiviert ist – in der Standardeinstellung den mit einer Punktmatrix von 8 × 8 Pixeln pro Zeichen arbeitenden CBM-ASCII-Zeichensatz.[334][335] Dieser wird im 80-Zeichen-Modus zunächst vom Zeichensatz-ROM in den zum Grafikspeicher gehörenden Zeichensatzspeicher kopiert, weshalb die gewünschten Zeichen erst mit kurzer Verzögerung auf dem Bildschirm erscheinen.[336] Die Größe der Buchstabenmatrix kann ebenfalls verändert werden. Möglich sind bis zu 32 × 8 Pixel pro Zeichen.[335]

Im Grafikmodus erreicht der C128 in der Grundkonfiguration mit seinen voreingestellten 640 × 200 Bildpunkten eine den wesentlich teureren 16-Bit-Rechnern IBM-PC und der NTSC-Version des Amiga 1000 ebenbürtige Standardauflösung.[337] Monochrome Bitmap-Grafiken verbrauchen allerdings in dieser Auflösung bereits die gesamten 16 kB VRAM der frühen Modellvarianten C128 sowie C128D.[338] Mehrfarbige Bitmap-Grafiken oder höhere Auflösungen setzten also einen Ausbau des dedizierten Grafikspeichers voraus.[339]

Zusätzlich gibt es noch – wie bei den Rechnern der Amiga-Reihe – einen allerdings weder vom Betriebssystem unterstützten noch von professioneller Software mit nennenswerter Regelmäßigkeit eingesetzten Interlace-Modus, der durch Verwendung zweier gegeneinander versetzter Halbbilder bei allerdings verminderter Bildqualität die Darstellung von bis zu 80 × 50 Zeichen und eine Auflösung von 640 × 400 Bildpunkten gestattet.[340][341][342] Zu diesem Zweck werden sowohl der Bildwiederholspeicher als auch der Farbspeicher zulasten des vom Betriebssystem ungenutzten Grafikspeicherbereichs auf jeweils 4 kB verdoppelt.[320] Prinzipiell sind im Interlace-Modus auch noch etwas höhere Auflösungen als die erwähnten 640 × 400 Bildpunkte möglich, beispielsweise 640 × 536 Bildpunkte.[343][344]

MOS Technology 8568

Im ab Werk über einen vollausgebauten Grafikspeicher von 64 kB VRAM verfügenden C128D-CR kam ab 1987 eine uneingeschränkt softwarekompatible Weiterentwicklung des MOS 8563 namens MOS Technology 8568 (kurz MOS 8568) mit identischer Grafikleistung zum Einsatz. In den neuen Grafikchip sind allerdings Logikfunktionen integriert, die in den Vorgängermodellen C128 sowie C128D von externen Bauteilen erfüllt wurden und über Glue Logic mit dem ursprünglichen MOS 8563 verbunden waren. Durch den höheren Grad der Integration sparte Commodore mit der Einführung des MOS 8568 an den Herstellungskosten, ohne dabei Einbußen bei Leistung, Zuverlässigkeit oder Softwarekompatibilität zu riskieren.[345] Außerdem besitzt der MOS 8568 ein zusätzliches, also insgesamt 38 Register. Ermöglicht wird dadurch der Einsatz eines IBM-PC-kompatiblen EGA-Monitors.[346] Da die Pinbelegungen voneinander abweichen, können die beiden Versionen des VDC nicht untereinander ausgetauscht werden.[347]

Textmodus und hochauflösende Grafiken
Super-Vectors (1988)

Die Fähigkeiten des MOS 8568 zur Textausgabe gleichen denen des Vorgängers. Durch den auf 64 kB VRAM vergrößerten Grafikspeicher können im Grafikmodus mit dem MOS 8568 jedoch noch höhere Auflösungen generiert werden als mit dem MOS 8563 in der Grundausstattung mit 16 kB VRAM. Unter der Voraussetzung eines Grafikspeichervollausbaus sind diese nochmals höheren Auflösungen auch mit dem MOS 8563 auf den älteren Modellvarianten C128 sowie C128D realisierbar.[348] Dazu ist allerdings eine sorgfältige Abstimmung der VDC-Register notwendig.[349] So lassen sich beispielsweise Auflösungen mit 720 × 350, 720 × 400, 750 × 300 oder 750 × 400 Bildpunkten erreichen.[350]

Darüber hinaus können aber noch zahlreiche weitere Bildformate umgesetzt werden. Das im Jahr 1988 zum Abtippen in einer Computerzeitschrift erschienene, vom mehrfach Oscar-nominierten Science-Fiction-Filmklassiker Tron aus dem Jahr 1982 inspirierte Geschicklichkeitsspiel Super-Vectors etwa arbeitet mit einer Auflösung von 736 × 354 Bildpunkten.[351] Im Interlace-Modus können mithilfe der 64 kB VRAM sogar Auflösungen mit 750 × 600, 752 × 600, 640 × 720 oder 720 × 700 Bildpunkten realisiert werden.[352][353]

MOS Technology 8564/8566/8569

Vom Grafikchip VIC IIe eines C128 mit 512-kB-Speichererweiterung generierte Demonstration der sich drehenden Weltkugel (1985)
CBM-ASCII-Zeichensätze von PET 2001, VC20 und C128 (von oben nach unten) im Vergleich

Der zweite im C128 verwendete, für den 40-Zeichen-Bildschirm zuständige 8-Bit-Grafikchip wurde in drei Ausführungen mit jeweils 48 Anschlusspins gefertigt. Die dem NTSC-Standard entsprechende Version erhielt die Bezeichnung MOS Technology 8564, die zur PAL-B-Fernsehnorm kompatible Variante wurde als MOS Technology 8566, die zur in Argentinien, Uruguay und Paraguay üblichen PAL-N-Fernsehnorm kompatible Version schließlich als MOS Technology 8569 bezeichnet. Alle drei Varianten des 40-Zeichen-Grafikchips sind besser unter der Kollektivbezeichnung VIC IIe bekannt.[313]

Der VIC IIe verfügt über eine Farbtiefe von 4 Bit, kann also je nach gewähltem Text- bzw. Grafikmodus bis zu 16 Farben sowie 8 Sprites in drei verschiedenen Größen gleichzeitig auf dem Bildschirm darstellen.[354] Von wenigen Erweiterungen und acht zusätzlichen Anschlusspins am DIP-Gehäuse abgesehen ist der VIC IIe nahezu identisch mit dem im C64 verwendeten Grafikchip VIC II. So unterscheiden sich beide Grafikchips etwa hinsichtlich der vom Betriebssystem unterstützten Text- und Grafikmodi sowie des für die Bildschirmausgabe in Anspruch genommenen Speicherplatzes nicht signifikant voneinander.[355]

Der VIC IIe verfügt wie sein Vorgänger über zwei Textmodi mit 40 × 25 Zeichen. Im einfachen Textmodus (englisch Text Mode) kommt pro Zeichen eine Punktmatrix von 8 × 8 Bildpunkten in zwei frei wählbaren Farben für Vorder- und Hintergrund zum Einsatz, während im Mehrfarben-Textmodus (englisch Multicolor Text Mode) pro Zeichen lediglich 8 × 4 Bildpunkte mit doppelter Breite verwendet werden, für den Vordergrund aber gleich drei Möglichkeiten der Farbauswahl gleichzeitig zur freien Verfügung stehen.[356] Außerdem lassen sich mehrfarbige Bitmap-Grafiken mit einer Auflösung von 320 × 200 Bildpunkten in zwei Farben (englisch High-resolution Mode) bzw. 160 × 200 Bildpunkten mit doppelter Breite in vier Farben (englisch Multicolor Mode) generieren.[357] Für den Bildschirmaufbau werden in beiden Bitmap-Grafikmodi jeweils 8 kB RAM benötigt, die vom Arbeitsspeicher abgezogen werden.[358] Zu den neu hinzugefügten Funktionen des VIC IIe gehören eine erweiterte Tastaturabfrage, die Steuerung der Systemuhren sowie die Fähigkeit, die CPU bei abgeschaltetem Videosignal mit einer verdoppelten Taktfrequenz von rund 2 MHz arbeiten zu lassen.[359]

Der 40-Zeichen-Grafikchip des C128 beherrscht sowohl Rasterzeilen- als auch Spritekollisionsinterrupts und eignet sich daher für die Programmierung von Spielen. Außerdem verfügt der VIC IIe über einen 14-Bit-Adressbus mit einem Adressraum von 16 kB, der sich durch Verwendung von zwei weiteren Registern des vom C128-Entwicklerteam unternehmensintern auch als CIA 2 bezeichneten I/O-Bausteins MOS Technology 6526 (kurz MOS 6526) auf 64 kB erweitern lässt. Der für den Bildschirmaufbau in Anspruch genommene Grafikspeicher und das Zeichensatz-RAM lassen sich im Gegensatz zum festliegenden Farb-RAM im Arbeitsspeicher des Rechners verschieben.[360]

Der VIC IIe arbeitet ferner mit dem für Commodore-Rechner typischen CBM-ASCII-Zeichensatz, der noch auf den ersten Tischrechner des Herstellers – den All-in-one-Computer Commodore PET 2001 aus dem Jahr 1977 – zurückgeht und auch in allen nachfolgenden Commodore-8-Bit-Heimcomputern der 1980er Jahre verwendet wurde. Aufgrund seiner Beschränkung auf maximal 40 Zeichen pro Bildschirmzeile ist der VIC IIe für Büroarbeiten weitgehend untauglich. Im Gegensatz zum 80-Zeichen-Modus wird der aus alphanumerischen Zeichen und Blockgrafiksymbolen bestehende Zeichensatz vom VIC IIe direkt im Zeichensatz-ROM ausgelesen.[336]

Soundchip

Diagramm der vom Amplitudenmodulator und Hüllkurvengenerator des Soundchip MOS 6581 bzw. MOS 8580 erzeugten ADSR-Phasen

MOS Technology 6581

Mit dem 1981 unter der Leitung von Bob Yannes entwickelten MOS 6581 verfügen der C128 sowie der C128D über den gleichen 8-Bit-Soundchip wie der Vorgänger C64.[313] Unter dem Kürzel SID (englisch Sound Interface Device) hat der innovative und flexibel einsetzbare MOS 6581 Berühmtheit erlangt und gilt sogar als „kleine Revolution im Bereich der Heimcomputer“.[361] So verfügt der Soundchip über drei einzeln programmierbare Tongeneratoren, die jeweils aus einem Tonoszillator mit integriertem Generator für Wellenformen, einem Hüllkurvengenerator und einem Amplitudenmodulator bestehen. Der Tonoszillator kann vier Wellenformen digital erzeugen (Sägezahnschwingungen, Rechteckschwingungen, Dreiecksschwingungen sowie weißes Rauschen) und ist überdies für die Tonhöhe und die Klangfarbe verantwortlich. Der Amplitudenmodulator reguliert in Zusammenarbeit mit dem Hüllkurvengenerator die Lautstärke sowie die ADSR-Parameter für Anstieg, Abfall, Halten und Freigeben (englisch Attack, Decay, Sustain, Release). Ausgangsseitig besitzt der SID außerdem einen programmierbaren, mit dem Verfahren der subtraktiven Synthese arbeitenden analogen Klangfilter für die Erzeugung komplexerer dynamischer Klangfarben durch den Einsatz von Tiefpass, Hochpass und Bandpass.[362][363] Im Gegensatz zum C64 lässt sich der SID beim C128 über die sechs Befehle ENVELOPE, FILTER, PLAY, SOUND, TEMPO sowie VOL des Commodore BASIC V7.0 komfortabel programmieren.[364]

Neben der Klangerzeugung wurde der SID auch zur Steuerung von Eingabegeräten wie Paddles oder Mäusen sowie zur Erzeugung von Zufallszahlen eingesetzt.[365]

MOS Technology 8580

Während im C128 sowie C128D die ältere, in NMOS-Logik ausgeführte Version MOS 6581 verbaut wurde, kam im C128D-CR mit dem in HMOS-II-Technologie gefertigten MOS Technology 8580 (kurz MOS 8580) eine weiterentwickelte, aber vollständig abwärtskompatible Variante des SID mit geringerer Betriebstemperatur, weniger Störgeräuschen und klarerem Klang durch Korrektur der Filterstärke zum Einsatz.[5] In der US-amerikanischen Fachpresse wurde der MOS 8580 aufgrund dieser Eigenschaften auch als „Hi-Fi version of the C64 SID chip“ bezeichnet.[366]

Speicherverwaltungsbausteine

Der C128 besitzt zwei unterschiedliche Speicherverwaltungsbausteine, mit deren Hilfe Zugriffe auf den Arbeitsspeicher des Rechners gesteuert werden.[313]

MOS Technology 8721

Beim auch als Programmable Logic Array (kurz PLA) bekannten und mit 48 Anschlusspins ausgestatteten MOS Technology 8721 handelt es sich um eine programmierbare logische Anordnung. Die PLA fungiert primär als Adressmanager und erzeugt u. a. sämtliche Chip-Select-Signale für die RAM- bzw. ROM-Chips sowie den 40-Zeichen-Grafikchip VIC IIe, regelt Schreibzugriffe auf das Farb-RAM bzw. DRAM mit Hilfe eines Puffers und reguliert die Datenflussrichtung auf dem Datenbus.[367]

MOS Technology 8722

Daneben kommt im C128 die auch als Memory Management Unit (kurz MMU) bekannte Speicherverwaltungseinheit MOS Technology 8722 zum Einsatz.[313] Die Aufgabe der ebenfalls mit 48 Anschlusspins ausgestatteten MMU besteht in der Unterstützung der beiden Hauptprozessoren bei der Verwaltung des 128 kB umfassenden Arbeitsspeichers mittels Adressspeicherumschaltung (englisch bank switching). Diese Unterstützung ist aufgrund der 16-Bit-Adressbusstrukturen beider CPUs notwendig, da diese deren Adressraum auf jeweils 64 kB begrenzen. Zur Erfüllung dieser Aufgabe erzeugt die MMU neben den Steuersignalen für die verschiedenen Betriebsarten auch die Selektierungssignale für die RAM- bzw. ROM-Speicherbänke des Rechners, sodass zwischen diesen hin und her gewechselt werden kann.[368] Das Volumen der einzelnen Speicherbänke entspricht dabei der maximalen Größe des von den beiden Hauptprozessoren individuell ansteuerbaren Adressraums von 64 kB. Insgesamt vermag die MMU 1 MB RAM, 96 kB internes ROM und 32 kB externes ROM zu verwalten.[369] Die Adressübersetzung wird in den 17 Registern der MMU vollzogen.[370][371]

I/O-Bausteine

Der C128 verfügt über zwei baugleiche, auch als Schnittstellen-Adapter bezeichnete I/O-Bausteine. Sie sind unter dem Kürzel CIA (englisch Complex Interface Adapter) bekannt und regulieren die im Rahmen von Ein- und Ausgabeoperationen über die Joystickanschlüsse, die Tastatur, den Kassettenanschluss, den Userport sowie die serielle Schnittstelle anfallenden Datenströme.[313] Die beiden I/O-Bausteine des Typs MOS Technology 6526 sind mit 40 Anschlusspins ausgestattet, besitzen 16 einzeln programmierbare Ein- und Ausgabeleitungen und können mit einer Taktfrequenz von bis zu 2,04 MHz getaktet werden. Außerdem verfügen die beiden Schnittstellen-Adapter über ein 8-Bit-Schieberegister für die serielle Ein- und Ausgabe von Daten, eine 24-Stunden-Zeituhr sowie die Fähigkeit zum 8-Bit- bzw. 16-Bit-Datentransport mit Quittungsbetrieb (englisch handshaking) bei Lese- oder Schreiboperationen.[372]

MOS Technology 6526 – CIA 1

Der erste der beiden Schnittstellen-Adapter, der in der technischen Dokumentation des C128 zur Vermeidung von Verwechslungen auch als CIA 1 bezeichnet wird, ist für die über die Joystickbuchsen, die Tastatur sowie die über die serielle Schnittstelle im schnelleren 2-MHz-Modus abzuwickelnden Ein- und Ausgabeoperationen zuständig.[373][374]

MOS Technology 6526 – CIA 2

Der zweite der beiden Schnittstellen-Adapter, kurz CIA 2 genannt, ist für die über die serielle Schnittstelle im langsameren, die Kompatibilität des C128 zu älterer C64-Hardware garantierenden 1-MHz-Modus sowie die über den Userport laufenden Ein- und Ausgabeoperationen verantwortlich.[374][375]

Speicherchips und Speicherorganisation

Der C128 ist ab Werk mit einem Arbeitsspeicher von 128 kB RAM ausgestattet, der in zwei 64-kB-Bänke aufgeteilt ist. Daneben besitzt der Rechner, je nach Modellvariante, zusätzliche 16 respektive 64 kB Video-RAM sowie 2 kB Farb-RAM.[313] Insgesamt verfügt ein C128 bzw. C128D also in der Basiskonfiguration über 148 kB RAM, ein C128D-CR sogar über üppige 196 kB RAM. Außerdem umfassen die beiden nativen BASIC-Betriebssysteme des C128 insgesamt 72 kB ROM, von denen 16 kB für den C64-Modus und 48 kB für den C128-Modus reserviert sind. Hinzu kommen noch 8 kB Zeichensatz-ROM.[376] Sämtliche im Rechner verbauten RAM-Chips stammen aus meist japanischer Fremdproduktion, die ROM-Chips dagegen ausschließlich von Commodores eigener US-amerikanischer Tochtergesellschaft MOS Technology.

RAM-Chips

Der 128 kB umfassende Arbeitsspeicher der älteren Modellvarianten C128 sowie C128D setzt sich aus 16 dynamischen 1-Bit-RAM-Chips des Typs 4164 mit 16 Anschlusspins und einer Speicherkapazität von jeweils 8 kB zusammen.[376][377][378] Der höher integrierte C128D-CR besitzt dagegen nur noch vier 32-KByte-RAM-Chips des Typs 41256 mit ebenfalls 16 Anschlusspins sowie einem Speichervolumen von jeweils 32 kB.[379][380]

Der 16 kB große Grafikspeicher der Modellvarianten C128 und C128D besteht aus einem dynamischen 4-Bit-VRAM-Chip des Typs 4416 mit 18 Anschlusspins.[377][378] Im mit 64 kB ausgestatteten Grafikspeicher des C128D-CR sind zwei 4-Bit-VRAM-Chips der Typen 41464 mit 18 Anschlusspins, einer mittleren Zugriffszeit von 120–150 Nanosekunden und einem Speichervolumen von jeweils 32 kB verbaut.[381] Die als 80-Zeichen-Bildwiederholspeicher dienenden VRAM-Chips können nicht direkt von den Hauptprozessoren angesteuert werden, sondern nur vom Grafikchip MOS 8563.[382] Sie wurden gelegentlich im 40-Zeichen-Modus alternativ als RAM-Disk verwendet.[383][384]

Schließlich besitzen sämtliche C128-Varianten noch einen statischen, vom 40-Zeichen-Grafikchip VIC IIe als Hochgeschwindigkeits-Farbspeicher verwendeten 8-Bit-Farb-RAM-Chip des Typs 2016 mit 24 Anschlusspins und einer Speicherkapazität von 2 kB.[376][378] Im C64-Modus wird allerdings nur 1 kB des Farb-RAMs für die Textdarstellung verwendet, während im C128-Modus die vollen 2 kB bei der Textdarstellung und im hochauflösenden Grafikmodus zum Einsatz kommen. Beim Farb-RAM handelt es sich um einen Nibble-Speicherbaustein, da von beiden Betriebssystemmodi nur die ersten vier Bits zur Bestimmung der Farbwahl verwendet werden.[385]

ROM-Chips

Das C64-Betriebssystem mit dem Commodore BASIC V2.0, 40-Zeichen-Editor und dem Betriebssystemkern ist in einem 8-Bit-ROM-Chip des Typs 23128 untergebracht, der 28 Anschlusspins und eine Speicherkapazität von 16 kB besitzt.[386] Das umfangreichere C128-Betriebssystem ist dagegen in drei 8-Bit-ROM-Chips des Typs 23256 enthalten, die ebenfalls 28 Anschlusspins und eine Speicherkapazität von jeweils 16 kB aufweisen.[387] Zwei dieser ROM-Chips enthalten das Commodore BASIC V7.0, während der dritte die Bildschirmeditoren für den 40- bzw. 80-Zeichen-Modus sowie den Betriebssystemkern birgt.[376] Der Zeichensatz der für den US-amerikanischen Markt hergestellten Version des C128 befindet sich schließlich in einem weiteren 8-Bit-ROM-Chip des Typs 2364, der 24 Anschlusspins und eine Speicherkapazität von 8 kB besitzt, von denen jeweils 4 kB für den C64- bzw. den C128-Modus verwendet werden.[388][389]

Die Hauptplatine des C128 verfügt auf der linken Seite neben den das Betriebssystem enthaltenden ROM-Chips ferner über einen freien Sockel mit ebenfalls 28 Anschlusspins, der zur wahlweisen Aufnahme eines nichtflüchtigen programmierbaren 8-Bit-EPROM-Chips des Typs 27128 mit einer Speicherkapazität von 16 kB oder eines vom Speichervolumen abgesehen die gleichen Eigenschaften aufweisenden 32-kB-EPROM-Chips des Typs 27256 dient.[390]

Speicherorganisation

Die vom MOS 8502 mit Hilfe der MMU verwalteten 96 kB ROM des C128 verteilen sich auf die externen Festspeicher (24 kB), das C64-Betriebssystem (24 kB) und das C128-Betriebssystem (48 kB) inklusive der beiden Betriebssystemkerne nebst Sprungtabellen und Maschinensprachemonitor (C128-Modus), der beiden nativen Dialekte des Commodore BASIC sowie der beiden als Benutzerschnittstelle dienenden Texteditoren mit 40 bzw. 80 Zeichen pro Zeile. Der 128 kB RAM umfassende Arbeitsspeicher setzt sich aus zwei Speicherbänken mit jeweils 64 kB RAM zusammen, die über ein spezielles Konfigurationsregister der MMU aktiviert werden. Die Speicherbank null dient der Aufnahme des BASIC-Programmtextes, während die Speicherbank eins die vom aktuellen BASIC-Programm verwendeten Variablen enthält. Bestimmte, auf eine Größe von jeweils bis zu 16 kB variabel einstellbare Speicherbereiche (englisch Common Areas) teilen sich die ROM-Speicherbank sowie die RAM-Speicherbänke, um beim Umschalten zwischen den RAM-Speicherbänken auf Teile des Betriebssystems wie etwa den Stapelspeicher der Zeropage zugreifen zu können.[391]

Speicherbelegung des C128 im C64-/C128-Modus (vereinfacht)
Adressbereich Steckmodul-ROM
(extern)
Betriebssystem-ROM
(C64-Modus)
Betriebssystem-ROM
(C128-Modus)
RAM-Speicherbank 0
(C128-Modus)
RAM-Speicherbank 1
(C128-Modus)
$F000-$FFFF Spiele Betriebssystemkern Betriebssystemkern BASIC-Programm BASIC-Variablen
$E000-$EFFF Spiele Texteditor Maschinensprachemonitor BASIC-Programm BASIC-Variablen
$C000-$DFFF --- I/O, Zeichensatz I/O, Texteditoren, Zeichensatz BASIC-Programm BASIC-Variablen
$A000-$BFFF Programmiersprache BASIC V2.0 BASIC V7.0 BASIC-Programm BASIC-Variablen
$8000-$9FFF Erweiterung --- BASIC V7.0 BASIC-Programm BASIC-Variablen
$6000-$7FFF --- --- BASIC V7.0 BASIC-Programm BASIC-Variablen
$4000-$5FFF --- --- BASIC V7.0 BASIC-Programm BASIC-Variablen
$2000-$3FFF --- --- --- BASIC-Programm BASIC-Variablen
$0200-$1FFF --- --- --- BASIC-Programm BASIC-Variablen
$0000-$01FF --- --- --- Zeropage, BIOS Zeropage, BIOS

Systembus

Wie bei 8-Bit-Mikrocomputerarchitekturen der 1980er Jahre allgemein üblich besteht der Systembus des C128 aus einem Adressbus, einem Datenbus sowie diversen Steuerleitungen. Er hat die Hauptaufgabe, gleich zwei 8-Bit-Hauptprozessoren unterschiedlicher Hersteller mit eigentlich inkompatiblen Hardwareeigenschaften die Kommunikation mit ihrer technischen Umgebung über ein komplexes System von Leiterbahnen auf der Hauptplatine zu ermöglichen. Zu diesem Zweck besitzt der C128 zusätzlich einen besonders gestalteten Prozessorbus mit eigenen Daten- und Adressbusleitungen. Überdies verwendet der C128 mehrere lokale Daten- und Adressbusse mit jeweils eigenen Spezialfunktionen zur Verschaltung aller weiteren elektronischen Baugruppen.

Schaltplan der Hauptplatine des C128 mit integrierten Schaltkreisen, elektrischen Schaltzeichen, elektronischen Symbolen, binären Schaltelementen,
Schnittstellen (alle weinrot), elektrischen Leiterbahnen (grün) sowie den Adress- und Datenleitungsbündeln des Systembusses (blau)

Prozessorbus

Unter dem Prozessorbus des C128 werden die Datenleitungen von Daten- und Adressbus verstanden, die direkt an den Hauptprozessor MOS 8502 angeschlossen sind.[392] Der Prozessorbus verbindet dabei den MOS 8502 mit denjenigen ROM-Chips, die das Betriebssystem enthalten, den drei Speicherverwaltungsbausteinen, dem 80-Zeichen-Grafikchip MOS 8563, dem Soundchip SID sowie den beiden I/O-Bausteinen.[392] Außerdem ist auch der Zweitprozessor Z80A unmittelbar an die 16 Adressleitungen des Prozessorbusses angeschlossen, sodass sie im CP/M-Modus von beiden CPUs im Wechsel verwendet werden können (englisch bus sharing).[392] Zur Vermeidung von Zugriffskonflikten ist der Zweitprozessor mit speziellen, der Arbitration, sprich der Buszuweisung dienenden Steuerleitungen ausgestattet und wird zugunsten des Hauptprozessors mithilfe von hochohmig gesetzten Tri-State-Gattern vorübergehend von den Adressleitungen des Prozessorbusses getrennt.[303][393]

An die acht Datenleitungen des Prozessorbusses dagegen ist der Zweitprozessor Z80A nicht direkt angebunden. Vielmehr besitzt er einen eigenen lokalen 8-Bit-Datenbus.[392] Dieser ist an die Datenleitungen des Prozessorbusses lediglich indirekt ausgangsseitig über einen Puffer des Typs 74LS244 sowie eingangsseitig über ein transparentes, der Konservierung von Informationen dienendes Latch (im Deutschen auch als „Schlüsselspeicher“[394] bezeichnet) des Typs 74LS373 angeschlossen.[395][396] Sowohl Puffer als auch Latch agieren dabei als Bustreiber.[397] Sofern im CP/M-Modus das Buszugriffe regelnde Steuerungssignal Address Enable Control (kurz AEC) des taktgebenden Grafikchips VIC IIe bei logisch null liegt, bleibt der Z80A von den Datenleitungen des Prozessorbusses getrennt.[393] Springt das AEC-Steuerungssignal dagegen auf logisch eins, wird eine Verbindung mit dem Prozessorbus hergestellt, sodass seitens des Zweitprozessors Schreib- und Leseoperationen durchgeführt werden können.[393][397] Über das Steuerungssignal Read Enable (RE) veranlasst der Z80A das Latch dann dazu, seine zwischengespeicherten Daten auf den lokalen Datenbus des Zweitprozessors zu laden. Mithilfe des Steuerungssignals Write Enable (WE) dagegen wird der Puffer vom Z80A dazu gebracht, die zwischengespeicherten Daten des Zweitprozessors auf die Datenleitungen des Prozessorbusses zu übertragen.[393]

Adressbus

Den 16-Bit-Adressbus des C128 teilen sich die beiden Hauptprozessoren mit dem Grafikchip VIC IIe. Auf diese Weise können MOS 8502, Z80A und VIC IIe gleichzeitig überschneidungsfrei auf das Zeichensatz-ROM, den Farbspeicher sowie den Arbeitsspeicher zugreifen, der dem VIC IIe teilweise als Grafikspeicher dient.[398] Dabei ist der Adressbus in Bereiche mit gemeinsamem Zugriff von CPU und VIC IIe sowie in Bereiche mit Alleinzugriff des Hauptprozessors unterteilt.[398] Die Bereiche mit gemeinsamem Zugriff nennt man den „Sharing-Adressbus“.[399]

Die MMU des C128 verfügt über einen eigenen 8-Bit-Adressbus, der als „TA-Adressbus“ (englisch Translated Address Bus) bezeichnet wird.[399] Die Hauptaufgabe des TA-Adressbusses besteht darin, dem Rechner durch Umwandlung der normalen in höherwertige Speicheradressen die Verwaltung der vollen 128 kB RAM trotz der Beschränkung der Adressräume der beteiligten Hauptprozessoren auf 64 kB zu ermöglichen. Darüber hinaus steuert der TA-Adressbus auch den 8-Bit-MUX-Adressbus.[399] Dessen Aufgabe besteht wiederum in der Koordination von TA-Adressbus und den Bereichen des Adressbusses, die nicht dem Sharing-Adressbus zugehören.[400] Auch der VIC IIe besitzt einen eigenen 16-Bit-Adressbus, erzeugt die Adressen aber in Zusammenarbeit mit einem der CIAs.[401]

Datenbus

Der C128 verfügt überdies über einen bidirektionalen 8-Bit-Datenbus.[398] Der Datenbus verbindet die Hauptprozessoren mit sämtlichen ROM- und RAM-Speicherchips, den I/O-Bausteinen, der MMU, der PLA, den Grafikchips VIC IIe bzw. MOS 8563 sowie dem Soundchip SID.[400] Daneben bestehen aber noch weitere, mehr oder minder autonome Datenbusstrukturen. Der Zweitprozessor Z80A besitzt beispielsweise den schon erwähnten eigenen lokalen Datenbus für Schreib- und Leseoperationen.[399] Auch gibt es einen eigenen Farbdatenbus (englisch Color Data Bus) für die Übertragung von Farbinformationen zwischen dem Hochgeschwindigkeits-Farbspeicher und dem VIC IIe.[400]

Schließlich existiert mit dem Videodatenbus (englisch Video Data Bus, auch Display Data Bus) noch eine weitere lokale Datenbusstruktur für den Datenaustausch zwischen dem MOS 8563 und den VRAM-Chips des 80-Zeichen-Bildwiederholspeichers.[400][402] Beim Videodatenbus handelt es sich um einen hochspezialisierten, vom Rest des Systembusses vollkommen abgetrennten Datenbus.[402] Der Grafikchip MOS 8563 generiert nicht nur das Videosignal des 80-Zeichen-Bildschirms, sondern besorgt über den Videodatenbus auch die Wiederauffrischung des Speicherinhalts der VRAM-Chips.[402]

Steuerleitungen

Die laut technischer Dokumentation des Herstellers nicht zu einem eigenen Steuerbus zusammengefassten Steuerleitungen des C128 dienen der CPU zur Übermittlung von Steuerinformationen an die einzelnen Baugruppen des Rechners. Dazu zählen etwa die Steuersignale zur Regelung der Datenflussrichtung auf dem Systembus, zur Chipauswahl (englisch chip select) und Chipfreigabe (englisch chip enable).[403] Hinzu kommen Taktsignale,[404] Lese- und Schreibanweisungen, Interrupts, Halte- und Quittungssignale.[405]

Gehäuse

Das Gehäuse des C128 ist rechteckig und aus beigem Kunststoff gefertigt. Im hinteren Bereich sind auf der Ober- und Unterseite Lüftungsschlitze zur Kühlung der Elektronik ins Gehäuse eingelassen. Im vorderen Teil befindet sich das Tastaturfeld, das zur Vorderseite hin abgeflacht ist. Das Gehäuse misst 43 cm × 34 cm × 6 cm (Breite × Tiefe × Höhe).[406]

Tastatur

Die Tastatur-Layout des C128 lehnt sich an das Vorgängermodell an und weist 92 Tasten auf.[407][408] Im Vergleich zum C64 ist die Tastatur aber wesentlich ergonomischer und um einen numerischen Tastenblock inklusive einer Enter-Taste sowie zwölf in Vierergruppen angelegte Funktionstasten erweitert, die sich oberhalb der eigentlichen Schreibmaschinentastatur befinden.[409] Die Tastaturmechanik wurde gegenüber dem Vorgängermodell ebenfalls verbessert.[410] Außerdem verfügen die Tasten F, J und 5 des Ziffernblocks über kleine Erhebungen zur Blindorientierung bei der Verwendung des Zehnfingersystems.[408] Nach dem Vorbild des C64 besitzt auch die Tastatur des C128 eine mit dem Firmenlogo des Herstellers bedruckte Commodore-Taste, die u. a. zum Einstellen der Bildschirmfarben sowie zum Aufrufen bestimmter Grafiksymbole des CBM-ASCII-Zeichensatzes dient.[411]

Zu den zusätzlichen Funktionstasten zählen zwei Tasten mit Umschaltsperre. Im Falle der Versionen des C128, die für die Märkte der nicht-englischsprachigen Länder hergestellt wurden, erlauben diese dem Anwender einerseits die Wahl zwischen dem US-amerikanischen ASCII- und dem jeweiligen landesüblichen Zeichensatz (wie etwa dem deutschen DIN-Zeichensatz), andererseits den Betrieb des Rechners wahlweise im 40- bzw. 80-Zeichen-Modus. Die C128-Tastatur wurde in acht Versionen für folgende Länder bzw. Regionen hergestellt: Vereinigte Staaten/Großbritannien/Niederlande, Dänemark/Norwegen, Schweden/Finnland, Deutschland, Frankreich/Belgien, Italien, Schweiz und Spanien.[412] Die Tasten enthalten die landesüblichen Zeichen in Form von Overlays, die rechts neben den im englischsprachigen Raum gebräuchlichen Zeichen zu finden sind. Daneben gibt es vier separate, einen eigenen Block bildende Cursortasten, eine Escape-Taste, eine Tabulatortaste, eine Alt-Taste, eine Help-Taste, eine Line-Feed-Taste sowie eine No-Scroll-Taste, die das Bildschirmrollen etwa bei der Ausgabe von Programmlistings unterdrückt.[413] Die vier oberhalb des numerischen Tastenblocks liegenden, doppelt belegbaren Funktionstasten sind mit den häufig verwendeten BASIC-Befehlen GRAPHIC, DLOAD, DIRECTORY, SCNCLR, DSAVE, RUN, LIST sowie MONITOR vorbelegt und lassen sich frei programmieren.[414] Außerdem lässt sich durch gleichzeitiges Drücken der Control-Taste sowie der Buchstabentaste G ein bei jedem Tastenanschlag hörbarer Klingelton an- und abschalten.[415]

Schnittstellen

Auf der rechten Seite verfügt der C128 über zwei neunpolige Sub-D-Buchsen, die als Anschlüsse für Atari-kompatible Joysticks oder andere Regler dienen. Daneben besitzt der Rechner auf der rechten Gehäuseseite einen Resetschalter, einen Netzschalter sowie eine Netzanschlussbuchse für das externe Schaltnetzteil.

Auf der Rückseite verfügt der C128 über eine Erweiterungsschnittstelle (englisch Expansion Port) mit 44 Kontakten u. a. für die Aufnahme von Steckmodulen, einen Kassettenanschluss für eine Datasette in Gestalt eines Platinensteckers mit zwölf Kontakten sowie eine proprietäre, als serielle Schnittstelle (englisch Serial Port) dienende DIN-Buchse mit sechs Pins, die für den Anschluss von CBM-Diskettenlaufwerken sowie Druckern gedacht ist und auch als CBM-Bus bezeichnet wurde. Daneben weist der Rechner auf der Rückseite noch eine als Composite-Video-Anschluss dienende achtpolige DIN-Buchse, einen Schalter für die Wahl des Fernsehkanals, einen Hochfrequenz-Ausgang für den Betrieb mit einem Fernseher, einen neunpoligen RGBI-Anschluss für den Betrieb mit hochauflösenden Farbmonitoren sowie schließlich einen 24-poligen Platinenstecker auf, der als Userport bzw. universelle, in dieser Form nur von Commodore implementierte 8-Bit-Schnittstelle fungiert.[416][417][418] Wegen der anders als beim Hochfrequenz-Anschluss nicht notwendigen Demodulation des vom 40-Zeichen-Grafikchip VIC IIe erzeugten Ausgangssignals durch den Fernseher ist die über den Composite-Video-Anschluss erreichbare Bildqualität deutlich höher.[419]

Netzteile

Die für den nordamerikanischen Markt produzierten Exemplare des C128 beziehen ihren Strom über unterschiedlich ausgeführte externe Schaltnetzteile mit der Typennummer PN-252449-xx, die von verschiedenen asiatischen Herstellern wie Dee-Van (Taiwan) oder Newtronics / Mitsumi Electric (Japan) stammen.[420] Zum Betrieb wird eine Netzspannung von mindestens 117 Volt bei einer Netzfrequenz von 60 Hertz benötigt.[421] Die für den westdeutschen Markt gedachten und ebenfalls nicht identisch ausgeführten C128-Schaltnetzteile wurden dagegen in Westdeutschland von verschiedenen Herstellern gefertigt. Sie tragen die Typennummer PN-310416-xx und benötigen für einen ordnungsgemäßen Betrieb eine Netzspannung von 220 Volt bei einer Netzfrequenz von 50 Hertz. Das C128-Schaltnetzteil liefert 5 Volt Gleichstrom sowie 9 Volt Wechselstrom bei einer Stromstärke von 4,3 Ampere.[422] Bei den Desktop-Varianten des C128 kommen herkömmliche, ins Gehäuse integrierte Trafonetzteile zum Einsatz.

Modellvarianten

Der C128 wurde in insgesamt drei Modellvarianten ausgeliefert.[423] Alle außerhalb der englischsprachigen Welt angebotenen Modellvarianten enthielten neben dem US-amerikanischen ASCII-Standardzeichensatz zusätzlich eine an die jeweiligen nationalen Gepflogenheiten angepasste Tastatur mit landestypischem Zeichensatz inklusive Sonderzeichen wie Umlaute, diakritische Zeichen usw. Auch die Netzteile waren ab Werk an die in den jeweiligen Ländern üblichen Netzspannungen angepasst.

C128

Beim C128 handelt es sich um einen klassischen Tastaturcomputer mit flachem Plastikgehäuse, zahlreichen Lüftungsschlitzen auf Ober- und Unterseite, 16 kB VRAM und externem Schaltnetzteil. Diese häufigste Modellvariante war eher auf Heimanwender ausgerichtet, die vor großen Einzelinvestitionen zurückschreckten und lieber nach und nach ihr Computersystem erweitern wollten, auch wenn dies zu Kabelsalat auf dem heimischen Schreibtisch führte. Der C128 war in Westdeutschland und Nordamerika ab dem dritten Quartal 1985 erhältlich.[2] Unternehmensintern wurde der C128 im Gegensatz zu den Desktop-Modellvarianten zu den „Consumer-Produkten“ gerechnet.[194]

C128D

C128D als Exponat im Musée Bolo der ETH Lausanne

Beim C128D handelt es sich um einen Desktop-Computer mit integriertem 5¼-Zoll-Diskettenlaufwerk des Typs VC1571, abgesetzter Tastatur, 16 kB VRAM, Plastikgehäuse mit Aussparung zum Unterbringen der Tastatur, Lüfter, Tragegriff, separater Laufwerkselektronik, Floppy-Resetschalter und integriertem Trafonetzteil. Das Gehäuse des C128D misst 43 cm × 36 cm × 11 cm (Breite × Tiefe × Höhe).[424] Im Gegensatz zum Standalone-Diskettenlaufwerk VC1571 besitzt der C128D keinen extern zugänglichen DIP-Schalter zum Einstellen der Geräteadresse und auch keinen Schacht zum Einbau eines zweiten Diskettenlaufwerkes.[425] Der Kassettenanschluss befindet sich auf der Rückseite, der Netzschalter vorne an der linken Seitenwand. Die Hauptplatine des C128D ist mit der des C128 identisch, die Laufwerkselektronik ist die gleiche wie die der VC1571.[5]

Diese Modellvariante besitzt Lüftungsschlitze auf der Oberseite und richtete sich eher an professionelle Anwender. Das angehängte „D“ in der Modellbezeichnung steht für den englischen Begriff „Desktop“, also einen für den Schreibtisch konzipierten Computer mit abgesetzter Tastatur und flachem Gehäuse zur Aufnahme der Elektronik. Wegen des nicht erbrachten Nachweises der elektromagnetischen Verträglichkeit gegenüber der US-amerikanischen Zulassungsbehörde FCC war diese Modellvariante ab Februar 1986 ausschließlich in Europa erhältlich.[5]

C128D-CR

Beim C128D-CR handelt es sich um einen Desktop-Computer mit integriertem 5¼-Zoll-Diskettenlaufwerk des Typs VC1571, abgesetzter Tastatur, 64 kB VRAM, Blechgehäuse, in die Hauptplatine integrierter Laufwerkselektronik, Floppy-Resetschalter und integriertem Trafonetzteil ohne Lüfter.[426] Das Gehäuse des C128D-CR ist 2 cm flacher als das des C128D, die Grundflächen beider Modelle sind aber identisch. Der Kassettenanschluss befindet sich auf der rechten Seite, der Netzschalter hinten links.[427] Im Laufwerk wurde ein preiswerterer Schrittmotor verbaut.[428] Aufgrund des massiven Blechgehäuses mussten beim C128D-CR intern keine weiteren Abschirmbleche verbaut werden.[429] Die stärkere Abschirmung schützt das interne Diskettenlaufwerk überdies besser vor der Strahlung von auf dem Gehäuse abgestellten Monitoren als das Kunststoffgehäuse des Vorgängermodells C128D.[430]

Die Hauptplatine des C128D-CR wurde komplett neu gestaltet. Ferner besitzt das Gerät höher integrierte Schaltkreise als der C128D inklusive des weiterentwickelten 80-Zeichen-Grafikchips MOS 8568 sowie des verbesserten Soundchips MOS 8580 und weist einen geringeren Stromverbrauch als das Vorgängermodell auf, weshalb er auch keinen Lüfter benötigt und kostengünstiger zu produzieren war.[426] Aus dieser Tatsache leitet sich auch das angehängte Kürzel „CR“ in der Modellbezeichnung ab, das für den englischen Ausdruck „cost-reduced“ (deut. ‚kostenreduziert‘) steht.[8] Außerdem sorgte die Überarbeitung für eine Verringerung der Geräuschemissionen sowie der Störanfälligkeit. Allerdings machten die Veränderungen am Design viele der für die Vorgängermodelle entwickelten Hardwarezusätze unbrauchbar.[431]

Diese letzte Modellvariante besitzt weder Lüftungsschlitze auf der Oberseite noch einen Tragegriff. Sie richtete sich ebenfalls eher an professionelle Anwender. Die Systemprogramme sind im Gegensatz zu den früher erschienenen Modellen C128 und C128D nicht auf vier 16-kB-ROM-Chips verteilt, sondern nur noch auf zwei 32-kB-ROM-Chips. Der Arbeitsspeicher besteht nur noch aus vier 32-kB-RAM-Chips.[432] Die im Vergleich zum C128D höher integrierte Laufwerkselektronik nebst neu entwickeltem Floppy-Disk-Controller MOS Technology 5710 (kurz MOS 5710) und überarbeitetem Diskettenbetriebssystem Commodore DOS 3.1 führt zu (allerdings geringen) Einschränkungen bei der Softwarekompatibilität.[433] Aufgrund des viermal so großen Videospeichers kann der C128D-CR ohne Hardwarezusätze deutlich höhere Auflösungen generieren als die älteren Modellvarianten mit lediglich 16 kB VRAM.[434] Der bereits im Januar 1987 offiziell vorgestellte C128D-CR war erst ab dem dritten Quartal 1987 weltweit erhältlich.[120][121] Gelegentlich wurde diese Modellvariante in den zeitgenössischen Computerzeitschriften in Anspielung auf ihr Gehäuse aus gewalztem Metall scherzhaft als „Blech-Diesel“,[435] „Diesel im Blechkleid“[431] oder auch als „C128D-Blech“[436] bezeichnet.

Unterschiede bei den Hardwareeigenschaften der C128-Modellvarianten
Modell Jahr Typ Gehäuse-
material
Netzteil Lüfter Halte-
griff
interne
Floppy
Grafik-
chip
Sound-
chip
Floppy-Disk-
Controller
RAM-
Chips
VRAM-
Größe
ROM-
Chips
DOS-
Version
FCC*-
Zulassung
C128 1985 Tastatur-
Computer
Plastik extern MOS 8563 MOS 6581 16 × 8 kB 16 kB 4 × 16 kB
C128D 1986 Desktop-
Computer
Plastik intern MOS 8563 MOS 6581 WD1770 16 × 8 kB 16 kB 4 × 16 kB 3.0
C128D-CR 1987 Desktop-
Computer
Plastik
Metall
intern MOS 8568 MOS 8580 MOS 5710 4 × 32 kB 64 kB 2 × 32 kB 3.1
* Abkürzung für Federal Communications Commission, die US-amerikanische Zulassungsbehörde u. a. für elektronische Geräte

Peripheriegeräte

Treiber-Diskette für Commodore-Maus 1351
Commodore-Maus 1351, 1987

Commodore entwickelte eine Reihe von Peripheriegeräten, mit deren Hilfe Leistungsfähigkeit und Einsatzspektrum des C128 vergrößert werden können. Dazu zählen Eingabegeräte, Speichergeräte, Speichererweiterungen, Ausgabegeräte, mehrere Modems zur Datenfernübertragung, ein Bildschirmtextmodul, verschiedene Hardwarezusätze und diverses Zubehör. Neben Commodore produzierten zahlreiche Drittanbieter Peripheriegeräte für den Rechner.

Mehrere, von zeitgenössischen Computerzeitschriften durchgeführte Umfragen liefern ein ziemlich genaues Bild von der Zusatzausstattung, mit deren Hilfe der C128 in der alltäglichen Praxis betrieben wurde. Beinahe alle nordamerikanischen C128-User verwendeten ihr Gerät zusammen mit einem 5¼-Zoll-Diskettenlaufwerk, einem Drucker sowie einem Joystick. Ungefähr die Hälfte besaß ein Modem und eine Computermaus, aber nur 28 Prozent eine Speichererweiterung.[275][437] 72 Prozent der deutschsprachigen Besitzer des Rechners besaßen im Jahr 1992 – also drei Jahre nach Produktionseinstellung – einen C128D oder C128D-CR. Die übrigen 28 Prozent waren im Besitz der ursprünglichen Tastaturcomputerversion, die meist im Gespann mit dem 5¼-Zoll-Diskettenlaufwerk VC1571 betrieben wurde.[181]

Die wichtigsten, gezielt von Commodore für den C128 und seine Modellvarianten produzierten Peripheriegeräte, die allesamt auch mit dem Verkaufsschlager C64 verwendet werden können, werden im Folgenden dargestellt. Berücksichtigt werden überdies auch Festplattenlaufwerke, Hardwarezusätze sowie Zubehör von Drittanbietern mit einem gewissen Bekanntheits- und Verbreitungsgrad.

Eingabegeräte

Maus 1350

Bei der Commodore-Maus des Typs 1350 handelt es sich um eine einfache mechanisch-elektrische Joystickmaus mit vier bei entsprechenden Bewegungen von einer schweren, gummiummantelten Kugel geschlossenen Joystickkontakten, die im Gehäuseinneren untergebracht sind. Auf der Oberseite besitzt das Gerät zwei Tasten und am unteren Ende ein festes Verbindungskabel, über das die Maus Bewegungssignale an den Rechner übermittelt. Die linke Maustaste diente in der Regel der Auslösung von Aktionen seitens des Anwenders, während die Verwendung der rechten Maustaste von der gerade verwendeten Software abhing und daher stark variierte. Die Maus 1350 kann an beiden, für Joysticks gedachten neunpoligen Sub-D-Buchsen des C128 angeschlossen werden und musste zwecks Aufrechterhaltung ihrer Funktionsfähigkeit regelmäßig gereinigt werden. Dafür musste das Gehäuse geöffnet und die Kugel entnommen werden.[438]

Maus 1351

Bei der Commodore-Maus des Typs 1351 handelt es sich um eine mechanisch-elektrische Proportionalmaus.[439] Äußerlich lässt sie sich nicht ohne Weiteres vom Vorgängermodell 1350 unterscheiden, weist aber eine erweiterte Funktionalität auf. So verfügt sie neben dem schon von der Maus 1350 bekannten und für ältere Software gedachten Joystickmodus auch über ein präziseres Arbeiten ermöglichenden Proportionalmodus. Nach dem Einschalten ist der auf besondere Maustreiber angewiesene Proportionalmodus automatisch aktiviert, der etwa von der grafischen Benutzeroberfläche GEOS unterstützt wurde. Durch Gedrückthalten der rechten Maustaste während des Einschaltens des Rechners kann man in den Joystickmodus wechseln.[440] Um den Proportionalmodus zu realisieren, verfügt das Eingabegerät über einen eigenen Mikrochip mit Quarz-Oszillator-Schaltung, die Impulse von 2,5 Kilohertz bei einer Impulsbreite von 0,15 Mikrosekunden erzeugt.[441] Zwei im rechten Winkel angeordnete, jeweils mit einer Schlitzscheibe sowie zwei Lichtschranken verbundene Walzen im Gehäuseinneren übersetzen die Bewegungen der Mauskugel in elektrische Impulse.[442]

Im Joystickmodus wird – genau wie bei handelsüblichen Joysticks – alle 20 Millisekunden abgefragt, welche Joystickkontakte im Mausinneren gerade geöffnet bzw. geschlossen sind.[443] Die linke Maustaste wird gleichzeitig wie die Feuertaste eines konventionellen Joysticks behandelt.[444] Die Ergebnisse werden über das Joystickkabel an den Rechner weitergegeben. Im Proportionalmodus wird jede Bewegung von der Maus registriert und alle 512 Mikrosekunden, d. h. mit einer 39 mal höheren Frequenz und damit erheblich präziser als im Joysttickmodus an den Rechner übermittelt. Dafür werden die beiden Register POTX und POTY des Soundchips SID verwendet.[445]

Speichergeräte

Diskettenlaufwerke

Commodore produzierte mit den Modellen VC1570, VC1571 sowie VC1581 insgesamt drei Diskettenlaufwerke gezielt für den Betrieb mit dem C128.[446][447] Sie werden über die serielle Schnittstelle mit dem Rechner verbunden und verfügen hardwareseitig allesamt über einen eigenen, auf 2 MHz getakteten Hauptprozessor des Typs MOS 6502A sowie 32 kB ROM des Typs 23256 zur Aufnahme der mit Copyright-Schutz versehenen Diskettenbetriebssysteme Commodore DOS 3.0 (VC1570/1571) bzw. Commodore DOS 10.0 (VC1581).[448][449][450] Aufgrund dieser Ausstattung gehören sie zu den selbständig operierenden „intelligenten Diskettenstationen“, die weder eigens hochgefahren werden müssen noch kostbaren Speicherplatz belegen.[451]

Darüber hinaus besitzen die Laufwerke auf der Vorderseite zwei Statusanzeigen für den Stromfluss (rot) bzw. Diskettenzugriffe (grün) und auf der Rückseite einen Netzanschluss, zwei serielle Anschlussbuchsen sowie einen DIP-Schalter zum Einstellen der Geräteadresse.[452][453][454][455] Alle drei Laufwerke sind sowohl C64-kompatibel[456][457] als auch prinzipiell CP/M-fähig.[458][459] Ein viertes, in der Tradition der älteren CBM-Diskettenlaufwerke der Typen 8050 bzw. 8250 stehendes Modell – das 5¼-Zoll-Doppeldiskettenlaufwerk VC1572 – wurde zwar als Prototyp auf der Summer Consumer Electronics Show des Jahres 1985 der Öffentlichkeit vorgestellt, aber nie zur Marktreife gebracht.[87][460][461][462][463]

VC1570/1571

1985 erschienen zunächst die Modelle VC1570 sowie VC1571 für die seinerzeit weitverbreiteten 5¼-Zoll-Disketten. Die Elektronik beider Geräte ist weitgehend identisch. Beide verfügen über einen Floppy-Disk-Controller des Typs WD1770 (bzw. WD1772 bei späten Bauserien) zum Lesen und Beschreiben von Disketten im MFM-Format,[464] zwei sich primär die Aufgaben eines Floppy-Disk-Controllers teilende Gate-Arrays zum Lesen und Beschreiben von Disketten im GCR-Format,[465] zwei I/O-Bausteine des älteren Typs MOS 6522 zur Steuerung der Laufwerksmechanik[466] sowie zur Regelung des über die serielle Schnittstelle abgewickelten Datenflusses,[467] einen als Buscontroller agierenden I/O-Baustein des Typs MOS 6526[468] sowie einen Pufferspeicher mit 2 kB statischem RAM des Typs 2016.[448][465] Sowohl die VC1570 als auch die VC1571 besitzen eine als Lichtschranke fungierende Fotozelle, die eine schonende, weitgehend verschleißfreie Ausrichtung des Schreib-/Lesekopfs auf die erste Spur der Diskette ohne Kontakt mit der übrigen Laufwerksmechanik ermöglicht. Ein weiterer optischer Sensor löst bei jedem Diskettenwechsel eine Drehung der Laufwerksspindel aus. Durch diese Vorrichtung wird das für einen fehlerfreien Betrieb notwendige passgenaue Sitzen der eingelegten Disketten gewährleistet.[449][469][470] Die in beiden Modellen verwendeten Hauptplatinen mit den Leiterbahnen zur Verbindung der einzelnen Bauelemente sind identisch.[465] Beide Laufwerke sind außerdem beim Betrieb des C128 im C64-Modus zu einer nahezu lückenlosen Hardware-Emulation des Vorgängermodells VC1541 in der Lage.[471][472]

Die beiden von Commodore entwickelten Gate-Arrays ergänzen einander funktional.[473] Teilweise liegen ihre Aufgabenbereiche aber auch jenseits der üblicherweise von Floppy-Disk-Controllern ausgeführten Funktionen. Das größere Gate-Array des Typs 64H156 mit der unternehmensinternen Bezeichnung MOS Technology 251828 (kurz MOS 251828) sowie 42 Anschlusspins führt die anfallenden Lese- und Schreiboperationen durch, dient dem Hauptprozessor MOS 8520A als Taktgeber und steuert den Schrittmotor des Laufwerks.[474] Das kleinere Gate-Array des Typs 64H1567 mit der unternehmensinternen Bezeichnung MOS Technology 251829 (kurz MOS 251829) sowie 20 Anschlusspins ist für die Chipauswahl, die Fehlerkorrektur beim Einlesen von Daten im GCR-Format sowie den Ausgleich der Motordrehzahl zuständig.[475]

Vor allem hinsichtlich der Laufwerksmechanik, der Gehäuseform sowie des Netzteils unterscheiden sich beide 5¼-Zoll-Laufwerke voneinander. Die einen Knebelverschluss aufweisende Laufwerksmechanik der VC1571 stammt vom japanischen Zulieferer Newtronics Mitsumi[449] und verfügt über zwei Schreib-/Leseköpfe, mit deren Hilfe Disketten doppelseitig gelesen und beschrieben werden können.[476] Die mit Schnappverschluss ausgestattete Laufwerksmechanik der VC1570 gleicht dagegen dem Vorgängermodell VC1541, wurde vom japanischen Hersteller Alps geliefert[477] und besitzt lediglich einen Schreib-/Lesekopf.[476] Während die Elektronik der VC1571 in einem dem Design des C128 angepassten flachen Gehäuse untergebracht ist, befindet sie sich im Fall der VC1570 noch im altbekannten und voluminöseren Gehäuse des Vorgängermodells VC1541, das lediglich im Farbton dem C128 angeglichen wurde. Aufgrund dieser Verbindung der neuen Elektronik mit der älteren Laufwerksmechanik und dem bewährtem Gehäusedesign der VC1541 gilt die VC1570 auch als aus der Not geborenes „Zwitter-Laufwerk“[93] „Zwischending“[478] oder auch als „Interims-Floppylaufwerk“.[479] Das Gehäuse der VC1571 misst 21,6 cm × 34,6 cm × 7,6 cm (Breite × Tiefe × Höhe) und wiegt 3,5 kg.[480] Die Leistungsaufnahme beider mit internen Netzteilen ausgestatteter Laufwerke liegt bei maximal 25 Watt.[481] Im Gegensatz zur VC1570 besitzen die frühen Bauserien der VC1571 jedoch ein modernes Schaltnetzteil, das vollkommen vom Metallchassis des Laufwerks getrennt ist und über ein eigenes Abschirmblech verfügt.[482] Dadurch ist die VC1571 besser vor Überhitzung und Datenverlust durch Magnetabstrahlung geschützt.[483] Bei späteren Bauserien der in Westdeutschland produzierten VC1571 wurde schließlich zwecks Verringerung der Produktionskosten wieder ein zwar älteres, jedoch geringere Magnetabstrahlungen aufweisendes Netzteil verbaut, sodass auf das Netzteilabschirmblech verzichtet werden konnte.[484]

Die VC1571 kann im GCR-Format maximal 350 kB und im MFM-Format bis zu 410 kB an Daten pro Diskette abspeichern,[485] die VC1570 im GCR-Format maximal 170 kB und im MFM-Format bis zu 200 kB.[480] Laut Wartungsanleitung von Commodore können beide Laufwerke bei Stoßbetrieb sowohl im C128-Modus als auch unter CP/M-Plus Daten mit einer Geschwindigkeit von bis zu 5200 Baud einlesen.[485] Von diversen Computerzeitschriften durchgeführte Tests ergaben jedoch niedrigere Werte. Dort erreichte die VC1571 unter Idealbedingungen bei Stoßbetrieb im C128-Modus Spitzenwerte von 3800–4000 Baud. Unter realistischen, von Disketteninitialisierungen, zahlreichen Spurwechseln und der Sektorensuche geprägten Alltagsbedingungen wurden im C128-Modus Durchschnittswerte von 1100 Baud bei Normalbetrieb und 2200 Baud bei Stoßbetrieb gemessen.[486][487][488] Bei Schreiboperationen ergaben sich im C128-Modus Messwerte von 400 Baud bei Normalbetrieb und 600 Baud bei Stoßbetrieb.[489]

Der US-amerikanische Hardwareproduzent Emerald Components brachte 1987 mit dem Excel 2001 einen 20 US$ billigeren, softwarekompatiblen Klon der VC1571 mit identischem Diskettenbetriebssystem, etwas kleinerem Gehäuse, externem Schaltnetzteil und verbessertem Wärmemanagement auf den Markt.[490] Auf dem Excel 2001 liefen sämtliche Programme ohne Probleme, inklusive kopiergeschützter C128-Originalsoftware. Die Arbeitsgeschwindigkeit des Geräts entsprach weitgehend dem des Commodore-Originallaufwerks.[491] Die westdeutsche VTS Data GmbH bot ab Anfang 1988 mit dem Blue Chip 128 für 498 DM ebenfalls einen VC1571-Klon mit ähnlichem Leistungsumfang, aber geringeren Geräuschemissionen an.[492]

Geschwindigkeiten von VC1541 und VC1570/71 bei Normalbetrieb im Vergleich
Diskettenoperation Datenvolumen VC1541 VC1570/71
Speichern 13,5 kB 41 Sek.[493] 33 Sek.[493]
25 kB 80 Sek.[93] 60 Sek.[93]
Laden 13,5 kB 37 Sek.[493] 4,5 Sek.[493]
25 kB 70 Sek.[93] 7 Sek.[93]
Verifizieren 13,5 kB 37 Sek.[493] 4,5 Sek.[493]
VC1581

1987 folgte dann das schnellere und erheblich kleinere Modell VC1581 für die moderneren und kompakteren 3½-Zoll-Disketten.[494] Neben dem bereits erwähnten Hauptprozessor des Typs MOS 6502A und einem Festspeicher von 32 kB ROM verfügt die im Vergleich zu den Vorgängermodellen weniger umständliche und effizientere Elektronik der VC1581 über einen Floppy-Disk-Controller des Typs WD1772 (bzw. WD1770 bei frühen Bauserien)[495] zum Lesen und Beschreiben von Disketten im MFM-Format, einen I/0-Baustein des Typs MOS Technology 8520A (kurz MOS 8520A) und einen als Arbeitsspeicher dienenden 8-kB-ROM-Chip des Typs 4346.[496][497][498] Als Taktgeber fungiert ein Standard-Quarzoszillator des Typs 325566-01.[499] Die gut abgeschirmte Laufwerksmechanik mit der Modellbezeichnung Chinon 80 besitzt zwei Schreib-/Leseköpfe und stammt vom gleichnamigen japanischen Zulieferer Chinon.[457] Das Gehäuse der VC1581 misst 14 cm × 23 cm × 6,3 cm (Breite × Tiefe × Höhe) und wiegt lediglich 1,4 kg.[496][498] Das externe Netzteil mit einer Leistung von 10 Watt[496] sorgte zwar für Kabelsalat, aber auch ein gegenüber den 5¼-Zoll-Vorgängermodellen verbessertes Wärmemanagement.[457][494] Die VC1581 ist außerdem wesentlich leiser im Betrieb als ihre Vorgängerinnen.[457] Die Geräteadresse kann per DIP-Schalter auf der Rückseite eingestellt werden.[500]

Die Datenübertragungsgeschwindigkeit kann bei Stoßbetrieb mittels eines in den MOS 8520A integrierten Baudratengenerators eingestellt werden. Theoretisch sind im 2-MHz-Modus Übertragungsraten von bis zu 166.000 Baud möglich, die aber in der Praxis aufgrund von Hardwarebeschränkungen beim Rechner nicht erreicht werden können.[501] Mit einer Speicherkapazität von 800 kB pro Diskette,[497][502] die in bis zu 296 Dateien abgelegt werden können,[106] der Fähigkeit zur Partitionierung von Disketten in verschiedene Unterverzeichnisse und einer unter Testbedingungen gemessenen maximalen Datenübertragungsrate von 7000–8500 Baud bei Stoßbetrieb übertrifft die VC1581 das Vorgängermodell VC1571 recht deutlich.[503][504] Zum Laden einer 36,5 kB umfassenden Datei benötigt die VC1581 bei Standardbetrieb im C128-Modus beispielsweise 6,4 Sekunden, während die VC1571 für die gleiche Aufgabe 11,5 Sekunden braucht. Für das Speichern der gleichen Datenmenge benötigt die VC1581 31,5 Sekunden, die VC1571 dagegen 71 Sekunden.[498] Nicht kopiergeschützte Software konnte auf der VC1581 problemlos verwendet werden.[104][494] Im Zusammenhang mit kopiergeschützter Software wurde das Gerät meist zusätzlich zu einer VC1571 als Zweitlaufwerk zur reinen Datenspeicherung eingesetzt, etwa bei Datenbankanwendungen, Textverarbeitungen oder im CP/M-Modus.[459][505]

Die VC1581 wurde Anfang 1988 von den Lesern der auf Commodore-Rechner spezialisierten Computerzeitschrift 64’er in der Kategorie der Peripheriegeräte zum Produkt des Jahres 1987 gewählt.[506]

Übersicht der für den C128 produzierten Commodore-Diskettenlaufwerke
Modell Jahr Disketten-
größe
Schreib-/
Leseköpfe
Netz-
teil
Unterver-
zeichnisse
Floppy-Disk-
Controller
Gate-
Arrays
I/O-
Bausteine
Aufzeichnungs-
formate
Speicher-
kapazität
RAM-
Größe
DOS-
Version
Baud-
rate
VC1570 1985 5¼ Zoll 1 intern WD1770/
WD1772*
MOS 251828
MOS 251829
2 × MOS 6522
1 × MOS 6526
GCR
MFM
170 kB
200 kB
2 kB 3.0 5200
VC1571 1985 5¼ Zoll 2 intern WD1770/
WD1772*
MOS 251828
MOS 251829
2 × MOS 6522
1 × MOS 6526
GCR
MFM
350 kB
410 kB
2 kB 3.0 5200
VC1581 1987 3½ Zoll 2 extern WD1772/
WD1770**
MOS 8520A MFM 800 kB 8 kB 10.0 8500
* Nur späte Bauserien ** Nur frühe Bauserien

Datasette 1530

Datasette 1530 (ca. 1985)

Die für den Vorgänger C64 konzipierte Datasette des Typs 1530 waren auch zum C128 kompatibel. Nur sehr wenige C128-Besitzer machten allerdings kurz nach der Markteinführung des Rechners von diesem kostengünstigen, jedoch langsamen und überdies recht fehlerträchtigen Speichergerät überhaupt Gebrauch.[507] Meist geschah dies, da in den ersten Monaten nach dem Verkaufsstart des C128 die Diskettenlaufwerke VC1570 sowie VC1571 gar nicht oder noch nicht in größeren Stückzahlen lieferbar waren und daher die Alternativen fehlten.

Danach verloren die Datasetten im Zusammenhang mit dem C128 schnell stark an Bedeutung. Anfang der 1990er Jahre verwendeten kaum noch Besitzer eines Commodore-Heimcomputers ein solches Bandlaufwerk.[209] So gut wie keine kommerzielle Software für den C128-Modus oder den Betrieb unter CP/M-Plus erschien auf den im Vergleich zu Disketten im alltäglichen Gebrauch langsamen, umständlichen und von der Speicherkapazität her unzulänglichen Kompaktkassetten.

Festplattenlaufwerke

Mittels eines speziellen Interfaces lassen sich die älteren, von Commodore für den PET 2001 und die Bürocomputer der CBM-Serien 3000, 4000 sowie 8000 entwickelten IEEE-488-Festplatten wie das 5-MB-Modell CBM D9060 bzw. das 7,5-MB-Modell CBM D9090 über den CBM-Bus auch mit dem C128 betreiben.[508] Mehrere US-amerikanische sowie ein westdeutscher Fremdhersteller entwickelten im Gegensatz zu Commodore selbst aber auch gezielt für den C128 ausgelegte, modernere, zuverlässigere und leichter zu bedienende SCSI-Festplattenlaufwerke mit eigenem Betriebssystem, darunter Xetec mit dem auf der Winter Consumer Electronics Show sowie der Cebit Anfang 1987 vorgestellten, mit eigenem Mikroprozessor, Schnittstellenmodul, Boot-ROM sowie 16 kB RAM ausgestatteten Lt. Kernal.[509][510] Weitere Festplattenlaufwerke wurden von JCT mit den Modellen JCT-1000, JCT-1005 und JCT-1010 sowie ICT mit den Modellen Data Chief HFD-5, HFD-10 und HFD-20 auf den Markt gebracht. Die Preise bewegten sich zwischen 595 US$ für das günstigste Modell JCT-1000 mit einer Speicherkapazität von 3,7 MB, 949,95 US$ für den Lt. Kernal mit 20 MB sowie 995 US$ für den im Gegensatz zu allen anderen Festplatten CP/M-fähigen Data Chief HFD-20 mit ebenfalls 20 MB freiem Speicherplatz.[511][512] Als einziges Festplattenlaufwerk unterstützte das 900 US$ teure Device 9 – The Vault von Progressive Peripherals den Burst-Modus des C128.[513] ICT brachte mit dem Mini Chief im Jahr 1988 ein weiteres Festplattenlaufwerk zum Preis von 795 US$ heraus. Das Gerät bestand aus einer umgebauten VC1571, aus der ICT-Techniker das interne Netzteil entfernt und durch eine 20-MB-Festplatte ersetzt hatten.[514] 1991 folgte Creative Micro Designs mit der 20-MB-Festplatte HD-20, die in ihrem nativen Modus betrieben werden kann, aber auch in der Lage ist, die Commodore-Diskettenlaufwerke VC1541, VC1571 sowie VC1581 zu emulieren.[515]

Die Roßmöller Computertechnik GmbH brachte mit der HD 128 ebenfalls eine 20-MB-Festplatte mit integriertem Netzteil für 2.498 DM auf den Markt.[516] Darüber hinaus entwickelte Roßmöller mit dem Modell SASI 128 auch einen an den Userport anzuschließenden Festplatten-Controller für den C128.[517] Die genannten Festplattenlaufwerke erreichten jedoch keine weite Verbreitung.

Speichererweiterungen

RAM Expansion Units

Commodore produzierte drei gezielt für den C128 entwickelte Speichererweiterungsmodule (englisch RAM Expansion Units), die neben zusätzlichen dynamische RAM-Chips zur Steuerung indirekter Speicherzugriffe einen eigenen Mikrocontroller (englisch RAM Expansion Controller) besitzen.[518] Untergebracht sind diese Bausteine in ein an das Design des C128 angepasstes Gehäuse, das mittels eines Platinensteckers an die Erweiterungsschnittstelle des Rechners angeschlossen werden kann.[519] Die RAM Expansion Units lassen sich sowohl im C128- als auch im CP/M-Modus verwenden.[520] Dazu ist jedoch eine aktualisierte Version des Betriebssystems CP/M-Plus notwendig, die in Form einer zusätzlichen Diskette zum Lieferumfang gehörte.[521] Die von Frank Palaia konzipierten Speichererweiterungen können aufgrund ihres Stromverbrauchs ohne stärkeres Netzteil jedoch nur mit Einschränkungen auch am Vorgängermodell C64 betrieben werden.[522] Das Low-End-Modell 1700 verfügt über 128 kB, das Modell 1764 über 256 kB und das High-End-Modell 1750 über 512 kB zusätzlichen Arbeitsspeicher.[523] Der zusätzliche Arbeitsspeicher ist in zwei (Modell 1700), vier (Modell 1764) respektive acht (Modell 1750) Speicherbänke mit jeweils 64 kB RAM aufgeteilt.[524]

Das kleinste Modul 1700 war aufgrund eines Mangels an speziell auf ihre Eigenschaften ausgerichteter Software nur eingeschränkt praxistauglich.[525] Die beiden größeren Module 1764 und 1750 wurden dagegen vor allem im Zusammenhang mit der grafischen Benutzeroberfläche GEOS 128 sowie als schnelle RAM-Disks eingesetzt.[526][527] Als solche verwendet übertreffen die RAM Expansion Units mit einer Datenübertragungsrate von ca. 1 MB pro Sekunde herkömmliche Diskettenlaufwerke um ein Vielfaches.[523][528] Unter GEOS 128 lassen sich die Speichererweiterungen auch als Schattenlaufwerke einsetzen, die den Inhalt einer gesamten Diskette zwecks Erhöhung der Arbeitsgeschwindigkeit fortlaufend ohne die Notwendigkeit des Nachladens von Daten im Arbeitsspeicher zur freien Verfügung halten.[529] Eingesetzt wurden sie ferner oft im CP/M-Modus sowie als Alternative zu wesentlich teureren Zweitdiskettenlaufwerken oder schwierig zu montierenden und obendrein langsameren Diskettenlaufwerksbeschleunigern.[530]

GeoRAM

Neben Commodore entwickelten auch Fremdhersteller Speichererweiterungen für den C128. Dazu zählt beispielsweise das an die Erweiterungsschnittstelle anzuschließende, in Westdeutschland von Rex Datentechnik in Lizenz hergestellte und vertriebene GeoRAM von Berkeley Softworks mit einer zusätzlichen Speicherkapazität von 512 kB. Das 1989 auf den Markt gebrachte GeoRAM besitzt keinen eigenen Mikrocontroller für direkte Speicherzugriffe und wurde für den Betrieb mit GEOS 128 konzipiert.[531] Im Lieferumfang waren zwei Treiberdisketten enthalten, von denen eine vor der Inbetriebnahme zunächst als Bootdiskette installiert werden musste. Die Bootdiskette beinhaltet zwar die zum Systemstart notwendigen Grundkomponenten beider Versionen von GEOS 128 in einer revidierten Fassung namens GEOS 2.0r, nicht aber die Anwendungen GeoWrite und GeoPaint.[532]

Ausgabegeräte

Commodore brachte mehrere, vornehmlich für eine Verwendung mit dem C128 entwickelte und von verschiedenen Erstausrüstern in Lizenz hergestellte Ausgabegeräte heraus, darunter drei Farbmonitore als Sichtgeräte und einen Nadeldrucker. Eine Gemeinsamkeit aller dieser Ausgabegeräte besteht in ihrer an den C128 und seine komplexe Architektur angepassten Vielseitigkeit.

Die Monitore sind durchgehend sowohl auf die Darstellung von 40 als auch 80 Zeichen pro Zeile mit einer Standardauflösung von 640 × 200 Bildpunkten ausgelegt, RGBI-fähig und besitzen allesamt ins Gehäuse integrierte Mono-Lautsprecher. Sie unterscheiden sich jedoch u. a. hinsichtlich ihrer Farbfähigkeit, Signalverarbeitung, Konnektivität, Gehäuseform und der Größe ihrer Bildschirmdiagonalen. Neben den gezielt für den C128 herausgebrachten Farbmonitoren ließ sich der Rechner aber auch noch mit vielen anderen Commodore-Farbmonitoren betreiben, etwa dem 1988 erschienenen, für sämtliche Commodore-Heimcomputer geeigneten Commodore 1084[533] oder etwa dem primär für die Amiga-Reihe konzipierten Modell Commodore 2002.[534] Ähnliches gilt für die zur MPS-Serie gehörenden Druckermodelle der 12xx-Reihe wie etwa den Commodore MPS 1230[535] oder den Commodore MPS 1250.[536] Hinzu kamen zahlreiche Monitore sowie Drucker von Fremdanbietern.

Farbmonitor 1901

Mit dem Modell 1901 brachte Commodore einen zur PAL-Norm kompatiblen 14-Zoll-Farbmonitor auf den westeuropäischen Markt.[537] Das in Singapur in Lizenz vom französischen Elektronikkonzern Thomson[538] gefertigte Gerät verfügt über eine neunpolige Sub-D-Eingangsbuchse für das digitale RGBI-Signal sowie drei umgangssprachlich oft als Cinch-Buchsen bezeichnete RCA-Stiftbuchsen. Zwei dieser Stiftbuchsen sind für das analoge, sich aus dem Chrominanzsignal für die Farbigkeit und dem Luminanzsignal für die Helligkeit zusammensetzende FBAS-Signal zuständig.[539] Die Übertragung von Chrominanzsignal und Luminanzsignal über voneinander getrennte Leitungen entspricht dabei dem in der englischsprachigen Welt als Composite Video bekannten Übertragungsverfahren, das dem hierfür nur eine Leitung verwendenden FBAS-Signal qualitativ leicht überlegen ist.[540] Die dritte Stiftbuchse dient schließlich der Übertragung des ebenfalls analogen Mono-Audiosignals.[539] Das Gerät war für seine hohe Bildqualität und scharfe Darstellung von Buchstaben im 80-Zeichen-Modus bekannt.[541] Spätere Bauserien des Commodore 1901 besitzen überdies meist zusätzlich eine SCART-Buchse.

Über zahlreiche Drehregler lassen sich u. a. Farbintensität, Helligkeit, Kontrast, Lautstärke, Fokus und Bildhöhe einstellen.[542] Der Commodore 1901 besitzt außerdem auf der Rückseite einen Schiebeschalter zum Wechseln zwischen analogem PAL-Betrieb (40-Zeichen-Modus) und digitalem RGBI-Betrieb (80-Zeichen-Modus).[543] Der 10 cm × 10 cm große Mono-Lautsprecher hat eine Leistungsaufnahme von einem Watt. Das recht voluminöse Gerät misst 36 cm × 37 cm × 34,5 cm (Breite × Tiefe × Höhe) und wiegt 9,5 kg. Die Leistungsaufnahme beträgt 60 Watt.[539]

Farbmonitor 1902

Mit dem Modell 1902 veröffentlichte Commodore einen im Vergleich zum Commodore 1901 etwas kompakteren 13-Zoll-Farbmonitor. Das vielseitige, für den nordamerikanischen Markt produzierte und daher zum NTSC-Standard kompatible Gerät kann im 40-Zeichen-Modus allerdings neben Composite Video auch das höherwertige, ebenfalls analoge S-Video-Signal verarbeiten.[544] Der in Japan von Fujitsu in Lizenz gefertigte Commodore 1902 gleicht hinsichtlich seiner Konnektivität weitgehend dem Commodore 1901, verfügt aber zusätzlich über einen separaten Kopfhöreranschluss.[545] Außerdem befindet sich die Feststelltaste zum Wechsel zwischen analogem NTSC-Betrieb (40-Zeichen-Modus) und digitalem RGBI-Betrieb (80-Zeichen-Modus) auf der Vorderseite.[471]

Farbmonitor 1902A

Mit dem Modell 1902A brachte Commodore einen weiteren NTSC-fähigen, vom niederländischen Elektronikkonzern Philips als Lizenznehmer in Taiwan gefertigten 13-Zoll-Farbmonitor auf den nordamerikanischen Markt.[546] Diese Modellvariante ist allerdings im Gegensatz zum ansonsten technisch ähnlich konzipierten Commodore 1902 nicht zur Verarbeitung des höherwertigen S-Video-Signals fähig. Auch hinsichtlich der Konnektivität unterscheidet sich der Commodore 1902A von den Modellen 1901 und 1902. So besitzt das Gerät eine 8-polige DIN-Buchse für das digitale RGBI-Signal und eine 6-polige DIN-Buchse für die Eingangssignale des analogen Composite Video sowie das Audiosignal. Wie das Modell 1902 weist auch der Commodore 1902A einen eigenen Kopfhöreranschluss auf. Das Gerät misst 35 cm × 38,7 cm × 32 cm (Breite × Tiefe × Höhe), die Leistungsaufnahme beträgt 75 Watt.[547]

Übersicht der für den C128 produzierten Commodore-Farbmonitore
Modell Jahr Größe TV-Norm S-Video Composite
Video*
Audio-
Anschluss
RGBI-
Anschluss
Kopfhörer-
anschluss
Leistungs-
aufnahme
1901 1985 14 Zoll PAL 2 × Cinch 1 × Cinch 9-pol.
Sub-D
60 Watt
1902 1985 13 Zoll NTSC 2 × Cinch 1 × Cinch 9-pol.
Sub-D
60 Watt
1902A 1986 13 Zoll NTSC 6-pol.
DIN-Buchse
1 × Cinch 8-pol.
DIN-Buchse
75 Watt
* Mit getrennten Leitungen für Chrominanz- und Luminanzsignal statt des im deutschsprachigen Raum ansonsten üblichen Verfahrens der Übertragung des FBAS-Signals über nur eine Leitung

Nadeldrucker MPS 1200

Mit dem Modell MPS 1200 erschien auch ein primär auf den Betrieb mit dem C128 ausgelegter Nadeldrucker von Commodore.[548] Das auf dem Citizen 120D des japanischen Herstellers Citizen Holdings basierende Gerät verfügt über einen Druckkopf mit neun Nadeln und verwendet im Standardmodus eine aus 9 × 9 Punkten sowie im Schönschriftmodus (englisch Near Letter Quality) eine aus 17 × 17 Punkten bestehende Buchstabenmatrix. Je nach gewählter Druckqualität druckt der Commodore MPS 1200 mit einer Geschwindigkeit von 24 Zeichen pro Sekunde im Schönschriftmodus oder bis zu 120 Zeichen pro Sekunde im Standardmodus.[549] Erreicht werden diese Geschwindigkeiten durch bidirektionalen Druck.[550] Zwecks Verbindung zum proprietären CBM-Bus des Rechners verfügt die Standardausführung Commodore MPS 1200 über zwei als 6-polige DIN-Buchsen ausgeführte serielle Schnittstellen,[551] während die Modellvariante MPS 1200P eine parallele Centronics-Schnittstelle (englisch Centronics Parallel Basic Interface Pack) aufweist.[552]

Der Commodore MPS 1200 verfügt ferner über einen Festspeicher mit 64 kB ROM sowie einen Arbeitsspeicher mit 8 kB RAM.[553] Der Arbeitsspeicher dient einerseits als Pufferspeicher, andererseits zum Abspeichern benutzerdefinierter Zeichensätze.[554] Die Modellvariante MPS 1200P besitzt zwar lediglich 32 kB ROM, dafür aber eine eigene CPU.[555] Der Festspeicher beider Modellversionen enthält sämtliche internationalen Zeichensätze aller C128-Varianten, die per DIP-Schaler gewählt werden können.[556] Das Gerät misst 40,2 cm × 25,5 cm × 9 cm (Breite × Tiefe × Höhe) und wiegt 3,7 kg.[557] Die Leistungsaufnahme beträgt 50 Watt.[558]

Datenfernübertragung

Modem 1660

Für die Datenfernübertragung veröffentlichte Commodore zunächst das als Steckmodul ausgeführte Modem 1660. Das Gerät stammt aus dem Jahr 1985. Es ließ sich mit dem C64 und dem C128 verwenden,[559] sowohl im C64- als auch im C128-Modus mit 80-Zeichen-Bildschirm.[560] Das Modem 1660 überträgt Daten mit 300 Baud.[561] Es beherrscht hinsichtlich der Datenübermittlungsweise sowohl Wechselbetrieb (englisch half-duplex) als auch Gegenbetrieb (englisch full-duplex).[562] Der Anschluss an den Rechner erfolgt über den Userport. Auf der Rückseite besitzt das Modem 1660 zwei Modularbuchsen zur Verbindung mit dem Telefon und dem Telefonanschluss.[563] Außerdem weist das Gerät einen Audioeingang mit RCA-Stiftbuchse für Cinch-Stecker auf.[564] Zum Lieferumfang des Geräts gehörte neben den Verbindungskabeln auch ein aus dem Telekommunikationsprogramm QuantumLink sowie dem Terminalprogramm Common Sense bestehendes Softwarepaket.[565]

Modem 1670

Für die Datenfernübertragung entwickelte Commodore ferner das ebenfalls als Steckmodul ausgeführte Modem 1670. Das Gerät erschien 1987 und war primär auf eine Verwendung mit dem C128 zugeschnitten, konnte aber auch am C64 betrieben werden.[566] Das Modem 1670 überträgt Daten wahlweise mit 300 oder 1200 Baud.[567] Wie das Vorgängermodell 1660 beherrscht es sowohl Wechselbetrieb als auch Gegenbetrieb,[568] ist zusätzlich aber Hayes-kompatibel.[569] Der Anschluss an den Rechner erfolgt wie beim Modem 1660 über den Userport.[570] Auf der Rückseite des Modems 1200 befinden sich lediglich zwei Modularbuchsen zur Verbindung mit dem Telefon und dem Telefonanschluss sowie DIP-Schalter für diverse Einstellungen[571], aber kein separater Audioeingang.[572] Zum Lieferumfang gehörten wie beim Modem 1660 die Verbindungskabel sowie das für die Bedienung notwendige Softwarepaket.[573]

Bildschirmtext-Decoder-Modul II

Bildschirmtext-Logo (1983–2001)
BTX-Modem-Box DBT03 (1983)
BTX-Seite des WDR Computerclubs mit Telesoftware zum Download (1993)

Mit dem BTX-Decoder-Modul II brachte Commodore im vierten Quartal des Jahres 1987 auch einen als Steckmodul ausgeführten Dekodierer für das in den deutschsprachigen Ländern angebotene Endbenutzer-Informationssystem Bildschirmtext (kurz BTX) für den C128 auf den Markt.[574] Das BTX-Decoder-Modul II löste das noch für den C64 entwickelte, Ende 1985 auf den Markt gebrachte Vorgängermodell BTX-Decoder-Modul I ab[575] und war mit 399 DM rund 300 DM billiger als dieses. Es wird über die Erweiterungsschnittstelle an den Rechner angeschlossen und kann wahlweise über drei DIN-Buchsen an der Rückseite mit einem Commdore-Monitor, RGB-Monitor oder Fernseher mit SCART-Anschluss verbunden werden.[576] Das BTX-Decoder-Modul II konnte sowohl mit einem Akustikkoppler als auch der BTX-Modem-Box DBT03 der Deutschen Bundespost betrieben werden.[577]

Das Herzstück der Elektronik des BTX-Decoder-Moduls II bildet der im Auftrag des damaligen Bundespostministeriums hergestellte Spezialbaustein EUROM (kurz für englisch European Read Only Memory).[577] Der auch als SAA 5350 bekannte, sehr hitzeempfindliche EUROM-Chip wurde von der Philips-Tochtergesellschaft Valvo entwickelt. Er besteht aus einem Videoprozessor und einem Zeichengenerator zur Darstellung der insgesamt 520 europaweit genormten Zeichen sowie grafischen Symbole des BTX-Zeichensatzes inklusive Umlauten, die zur Erzeugung der vom Anwender aufgerufenen Bildschirmtextseiten benötigt wurden.[578] Verwendet wird für den BTX-Zeichensatz eine Punktmatrix mit 12 × 10 Punkten.[574] Der EUROM-Chip kann auch im 80-Zeichen-Modus betrieben werden und ist fähig, Farbgrafiken mit einer Auflösung von 480 × 240 Bildpunkten zu generieren.[579] Er ist ferner in der Lage, 4096 Farben auf dem Bildschirm darzustellen.[576] Davon können 32 gleichzeitig verwendet werden.[574] Zur besseren Wärmeabfuhr besitzt der EUROM-Chip ein Keramik-Gehäuse mit 40 Anschlusspins.[580] Überdies verfügt das von Siemens gefertigte, auch für den Betrieb mit dem C64 geeignete BTX-Decoder-Modul II über 32-kB-EPROM-Festspeicher für die BTX-Betriebssoftware und unterstützte neben dem in Westdeutschland damals üblichen BTX-Standard CEPT-1 auch den Standard PRESTEL für den in Großbritannien verwendeten Abrufdienst Viewdata sowie den Standard ANTIOP für den in Frankreich weit verbreiteten Abrufdienst Minitel.[118]

Die Betriebssoftware des BTX-Decoder-Moduls II steht dem Anwender direkt nach der Inbetriebnahme des Rechners zur Verfügung. Es gibt mehrere Versionen der Betriebssoftware. Da bei der von Commodore zuletzt entwickelten Version 3.3 sowie der vom Markt+Technik Verlag veröffentlichten Version 3.4 gelegentlich Probleme beim Betrieb mit der BTX-Modem-Box DBT03 auftraten, wurde Mitte 1989 mit der Version 3.5 eine fehlerbereinigte Fassung erstellt. Sie konnte von der BTX-Seite des Markt+Technik Verlages kostenlos heruntergeladen werden.[581] Der ab Werk eingebaute ROM-Chip mit der Betriebssoftware musste zwecks Installation durch einen wahlweise selbstgebrannten oder beim Markt+Technik Verlag zu beziehenden EPROM-Chip mit der Version 3.5 ersetzt werden.[582]

Über die mit den wichtigsten BTX-Steuerzeichen belegten Funktionstasten lässt sich das Modul bedienen. Eine beigefügte Tastaturschablone sollte Anfängern das Erlernen der BTX-Steuerzeichen erleichtern. Außerdem weist die Betriebssoftware eine Protokollfunktion auf und ermöglicht mit Einschränkungen das Erstellen von Screenshots.[576] Sogar das damals noch ungewohnte Herunterladen und Abspeichern von Programmen auf Diskette war über das BTX-Decoder-Modul II möglich.[583] Mit dem Einsatz dieser „Telesoftware“ entfiel die umständliche und zeitraubende Notwendigkeit, Programmlistungs aus Zeitschriften abzutippen.[584] Die Computerzeitschrift 64’er bot zu diesem Zweck ab Ende 1988 eine eigene, auch für den C128-Modus geeignete Software zum Herunterladen enthaltende BTX-Seite an.[585] Auch etwa der seit 1981 ausgestrahlte WDR Computerclub verfügte über ein vergleichbares BTX-Angebot.[586] Darüber hinaus wurden ab Ende der 1980er Jahre sowohl kostenlose als auch kostenpflichtige Computerspiele über BTX-Seiten angeboten.[587]

Hardwarezusätze

Grafikerweiterungen

Die beiden Versionen des in den drei Modellvarianten des C128 verbauten 80-Zeichen-Grafikchips boten Drittherstellern die Möglichkeit zur Entwicklung von Hardwarezusätzen mit dem Ziel der Verbesserung der Grafikfähigkeiten, da sowohl der MOS 8563 als auch der MOS 8568 vom Betriebssystem des Rechners nicht ausgenutzte höhere Auflösungen beherrschen und mit 64 kB VRAM viermal so viel Grafikspeicher adressieren können als die in den älteren Modellvarianten C128 bzw. C128D ab Werk eingebauten 16 kB VRAM.

Graphic Booster 128

Die schweizerische Combo AG brachte mit dem Graphic Booster 128 im Jahr 1986 eine für 174 DM erhältliche Grafikerweiterung für den C128 und den C128D heraus. Für den Einbau musste der 80-Zeichen-Grafikchip MOS 8563 zunächst entfernt und an seine Stelle eine mitgelieferte Zusatzplatine eingesetzt werden. Auf dieser befinden sich ein freier Steckplatz für den MOS 8563 sowie bereits eingebaute 48 kB zusätzliches VRAM. Die Zusatzplatine wird über einen Draht, an dessen Ende sich ein Sockel mit 28 Anschlusspins befindet, an den freien Steckplatz des C128 angeschlossen. Die auf Diskette beigefügte Software erweitert das native Commodore BASIC V7.0 um zusätzliche Grafikbefehle und erleichtert die Verwendung der jenseits der Standardeinstellung von 640 × 200 Bildpunkten liegenden, vom Betriebssystem jedoch nicht unterstützten Auflösungen von bis zu 720 × 700 Bildpunkten des MOS 8563 im Interlace-Modus und maximal 720 × 400 Bildpunkten im flimmerfreien Normalmodus. Für jeden der insgesamt 7200 jeweils 6 × 8 Bildpunkte umfassenden Farbblöcke können bei der verbesserten Version Graphic Booster 128 N2 aus einer Palette von rund 65.000 Farben 256 für den Vordergrund und 256 für den Hintergrund gewählt werden. Im Textmodus können – wie bei den für den IBM-PC AT entwickelten EGA-Grafikkarten – bis zu 80 × 43 Zeichen angezeigt werden. Auch die Verwendung der 512-kB-Speichererweiterung 1750 wird von der Software des Graphic Booster 128 unterstützt. Spätere Versionen enthielten die BASIC-Erweiterung wahlweise auf einem EPROM. Beim C128D-CR musste dieses lediglich in den freien Steckplatz eingesetzt oder die BASIC-Erweiterung von Diskette geladen werden, da der Grafikspeicher des Rechners bereits ab Werk voll ausgebaut war.[588][589][590] Die Hardware des Graphic Booster 128 ließ sich nicht ohne Weiteres von anderen Programmen nutzen. Für bestimmte kommerzielle Software wie etwa das Grafikprogramm StarPainter 128, die Textverarbeitung Protext 128 oder die grafische Benutzeroberfläche GEOS 128 erschienen zu diesem Zweck Patches.[591]

In der Fachpresse wurde 1988 die Vermutung geäußert, Commodore habe Teile der Software des Graphic Booster 128 ohne Wissen der Combo AG in das Betriebssystem des C128D-CR integriert.[592] Diese Behauptung ist jedoch falsch und basiert auf Unkenntnis der beiden schlecht dokumentierten 80-Zeichen-Grafikchips. So war selbst in Fachkreisen weitgehend unbekannt, dass sowohl der MOS 8563 als auch der MOS 8568 schon ab Werk bei nur geringem Programmieraufwand in der Lage sind, jenseits der vom C128-Betriebssystem verwendeten Standardeinstellung von 640 × 200 Bildpunkten liegende Auflösungen zu generieren, deren Punktdichte vornehmlich von der Größe des zur Verfügung stehenden dedizierten Grafikspeichers abhängt.

Sonstige

Software Support International vertrieb ebenfalls eine als Steckkarte für den Sockel des MOS 8563 ausgeführte Grafikspeichererweiterung für den C128 bzw. C128D. Zum Lieferumfang gehörten eine Zusatzplatine sowie die zum Grafikspeichervollausbau auf 64 kB nötigen VRAM-Chips. Im Gegensatz zum Graphic Booster 128 enthielt das mit 34,95 US$ wesentlich günstigere Angebot jedoch keine die Verwendung des erweiterten Grafikspeichers unterstützende Software.[203]

Diskettenlaufwerksbeschleuniger

Mehrere US-amerikanische sowie westdeutsche Elektronikunternehmen entwickelten zwecks zusätzlicher Steigerung der Datenübertragungsrate auch als Floppy-Speeder bekannte, in der Regel alternative Diskettenbetriebssystemsoftware mit Hardwarezusätzen kombinierende Diskettenlaufwerksbeschleuniger zum Einbauen für die 5¼-Zoll-Diskettenlaufwerke VC1570/71.

DolphinDOS 128

Der westdeutsche Anbieter Dolphin Software brachte 1987 das auch für die beiden Desktop-Modelle geeignete, mit zwei EPROM-Chips ausgestattete DolphinDOS 128 für 198 DM auf den Markt. Ein EPROM-Chip enthält das Diskettenbetriebssystem für den C128-Modus, der andere das für den C64-Modus. Im C64-Modus kann zwischen dem originalen Commodore DOS, dem vollständigen DolphinDOS sowie einer abgespeckten Version des alternativen Diskettenbetriebssystems gewählt werden, die zwecks Wahrung größtmöglicher Softwarekompatibilität zu handelsüblichen C64-Programmen nur die schnellen Laderoutinen enthält. Im C128-Modus bietet Dolphin DOS 128 neben schnelleren Lade- und Speicheroperationen auch eine beschleunigte Formaterkennung sowie eine schnellere Autoboot-Funktion. Die mitgelieferte Zusatzplatine ersetzt den VC1571-Hauptprozessor MOS 6502A, der zu diesem Zweck herausgenommen bzw. bei nicht gesockelten CPUs ausgelötet und wieder in die Zusatzplatine eingesteckt werden muss. Die Zusatzplatine wird per Flachbandkabel an den Userport angeschlossen.[593] 1989 erschien eine verbesserte Version von DolphinDOS 128 mit nur einem EPROM-Chip für 220 DM.[594]

JiffyDOS 128

Der US-amerikanische Hersteller Creative Micro Designs brachte 1989 den erfolgreichen, zu den originalen Commodore-Diskettenbetriebssystemen kompatiblen Diskettenlaufwerksbeschleuniger JiffyDOS 128 heraus.[595] JiffyDOS 128 ist sowohl im C64- als auch im C128-Modus lauffähig und erschien in mehreren Versionen, darunter eine 69,95 US$ kostende für den C128D, eine für die VC1571 sowie eine für die VC1581 zum Preis von jeweils 29,95 US$.[596] Zur Inbetriebnahme musste das originale Diskettenbetriebssystem Commodore DOS 3.0 der VC1570/71 bzw. des C128D sowie das Commodore DOS 3.1 des C128D-CR durch einen mitgelieferten, das alternative Diskettenbetriebssystem enthaltenden ROM-Chip ersetzt werden.[597] Mittels eines Kippschalters kann zwischen JiffyDOS 128 und Commodore DOS 3.0 bzw. 3.1 hin und her gewechselt werden.[596] Unter JiffyDOS 128 können mit der VC1570/71 im C128-Modus Geschwindigkeitszuwächse von bis zu 400 Prozent beim Laden und fast 100 Prozent beim Speichern erreicht werden. Mit der VC1581 lassen sich im C128-Modus Daten bis zu sechsmal so schnell laden und bis zu dreimal so schnell speichern.[596][598]

Mach 70/71

Der westdeutsche Anbieter Roßmöller veröffentlichte 1986 mit Mach 70 und Mach 71 Floppy-Speeder jeweils für die VC1570 bzw. VC1571.[517] Die Urversion von Mach 70/71 besteht aus einer Zusatzplatine, die per Flachbandkabel an die Erweiterungsschnittstelle angeschlossen wird. Spätere Varianten werden dagegen an den Userport angebunden. Dadurch kann der Diskettenlaufwerksbeschleuniger gleichzeitig mit Speichererweiterungen, Druckern, Modems und Akustikkopplern betrieben werden. Bis zu vier Diskettenlaufwerke können unter Mach 70/71 gleichzeitig beschleunigt werden. Im Lieferumfang war auch ein Patch mit Anpassungen an das Betriebssystem CP/M-Plus enthalten, sodass der Rechner im CP/M-Modus unter Verwendung des 80-Zeichen Grafikchips im 2-MHz-Modus fast doppelt so schnell laden und speichern kann. Neben einer Zusatzplatine mit der notwendigen Elektronik war im Lieferumfang auch ein ROM-Chip für den freien Steckplatz des C128 mit Kopier- und Hilfsprogrammen enthalten. Zur Inbetriebnahme braucht der VC1571-Hauptprozessor MOS 6502A nicht entfernt zu werden.[599] Beide Versionen für die Stand-Alone-Diskettenlaufwerke VC1570/71 kosteten 259 DM, die Version für die Desktop-Modelle dagegen 298 DM.[600]

Professional DOS

Die westdeutsche VTS Data GmbH brachte 1987 mit Professional DOS einen besonders schnellen Diskettenlaufwerksbeschleuniger heraus, der in allen drei Betriebsmodi verwendet werden kann. Allerdings ist der Geschwindigkeitszuwachs im CP/M-Modus vergleichsweise gering.[600][601] Professional DOS wurde in zwei Varianten angeboten. Die teurere, zunächst für 298 DM erhältliche, später dann auf 258 DM reduzierte Ausführung lässt sich an die Erweiterungsschnittstelle anschließen und erlaubt eine gleichzeitige Verwendung eines Modems bzw. Akustikkopplers. Die zunächst mit 239 DM, später dann 189 DM günstigere und aufgrund der Verwendung eines eigenen Dateiformats um einiges schnellere Ausführung wird über den Userport mit dem Rechner verbunden, gestattet aber im Gegensatz zur teureren Variante keine gleichzeitige Datenfernübertragung. Beide Varianten erlauben auch im C64-Modus die Verwendung des numerischen Ziffernblocks. Zur Installation muss der VC1571-Hauptprozessor MOS 6502A aus seinem Sockel entfernt und in eine mitgelieferte Zusatzplatine eingesteckt werden, die über zwei EPROM-Chips mit der Betriebssoftware verfügt und ihrerseits per Flachbandkabel an den Prozessorsockel angeschlossen wird. Nicht gesockelte Hauptprozessoren müssen vor der Inbetriebnahme ausgelötet werden.[602]

ProSpeed

Von dem westdeutschen Unternehmen Lamm Computersysteme stammt das 1987 auf den Markt gebrachte und an den Userport anzuschließende, jedoch nicht unter CP/M lauffähige Prospeed 71 mit um den Faktor 27 gesteigerter Ladegeschwindigkeit, zusätzlichen Diskettenbefehlen und integriertem Kopierprogramm für 198 DM.[603][604] Beim Einbau der mitgelieferten Zusatzplatine braucht der VC1571-Hauptprozessor MOS 6502A nicht ausgelötet zu werden. Überdies erhöht die Betriebssoftware die Softwarekompatibilität der VC1571 zum Vorgängermodell VC1541 durch Spiegelung der erweiterten Zeropage ab Speicheradresse $2000, da einige C64-Programme entgegen den Empfehlungen des Herstellers auf diesen Bereich zugreifen. Unter ProSpeed 71 wird außerdem der numerische Ziffernblock des C128 auch im C64-Modus aktiviert.[605]

Aus dem gleichen Haus stammt auch der noch leistungsfähigere, sowohl im C64- als auch im C128-Modus arbeitende Floppy-Speeder ProSpeed GTI für 248 DM.[606] Dessen 1989 veröffentlichter Nachfolger ProSpeed GTI 2.0 besteht aus einer Zusatzplatine u. a. mit einem I/O-Baustein des Typs MOS 6526 sowie einem freien Steckplatz für das zwecks Wahrung größtmöglicher Softwarekompatibilität von der Hauptplatine zu entfernende Betriebssystem-ROM, das seinerseits durch einen EPROM-Chip mit den schnellen Datenübertragungsroutinen des ProSpeed-Diskettenbetriebssystems sowie gleich drei Kopierprogrammen ersetzt werden muss.[607] Da das ProSpeed-Diskettenbetriebssystem einen höheren Kompatibilitätsgrad zum originalen Commodore DOS 3.0 des C128 bzw. C128D aufweist als das im C128D-CR implementierte Commodore DOS 3.1, lassen sich fast alle auf dem C128D-CR im Auslieferungszustand ohne Weiteres nicht lauffähigen Programme auf einem C128D-CR mit ProSpeed GTI 2.0 problemlos betreiben.[608]

Sonstige

Der US-amerikanische Anbieter Access Software veröffentlichte 1986 mit Mach 128 für 49,95 US$ einen an die Erweiterungsschnittstelle anzuschließenden Floppy-Speeder mit Hilfsprogrammpaket sowie eigenen festgespeicherten Diskettenbetriebssystemroutinen, der sich sowohl im C64- als auch im C128-Modus verwenden lässt und die Ladezeiten in beiden Betriebsarten ungefähr um das Fünf- bis Zehnfache beschleunigt.[609][610]

Mit Magic Formel 128 vom westdeutschen Unternehmen Grewe Computertechnik erschien 1988 ein weiterer Floppy-Speeder für 238 DM.[611]

Beschleunigerkarte

CPU des Typs WDC 65816

Creative Micro Designs brachte mit der SuperCPU 128 (auch SuperCPU v2) für 259 US$ als einziger Hardwarehersteller im März 1998 und damit neun Jahre nach Produktionseinstellung noch eine auf Erhöhung der Arbeitsgeschwindigkeit des Rechners ausgerichtete Beschleunigerkarte für den C128 auf den Markt.[612]

Das an die Erweiterungsschnittstelle anzuschließende Modul mit durchgeschleiftem Platinenstecker verfügt über 256 kB statisches RAM, bis zu 512 kB ROM sowie einen wahlweise zuschaltbaren, auf 20 MHz getakteten 16-Bit-Hauptprozessor des Typs Western Design Center 65816 (kurz WDC 65816), der sowohl zum MOS 6510 als auch zum MOS 8502 abwärtskompatibel ist. Der Festspeicher enthält die für den C64- bzw. C-128-Modus notwendigen Betriebssystemroutinen sowie das alternative Diskettenbetriebssystem JiffyDOS zur Beschleunigung der angeschlossenen Diskettenlaufwerke. Die mit eigener Statusanzeige ausgestattete Beschleunigerkarte weist überdies drei Kippschalter zum Ein- und Ausschalten des Moduls, Aktivieren des integrierten Floppy-Speeders sowie zur Inbetriebnahme des 20-MHz-Modus auf.[613]

EPROM-Programmiergeräte

Mit dem Quickbyte II und dem Pulsar 128 gaben die westdeutschen Unternehmen Jann Datentechnik und Roßmöller jeweils eigene 8-Bit-EPROM-Programmiergeräte für den C128-Modus heraus. Beide umgangssprachlich auch als EPROM-Brenner bezeichneten Geräte werden über die Erweiterungsschnittstelle angeschlossen. Der Pulsar 128 belegt zusätzlich den Userport. Die Spannungsversorgung beider Brenner erfolgt über den Rechner. Die Betriebssoftware des Pulsar 128 muss von Diskette geladen werden, während die des Quickbyte II in Form eines ROM-Chips ins Gerät integriert ist. Zum Lieferumfang beider EPROM-Programmiergeräte gehörten außerdem ein zusätzliches Softwarepaket mit Maschinensprachemonitor und Hilfsprogrammen für die Dateiverwaltung.[614] Die Treibersoftware des mit durchgeschleifter Erweiterungsschnittstelle ausgestatteten Quickbyte II wird nach dem Einschalten des Rechners automatisch initialisiert.[615] Die Betriebssoftware des sich mit insgesamt 24 verschiedenen EPROM- bzw. EEPROM-Typen verwenden lassenden Quickbyte II verfügt ferner über ein optional zuschaltbares Schnellladeprogramm. Der Brenner besitzt aber kein die Elektronik schützendes Gehäuse.[616]

Auch das ebenfalls westdeutsche Unternehmen Alcomp bot ein 8-Bit-EPROM-Programmiergerät für den C128-Modus an. Das als C64/C128-Eprommer bezeichnete, auch im C64-Modus verwendbare Gerät besitzt ein viereckiges Gehäuse mit aufgesetztem Sockel zur Aufnahme des EPROM-Chips und wird an den Userport des C128 angeschlossen, über den es auch seine Betriebsspannung bezieht. Der C64/C128-Eprommer kann mit sämtlichen damals gängigen EPROM-Typen mit bis zu 64 kB Speicherkapazität verwendet werden und erkennt selbständig die notwendige Programmierspannung. Die Betriebssoftware für den C64-Modus sowie den C128-Modus wurde auf Diskette mitgeliefert und arbeitet mit einem Fenstersystem.[617]

Sonstige

Zahlreiche Unternehmen wie Alcomp, Dela Elektronik, Jann Datentechnik, Klemmer & Schulter, Markt+Technik, Mükra, Message Computer, Rex Datentechnik oder Roßmöller produzierten weitere, an die Erweiterungsschnittstelle bzw. den Userport des C128 anzuschließende Hardwarezusätze wie für den Anschluss von Druckern, Plottern und Messgeräten benötigte IEEE-488-Schnittstellen, Schaltinterfaces, Betriebssystem-Umschaltplatinen, EPROM-Bänke, Schnittstellenweichen oder Mehrfach-Steckplätze.[618][619]

Roßmöller entwickelte ferner mit den Modellen Stereo 128 eine Stereo-Soundkarte, CP/M 128 eine schneller als die C128-Portierung von CP/M-Plus arbeitende CP/M-Steckkarte, PAL 128 ein Programmiergerät für Logikgatter sowie Shugart 128 einen Controller für bis zu vier Diskettenlaufwerke für den C128.[517] Das Ingenieurbüro Hollmann brachte einen EPROM-Chip mit deutschem Zeichensatz für den CP/M-Modus heraus.[517] Ein weiteres EPROM für gestochen scharfe Textausgabe im 80-Zeichen-Modus namens Graphic Editor 128 erschien von der Combo AG.[620]

Das US-amerikanische Unternehmen Ketek bot mit dem Command Center für 149,95 US$ ein alternatives Gehäuse mit integriertem Netzteil und Lüfter an, in dem ein C128 sowie zwei VC1571 untergebracht werden können. Das Command Center verfügt außerdem über einen Telefonanschluss sowie einen Hauptnetzschalter, über den sich Rechner und Diskettenlaufwerke gleichzeitig an- und ausschalten lassen.[621]

Zubehör

Das westdeutsche Unternehmen Idee-Soft brachte eine Tastaturschablone mit Übersichten der Befehlssätze des Commodore BASIC V7.0 sowie des Maschinensprachemonitors auf den Markt. Überdies enthielt die Tastaturschablone Informationen über den ASCII-Zeichencode, die CP/M-Funktionscodes, nützliche POKE-Befehle, Hilfsgrafiken für die Erstellung von Sprites und Erläuterungen zu den Fehlermeldungen des C128.[622] Ferner wurden Abdeckhauben aus Kunststoff sowie Staubschutzhüllen aus Vinyl von diversen Anbietern wie etwa dem US-amerikanischen Unternehmen Omicron Industries im Rahmen der Classic-Covers-Serie auf den Markt gebracht.[623]

Software

Die für die drei Betriebsmodi des C128 erhältliche Software lässt sich in Systemprogramme, native und optionale höhere Programmiersprachen, maschinennahe Programmiersprachen, Lernprogramme, Anwendungsprogramme und Spiele klassifizieren. Insgesamt wurden schätzungsweise 10.000 auf dem C128 lauffähige kommerzielle Programme entwickelt und veröffentlicht.[624]

Zum Zeitpunkt der Markteinführung existierte bereits ein sehr umfangreiches Softwareangebot für den C64-Modus, das zwar unterschiedlichste Einsatzgebiete abdeckte, aber keinen Gebrauch von der weiterentwickelten Hardware des C128 machte. Der C128-Modus wurde dagegen von den Softwarehäusern zum Ärger der Anwender vernachlässigt. Insbesondere auf dem Gebiet der Spiele blieb das Angebot überschaubar.[165][179][625][626] Den Löwenanteil der für den C128-Modus geschriebenen kommerziellen Software machen Anwendungsprogramme wie Textverarbeitungen, Grafikprogramme, CAD-Anwendungen, Datenbankanwendungen, Steuer- und Finanzsoftware, Tabellenkalkulationen sowie Büroanwendungen aus.[202][627]

Für den Betrieb unter CP/M-Plus gab es sowohl kostenlose Public-Domain-Software als auch zahlreiche professionelle Anwendungsprogramme, die hauptsächlich von US-amerikanischen Anbietern stammten. In Europa war diese Anwendungssoftware oft nur schwer erhältlich und zudem aufgrund der hohen Importkosten für viele Endverbraucher unerschwinglich.[628] So kosteten die meisten professionellen CP/M-Programme 1985 in Westdeutschland noch um die 1000 DM. Ab dem vierten Quartal des Jahres 1985 fielen die Preise für kommerzielle CP/M-Anwendungen jedoch auf durchschnittlich rund 200 DM.[629][630] Grund hierfür war die zunehmende Verbreitung von kostengünstigen CP/M-Rechnern wie eben dem C128 oder den Heimcomputermodellen der Schneider-CPC-Serie, die vorübergehend noch einmal für eine deutliche Vergrößerung der Anwenderbasis des bereits seit zehn Jahren erhältlichen, aber zunehmend von MS-DOS bzw. PC-DOS verdrängten CP/M-Betriebssystems sorgte.[631]

Systemprogramme

Da der C128 mit dem C64-Modus, dem C128-Modus und dem CP/M-Modus über gleich drei unabhängig voneinander operierende Betriebsmodi verfügt, besitzt er eine entsprechend umfangreiche Systemsoftware. Ihre Hauptaufgabe besteht in der Vermittlung zwischen den im Arbeitsspeicher abgelegten Anwenderprogrammen und der Hardware des Rechners. Dafür stehen den Betriebssystemen des C128 jeweils eigene Systemprogramme zur Verfügung, die verschiedene Verwaltungs- und Dienstleistungsfunktionen übernehmen. Zur Verwaltung zählt neben der Fehlerbearbeitung insbesondere die Steuerung der Datenflüsse zwischen Mikroprozessoren, Arbeitsspeicher, Tastatur und Peripheriegeräten.[632] An Dienstleistungen stellen die jeweiligen Betriebssysteme dem Anwender beispielsweise Programmiersprachen mit Interpreter, Texteditoren sowie Dateiverwaltungsprogramme zur Verfügung. Die für den C64- sowie den C128-Modus benötigten Systemprogramme befinden sich im Gegensatz zum CP/M-Modus im Festspeicher und sind daher direkt nach dem Einschalten einsatzbereit. Aufgrund der Autonomie der einzelnen Betriebssysteme ist der Wechsel von einer Betriebsart zur anderen nur bedingt möglich und setzt das Löschen der aktuellen Programmspeicherinhalte voraus.[633]

Ab 1986 veröffentlichte das US-amerikanische Softwareunternehmen Berkeley Softworks die grafische Benutzeroberfläche GEOS in jeweils eigenen Versionen für den C128- bzw. C64-Modus als bedienungsfreundliche und zeitgemäße Alternative zu den drei ursprünglichen, ab Werk implementierten Betriebssystemen, die umständliche Kommandozeileninterpreter verwenden und tiefergehende Computerkenntnisse seitens des Anwenders voraussetzen. Die C128-Version GEOS 128 stellte im deutschsprachigen Raum die beliebteste Software für den C128 dar.[181]

C64-Betriebssystem

Startbildschirm des C64-Modus mit Prompt und Einschaltmeldung im 40-Zeichen-Modus
Startbildschirm des C128-Modus mit Prompt und Einschaltmeldung im 40-Zeichen-Modus

Im C64-Modus besteht eine nahezu vollständige Softwarekompatibilität zwischen C64 und C128. Darüber hinaus kann der C128 im C64-Modus auch mit dem Commodore BASIC V2.0 programmiert werden.[634]

Auch die eigens für den C128 entwickelten 5¼-Zoll-Diskettenlaufwerke der Typen VC1570 und VC1571 besitzen eine auf den C64-Modus abgestimmte Betriebsart, in der sie sich wie eine VC1541 verhalten.[293] Allerdings laufen manche Programme mit vielen Diskettenzugriffen oder aufwändigem Kopierschutz nicht einwandfrei auf diesen Modellen.[34][635]

Eine Besonderheit des C128 besteht darin, dass verschiedene, beim ursprünglichen C64 nicht zur Verfügung stehende Hardwareeigenschaften im C64-Modus zum Einsatz gebracht werden können. Beispielsweise kann die 2-MHz-Taktfrequenz des Hauptprozessors MOS 8502 auch in dieser Betriebsart verwendet werden. Wie im C128-Modus schaltet der Grafikchip VIC IIe allerdings dann das Videosignal ab.[636]

Es gibt vier Möglichkeiten, in den C64-Modus zu gelangen: Erstens, man drückt beim Hochfahren des Rechners gleichzeitig die Commodore-Taste; zweitens, man drückt den Reset-Knopf und hält die Commodore-Taste gedrückt; drittens, man gibt im C128-Modus einfach den BASIC-Befehl GO64 ein, drückt die Return-Taste und bestätigt die automatische Sicherheitsabfrage; oder viertens, man schiebt vor dem Hochfahren einfach ein C64-Steckmodul in die Erweiterungsschnittstelle und schaltet dann den Rechner ein.[634] Es gibt keine Möglichkeit, vom CP/M-Modus aus direkt in den C64-Modus überzuwechseln.[634] Vom C64- zurück in den C128-Modus wiederum gelangt man nur durch einen Reset oder Neustart.

C128-Betriebssystem

Der C128-Modus stellt die grundlegende Betriebsart des C128 dar. Das C128-Betriebssystem ist für die Konfiguration der Hardware des C128 und des Commodore BASIC V7.0 verantwortlich. Es besteht aus einem für die Daten-, Geräte- und Prozessverwaltung verantwortlichen Betriebssystemkern (englisch CBM Kernal) mit 58 Unterprogrammen für verschiedenste grundlegende Aufgaben wie etwa der Einstellung der Systemparameter nach dem Einschalten oder der Bearbeitung von Interrupts,[637] einem Texteditor zur Eingabe von BASIC-Befehlen und -Programmen sowie einem Maschinensprachemonitor.[638] Dieser unterstützt den Anwender bei der Erstellung von Programmen in Assemblersprache und verfügt über 14 Anweisungen.[639] Außerdem ist der Betriebssystemkern für die Ausführung sämtlicher im Arbeitsspeicher abgelegter Programme zuständig. Am Ende des vom Betriebssystemkern belegten Speicherbereichs von $FF40 bis $FFF9 befindet sich eine Sprungtabelle mit den Einsprungadressen zum Aufruf der Unterprogramme des Betriebssystems.[640] Alle auch vom C64 verwendeten Betriebssystemroutinen besitzen zur Wahrung der Softwarekompatibilität im C128-Betriebssystemkern die gleiche Einsprungadresse wie beim Vorgängermodell. Auch Zeropage und Systemvariablen befinden sich an den vom C64 her gewohnten Stellen des Arbeitsspeichers.[641]

Nach dem Einschalten bzw. einem Hardware-Reset werden zunächst einige BASIC-Routinen sowie sämtliche für die Verwendung durch Anwendungsprogramme gedachte Betriebssystemroutinen vom Festspeicher in einen besonderen, 1 kB großen Bereich des Arbeitsspeichers kopiert (englisch Common Area).[642] Bei angeschlossenem Diskettenlaufwerk wird überdies ein Autoboot ausgeführt.[643] Danach wird der Startbildschirm angezeigt und der BASIC-Interpreter wartet auf Eingaben des Anwenders.[644] Per Tastendruck kann vor der Inbetriebnahme des Rechners zwischen einer Bildschirmdarstellung von 40 und 80 Zeichen pro Zeile gewählt werden.[645]

Insgesamt umfasst das komplett in Maschinensprache programmierte C128-Betriebssystem rund 16 kB ROM.[640] Davon entfallen 12 kB auf den Betriebssystemkern nebst Sprungtabelle und 4 kB auf den Maschinensprachemonitor.[646] Zwar wurde die Betriebssystemsoftware des C128 mehrfach überarbeitet, alle Revisionen enthalten jedoch die unveränderte Sprungtabelle des CBM Kernal. Deshalb sind sie unter der Voraussetzung des Verzichts auf wilde, unter Umgehung der Sprungtabelle vorgenommene Einsprünge ins Betriebssystem untereinander hundertprozentig softwarekompatibel.[647]

Über den eigentlich dem Aufruf von Maschinenspracheprogrammen dienenden BASIC-Befehl SYS32800,123,45,6 lässt sich ein Easter Egg mit den Namen der Entwickler der C128-Systemsoftware und der pazifistischen Botschaft „Link arms, don’t make them“ aufrufen.[648]

CP/M-Plus-Betriebssystem

Startbildschirm des CP/M-Modus in der Urversion vom 1. August 1985 mit Einschaltmeldung, Prompt und Disketteninhaltsverzeichnis im 80-Zeichen-Modus

Als dritte Betriebsart ist die Verwendung des diskettenbasierten, für 8-Bit-Rechner mit Z80-Hauptprozessor und 128 kB Arbeitsspeicher konzipierten Betriebssystems CP/M-Plus (englisch Control Program for Microcomputers) sowohl im 40- als auch im 80-Zeichen-Modus auf dem C128 möglich.[649][650] Allerdings ist ein CP/M-Betrieb auf dem C128 ausschließlich unter Verwendung des US-amerikanischen ASCII-Zeichensatzes möglich, nicht aber der landestypischen Zeichensätze.[651] Das ab 1973 unter der Führung von Gary Kildall entwickelte CP/M wurde 1975 erstmals in der Version 1.4 für Rechner mit Hauptprozessoren des Typs Intel 8080 sowie 8-Zoll-Diskettenlaufwerke von IBM kommerziell angeboten und schließlich 1977 als eigene Marke von Digital Research eingetragen.[652] CP/M gilt als das erfolgreichste plattformunabhängige 8-Bit-Betriebssystem überhaupt mit dem weltweit größten Softwareangebot.[653][654] Ende 1985 boten über 300 Computerhersteller weltweit CP/M-fähige Rechner an, darunter auch der Branchenführer IBM.[655]

Gegenüber dem standardsetzenden, auf Rechner mit maximal 64 kB Arbeitsspeicher ausgelegten Vorgänger CP/M 2.2 von 1979/80 (daher auch als CP/M-80 bezeichnet) bietet das vollständig abwärtskompatible CP/M-Plus (auch CP/M 3.0) aus dem Jahr 1983 eine erweiterte Funktionalität mit größerem Arbeitsspeicher sowie zusätzlichen Befehlen[656] und ist auf kleinere Diskettengrößen wie 5¼ Zoll oder 3 Zoll zugeschnitten.[657][658][659][660]

Am 1. August 1985 wurde die erste C128-Portierung von CP/M-Plus veröffentlicht, die zum Lieferumfang des Rechners gehörte.[661] Im Gegensatz zur Mehrheit der auf anderen Rechnern umgesetzten CP/M-Plus-Versionen umfasst sie weder ein benutzerfreundliches Assemblerprogramm noch einen Debugger.[662] Die C128-Portierung stellt 59 kB als freien Programmspeicher (englisch Transient Program Area, kurz TPA) zur Verfügung.[663] Das erste Update mit zusätzlicher Druckerunterstützung, aber irrtümlich weggelassenem Treiber für die serielle Schnittstelle erschien am 8. Dezember 1985.[661][664][665] Ohne Zusatzsoftware konnte daher unter CP/M-Plus keine etwa zur Datenfernübertragung über ein Modem notwendige RS232C-Schnittstelle verwendet werden.[666]

Am 28. Mai 1987 veröffentlichte Commodore das zweite und letzte, das 3½-Zoll-Diskettenlaufwerk VC1581 sowie die Speichererweiterungen der Typen 1700, 1750 und 1764 unterstützende CP/M-Plus-Update für den C128, dessen TPA zur Unterbringung der dazu nötigen Systemroutinen auf 58 kB reduziert werden musste.[667][668] Das Update enthält jedoch irrtümlicherweise nicht das zur Auswahl der Druckerschnittstelle und des deutschen Zeichensatzes notwendige Konfigurationsprogramm.[669]

Softwarearchitektur
Digital Research-Logo (1985)
CP/M-Plus-Systemdiskette (1985)

Wie alle CP/M-Versionen besteht auch CP/M-Plus aus drei in Maschinensprache programmierten Komponenten: dem monolithischen Betriebssystemkern BDOS (englisch Basic Disk Operating System), dem modularen, für die Regelung der Ein- und Ausgabeoperationen zuständigen BIOS (englisch Basic Input/Output System) sowie dem als Benutzeroberfläche dienenden Kommandozeileninterpreter CCP (englisch Console Command Processor).[670]

Das BDOS steuert mittels 69 geräteunabhängigen, bei allen CP/M-Plus-Rechnern identischen Systemroutinen mit genormten Einsprungadressen – den sogenannten BDOS-Funktionen – sämtliche Diskettenoperationen, die Tastaturabfrage, die Zeichenausgabe über Monitor und Drucker sowie den Arbeitsspeicher.[670][671][672][673] Im Vergleich zur Vorgängerversion CP/M 2.2 besitzt CP/M-Plus damit 28 neue BDOS-Funktionen.[674] Das ebenfalls feste Einsprungadressen verwendende, eine Ebene unter dem BDOS operierende BIOS dagegen fungiert als Bindeglied zwischen den standardisierten BDOS-Funktionen und der herstellerspezifischen Hardware des jeweiligen CP/M-Rechners, indem es auf Veranlassung des Betriebssystemkerns seine zur Steuerung der entsprechenden Hardwarekomponenten implementierten 30 Unterprogramme aufruft.[657][675][676][677] Deshalb benötigt auch jeder CP/M-Rechner ein herstellereigenes BIOS. Das BIOS des C128 enthält Systemroutinen sowohl in der Maschinensprache des Z80A als auch in der des MOS 8502.[675][486] Die in der Maschinensprache des MOS 8502 geschriebenen Unterprogramme sind für die Ansteuerung von Tastatur, Bildschirm, Drucker und Diskettenlaufwerken verantwortlich und übernehmen im Bedarfsfall die Kontrolle vom Z80A.[630] Außerdem erlauben sie Zugriffe auf beide Grafikchips und den Soundchip des C128.[675][486]

Bootvorgang und Befehlsvorrat

Da es sich bei CP/M-Plus nicht um ein im Festspeicher residierendes Betriebssystem handelt, muss es bei Inbetriebnahme des Rechners erst von Diskette gebootet werden.[678][679] Die CP/M-Plus-Betriebssystemsoftware umfasst zwei Dateien: Während BDOS und BIOS gemeinsam unter dem Dateinamen CPM+.SYS abgelegt sind, enthält die Datei CCP.COM den Kommandozeileninterpreter CCP.[680] In den CP/M-Modus gelangt man entweder durch das Einlegen der CP/M-Plus-Systemdiskette bei einem System-Reset bzw. System-Neustart oder durch Eingabe des BASIC-Befehls BOOT bei eingelegter CP/M-Plus-Systemdiskette vom Commodore-BASIC-V7.0-Interpreter aus.[681] Während des Hochladens erscheint auf dem Bildschirm die Meldung Booting CP/M Plus. Nach dem Hochfahren wartet der Kommandozeileninterpreter auf Eingaben des Anwenders.[682] Durch gleichzeitiges Drücken der Control-Taste sowie der Enter-Taste lässt sich im CP/M-Modus ein Reboot des CP/M-Plus-Betriebssystems durchführen.[683] Vom CP/M-Modus aus kann man nur durch das Betätigen der Reset-Taste oder einen System-Neustart zurück in den nativen C128-Modus gelangen.[684]

CP/M-Plus verfügt ferner über dauerhaft in den Arbeitsspeicher geladene, jederzeit ausführbare Befehle (englisch resident commands) und über nur bei Bedarf in den Arbeitsspeicher geladene Befehle (englisch transient programs). Insgesamt umfasst der Befehlsvorrat 31 Kommandos.[685] Die insgesamt sechs speicherresidenten Befehle DIR, DIRSYS, ERASE, RENAME, TYPE und USER beziehen sich vor allem auf Dateien und Diskettenoperationen.[686][687] Grundlegende transiente Befehle wie DATE, HELP, INITDIR, SET, SETDEF, SHOW und SUBMIT erlauben das Anzeigen von Systemdateien, die Veränderung von Datensuchpfaden, das Einstellen von Zugriffsrechten über Passwörter und die Verwendung von Zeitstempeln zur Erleichterung der Archivierung von Dateien.[688][689] Der Hauptvorteil der Auslagerung der transienten Befehle auf Diskette bestand im Einsparen von Speicherplatz.[690]

Speicherorganisation und Arbeitsgeschwindigkeit

Die Speicherorganisation des C128 unterscheidet sich im CP/M-Modus von den übrigen Betriebsarten. Beide Speicherbänke teilen sich einen 8 kB umfassenden, von $E000H bis $FFFFH reichenden Speicherbereich, der als jederzeit vom Hauptprozessor ohne Bank Switching zugängliche Schnittstelle zwischen den Speicherbänken fungiert. Der gemeinsame Speicherbereich enthält diverse Hardware-Puffer, die ungebankten Komponenten von BDOS und BIOS sowie einen kleinen, 3,5 kB großen Teil der TPA. Die Speicherbank eins besteht größtenteils aus dem Rest der von $E0010 bis $0100H liegenden, insgesamt 59 kB umfassenden TPA und enthält zusätzlich von $0000H bis $0100H die primär der Kommunikation zwischen Betriebssystem und Anwenderprogrammen dienende, 256 Bytes umfassende Base Page (auch Zero Page).[691] Die übrigen, gebankten Bestandteile von BDOS und BIOS sowie der CCP werden in die Speicherbank null geladen.[692] Die 4 kB umfassenden, nicht dem gemeinsamen Speicherbereich zugehörigen BIOS-Komponenten werden beim Hochladen von der MMU in den Speicherbereich von $0000 bis $1000 der Speicherbank null kopiert.[693] Den Rest der Speicherbank null nehmen neben den nicht im gemeinsamen Speicherbereich liegenden BDOS-Bestandteilen sowie einem 4 kB großen Puffer für den CCP bestimmte CP/M-Plus-Diskettenbefehlsroutinen ein, die daher im Gegensatz zur Vorgängerversion nicht alle fortlaufend von Diskette nachgeladen werden müssen und CP/M-Plus einen Geschwindigkeitsvorteil gegenüber CP/M 2.2 verschaffen.[694]

Im CP/M-Modus arbeitet der C128 aber dennoch „relativ langsam“.[204] Die Gründe hierfür sind in bestimmten Eigenheiten der Systemarchitektur des C128 zu suchen. Das im Vergleich zum üblichen CP/M 2.2 umfangreichere und komplexere CP/M-Plus führt nicht selbst die Ein- und Ausgabeoperationen aus, sondern überlässt diese dem Hauptprozessor MOS 8502. Dieser ist aber mit 2,04 MHz deutlich niedriger getaktet als gewöhnliche CP/M-Rechner, die es meist auf 4 MHz bringen. Daher muss die an sich schnelle Z80A-CPU ständig zahlreiche Waitstates durchlaufen, bis der MOS 8502 diese Aufgaben abgearbeitet hat.[695][696] Obendrein verwendet der C128 für Diskettenzugriffe seine serielle Schnittstelle, die aber länger für das Übertragen von Daten braucht als herkömmliche CP/M-Systeme.[697] So liegt die durchschnittliche Schreib-/Lesegeschwindigkeit selbst bei Verwendung des neuentwickelten schnellen 5¼-Zoll-Diskettenlaufwerks VC1571 bei lediglich gut 3 kB pro Sekunde, während konventionelle CP/M-Systeme um die 20 kB erreichen.[695] Das Arbeiten mit umfangreichen Datensätzen wurde deshalb für die CP/M-Anwender häufig „zur Geduldsprobe“.[698] Durch den Einsatz von Speichererweiterungen wie etwa den RAM Expansion Units der Typen 1700 bzw. 1750 als RAM-Disks lässt sich die Arbeitsgeschwindigkeit unter CP/M-Plus allerdings um das Zehn- bis Fünfzehnfache steigern.[699]

Diskettenbetriebssysteme

Bei den beiden Diskettenbetriebssystemen Commodore DOS 3.0 (auch CBM DOS 3.0) sowie Commodore DOS 3.1 (auch CBM DOS 3.1) handelt es sich um Firmware, die nicht im Festspeicher des C128 selbst, sondern in den ROM-Chips des eigens für den Rechner entwickelten 5¼-Zoll-Diskettenlaufwerks VC1571 bzw. dessen im Falle der Desktop-Modelle C128D sowie C128D-CR ins Rechnergehäuse integrierten Varianten residiert. Beide Versionen bilden den direkten Nachfolger des für die VC1541 des C64 geschriebenen Commodore DOS 2.6.[700] Das native Commodore BASIC V7.0 des C128 verfügt über insgesamt 17 Diskettenbefehle zum komfortablen Aufruf der unterschiedlichen Funktionen von Commodore DOS 3.0/3.1.[701] Die beiden für die Bürorechner der CBM-Reihe entwickelten Festplattenlaufwerke D9060 und D9090 besitzen ebenfalls ein jedoch nicht mit der Systemsoftware der VC1571 identisches Diskettenbetriebssystem mit der Bezeichnung Commodore DOS 3.0.[702]

Commodore DOS 3.0

Die Diskettensystemsoftware des ab 1985 in drei Versionen auf den Markt gebrachten Commodore DOS 3.0 umfasst insgesamt 32 kB ROM.[703] Sie belegt den Adressbereich von $8000 bis $FFFF des laufwerkseigenen Speichers.[704] Die Sprungtabelle des Commodore DOS 3.0 liegt zwischen $BF00 und $BFFF.[705] Zwecks Gewährleistung größtmöglicher Kompatibilität zur VC1541 im C64-Modus enthält das Diskettenbetriebssystem der VC1571 in nahezu unveränderter Form im Adressbereich von $C100 bis $FFFF das gesamte Commodore DOS 2.6 und im Adressbereich von $8000 bis $BFFF die hinzugefügten Unterprogramme des neuen Commodore DOS 3.0.[706] Dazwischen liegt von $C000 bis $C0FF ein „unbenutzter Leerbereich“.[707]

Systemroutinen, Diskettenformate und Befehlssatz

Lediglich drei wirklich neue Funktionen wurden dem Commodore DOS 3.0 gegenüber dem weitverbreiteten Vorgänger hinzugefügt.

Erstens wurde es mit zusätzlichen Steuerroutinen zur Verwendung der in der VC1571 verbauten Lichtschranke sowie zur Regulierung der über zwei Schreib-/Leseköpfe verfügenden Laufwerksmechanik ausgestattet.[706]

Zweitens wurde das Commodore DOS 3.0 um Systemroutinen erweitert, die neben dem bis dahin ausschließlich von Commodore unter Einsatz des gruppencodierten Datenaufzeichnungsverfahrens implementierten GCR-Format (englisch Group Coded Recording) eine Verwendung von Disketten im MFM-Format (englisch Modified Frequency Modulation) erlauben.[679][706][708] Das mithilfe eines Floppy-Disk-Controllers des Typs WD1770 von Western Digital erzeugte MFM-Format gestattet der VC1571 den Datenaustausch mit den CP/M-Rechnern von Osborne, Kaypro (Kaypro II und IV), Epson und IBM (CP/M-86).[709][710] Das Format CP/M-86 erlaubt ferner den Datenaustausch mit den Heimcomputern der Modellreihe Schneider CPC, sofern anstelle der standardmäßigen 3-Zoll-Diskettenlaufwerke von Schneider zusätzliche Zweitlaufwerke für 5¼-Zoll- bzw. 3½-Zoll-Disketten von Fremdherstellern angeschlossen werden.[711][712] Das zur Formatierung in diesen Diskettenformaten nötige Dienstprogramm wurde allerdings erst mit dem Update von 1987 in die CP/M-Plus-Betriebssystemsoftware integriert.[713] Mittels des nicht zur Betriebssystemsoftware gehörenden Hilfsprogramms Jugg’ler lassen sich insgesamt 170 CP/M-Diskettenformate verarbeiten, darunter auch zahlreiche ECMA-Formate.[661][714] Da der Floppy-Disk-Controller WD1770 zu seinem im IBM-PC bzw. IBM-PC XT verwendeten Pendant µPD765 von NEC und dessen Derivaten kompatibel ist, können Rohdaten mittels eines weiteren Hilfsprogramms sogar mit IBM-PC-kompatiblen Rechnern geteilt werden.[715] Mit einer Speicherkapazität von bis zu 200 kB pro Diskettenseite bei einer Sektorengröße von 1024 Bytes übertrifft das MFM-Format das GCR-Format um gut 29 kB.[716][717]

Drittens erhielt das Commodore DOS 3.0 neue Busroutinen zur optimalen Ausnutzung des im Vergleich zum Vorgängermodell deutlich schnelleren seriellen Busses des C128.[706] Diese Busroutinen ermöglichen der VC1571 die Durchführung von Lese- und Schreiboperationen mit hohem Datendurchsatz im C128-Modus sowie im für damalige Verhältnisse extrem schnellen Stoßbetrieb, dem sogenannten Burst-Modus.[718] Bei nur einer Diskettenumdrehung können im Burst-Modus ganze Spuren auf einmal in den Arbeitsspeicher eingelesen werden.[719] Ihre Schnelligkeit verdanken die Busroutinen ihrem vergleichsweise einfachen Aufbau.[720]

Das Commodore DOS 3.0 verwendet teils etwas andere Befehlsparameter, verfügt aber von einer wichtigen Ausnahme abgesehen über den gleichen Befehlssatz wie der Vorgänger Commodore DOS 2.6. Hinzugekommen ist lediglich der vielseitige, etwa zum Einstellen der Geräteadresse, Umschalten zwischen dem VC1541- und dem VC1571-Modus, Aktivieren des Burst-Modus sowie Festlegen des Abstandes zwischen den Sektoren auf der Diskette dienende Befehl „U0“.[721] 31 Fehlermeldungen erleichtern dem Anwender die Fehlersuche.[722]

Softwarearchitektur

Das Commodore DOS 3.0 besteht ferner aus einem Hauptprogramm und einer Unterbrechungsroutine. Das Hauptprogramm verwendet die im Adressbereich von $0000 bis $00FF liegende Zeropage der in der VC1571 verbauten CPU des Typs MOS Technology 6502 (kurz MOS 6502) als sogenannten „Jobspeicher“, in den alle anstehenden Diskettenbefehle und -operationen (englisch jobs) inklusive der notwendigen Parameter für Spurnummer, Sektornummer, Diskettenseite usw. eingetragen werden.[723][724] Die Unterbrechungsroutine emuliert ihrerseits die Logikfunktionen eines vollwertigen Floppy-Disk-Controllers, da viele der Fähigkeiten des von einem Fremdhersteller stammenden WD1770 etwa zur Steuerung der Laufwerksmechanik überhaupt nicht vom Commodore DOS 3.0 verwendet werden und es sich bei den beiden in der VC1571 verbauten Schnittstellenbausteinen des Typs MOS Technology VIA lediglich um einfache „Pseudo-Controller“ mit begrenzten Logikfunktionen handelt.[725] Die Unterbrechungsroutine wird regelmäßig über einen Timer aufgerufen und überprüft den Jobspeicher auf auszuführende Befehle. Dieser Vorgang wird auch als „Jobschleife“ bezeichnet.[724] Nach erfolgreicher Befehlsausführung hinterlässt sie im Jobspeicher eine Rückmeldung, die das Hauptprogramm über die ordnungsgemäß durchgeführten Diskettenoperationen informiert.[724] Der Jobspeicher bzw. die Zeropage liegen im 2 kB umfassenden Arbeitsspeicher der VC1571, der außerdem neben den CPU-Registern des MOS 6502 zahlreiche Puffer etwa für das Zwischenspeichern von Fehlermeldungen, Rechnerbefehlen, gerade bearbeiteten Dateiblöcken usw. enthält.[726]

Da das Diskettenlaufwerk VC1570 Disketten nur einseitig verwenden kann, besitzt es eine eigene Fassung des Commodore DOS 3.0, das in einem 32-kB-ROM-Baustein mit der Nummer 315090-01 untergebracht ist. Von der für die VC1571 programmierten Fassung existieren dagegen zwei Versionen: Die ursprüngliche auf einem ROM-Chip mit der Nummer 310654-03 sowie eine spätere fehlerbereinigte Revision, die nach Markteinführung bekanntgewordene Probleme etwa bei der Positionierung des Schreib-/Lesekopfes auf der zweiten Diskettenseite oder der zur Angabe der freien Diskettenblöcke dienenden BAM-Anzeige (englisch Block Availability Map) beseitigt und auf einem ROM-Baustein mit der Nummer 310654-05 zu finden ist.[727][728] Die Revision erhöht deutlich sowohl die Geschwindigkeit der Datenübertragung als auch die Stabilität des Diskettenbetriebssystems.[729] Der entsprechende ROM-Chip konnte über den Commodore-Kundenservice bezogen werden. Wer sich den Selbsteinbau nicht zutraute, konnte den Eingriff aber auch kostenlos in einer Commodore-Kundenwerkstatt durchführen lassen.[730] Zwecks Gewährleistung vollständiger Softwarekompatibilität enthalten sämtliche Versionen des Commodore DOS 3.0 identische Fassungen der Sprungtabelle.[647]

Commodore DOS 3.1

Beim 1987 fertiggestellten Commodore DOS 3.1 handelt es sich um das auf den Betrieb mit dem C128D-CR ausgelegte Diskettenbetriebssystem der VC1571. Zur Steuerung des internen 5¼-Zoll-Diskettenlaufwerks wurde beim C128D neben zwei Schnittstellenbausteinen des Typs MOS Technology VIA ein als Buscontroller agierender Schnittstellen-Adapter des Typs MOS Technology CIA mit Echtzeituhr verbaut, dessen Fähigkeiten im Betrieb allerdings – ähnlich wie beim Floppy-Disk-Controller WD1770 – nur teilweise in Gestalt seines seriellen Schieberegisters eingesetzt werden, während gleichzeitig die Schieberegister der beiden Schnittstellenbausteine ungenutzt bleiben.[731] Vor der Markteinführung des C128D-CR überarbeitete Commodore die Hardware des C128D. Daher wurden der MOS Technology CIA sowie der WD1770 zum neu entwickelten MOS 5710 zusammengefasst. Dieser Floppy-Disk-Controller wurde ausschließlich in diesem Modell eingesetzt.[732] Zwar verringerte der MOS 5710 die Produktionskosten und konnte ebenfalls die die Diskettenformate der CP/M-Rechner von Osborne, Kaypro, Epson sowie IBM lesen und schreiben. Auf weitere Formate ließ sich der neue Floppy-Disk-Controller im Gegensatz zum WD1770 jedoch nicht programmieren.[433] Die beim C128D noch auf einer eigenen Nebenplatine untergebrachten Bausteine des ins Rechnergehäuse eingelassenen 5¼-Zoll-Diskettenlaufwerks wurden überdies beim C128D-CR in die Hauptplatine integriert.[436]

Neben der Verschaltung musste natürlich auch die ursprüngliche Diskettensystemsoftware an die neue, nunmehr höher integrierte Hardwareumgebung angepasst werden. Aus dieser Anpassung ging schließlich das etwas umfangreichere Commodore DOS 3.1 hervor, das einige veränderte bzw. verschobene Systemroutinen sowie einzelne neue Sprunganweisungen enthält, für die zuvor ungenutzte Bereiche des Laufwerkfestspeichers verwendet werden. Darüber hinaus wurde eine Fehlerbereinigung durchgeführt, in deren Rahmen etwa die Sprungtabelle, der Jobspeicher und die Prüfsummenroutine überarbeitet wurden.[428] Diese Veränderungen führen jedoch im C128-Modus bei einigen, auf den älteren Modellvarianten C128 mit VC1571 und C128D problemlos laufenden Anwendungen mit intensiver Nutzung der Routinen des Diskettenbetriebssystems zu Abstürzen.[436][733] Insbesondere hardwarenahe, unter Umgehung der Sprungtabelle Einsprünge in das Diskettenbetriebssystem vornehmende Programme – wie etwa Kopierprogramme – bereiten unter Commodore DOS 3.1 vielfach Probleme.[734][735] Wer die inkompatible Software nicht eigenhändig für den C128D-CR umprogrammieren konnte oder wollte, war letztlich zur Anschaffung eines zusätzlichen, noch das Commodore DOS 3.0 enthaltenden externen Diskettenlaufwerks des Typs VC1571 gezwungen.[428]

Das Commodore DOS 3.1 existiert lediglich in einer Fassung und ist auf einem 32-kB-ROM-Chip mit der Nummer 318047-01 untergebracht.[727] Aufgrund der Ausrichtung auf unterschiedliche Hardwareumgebungen ist eine Ersetzung defekter ROM-Bausteine des Commodore DOS 3.1 durch die unterschiedlichen Varianten des Commodore DOS 3.0 nicht möglich.

Übersicht der Diskettenbefehle des Commodore DOS 3.0/3.1
Diskettenoperationen BASIC-Befehle
Formatieren, Bereinigen und Duplizieren ganzer Disketten HEADER, COLLECT, BACKUP[736][737]
Anzeigen des Disketteninhaltsverzeichnisses DIRECTORY[738]
Laden, Speichern und Verifizieren von Programmen DLOAD, DSAVE, DVERIFY[739]
Laden und Speichern binärer Maschinenspracheprogramme BLOAD, BSAVE[740]
Öffnen und Schließen von Dateien DOPEN, DCLOSE[741]
Zugreifen auf sequentielle und relative Dateien APPEND, RECORD[742]
Löschen, Verketten, Umbenennen und Kopieren von Dateien SCRATCH, CONCAT, RENAME, COPY[743]
Commodore DOS 10.0

Beim Commodore DOS 10.0 handelt es sich um das 32 kB ROM umfassende, von Grund auf neu entwickelte Diskettenbetriebssystem der VC1581. Der Befehlssatz des Commodore DOS 10.0 enthält neben sämtlichen von den Versionen Commodore DOS 2.6–3.1 her bekannten Instruktionen einige zusätzliche Funktionen, etwa in Bezug auf den Burst-Modus, die Formatierung, die Fehlermeldungen oder die Suchfunktionen.[503][744] Auch das Commodore DOS 10.0 verwendet eine für die Adressierung der Speicherzellen des Laufwerks vorgesehene Zeropage.[745] Sie liegt im Bereich von $0000 bis $00FF des Arbeitsspeichers der VC1581. Ansonsten ist die Speicherorganisation des Commodore DOS 10.0 aber eine völlig andere als die der Vorgängerversionen und führt deshalb zu Einschränkungen bei der Kompatibilität.[746] Über der Zeropage liegt von $0100 bis $01FF der Stapelspeicher und von $0200 bis $02FF ein für Variablen reservierter Bereich.[747] Als einziges 8-Bit-Diskettenbetriebssystem von Commodore verfügt das Commodore DOS 10.0 über Systemroutinen zur Verwaltung von Unterverzeichnissen sowie zur Verwendung des zu diesem Zeitpunkt bereits zum Industriestandard gewordenen, mithilfe des Floppy-Disk-Controllers WD1772 erzeugten MFM-Formats des IBM System/34 mit 80 Spuren pro Diskettenseite und zehn Sektoren pro Spur.[745] Allerdings liegt das Disketteninhaltsverzeichnis nicht wie beim Commodore DOS 3.0 bzw. 3.1 auf Spur 18, sondern auf Spur 40, was ebenfalls zu Kompatibilitätsproblemen führt.[746] Überdies ist das Commodore DOS 10.0 zum Anlegen von bis zu 296 Dateien pro Diskette in der Lage, während alle bis dahin von Commodore entwickelten 8-Bit-Diskettenbetriebssysteme lediglich bis zu 144 Dateien verwalten können.[748][749]

Das Commodore DOS 10.0 reserviert 5 kB der insgesamt 8 kB RAM der VC1581 zur Zwischenspeicherung der von einer gesamten Diskettenspur eingelesenen Daten. Dieser Diskettenspur-Zwischenspeicher (englisch track cache buffer) liegt im Bereich von $0C00 bis $1FFF[747] und erlaubt schnelle Datentransfers zum Arbeitsspeicher des Rechners.[503] Er kann aber auch für andere Zwecke eingesetzt werden, etwa zur Programmierung weiterer, nativ nicht lesbarer, aber ebenfalls auf dem MFM-Verfahren aufbauender Aufzeichnungsformate.[745] Mit nur geringem Programmieraufwand lassen sich beispielsweise andere 3½-Zoll-Disketten-Formate wie die des IBM Personal System/2, des Atari ST oder MS-DOS einlesen.[459] Außerdem steht dem Commodore DOS 10.0 ein vergrößerter Jobspeicher zur Verfügung. Daher kann es mehr Dateien gleichzeitig öffnen als die Vorgängerversionen.[104] Der aus neun jeweils 256 Bytes großen Puffern bestehende, u. a. für die Zwischenspeicherung der Disketteninhaltsverzeichnisse zuständige Jobspeicher umfasst insgesamt 2.303 Bytes und liegt im Bereich von $0300 bis $0BFF.[747] Maschinennah programmiert werden kann der Jobspeicher mit über 30 vom Commodore DOS 10.0 zur Verfügung gestellten Assembler-Befehlen (englisch job codes).[750]

Das Commodore DOS 10.0 besitzt ferner eine eigene Autoboot-Funktion. Bei einem System-Reset oder einem System-Neustart sucht das Diskettenbetriebssystem automatisch nach einer User-Datei mit dem Dateinamen COPYRIGHT CBM 86.USR auf der gerade eingelegten Diskette, lädt das entsprechende Dienstprogramm – sofern vorhanden – in den Arbeitsspeicher der VC1581 und führt dieses dann aus.[745] Außerdem ist eine Selbsttestfunktion in das Commodore DOS 10.0 integriert.[501]

Nur komplett in den Arbeitsspeicher geladene ältere Programme für den C128 laufen auch unter Commodore DOS 10.0 anstandslos. Software mit Einsprüngen ins Diskettenbetriebssystem bringt den Rechner dagegen wegen des völlig anders gearteten Aufbaus des Commodore DOS 10.0 zum Abstürzen.[505][751] Zu den wenigen umstandslos lauffähigen Programmen gehört die in Westdeutschland populäre Textverarbeitung StarTexter 128, während weit verbreitete Software wie etwa die diskettenbasierten Betriebssysteme GEOS 128 und CP/M-Plus, die Datenbanken Superbase 128 und Datamat 128, die Textverarbeitungen Vizawrite 128 und Textomat 128 oder der Basic 128 Compiler nicht ohne Weiteres unter Commodore DOS 10.0 betrieben werden können.[750]

Grafische Benutzeroberflächen

Berkeley Softworks-Logo (1987)

Mitte der 1980er Jahre erlangte die mausgesteuerte grafische Benutzeroberfläche (englisch Graphical User Interface, kurz GUI) des Apple Macintosh aufgrund ihrer über den Einsatz von Icons und Computermäusen im Vergleich zu den herkömmlichen Texteditoren gesteigerten Benutzerfreundlichkeit hohe Popularität. Nach diesem Vorbild wurden weitere GUIs für andere Computersysteme entwickelt, darunter auch das von Berkeley Softworks stammende Graphic Environment Operating System (kurz GEOS). Die 1986 für den C64 entwickelte Version GEOS 64 erfreute sich bald ebenfalls großer Beliebtheit.[752] Mit GEOS 128 wurde im Jahr darauf aber auch eine GEOS-Portierung für den C128-Modus veröffentlicht. Bis Anfang 1990 wuchs die Zahl der weltweiten GEOS-Anwender unter den Besitzern eines Commodore-Rechners auf 1,8 Millionen. Davon entfielen 70.000 auf eine der deutschsprachigen Fassungen von GEOS 64 bzw. GEOS 128.[753] Insgesamt wurden bis zu diesem Zeitpunkt inklusive der die grafische Benutzeroberfläche ergänzenden GEOS-Applikationen über 100.000 ins Deutsche übersetzte GEOS-Softwareprodukte verkauft.[754]

GEOS 128 Version 1.3

1987 wurde mit GEOS 128 Version 1.3 (kurz GEOS 128 1.3) auf der vom 4. bis 6. März in Hannover abgehaltenen CeBit erstmals auch eine für den C128-Modus geschriebene GEOS-Version vorgestellt.[625][755][756] Ab Ende Mai 1987 sollte GEOS 128 im Handel erhältlich sein.[757] Die Markteinführung der englischsprachigen Version verzögerte sich jedoch bis Oktober 1987.[758] Im Wesentlichen handelt es sich bei GEOS 128 um eine auf die Hardwareverbesserungen des C128 ausgerichtete Neuauflage von GEOS 64.[759]

Zum Lieferumfang der für die Standardauflösung von 640 × 200 Bildpunkten des C128 im 80-Zeichen-Modus entwickelten, prinzipiell aber auch im 40-Zeichen-Modus lauffähigen GEOS-Version gehörten neben einer integrierten Taschenrechnerfunktion, einem Notizbuch und einer Alarmuhr das Malprogramm GeoPaint 128 sowie die nach dem WYSIWYG-Prinzip funktionierende Textverarbeitung GeoWrite 128.[758] Für die für den deutschsprachigen Raum produzierte Version des C128 erschien eigens eine portierte Fassung mit deutschem Zeichensatz. Für den Betrieb unter GEOS 128 1.3 wurden außerdem verschiedene Anwendungsprogramme entwickelt. Neben der Rechtschreibprüfung GeoSpell 128[760] erschienen im Jahr 1988 etwa das Dateiverwaltungsprogramm GeoFile 128[761] sowie die Tabellenkalkulation GeoCalc 128[762] – alle ebenfalls aus dem Hause Berkeley Softworks. GeoCalc 128 arbeitet mit hoher Rechengenauigkeit und berücksichtigt Veränderungen sofort, gestattet jedoch nicht das Einbinden von Bildern oder Grafiken.[763]

Zum Betrieb muss das nicht zum Lieferumfang des C128 gehörende GUI zunächst von einer Systemdiskette gebootet werden. Dabei können die Commodore-Diskettenlaufwerke VC1541, VC1571 oder VC1581 zusammen mit einer beliebigen Version des C128 im 80-Zeichen-Modus verwendet werden.[764] Alternativ kann die Hauptplatine des C128 mit einem die GEOS-Systemsoftware enthaltenden ROM bestückt werden. Aufgrund des im 80-Zeichen-Modus doppelt so hoch getakteten Hauptprozessors MOS 8502, des größeren Arbeitsspeichers sowie der mindestens 16 kB dedizierten Grafikspeichers laufen sämtliche Versionen von GEOS 128 auf dem C128 wesentlich schneller als das ursprüngliche GEOS 64 auf dem C64.[755] Durch die zusätzliche Verwendung von Speichererweiterungen als RAM-Disk lässt sich die Arbeitsgeschwindigkeit nochmals deutlich erhöhen.[758][765]

Zu den Mindestsystemanforderungen zählen neben Rechner und VC1541-Diskettenlaufwerk ferner ein 80-Zeichen-Monitor mit RGBI-Anschluss und wahlweise ein Joystick oder eine Maus als Eingabegerät. Optimiert wurde GEOS 128 1.3 jedoch auf den Betrieb mit den Diskettenlaufwerken VC1571 bzw. VC1581 im Burst-Modus sowie den Speichererweiterungen des Typs 1700 bzw. 1750. Das GUI kann mit Geschwindigkeitseinbußen aber auch ohne diese verwendet werden. Programmiert wurde die Urversion von GEOS 128 von Jim Defrisco, Brian Dougherty, Dave Durran, Michael Flarr, Doug Fults, Chris Hawley, Clayton Jung und Tony Requist.[766][759]

GEOS 128 Version 2.0
Startmenü von GEOS 128 Version 2.0 mit Fenster, Icons, Menüleiste, Datumsanzeige und Mauszeiger im 80-Zeichen-Modus

1989 wurde schließlich auf der vom 7. bis 10. Januar in Las Vegas abgehaltenen Winter Consumer Electronics Show das verbesserte, vollständig softwarekompatible GEOS 128 Version 2.0 (kurz GEOS 128 2.0) offiziell vorgestellt.[767] Diese Revision von GEOS 128 erschien auch in einer deutschsprachigen Fassung.[768][769] An den Mindestsystemanforderungen änderte sich gegenüber der Vorgängerversion nichts. Für einen optimalen Betrieb wird neben einer Maus und einer 512-kB-Speichererweiterung allerdings die Verwendung eines grafikfähigen Druckers empfohlen.[770] Die unverbindliche Preisempfehlung des Herstellers für GEOS 128 2.0 lag bei 69,95 US$[771] bzw. 139 DM.[770] Für 79 DM konnten Besitzer der Vorgängerversion ein Upgrade auf GEOS 128 2.0 erwerben.[769] Ungefähr die Hälfte der nordamerikanischen C128-Besitzer verwendete im Jahr 1989 eine Version von GEOS 128 auf ihren Rechnern.[772]

Zur erweiterten Funktionalität von GEOS 128 2.0 gehören farbig markierte Dateitypen, die Möglichkeit der Mehrfachauswahl von Dateien sowie ein Dienstprogramm zur Druckeranpassung.[773] GeoWrite 128 wurde um eine verbesserte Version der Rechtschreibprüfung GeoSpell 128, Editierfunktionen wie etwa das Hoch- und Tiefstellen von Text sowie zahlreiche Druckertreiber erweitert.[774] Mit GeoPaint 128 lassen sich nunmehr Bilder auch verzerren. Beide Anwendungen sind ausschließlich im 80-Zeichen-Modus lauffähig. Ohne Speichererweiterung laufen sie aber relativ langsam und das Malprogramm neigt zu Deformationen bei der Erstellung von Grafiken.[775] GeoPaint 128 arbeitet mit einer Maximalauflösung von 640 × 720 Bildpunkten, von denen aber aufgrund von Hardwarebeschränkungen immer nur ein 640 × 145 Pixel großer Ausschnitt auf dem Bildschirm angezeigt werden kann.[776]

Überdies wurden weitere GEOS-Applikationen wie die auf das Verfassen von Serienbriefen spezialisierte Textverarbeitung GeoMerge oder der auf den Betrieb mit Laserdruckern ausgerichtete Druckertreiber GeoLaser in die Systemsoftware integriert.[769] Mit GeoChart 128 erschien außerdem ein Programm zur grafischen Darstellung von Statistiken, GeoDex 128 eine Adressverwaltung, GeoTerm 128 eine Terminalemulation für die Datenfernübertragung mit 1200 Baud sowie GeoPublish 128 ein Desktop-Publishing-Programm.[777][778] GeoTerm wurde im April 1988 zunächst für den Betrieb unter GEOS 64 als Listing zum Abtippen,[779] ein Jahr später dann in einer auch unter GEOS 128 im 80-Zeichen-Modus des C128 lauffähigen Bookware-Version mit erweiterter Funktionalität, höherer Bedienerfreundlichkeit sowie einem um 4 kB vergrößerten Pufferspeicher veröffentlicht.[780] GeoPublish erschien ebenfalls 1988 – noch ohne den Zusatz „128“ im Titel – zunächst in einer nur mit 40 Zeichen pro Zeile arbeitenden, immerhin aber deutschsprachigen Version.[781]

Schließlich wurde mit dem GeoProgrammer auch eine Entwicklungsumgebung für GEOS-Software mit Assembler (GeoAssembler), Linker (GeoLinker) und Debugger (GeoDebugger) veröffentlicht.[782] Im C128-Modus lässt sich GeoProgrammer aber nur mit 40 Zeichen pro Zeile betreiben.[781] Als Editor dient unter GeoProgrammer die bereits erwähnte GEOS-Applikation GeoWrite 128. Der GeoProgrammer gestattet die Verwendung sogenannter VLIR-Dateien (Abkürzung für englisch Variable Length Index Record), die das Programmieren von nur teilweise im Arbeitsspeicher residierender GEOS-Software gestatten und bei Bedarf zusätzlich benötigte Daten einfach von Diskette nachzuladen erlauben. Außerdem ist das Einbinden von Grafiken in den Quellcode möglich.[783] Mit dem MegaAssembler brachte der Markt+Technik Verlag eine weitere Entwicklungsumgebung für GEOS-Software mit ähnlichem Leistungsumfang heraus.[784]

GEOS 64

Im C64-Modus können alle offiziellen Versionen von GEOS 64 – also die von 1986 bis 1988 sukzessive veröffentlichten Versionen 1.2, 1.3 und 2.0 – inklusive sämtlicher Anwendungen problemlos auf dem C128 betrieben werden.[785] Im Gegensatz zum C64C, einer vom Design des C128 inspirierten Revision des C64 aus dem Jahr 1986, zu deren Lieferumfang GEOS 64 gehörte, mussten GEOS 64/128 jedoch von den Anwendern des C128 hinzugekauft werden.[786] GEOS 64 und GEOS 128 sind untereinander weitgehend softwarekompatibel.[787] Wer bereits GEOS 64 besaß, konnte für 22 US$ ein Upgrade auf GEOS 128 erwerben.[788]

Native höhere Programmiersprachen

Commodore BASIC V7.0

Als ab Werk eingebaute Programmierumgebung dient im C128-Modus das Commodore BASIC V7.0, eine stark erweiterte Version des in den Vorgängern Commodore VC 20 (kurz VC20) sowie C64 verwendeten Commodore BASIC V2.0.[789] Der Interpreter des im Festspeicher residierenden Commodore BASIC V7.0 ist direkt nach dem Einschalten verfügbar und belegt 28 kB ROM.[646] Mit 122.365 Bytes stellt er dem Anwender in etwa doppelt so viel Programmspeicher wie der Commodore Plus/4 und gut dreimal so viel Programmspeicher wie der C64 zur Verfügung.[790][791]

Commodore BASIC V7.0 verfügt über einen umfangreichen, 162 Instruktionen umfassenden Befehlssatz, der neben allen Befehlen, Anweisungen, Funktionen und Variablen der Vorgängerversionen Commodore BASIC V2.0, V3.5 sowie V4.0 weitere Befehle zur strukturierten Programmierung, Fehlerbehandlung, Klang- und Grafikerzeugung, Steuerung von Diskettenlaufwerken sowie zur Verwaltung von Speichererweiterungen enthält.[792][793] Auch ein leicht zu bedienender Sprite-Editor gehört zur Grundausstattung.[794] Insgesamt 14 Instruktionen wie etwa COLOR, DRAW oder PAINT dienen ausschließlich der Generierung von Grafiken.[795] Auch Shapes lassen sich programmieren.[796] Sogar Fenster können mit Hilfe des Befehls WINDOW sowohl im 40- als auch im 80-Zeichen-Modus eingerichtet werden.[797] Allerdings enthält das Commodore BASIC V7.0 keine Grafikbefehle zur Programmierung des hochauflösenden 80-Zeichen-Grafikchips MOS 8563.[798] Programmzeilen dürfen bis zu 160 Zeichen lang sein. Mit dem Befehl MONITOR lässt sich der in die Systemsoftware integrierte Maschinensprachemonitor aufrufen.[799][800] Zur Fehlerbeseitigung stehen 41 codierte Fehlermeldungen zur Verfügung.[801]

Mit Hilfe der Befehle SLOW und FAST kann die Taktfrequenz des Hauptprozessors MOS 8502 wahlweise auf 1 MHz oder 2 MHz eingestellt werden.[802] Beim Betrieb mit 2 MHz ist das Commodore BASIC V7.0 des C128 gut doppelt so schnell wie das Commodore BASIC V3.5 des Commodore Plus/4. Auch die Arbeitsgeschwindigkeit des wesentlich einfacheren Commodore BASIC V2.0 wird vom BASIC-Dialekt des C128 beim Benchmarktest übertroffen. Allerdings beträgt der Geschwindigkeitsvorteil gegenüber dieser in den Erfolgsmodellen VC20 und C64 eingesetzten Variante des Commodore BASIC nur ein gutes Drittel, die ausschließlich im 2-MHz-Modus erreicht werden. Im für die Darstellung von Grafik und Sprites benötigten 1-MHz-Modus ist das Commodore BASIC V7.0 dagegen signifikant langsamer, da es für die Dekodierung des wesentlich umfangreicheren Befehlssatzes mehr Zeit benötigt und der BASIC-Interpreter beim Bankswitching keinen direkten Speicherzugriff hat, sondern hierfür zunächst spezielle Umschaltroutinen aufrufen muss.[803] Damit ist das Commodore BASIC V7.0 paradoxerweise sowohl der schnellste als auch langsamste auf einem Commodore-Computer umgesetzte native BASIC-Dialekt.[804]

Allerdings unterscheiden sich die Benchmarkergebnisse je nach Einsatzgebiet voneinander. Bei arithmetischen Funktionen oder komplexen Berechnungen in den Grundrechenarten beispielsweise ist das Commodore BASIV V7.0 im 2-MHz-Modus etwa doppelt so schnell wie das Commodore BASIC V2.0, während beide BASIC-Dialekte bei der Bildschirmausgabe ungefähr gleich schnell operieren. Deutlich schneller arbeiten indes die BASIC-Dialekte konkurrierender 16-Bit-Rechner wie das Omikron BASIC der Atari-ST-Reihe, das AmigaBASIC V2.0 des Amiga 500 oder das GW-BASIC V3.22 des IBM-PC AT.[805]

Commodore BASIC V2.0

Im C64-Modus kann der C128 ohne Einschränkungen im für den VC20 und den C64 entwickelten Commodore BASIC V2.0 programmiert werden. Durch bestimmte Programmiertricks lässt sich auch die verbesserte C128-Hardware in Programme einbinden. Diese Programme laufen allerdings auf dem C64 wegen der unterschiedlichen Hardware nicht fehlerfrei und können den Rechner zum Abstürzen bringen.

Optionale höhere Programmiersprachen

Neben den nativen Dialekten des Commodore BASIC erschien eine Reihe weiterer höherer Programmiersprachen für den C128, darunter Dialekte der Programmiersprachen BASIC, C, COBOL, COMAL, Forth, Fortran, Lisp, Pascal, PILOT und Prolog.[806] Diese optionalen höheren Programmiersprachen erschienen entweder auf komfortablen Steckmodulen und sind sofort nach dem Einschalten einsatzbereit oder müssen erst von Diskette oder Kompaktkassette in den Arbeitsspeicher geladen werden. Das Laden von Diskette stellt dabei den Regelfall dar.

BASIC

Zum Zeitpunkt der Markteinführung besaßen fast alle Heimcomputer einen eigenen, im Festspeicher residierenden BASIC-Dialekt, dessen Kommandozeileninterpreter im Alltag als Benutzeroberfläche diente. Aufgrund der großen Durchdringung des Marktes mit BASIC-Varianten aller Art wurden zahlreiche BASIC-Erweiterungen sowie BASIC-Compiler für das native Commodore BASIC V7.0 entwickelt. Für den CP/M-Modus erschienen ferner mehrere eigenständige BASIC-Dialekte und -Compiler.

Erweiterungen des nativen Commodore BASIC V7.0

Da der Befehlsvorrat des nativen Commodore BASIC V7.0 keine Grafikbefehle für den 80-Zeichen-Modus aufweist, veröffentlichte 1986 zunächst Patech Software, später dann Free Spirit Software eine auf Diskette erhältliche, bewusst nicht kopiergeschützte BASIC-Erweiterung namens BASIC 8.0, die 53 zusätzliche BASIC-Befehle sowie 32 neue Grafikmodi bereitstellt und obendrein sogar für die damalige Zeit ungewöhnliche 3D-Grafikbefehle enthält.[807][808] Außerdem unterstützt BASIC 8.0 die Verwendung von Speichererweiterungen, Druckern, Joysticks und Computermäusen.[809] Darüber hinaus ist BASIC 8.0 eines der wenigen, den gesamten Grafikspeicher des C128D-CR als RAM-Disk ausnutzenden kommerziellen Programme.[810] Sämtliche Instruktionen dieser in den Vereinigten Staaten wohl bekanntesten kommerziellen BASIC-Erweiterung für den C128 lassen sich in BASIC-Programmen gemeinsam mit dem Befehlssatz des Commodore BASIC V7.0 verwenden.[811] Zur Kennzeichnung beginnen alle BASIC 8-Befehle mit einem vorangestellten At-Zeichen, also etwa @PAINT zum Ausfüllen geschlossener Flächen mit bestimmten Farben bzw. Mustern oder @MODE zum Aufruf der erwähnten Grafikmodi.[812] BASIC 8.0 kostete 39,95 US$, für einen Aufpreis von 19,95 US$ konnte die Software auch in Form eines die Ladezeiten ersparenden ROM-Chips erworben werden.[808]

Mit Hyper-BASIC erschien auch in Westdeutschland eine BASIC-Erweiterung als Steckmodul.[813] Ferner ist Macro Basic Highway (kurz MB Highway) vom Unternehmen System- & Anwender-Software Hermann-Josef Bernd zu den in Westdeutschland entwickelten BASIC-Erweiterungen des C128 zu zählen. Das ebenfalls in Form eines Steckmoduls erhältliche MB Highway bietet über 200 neue Befehle zur strukturierten Programmierung, Bildschirmverwaltung, Stringbehandlung, Speicherverwaltung, Tabellenverarbeitung, Datei- und Fensterverwaltung sowie die Möglichkeit der Verwendung interruptgesteuerter Unterprogramme.[814][815]

BASIC-Compiler für das native Commodore BASIC V7.0 sowie dessen Erweiterungen

Neben diesen BASIC-Erweiterungen erschienen zahlreiche BASIC-Compiler-Pakete für den C128. Data Becker und Abacus Software veröffentlichten bereits 1985 den Basic 128 Compiler von Thomas Helbig, der in Commodore BASIC V7.0 geschriebene Programme optimiert, mit einer Geschwindigkeit von 1–2 kB pro Minute wahlweise in P-Code oder Maschinensprache überträgt und überdies eine integrierte Entwicklungsumgebung enthält.[816][817] Unter Basic 128 stehen 64 kB an Speichervolumen für den Quellcode zur Verfügung.[818] In Österreich erschien ein Jahr später mit dem Austro-Comp 128 von Digimat ein weiterer, auch die Befehlssätze von BASIC-Erweiterungen akzeptierender Compiler.[819][820] Die für den Quellcode zur Verfügung stehende Speicherkapazität beträgt unter Austro-Comp 128 ebenfalls 64 kB.[818] Auch Skyles Electric Works brachte mit Blitz! 128 einen BASIC-Compiler mit vergleichbarem Leistungsumfang heraus.[821] Weitere BASIC-Compiler erschienen mit dem Gnome Speed Compiler 128 von SM Software, dem SM Compiler 128 ebenfalls von SM Software, PetSpeed 128 von Oxford Computer Systems und Zoom! 128 von Abacus.

BASIC-Dialekte und BASIC-Compiler für den CP/M-Modus

Für den CP/M-Modus wurden mehrere BASIC-Dialekte bzw. -Compiler entwickelt. Digital Research brachte den in Westdeutschland vom Markt+Technik Verlag vertriebenen CBASIC Compiler heraus.[822] Dieser gestattet optional das Programmieren ohne Zeilennummern und arbeitet mit lokalen Variablen.[823] Für den Quellcode stehen 56 kB an Arbeitsspeicher zur Verfügung.[818] Die C128-Portierung von CBASIC kann ferner Strings mit einer Länge von bis zu 32 kB verarbeiten und unterstützt strukturierte Programmierung durch die Verwendung mehrzeiliger Funktionen und Prozeduren mit Übergabe von Parametern. Ferner können Unterprogramme einzeln übersetzt und in Bibliotheken für die Verwendung in verschiedenen Programmen bereitgehalten werden.[824] Die CBASIC-Kompilate sind sofort lauffähig.[825] Außerdem veröffentlichte der Markt+Technik Verlag in Westdeutschland eine mit Interpreter, Compiler, Linker, Cross-Reference-Liste, Programmbibliothek und komfortablem Z80A-Makroassembler ausgestattete Version von Microsoft BASIC (auch MBASIC).[826] Während ihrer Erstellung können Programme vom Interpreter getestet werden, bevor sie vom Compiler in Maschinensprache übersetzt werden.[827] Der Quellcode kann dabei bis zu 56 kB lang sein.[818] Die Ausführung von Programmen nimmt unter Microsoft BASIC aufgrund der niedrigen Taktung des Z80A im CP/M-Modus allerdings drei- bis viermal so viel Zeit in Anspruch wie im C128-Modus unter Commodore BASIC V7.0.[828]

Von Comfood stammt die BASIC-Entwicklungsumgebung Nevada BASIC.[822] Die Kompilate des Interpreters sind ebenfalls sofort lauffähig, es lassen sich jedoch im Gegensatz zu anderen BASIC-Dialekten nur sequentielle, aber keine relativen oder Index-Dateien verwenden. Unter Nevada BASIC stehen ca. 40 kB an Arbeitsspeicher für den Quelltext zur Verfügung.[825] Außerdem stand mit E-BASIC ein leistungsfähiger, von Gordon Eubanks programmierter BASIC-Compiler für den CP/M-Modus als Public-Domain-Software zur Verfügung.[829]

C

Abacus brachte Anfang 1986 mit Super C einen Dialekt der oft zur Systemprogrammierung eingesetzten, prozeduralen und assemblernahen Programmiersprache C heraus.[830] Das mitgelieferte Softwarepaket enthält eine Programmierumgebung mit Editor, Compiler und Linker. Für Quelltexte stehen unter Super C bis zu 41 kB an freiem Programmspeicher zur Verfügung, für den Objektcode maximal 53 kB. Darüber hinaus unterstützt die Software die Verwendung von RAM-Disks, etwa beim Betrieb mit Speichererweiterungen.[831] Von Spinnaker Software stammt ein weiterer C-Dialekt namens Power C.[832]

In Westdeutschland veröffentlichten der Markt+Technik Verlag und Data Becker die C-Programmierumgebungen Small C bzw. Profi C 128.[822] Small C umfasst eine aus Editor, Compiler, Assembler, Linker, Lader, Archivverwaltungsprogramm mit C-Funktionsbibliothek und zahlreichen Hilfsprogrammen bestehende Entwicklungsumgebung für den Zweitprozessor Z80A im CP/M-Modus.[824][833][834] Der für den Quellcode verfügbare Speicherplatz beträgt 56 kB.[818] Profi C 128 weist einen ähnlichen Leistungsumfang wie Small C auf und verfügt über eine am CP/M-Betriebssystem angelehnte Benutzeroberfläche mit Kommandozeileninterpreter, obwohl dieser C-Dialekt für den Hauptprozessor MOS 8502 im C128-Modus entwickelt wurde.[835]

COBOL

Abacus veröffentlichte 1986 mit COBOL 128 einen Dialekt der für kaufmännische Anwendungen gedachten, an die englische Standardsprache angelehnten prozeduralen Compiler-Hochsprache COBOL (englisch Common Business Oriented Language). Zum Lieferumfang gehören ein Editor, ein Compiler, ein Interpreter, ein Debugger sowie mehrere Dienstprogramme, etwa zur Optimierung des Programmcodes.[817] Auf dem C64 geschriebene COBOL-Programme lassen sich ohne großen Aufwand mithilfe der beigefügten Dienstprogramme auf den C128 übertragen.[836] Mit VS128COBOL wurde auch von Visionary Software ein COBOL-Ableger mit vergleichbarem Leistungsumfang entwickelt.[837]

Comfood brachte den COBOL-Dialekt Nevada COBOL für den Betrieb unter CP/M-Plus heraus.[822] Dessen Kompilate sind jedoch nur mit Ladeprogramm lauffähig und gestatten lediglich die Verwendung sequentieller und relativer Dateien.[838]

COMAL

Mit COMAL 80 erschien 1987 beim Markt+Technik Verlag ein Editor nebst Interpreter der für Programmieranfänger entwickelten und strukturierte Programmierung unterstützenden, heute aber nur noch selten verwendeten höheren Programmiersprache COMAL als Public-Domain-Version.[839] Dieser COMAL-Dialekt zeichnet sich durch die Möglichkeit der Verwendung von RAM-Disks sowie spezielle Grafik- und Soundbefehle aus.[822] Für den Quellcode stehen relativ üppige 80 kB an Programmspeicher zur Verfügung.[818] Außerdem brachte das westdeutsche Unternehmen Belz ein Steckmodul namens Comal-80 mit Interpreter, Editor, Grafik- und Soundbefehlen, RAM-Disk-Unterstützung und rund 40 kB an freiem Programmspeicher heraus.[838]

Forth

Der westdeutsche Verlag Holtkötter brachte im Jahr 1986 mit C-128-Forth eine Version der imperativen, stackbasierten und maschinennahen Programmiersprache Forth mit Compiler, Interpreter, Debugger und RAM-Disk-Funktion heraus. Zu den Vorzügen des für den C128 geschriebenen Forth-Dialektes zählt die im Vergleich zum nativen Commodore BASIC V7.0 um das Zehnfache erhöhte Arbeitsgeschwindigkeit sowie die leichte Erweiterbarkeit des Basisbefehlssatzes.[840] Ein weiterer Forth-Dialekt mit zusätzlichen Grafik- und Soundbefehlen erschien beim Markt+Technik Verlag unter dem einfachen Titel Forth.[818] Überdies war mit FORTH-83 eine zum Multitasking fähige, von Henry Laxen und Michael Perry entwickelte Forth-Implementierung mit Assembler, Decompiler und Editor als Public-Domain-Software für den CP/M-Modus verfügbar.[841]

Fortran

Comfood veröffentlichte mit Nevada Fortran eine Version der prozeduralen, vor allem für numerische Berechnungen in Wissenschaft und Forschung eingesetzten Programmiersprache Fortran für den C128 im CP/M-Modus.[822] Das Nevada Fortran-Softwarepaket umfasst Compiler, Linker sowie Hilfsprogramme und erlaubt das Einbinden von Unterprogrammen in Maschinensprache.[818] Die Kompilate von Nevada Fortran sind nur mit einem Ladeprogramm lauffähig und es werden ausschließlich sequentielle Dateien unterstützt.[838]

Lisp

Tesco brachte einen Dialekt der häufig zur Programmierung künstlicher Intelligenz (kurz KI) experimentell eingesetzten funktionalen, prozeduralen Interpreter-Hochsprache Lisp unter dem Titel Lisp/80 auf den Markt. Das Lisp/80-Softwarepaket enthält Editor, Linker sowie einige Hilfsprogramme. Es werden jedoch weder Grafikbefehle noch das Einbinden von Unterprogrammen in Maschinensprache unterstützt.[818] Vom US-Amerikaner David Betz stammt der als Public-Domain-Software für den CP/M-Modus veröffentlichte, neben KI-Funktionen auch objektorientiertes Programmieren unterstützende Lisp-Dialekt XLISP.[842]

Pascal

Pascal-Dialekte für den C128-Modus

Systems Software brachte mit Oxford Pascal 128 eine später von Free Spirit neu aufgelegte Version der weitverbreiteten prozeduralen Compiler-Hochsprache Pascal heraus.[823] Von Abacus stammt das in Zusammenarbeit mit Data Becker entstandene, eine komfortable Programmierumgebung inklusive Editor und Assembler umfassende Super Pascal 128 aus dem Jahr 1986. Bei diesem Pascal-Dialekt handelt es sich um eine weiterentwickelte, mit vergrößertem Funktionsumfang ausgestattete C128-Portierung von Super Pascal 64.[843] Zum Lieferumfang gehörten auch zahlreiche Dienstprogramme, etwa zur Fehlerbereinigung, Erzeugung von Grafiken, Verwendung von RAM-Disks oder Unterstützung des Burst-Modus des Diskettenlaufwerks VC1571.[831] Kyan Software veröffentlichte mit Kyan Pascal 128 einen weiteren Pascal-Dialekt mit vergleichbarem Leistungsumfang. Das mitgelieferte Softwarepaket umfasste neben einem zusätzlichen Makroassembler auch einen Schnellkurs zum Erlernen des Programmierens in Pascal.[817][844]

Auch der Markt+Technik Verlag brachte mit Pascal C128 eine eigene Pascal-Version heraus.[822] Diese verfügt über Compiler, Editor, Linker, Grafik- und Soundbefehle, aber nur 22 kB an Programmspeicher für den Quellcode und unterstützt ausschließlich relative sowie sequentielle Dateien. Dafür lassen sich Maschinenspracheroutinen in die Pascal-Programme einbinden.[838] Data Becker veröffentlichte mit Profi-Pascal Plus einen weiteren Pascal-Dialekt mit Grafikbefehlen, Soundbefehlen, Linker, Editor und schnellem Compiler. Unter Profi-Pascal Plus ist ferner ebenfalls die Einbindung von Maschinenspracheroutinen sowie die Verwendung von RAM-Disks mit einer Speicherkapazität von bis zu 58 kB möglich.[845][846]

Pascal-Dialekte für den CP/M-Modus

Digital Research entwickelte mit Pascal/MT+ einen auf den Einsatz im Geschäftsbereich ausgerichteten Pascal-Dialekt mit Programmierumgebung für die Rechner der Scheider-CPC-Reihe, der in Westdeutschland vom Markt+Technik Verlag vertrieben wurde und als Portierung auch auf dem C128 im CP/M-Modus lauffähig ist.[824][847] Insgesamt 59 kB stehen für den Quellcode an Speicherplatz zur Verfügung.[845] Borland brachte schon früh eine ebenfalls unter CP/M laufende Version des für seine Schnelligkeit bekannten Turbo Pascal auf den Markt.[848] Spätere Versionen von Turbo Pascal mit lediglich 27 kB an Speicherkapazität für den Quellcode wurden von Tesco, Heimsoeth und dem Markt+Technik Verlag vertrieben. Eine weitere C128-Portierung eines CP/M-Pascal-Dialektes mit allerdings recht begrenztem Befehlssatz trägt den Titel Nevada Pascal und erschien bei Comfood sowie bei Tesco.[845] Mit dem vom US-Amerikaner James Robert Tyson entwickelten JRT Pascal erschien auch eine leistungsfähige Public-Domain-Pascal-Programmierumgebung mit Editor, Compiler, Assembler und Linker für den CP/M-Modus.[849] Zu den Besonderheiten von JRT Pascal zählen von Diskette nachladbare externe Prozeduren.[850]

PILOT

Für den CP/M-Modus brachte Tesco ferner einen Ableger der zur Entwicklung von Übungen, Tests und interaktiven Lernprogrammen für computergestütztes Lernen dienenden Interpreter-Hochsprache PILOT heraus. Die C128-Portierung dieser heute kaum noch verwendeten Programmiersprache trägt den Titel Nevada PILOT. Sie umfasst weder Grafikbefehle für den 80-Zeichen-Modus noch RAM-Disk-Unterstützung und erschien ausschließlich auf Diskette.[845]

Prolog

Mit E-Prolog wurde auch eine unter CP/M-Plus lauffähige, vom US-Amerikaner G.A. Edgar geschriebene Version der logischen, deklarativen und häufig in der KI-Forschung eingesetzten Interpreter-Hochsprache Prolog als Public-Domain-Software veröffentlicht.[842] Überdies erschien mit dem VALGOL Compiler ein in E-Prolog programmierter Compiler für VALGOL, einem vom ebenfalls US-amerikanischen Programmierer Dewey Val Schorre entwickelten und zur Familie der ALGOL-Programmiersprachen gehörenden Dialekt.[851]

Assemblersprache

Eine bestmögliche Ausnutzung der Computerhardware ist nur durch die Verwendung von maschinennaher Assemblersprache möglich, deren Programme schneller laufen und obendrein weniger Speicher verbrauchen als in höheren Programmiersprachen geschriebene.[852][853] Benötigt wird hierfür ein Assembler, also ein Übersetzungsprogramm, das die Programmanweisungen des in Assemblersprache geschriebenen Quelltextes in den direkten Binärcode der Maschinensprache überträgt.[854] Das Ergebnis dieses Übersetzungsvorgangs wird als Objektcode bezeichnet.[855] Programme in Assemblersprache sind nicht nur kompakter, sondern überdies in der Ausführung erheblich schneller als solche in höheren Programmiersprachen.[852] Sie besitzen gegenüber der noch schnelleren Maschinensprache obendrein den Vorzug einer leichteren Handhabung durch die Verwendung von dem Wortschatz des Englischen entnommenen und leicht erinnerbaren Abkürzungen[856] – den sogenannten Mnemonics.[857] Angehende Programmierer und Hobbyisten bevorzugten in den 1980er Jahren allerdings meist die zwar leistungsschwächeren, aber komfortableren höheren Programmiersprachen. Besonders populär waren vor allem die häufig in die Systemsoftware der gängigen Rechnermodelle integrierten BASIC-Dialekte sowie die zahlreichen Ableger der Programmiersprachen ALGOL, COBOL und Pascal.[858]

MOS 8502-Assembler

Click Here Software brachte die integrierte Entwicklungsumgebung Buddy 64/128 Assembly Development System mit Editor, Assembler, Linker und zahlreichen Dienstprogrammen heraus. Diese ursprünglich für den C64 konzipierte und später dann für den Betrieb mit dem C128 erweiterte Programmierumgebung erlaubt die Übersetzung von Assemblerprogrammen sowohl in die Maschinensprache des Hauptprozessors MOS 8502 als auch in die des Zweitprozessors Z80A.[859] Auch Spinnaker veröffentlichte diese von Chris Miller geschriebene Programmierumgebung unter dem Titel Better Working: Power Assembler.[860][861] Weitere Programmierumgebungen mit vergleichbarem Leistungsumfang, aber ausschließlicher Konzentration auf die Maschinensprache des Hauptprozessors MOS 8502 erschienen mit dem JCL Assembler and Program Development System von JCL Software,[823] dem Karma Assembler 64/128 von PHD Software,[823] dem C-128 Midnight Assembly System von Mountain Wizardry Software,[862] dem Rebel Assembler/Editor von Nu Age Software[863] und dem zusätzliche Dienstprogramme für die Entwicklung von Sprites und Audiodateien enthaltenden Total Software Development System von NoSync Software.[864] Robert Wagner Publishing veröffentlichte mit Merlin 128 ein nicht kopiergeschütztes Softwarepaket mit ausschließlich im 80-Zeichen-Modus lauffähigem Makroassembler und Disassembler. Für den Quelltext stehen unter Merlin 128 bis zu 35 kB an freiem Programmspeicher zur Verfügung.[865]

Das niederländische Softwareunternehmen Radarsoft veröffentlichte mit Fast 128 ein vergleichbares Programmpaket.[866] In Westdeutschland kam bereits Ende 1985 mit Top-Ass beim Markt+Technik Verlag ebenfalls eine Programmierumgebung für Assemblersprache zum Preis von 89 DM heraus,[867] für die 1987 zusätzlich noch ein Programmierkurs zum Selbstlernen namens Top-Ass Plus erschien.[868] Neben Editor, Makroassembler, Maschinensprachemonitor und Disassembler enthält Top-Ass Plus auch Informationen über illegale Opcodes und Fehler des Hauptprozessors MOS 8502.[869] Commodore selbst veröffentlichte erst im Herbst 1988 die Entwicklungsumgebung C128 Developers Package mit Editor, Assembler sowie Makroassembler für 50 US$.[870]

Z80A-Assembler

Das Unternehmen Holtkötter veröffentlichte mit C128-Learn eine Einführung in die Maschinensprache des Zweitprozessors Z80A nebst einem aus Maschinensprachemonitor, Assembler und Disassembler bestehenden Softwarepaket.[871] Mit C128-Macro sowie C128-Profi brachte die Holtkötter zusätzlich einen Makroassembler und eine ergänzende Programmbibliothek für den Z80A heraus. Das für den CP/M-Modus geschriebene C128-Macro-Softwarepaket enthält einen Compiler sowie einen Editor. Assemblerprogramme werden dabei nicht wie üblich als Ganzes gespeichert, sondern in Form von Screens, die dem Inhalt einer Bildschirmseite entsprechen. Die Programmbibliothek C128-Profi beinhaltet überdies ein leistungsstarkes Hilfsprogramm, das die ansonsten nicht vom CP/M-Plus-Betriebssystem vorgesehene Darstellung von Farbgrafiken im 80-Zeichen-Modus und Zugriffe auf den 80-Zeichen-Grafikchip auch im CP/M-Modus ermöglicht.[872] Außerdem erschien mit dem Assembler ZMAC, dem Linker ZLINK, dem interaktiven Disassembler DASM sowie dem Debugger ZMON eine Z80A-Assembler-Entwicklungsumgebung inklusive eines Editors als Public-Domain-Softwarepaket.[873]

Lernprogramme

Für Studierende der Psychologie erschien das 1989 von C. R. Leith, S. L. Bums und H. Hamm an der Northern Michigan University entwickelte Psychology Laboratory on a C-128 mit anspruchsvoller Grafikausgabe und zahlreichen Arbeitsblättern zum Selbstlernen.[874]

Anwendungsprogramme

Für den C128-Modus sowie den Betrieb unter CP/M-Plus erschienen zahlreiche kommerzielle Anwendungsprogramme, darunter Textverarbeitungen, Grafikprogramme, CAD-Anwendungen, Datenbankanwendungen, Steuer- und Finanzsoftware, Tabellenkalkulationen sowie Büroanwendungen für den professionellen Einsatz des Rechners in unterschiedlichen Geschäftsbereichen.

Textverarbeitungsprogramme

Texteditor von SpeedScript 128 im 80-Zeichen-Modus (1987)
Texteditor von WordStar 3.0 im 80-Zeichen-Modus (1987)

Mit Vizawrite 128 brachte Solid State Software eine nach dem Vorbild des Z80-basierten Wang Word Processor Systems von Kevin Lacy in Maschinensprache programmierte und entsprechend schnelle Portierung der unter dem Namen Vizawrite schon auf dem C64 erfolgreichen Textverarbeitung heraus.[875][876] Das mit Pull-down-Menüs, Fenstersystem, Taschenrechnerfunktion, komfortabler Druckeransteuerung, einem Wörterbuch mit über 30.000 Einträgen sowie einem Kopierschutzmodul ausgestattete Vizawrite 128 war mit 348 DM sehr teuer, sodass der westdeutsche Vertreiber Besitzern der C64-Version einen Preisnachlass für die deutschsprachige Ausgabe anbot.[877][878][879] Vizawrite 128 unterstützt ferner eine RS232C-Schnittstelle, besitzt eine Serienbrieffunktion und verfügt über einen Textspeicher von 56 kB.[880]

Weitere Textverarbeitungen erschienen in der englischsprachigen Welt mit Wordpro 128 von Spinnaker, The Write Stuff von Busy Bee Software, Fleet System 4 von Professional Software,[881] dem ursprünglich für den Apple II entwickelten Trio 128 von Softsync,[882] dem über einen Zeichensatzeditor,[883] 57 Schriftarten inklusive eines deutschen Zeichensatzes sowie zahlreiche Druckertreiber verfügenden Fontmaster 128 von Xetec[884][885] sowie Word Writer 128 von Timeworks.[886] Von Free Spirit stammt ein für den 80-Zeichen-Bildschirm des C128 geeignetes Desktop-Publishing-Programm namens News Maker 128.[887] In der US-amerikanischen Computerzeitschrift Compute!’s Gazette erschien überdies das von Robert Kodadek programmierte, rein diskettenbasierte SpeedScript 128 mit 51 kB Textspeicher, 12 kB Textpuffer für die Zwischenablage von Dokumentteilen und Suchfunktion in der Oktober-Ausgabe 1987 zum Abtippen.[888] Im September 1989 wurde an gleicher Stelle die von Michael Gruber entwickelte Nachfolgeversion SpeedScript 128 Plus mit erweitertem Befehlssatz und verbesserten Editiermöglichkeiten publiziert.[889]

Commodore selbst brachte in Zusammenarbeit mit Precision Software das menügesteuerte, leicht zu bedienende Superscript 128 mit 80 kB Textspeicher, bis zu 240 Zeichen pro Zeile und Serienbrieffunktion heraus.[880][890][891] Mit Superscript 128 erstellte Dateien konnten auch von der Dateiverwaltung Superbase 128 verwendet werden – und umgekehrt.[892] Commodore veröffentlichte überdies ein Softwarepaket names Jane, das neben der Textverarbeitung Janewrite auch die Tabellenkalkulation Janecalc und die Datenverwaltung Janelist umfasst.[893] HomePak 128 von Batteries Included verfügt über eine ähnliche Ausstattung, weist aber anstelle der Tabellenkalkulation ein Telekommunikationsprogramm auf.[894]

Der Markt+Technik Verlag veröffentlichte das zuvor schon für den C64 und die CBM-Bürorechner entwickelte, für seinen günstigen Preis von 89 DM ausgesprochen leistungsstarke und mit 60 kB Textspeicher, Silbentrennung sowie einem 25.000 Einträge umfassenden Wörterbuch für die Rechtschreibkorrektur ausgestattete Protext 128.[880][895][896] Protext 128 weist überdies eine Split-Screen-Funktion, eine integrierte Tabellenkalkulation[897] und eine eigene Programmiersprache auf, die von der Programmiersprache Pascal her bekannte Rekursionen und Verschachtelungen zulässt.[898] Auch das noch kostengünstigere, vor allem für Einsteiger gedachte Master-Text 128 mit 64 kB Textspeicher, Fenstersystem, Serienbrieffunktion, Taschenrechnerfunktion und programmierbaren Floskeln stammt von Markt+Technik.[880][899] Eine Stärke von Master-Text 128 besteht in der Abstimmung auf die als Zwischenspeicher für Texte verwendete Commodore-Speicherweiterungen der Typen 1700, 1750 oder 1764.[897]

Sybex veröffentlichte das mit 60 kB Textspeicher, fünf Zeichensätzen und Serienbrieffunktion ausgestattete StarTexter 128 für den westdeutschen Markt.[880][900] Das StarTexter 128-Paket umfasste ferner einen Selbstlernkurs für Neueinsteiger auf dem Gebiet der Textverarbeitung.[901] Data Becker brachte die mit 80 kB Textspeicher, Grafikdruck, Trennvorschlägen und Datenfernübertragung arbeitende Textverarbeitung Textomat Plus 128 heraus.[880] Der Stark Verlag veröffentlichte mit SV-Text eine auf den Einsatz in Schulen und Universitäten ausgerichtete, das Erstellen von Arbeitsblättern, Diplomarbeiten mit Inhalts- und Stichwortverzeichnis sowie das Katalogisieren von Quellen erleichternde Textverarbeitung.[883]

Der Markt+Technik Verlag veröffentlichte außerdem eine deutschsprachige Version der von MicroPro stammenden, in der ersten Hälfte der 1980er Jahre standardsetzenden Textverarbeitung WordStar 3.0 für den CP/M-Modus.[902] WordStar 3.0 erlaubt die Verwaltung von Fußnoten und besitzt umfangreiche Editierfunktionen.[903] Der Texteditor arbeitet mit 256 Zeichen pro Zeile, besitzt eine Serienbrieffunktion und verfügt über 60 kB an Textspeicher.[880] Die meist über Tastenkombinationen mit der Control-Taste erfolgende Bedienung erfordert allerdings eine längere Zeit der Einarbeitung.[904] Außerdem arbeitet der Texteditor von WordStar 3.0 vergleichsweise langsam.[905]

Bei entsprechender Ausstattung mit einem leistungsfähigen Drucker und guter Software galt der C128 auf dem Gebiet der Textverarbeitung als den wesentlich kostspieligeren IBM-PC-Kompatiblen bzw. den Personal Computern durchaus ebenbürtig.[906] Allerdings musste man – in Abhängigkeit vom verwendeten Textverarbeitungsprogramm – beim Bedienkomfort gelegentlich Abstriche machen, etwa hinsichtlich bestimmter Editierfunktionen wie der Berücksichtigung der Groß- und Kleinschreibung bei der Stichwortsuche, der Darstellung unterschiedlicher Schriftarten auf dem Bildschirm oder der Einbindung von Grafiken.[907]

Grafikprogramme und CAD-Anwendungen

Free Spirit brachte die mausgesteuerten, auf die Standardauflösung von 640 × 200 Bildpunkten des 80-Zeichen-Grafikchips ausgerichteten Malprogramme Sketchpad 128 und das leistungsstärkere Spectrum 128 auf den Markt. Letzteres läuft allerdings ebenso wie News Maker 128 ohne Erweiterung des VRAM nur auf dem C128D-CR, da die genannten Anwendungen auf den lediglich bei dieser Modellvariante ab Werk auf volle 64 kB ausgebauten Grafikspeicher zurückgreifen.[887] Weitere Grafikprogramme mit ähnlichem Leistungsumfang erschienen mit 3D Graphics Drawing Board von Glentop Publishers,[908] Colorez-128 von B-Ware Computer Systems,[909] Ipaint von Living Proof Software,[910] Page Illustrator 128 von Patech Software,[911] Poster Maker 128 von Free Spirit[912] und Spray Paint 128 von PHD Software Systems.[913] In Westdeutschland wurde 1987 das befehlsgesteuerte, per Joystick oder Maus zu bedienende StarPainter 128 mit Editoren für Sprites, Zeichensätze und Füllmuster von Sybex veröffentlicht.[914][915] Überdies erlaubt das Malprogramm das Kombinieren von Grafik und Text und enthält Treiber zum Betrieb mit fast allen damals gängigen Druckermodellen.[916] Der große Nachteil von StarPainter 128 besteht in der Begrenzung auf 40-Zeichen-Grafikchip VIC IIe.[917] Der Markt+Technik Verlag brachte das wahlweise joystick- oder mausgesteuerte, mit einer Maximalauflösung von 640 × 192 Pixeln arbeitende Malprogramm Paint R.O.I.A.L. heraus.[918] Paint R.O.I.A.L. zeichnet sich durch einfache Bedienbarkeit aus und kann sowohl in einem Schwarzweiß- als auch Farbmodus betrieben werden.[919]

Abacus veröffentlichte mit CadPak 128 eine ebenfalls den vollausgebauten Grafikspeicher voraussetzende, mausgesteuerte CAD-Anwendung mit einer Maximalauflösung von damals beeindruckenden 640 × 360 Bildpunkten im Interlacemodus und der Möglichkeit der gleichzeitigen Verwendung zweier Monitore im 40- und 80-Zeichen-Modus.[920] Micro Aided Designs brachte das gleichermaßen mausgesteuerte CAD-Programm Technological Highbred Integrated System (kurz T.H.I.S.) heraus, das auch die Verwendung eines zusätzlichen Lichtgriffels unterstützt.[921] Bei T.H.I.S. handelt es sich um eines der wenigen von Haus aus auf die Verwendung mit einer der recht kostspieligen Speichererweiterungen der Typen 1700, 1750 sowie 1764 ausgerichteten kommerziellen Programme für den C128-Modus.[922] Von K&K Software stammt die ebenfalls mit Maussteuerung versehene, 1987 für Architekten und Innenarchitekten geschriebene CAD-Anwendung Home Designer.[923] In Westdeutschland veröffentlichte der Markt+Technik Verlag die mit einer optionalen Auflösung von 640 × 200 Bildpunkten im Schwarzweißmodus und 640 × 176 Bildpunkten im Farbmodus arbeitende, mit integriertem Zeichen- sowie Sprite-Editor ausgestattete CAD-Anwendung High-Screen-CAD C128.[924] Die Steuerung erfolgt vorwiegend über die Tastatur, weshalb sich High-Screen-CAD C128 besonders zum Anfertigen technischer Zeichnungen eignet.[925]

Datenbankanwendungen

Cardinal Software veröffentlichte die eine Verwaltung von bis zu 7.000 Datensätzen und die Verwendung von bis zu 20 Suchkriterien gestattende Datenbankanwendung Flex File 128.[926] Solid State Software brachte ein in Maschinensprache geschriebenes und entsprechend schnelles Softwarepaket namens Vizastar 128 mit Datenverwaltung, Tabellenkalkulation und Malprogramm auf den Markt.[875] Mit Data Manager 128 erschien auch eine Datenverwaltung von Timeworks.[886] Weitere Datenbankprogramme waren Datafiler 128 von Free Spirit mit maximal 5.000 Datensätzen,[927] das preisgünstige, aber leistungsstarke DFile 128 von Michaelsoft,[928] Paperback Filer 128 von Digital Solutions,[929] Record Master 128 von Woodsoftware[930] und Ultrabase 128 von Gold Disk.[823] Commodore selbst brachte in Zusammenarbeit mit Precision Software das in Europa sehr erfolgreiche relationale Datenbankprogramm Superbase 128 heraus.[931] Die menügesteuerte Superbase 128 verfügt über eine eigene, leicht erlernbare Programmiersprache, 62 kB Arbeitsspeicher[932] und lässt sich neben der Datenverwaltung sowohl zur Tabellenkalkulation als auch zur Fakturierung einsetzen.[933]

Von Sybex stammt das mit deutschsprachiger Menüsteuerung ausgestattete Dateiverwaltungsprogramm StarDatei.[934] Der Markt+Technik Verlag veröffentlichte mit Prodat 128 eine für Einsteiger gedachte, kostengünstige Datenbankanwendung mit ähnlichem Leistungsumfang.[935][936] Aus dem gleichen Hause kommt auch die als Nachfolgerin von Prodat 128 konzipierte, menügesteuerte Dateiverwaltung Prodatei 128 mit leistungsfähigem Suchsystem, umfangreicher Druckerunterstützung über den CBM-Bus sowie eigener Programmiersprache mit 30 Instruktionen.[937][938] Data Becker entwickelte die mit 99 DM vergleichsweise preiswerte, über Pull-down-Menüs gesteuerte Datenbank Datamat 128 sowie deren Nachfolgerin Datamat Plus 128.[939] Beide Versionen besitzen jedoch weder eine eigene Programmiersprache noch umfassende Möglichkeiten der Auswertung von Datensätzen.[940] Für den CP/M-Modus gab der Markt+Technik Verlag außerdem das von Ashton-Tate entwickelte, standardsetzende relationale Datenbanksystem dBase II in einer deutschsprachigen Version heraus.[941] Zum Leistungsumfang der per Kommandozeileninterpreter zu bedienenden dBase II gehört ebenfalls eine eigene Programmiersprache zur Bearbeitung und Verknüpfung von Datensätzen.[942][943]

Steuer- und Finanzsoftware

CMS Software Systems veröffentlichte ein vier Disketten umfassendes, auf mittelständische Unternehmen und Großbetriebe ausgerichtetes Finanzbuchhaltungsprogramm namens CMS Accounting System für die Bereiche Hauptbuchhaltung, Gehaltsabrechnung, Kostenrechnung, Rechnungserstellung, Kreditoren- und Debitorenbuchhaltung. Zusätzlich konnte mit CMS Inventory 128 ein Anwendungsprogramm zur Verwaltung von Lagerbeständen erworben werden.[944] Auch Softsync entwickelte zwei Finanzbuchhaltungsprogramme: Personal Accountant für Kleinunternehmen und Accountant, Inc. für mittelständische Betriebe.[945] Ein weiteres Finanzbuchhaltungsprogramm für Kleinunternehmen namens The Accountant erschien bei KFS Software.[946] Mit Faktustar 128 brachte das Unternehmen Willi Fornoff Soft ein für mittelständische Unternehmen gedachtes Programmpaket zum Ausstellen von Lieferscheinen und Rechnungen, Führen von Kundendateien, Kassenbüchern und Lagerlisten sowie zum Verfassen von Geschäftsbriefen heraus.[947] Das von Jean-Daniel Lehmann Software & Service angebotene System Support Programm 128 (kurz SSP-128) bietet einen vergleichbaren Leistungsumfang, erlaubt aber zusätzlich das Einbinden von Software anderer Hersteller, etwa auf dem Gebiet der Textverarbeitungsprogramme.[948]

Daneben erschienen zahlreiche Programme für die private Finanzbuchhaltung, das Erstellen von Steuererklärungen und das persönliche Portfoliomanagement, darunter Checkbook 128 von Nu Age Software,[949] Finance and Statistics von Cardinal Software,[950] Money Master von PRG Software,[950] Personal Portfolio Manager 128 und das Technical Analysis System 128 von Abacus[950] sowie Swiftax 128 und Sylvia Porter’s Personal Financial Planner von Timeworks.[886][950] In Westdeutschland brachte der Markt+Technik Verlag das etwa zur Erstellung von Kontenplänen, Umsatzsteuerauswertung oder Kostenstellenrechnung geeignete Programm Finanzbuchhaltung für den CP/M-Modus auf den Markt.[824][951] Vom Unternehmen Dialog-Partner stammt das ebenfalls unter CP/M laufende, dem Erstellen des Lohnsteuerjahresausgleichs dienende Programm Privat-87, von dem jedes Jahr eine aktualisierte Version erschien (Privat-88, Privat-89 usw.).[952]

Tabellenkalkulationen

Tabellenkalkulationen wurden für den C128 teils als Einzelprogramme, teils als Bestandteil umfangreicherer Softwarepakete angeboten. Zu den reinen Tabellenkalkulationen zählen Swiftcalc 128 von Timeworks,[886] SwiftSheet 128 von Cosmi Corporation[953] sowie Paperback Planner 128 (zunächst auch unter dem Titel Pocket Planner 128 vertrieben) von Digital Solutions.[954] Softwarepakete mit Tabellenkalkulation und weiteren Dienstprogrammen wie Textverarbeitungen oder Datenbankanwendungen erschienen mit Rhapsody 128 von King Microware,[955] Trio 128 von Softsync[956] und Personal Choice Collection von Activision.[957] Kommerziell wenig erfolgreich war Multiplan C128, eine vom auf Computerspiele spezialisierten Publisher Epyx auf den C128 im CP/M-Modus portierte Fassung des Klassikers Microsoft Multiplan.[958] Multiplan C128 litt – bedingt durch den relativ langsamen, viel Speicherplatz beanspruchenden CP/M-Modus – an niedriger Datenverarbeitungsgeschwindigkeit und an lediglich 14 kB freiem Arbeitsspeicher.[959]

Büroanwendungen

Softsync veröffentlichte mit dem Desk Manager ein sowohl im 40- als auch im 80-Zeichen-Modus lauffähiges Softwarepaket mit verschiedenen Büroanwendungen inklusive Taschenrechnerfunktion, Terminplaner, Notizbuchfunktion, Telefondatei und einfachem Schreibprogramm für das Verfassen von Briefen.[960] Ein vergleichbares Angebot stellt der von Commodore selbst herausgegebene Partner 128 dar.[961]

Spiele

Beinahe alle für den marktführenden Vorgänger C64 produzierten kommerziellen Spiele laufen auch auf dem C128 im C64-Modus problemlos.[962] Ausnahmen bilden vor allem mit Diskettenschnellladern und Kopierschutzvorrichtungen ausgestattete Titel ohne Abstimmung auf die zum Vorgänger Commodore DOS 2.6 nicht vollständig kompatiblen Diskettenbetriebssysteme Commodore DOS 3.0 bzw. 3.1. Ein Beispiel hierfür ist der von Ocean Software veröffentlichte Action-Adventure-Titel Frankie Goes to Hollywood.[963] Gelegentlich liefen auch auf Kompaktkassetten veröffentlichte C64-Titel mit Schnellladern nicht reibungslos. Ein Beispiel hierfür ist das ebenfalls von Ocean Software stammende Arcadespiel Roland’s Rat Race.[962]

Die fast vollständige C64-Kompatibilität des C128 sowie der im Vergleich zum Vorgängermodell niedrigere Verbreitungsgrad des Rechners lieferten professionellen Publishern kaum Anreize, Spielesoftware eigens für den C128-Modus und dessen leistungsfähigere Hardware zu entwickeln.[964] Das Angebot an Spielen blieb daher überschaubar – ein in der Fachpresse häufig beklagter Zustand.[203][965][966][967] Die meisten Titel erschienen auf Diskette und wurden in den Jahren 1986 bis 1988 auf den Markt gebracht. Ein Großteil der wenigen Actionspiele für den C128-Modus besteht jedoch lediglich aus grafisch kaum verbesserten Portierungen von bereits veröffentlichten C64-Spielen, etwa Kikstart 2[968] oder The Last V8 vom Billiganbieter Mastertronic.[969][970][971][972] Nach der Produktionseinstellung im Jahr 1989 wurde keine neue Spielesoftware mehr für den C128-Modus geschrieben. Für den auf Anwendungsprogramme spezialisierten CP/M-Modus wurden überhaupt keine kommerziellen Spiele produziert. Vereinzelt erschienen aber auf aufwändige Grafik verzichtende Spieletitel wie das von Mike Goetz vom DEC-Minicomputer PDP-10 auf CP/M-Rechner portierte Textadventure Colossal Cave als Public-Domain-Software.[973]

Insgesamt waren zuletzt (Stand 4. August 2025) im Spielearchiv der Online-Datenbank MobyGames lediglich 23 im C128-Modus lauffähige, bis 1990 veröffentlichte kommerzielle Computerspiele dokumentiert.[974] Zu den seinerzeit beliebtesten Genres zählten interaktive, an Motive aus der Science-Fiction- bzw. Fantasy-Literatur anknüpfende Textadventures und Rollenspiele, die von den verbesserten Textdarstellungsfähigkeiten des 80-Zeichen-Grafikchips Gebrauch machen und vor allem von den US-amerikanischen Publishern Infocom sowie Sir-Tech herausgegeben wurden. Dazu zählen Umsetzungen einflussreicher Spiele-Franchises wie etwa Ultima oder Wizardry. Daneben wurden vereinzelt Actionspiele, Rennspiele und eine Marinesimulation von verschiedenen US-amerikanischen, britischen und japanischen Publishern wie Origin Systems, Mastertronic oder Taito veröffentlicht. Nach anfänglichem Enthusiasmus zogen sich die britischen Spieleproduzenten jedoch schon 1987 vollständig vom wenig lukrativen Markt für C128-Computerspiele zurück. 1989 erschien mit Fun Pak 128 eine acht Titel umfassende, von MobyGames nicht dokumentierte Spielesammlung.[975] Ebenfalls dort nicht dokumentiert ist das 1986 von Free Spirit Software herausgegebene, den Ersten Weltkrieg thematisierende Strategiespiel The Great War.[976]

Übersicht der kommerziellen Computerspiele für den C128-Modus

Titel Publisher Genre/Thematik Land Jahr
A Mind Forever Voyaging Infocom Textadventure, Science-Fiction, Dystopie, Interactive Fiction Vereinigte StaatenVereinigte Staaten 1985
Beyond Zork: The Coconut of Quendor Infocom Textadventure, Fantasy, Interactive Fiction Vereinigte StaatenVereinigte Staaten 1987
Bureaucracy Infocom Textadventure, Interactive Fiction Vereinigte StaatenVereinigte Staaten 1987
Fun Pak 128 IDG Communications Spielesammlung mit Rollenspiel, Arcadespiel und Denkspielen Vereinigte StaatenVereinigte Staaten 1989
Graham Gooch’s Test Cricket Audiogenic Sportsimulation Vereinigtes KonigreichVereinigtes Königreich 1986
The Hitchhiker’s Guide to the Galaxy Infocom Textadventure, Science-Fiction, Interactive Fiction Vereinigte StaatenVereinigte Staaten 1988
Kikstart 2 Mastertronic Rennspiel, Motorrad Vereinigtes KonigreichVereinigtes Königreich 1986
The Last V8 Mastertronic Rennspiel, Sportwagen Vereinigtes KonigreichVereinigtes Königreich 1986
Leather Goddesses of Phobos Infocom Textadventure, Science-Fiction, Interactive Fiction Vereinigte StaatenVereinigte Staaten 1988
Planetfall Infocom Textadventure, Science-Fiction, Interactive Fiction Vereinigte StaatenVereinigte Staaten 1988
Qix Taito Software Actionspiel, Arcade-Spiel JapanJapan 1989
The Rocky Horror Show CRL Group Actionspiel Vereinigtes KonigreichVereinigtes Königreich 1986
Science Fiction Classics Infocom Textadventure, Science-Fiction, Interactive Fiction Vereinigte StaatenVereinigte Staaten 1987
Sherlock: The Riddle of the Crown Jewels Infocom Textadventure, Detektivgeschichte, Interactive Fiction Vereinigte StaatenVereinigte Staaten 1988
Thai Boxing Anco Actionspiel, Sportsimulation Vereinigtes KonigreichVereinigtes Königreich 1986
The Great War Free Spirit Software Strategiespiel, Erster Weltkrieg Vereinigte StaatenVereinigte Staaten 1986
Trinity Infocom Textadventure, Science-Fiction, Fantasy, Interactive Fiction Vereinigte StaatenVereinigte Staaten 1986
Ultima V: Warriors of Destiny Origin Systems Rollenspiel, Fantasy Vereinigte StaatenVereinigte Staaten 1988
Up Periscope! Actionsoft Marinesimulation, Unterseeboot Vereinigte StaatenVereinigte Staaten 1986
Wishbringer Infocom Textadventure, Fantasy, Interactive Fiction Vereinigte StaatenVereinigte Staaten 1988
Wizardry: Proving Grounds of the Mad Overlord Sir-Tech Software Rollenspiel, Fantasy Vereinigte StaatenVereinigte Staaten 1987
Wizardry II: Knight of Diamonds Sir-Tech Software Rollenspiel, Fantasy Vereinigte StaatenVereinigte Staaten 1988
Wizardry III: Legacy of Llylgamyn Sir-Tech Software Rollenspiel, Fantasy Vereinigte StaatenVereinigte Staaten 1989
Wizardry V: Heart of the Maelstrom Sir-Tech Software Rollenspiel, Fantasy Vereinigte StaatenVereinigte Staaten 1989
Zork: The Great Underground Empire Infocom Textadventure, Fantasy, Interactive Fiction Vereinigte StaatenVereinigte Staaten 1987

Zeitschriften

Von einer Ausnahme abgesehen gab es keine kommerzielle Computerzeitschrift mit ausschließlichem Bezug zum C128. Allerdings berichteten neben diversen von Commodore selbst herausgegebenen Magazinen verschiedene, nicht an eine bestimmte Plattform oder einen bestimmten Hersteller gebundene Periodika in der englischsprachigen Welt sowie im deutschsprachigen Raum mehr oder minder regelmäßig über den C128 und versorgten ihre Leserschaft mit Informationen über verschiedenste, mit der Verwendung und Programmierung des Rechners verbundene Themengebiete. Wem diese Quellen nicht ausreichten, konnte sich auf dem Büchermarkt mit Fachliteratur versorgen. Zahlreiche westdeutsche Fachverlage wie Markt+Technik, Sybex oder Data Becker publizierten umfangreiche Monografien etwa über die Grundlagen des Rechners, seine BASIC-Programmierung oder das Programmieren in Assemblersprache.[977]

Englischsprachige Welt

In den Vereinigten Staaten erschien mit dem Commodore Magazine von 1987 bis 1989 eine ausschließlich Commodore-Rechner thematisierende Computerzeitschrift, die auch über den C128 berichtete. Außerdem erschienen in der zweiten Hälfte der 1980er Jahre mehrere unabhängige kommerzielle Computerzeitschriften mit inhaltlichem Bezug auf sämtliche 8-Bit-Rechner von Commodore, die sich auch regelmäßig mit dem C128 beschäftigten. Zu diesen vor allem mit Testberichten, Programmausdrucken zum Abtippen und Kaufberatungshinweisen aufwartenden Publikationen zählen Ahoy!, Compute!’s Gazette, das bis Anfang 1988 auf einem C128 mit der Textverarbeitung Vizastar 128 produzierte Magazin Info: The Useful Guide to Commodore Computing (ursprünglich Info–64)[978] und Run. Letztere wurde vom US-amerikanischen Mutterkonzern – der International Data Group (kurz IDG) – auch in einer deutschsprachigen Fassung auf den Markt gebracht. Das als Autorität geltende kanadische Computermagazin The Transactor war in ganz Nordamerika erhältlich und setzte den Schwerpunkt seiner Berichterstattung auf Hardwareprojekte, Bauanleitungen und Reparaturtipps, die gelegentlich auch den C128 betrafen. Ab Januar 1986 erschien außerdem das exklusiv über den C128 berichtende semiprofessionelle Informationsblatt Twin Cities 128.[979] Gegen Ende der Marktpräsenz des C128 wurde noch das rein diskettenbasierte US-amerikanische Computermagazin Loadstar 128 Quarterly auf den Markt gebracht, das sich in 42 vierteljährlich ab 1989 erschienenen Ausgaben ebenfalls ausschließlich dem C128 widmete.[980]

In Großbritannien wurden mit Commodore Horizons, Commodore Computing International, Commodore Disk User, dem Commodore User Magazine sowie Your Commodore mehrere ebenfalls rein auf Commodores 8-Bit-Computer Bezug nehmende, unabhängige Computerzeitschriften herausgebracht.

Commodore International selbst gab ab September 1986 die Zeitschrift Commodore Magazine heraus, die ebenfalls neben den übrigen 8-Bit-Heimcomputern aus dem eigenen Hause den C128 in ihre Berichterstattung einbezog. Entstanden ist dieses Periodikum aus der Zusammenlegung zweier älterer Commodore-Zeitschriften namens Commodore Power Play mit dem Schwerpunkt Computerspiele und Commodore Microcomputers mit dem Schwerpunkt Bürorechner der CBM-Reihe.

Deutschsprachiger Raum

Im deutschsprachigen Raum erschienen regelmäßig Programmausdrucke und Artikel über die Hardware des C128 in der populären Computerzeitschrift 64’er, die sich allerdings hauptsächlich mit dem marktführenden Vorgängermodell C64 beschäftigte und ab Mitte des Jahres 1990 die Berichterstattung über den C128 – von gelegentlichen Programmiertipps abgesehen – weitgehend einstellte.

Unter dem Titel 128’er wurden jedoch von Zeit zu Zeit Sonderhefte mit ausschließlichem Bezug zum C128 herausgebracht. Frühere, in den Jahren 1986 bis 1988 veröffentlichte Ausgaben dieser insgesamt 14 Sonderhefte enthalten Programmlistings zum Abtippen und kosteten 14 DM, während späteren Ausgaben ab 1989 zum Preis von 24 DM eine Diskette mit den im Heft behandelten Programmen beilag. Inhaltliche Schwerpunkte der 128’er-Sonderhefte bilden die volle Ausreizung der technischen Fähigkeiten der 80-Zeichen-Grafikchips MOS 8563 bzw. MOS 8568, Anwendungsprogramme, Hilfsprogramme, das Programmieren in Maschinensprache, Peripheriegeräte wie etwa das Diskettenlaufwerk VC1571, diverse CP/M-Anwendungen, Hardwareprojekte, Denkspiele und Programmierwettbewerbe. Das letzte 128’er-Sonderheft erschien 1995.[981]

Weitere, auf Commodore-Rechner spezialisierte Zeitschriften mit regelmäßiger Berichterstattung über den C128 waren die CBM-Revue (1984–1986) sowie deren Nachfolgerin Commodore Welt (1986–1988). Außerdem berichteten auch unabhängige, nicht an eine bestimmte Plattform oder einen bestimmten Hersteller gebundene Computermagazine wie Chip, c’t, Computer Kontakt, Computer Persönlich oder Happy Computer gelegentlich über den Rechner.

Am 1. Juni 1987 wurde mit dem Club 128’er Aktuell im nordrhein-westfälischen Oer-Erkenschwick ein ausschließlich dem C128 gewidmeter Computerclub gegründet. Der über 300 Mitglieder zählende Club veröffentlichte zweimonatlich ein eigenes, mit Testberichten, Programmiertipps sowie beigefügter Diskette aufwartendes Clubmagazin mit dem Titel 128’er Aktuell.[982]

Emulation

VICE-Logo

Zum gegenwärtigen Zeitpunkt (Stand 1. Juli 2016) gibt es im Internet nur einen regelmäßig gepflegten C128-Emulator. Der auf zahlreichen gängigen modernen Betriebssystemen wie etwa Windows, macOS, Linux oder Unix lauffähige und von einem vielköpfigen internationalen Entwicklerteam als Freeware zum kostenlosen Download zur Verfügung gestellte Versatile Commodore Emulator (kurz VICE) emuliert neben den Commodore-Rechnern PET 2001, den CBM-Bürorechnern, der CBM-600-Serie, dem VC20, C64 und Plus/4 auch den C128. Die VICE-Webseite enthält neben einer ausführlichen technischen Dokumentation mit Informationen zu den Hardware-Eigenschaften des C128 und einer frei zugänglichen Wissensdatenbank auch eine umfangreiche Bedienungsanleitung des preisgekrönten Emulationsprogramms. Die aktuelle Version 2.4 wurde am 16. November 2012 veröffentlicht.[983]

Zum Leistungsspektrum des C128-Emulators gehören Emulationen des Speicherverwaltungsbausteins MMU, des 80-Zeichen-Grafikchips MOS 8563, des 2-MHz-Modus des Hauptprozessors MOS 8502, des Zweitprozessors Z80A, des seriellen Busses des C128 sowie des C64-Modus.[984] Die Arbeit am C128-Emulator von VICE ist aber noch nicht abgeschlossen; so steht beispielsweise eine Umsetzung der Diskettenlaufwerke VC1571 bzw. VC1581 derzeit noch aus.

Rezeption

Zeitgenössisch

Als Nachfolgemodell des bis dahin erfolgreichsten Heimcomputers C64 mit einer weltweiten Anwenderbasis von mehreren Millionen Usern erregte die Markteinführung des C128 im Spätsommer des Jahres 1985 große Aufmerksamkeit in den führenden zeitgenössischen Computerzeitschriften, vor allem in den Vereinigten Staaten, Großbritannien und Westdeutschland. Schon Monate vor dem eigentlichen Verkaufsbeginn erschienen die ersten Testberichte. Dabei fielen die Urteile der Rezensenten sowohl in der englischsprachigen Welt als auch im deutschsprachigen Raum fast durchgehend positiv aus. Lediglich vereinzelt wurde Kritik an bestimmten Eigenschaften des C128 geübt.

Englischsprachige Welt

Zu den wichtigsten in der englischsprachigen Fachpresse behandelten Eigenschaften des C128 zählten das native Commodore BASIC V7.0, die C64-Kompatibilität des Rechners, sein Design sowie die Leistungsfähigkeit der im Gerät verbauten Hardware angesichts der aufkommenden Konkurrenz durch erschwingliche Rechner mit fortschrittlicher 16-Bit-Architektur. Daneben spielten aber auch der Preis, das Softwareangebot, die mitgelieferte Dokumentation sowie der CP/M-Modus eine Rolle.

Commodore BASIC V7.0

In der englischsprachigen Fachpresse wurde das leistungsfähige und mit umfangreichem Befehlssatz ausgestattete Commodore BASIC V7.0 des C128 fast durchgehend gelobt. Das gilt sowohl für ausschließlich Commodore-Computer behandelnde Computerzeitschriften[985][986] als auch für nicht an eine Plattform bzw. einen Hersteller gebundene Computermagazine.[793][987] Gelobt wurden beispielsweise die neuen Grafik- und Soundbefehle sowie die bedienungsfreundlichen Diskettenbefehle.[988][989][990] Auch die neuen Befehle zur einfachen Programmierung von Sprites wurden positiv hervorgehoben.[991] Die vom Commodore BASIC V7.0 gewährleistete Unterstützung strukturierten Programmierens überzeugte die Rezensenten ebenfalls.[992][993][994] In diesem Kontext wurden nicht zuletzt die neuen, der Fehlersuche dienenden Befehle des Commodore BASIC V7.0 genannt.[995] Bemängelt wurde hingegen das Fehlen spezieller Grafikbefehle für den hochauflösenden Grafikmodus des 80-Zeichen-Grafikchips MOS 8563.[996]

Außerdem fiel positiv auf, dass beim BASIC-Dialekt des C128 die vom C64 her gewohnte Notwendigkeit zahlreicher umständlicher PEEK- und POKE-Befehle zum direkten Auslesen und Beschreiben von Speicheradressen entfällt.[997][998] Auch wenn das Commodore BASIC V7.0 im 1-MHz-Modus generell ungefähr um ein Viertel langsamer ist als das Commodore BASIC V2.0, laufen daher bestimmte Anwendungen wie etwa das Darstellen geometrischer Figuren auf dem C128 schneller als auf dem Vorgängermodell.[999] Ferner wurde die Überlegenheit des Commodore BASIC V7.0 gegenüber den nativen BASIC-Dialekten anderer, mit dem C128 konkurrierender Rechner wie dem Applesoft BASIC des Apple IIc oder der Portierung von Microsoft BASIC des IBM-PCjr konstatiert.[1000][1001]

C64-Kompatibilität

Die nahezu vollständige Softwarekompatibilität des neuen Rechners zum C64 wurde ebenfalls von zahlreichen Rezensenten positiv herausgestellt.[997][999][1002] Der C128 war damit der erste Commodore-Heimcomputer, auf dem auch die für das Vorgängermodell entwickelte Software weitgehend problemlos lief.[992] Allerdings gab es hinsichtlich der Lauffähigkeit von C64-Programmen mit Kopierschutz von Anfang an durchaus berechtigte Zweifel.[1003]

Als weiterer Vorteil wurde die kostensparende Hardwarekompatibilität des Rechners zu sämtlichen für den C64 entwickelten Peripheriegeräten gewertet.[1004] Auch auf diesem Gebiet wurde jedoch schon früh eine gewisse Skepsis deutlich. Sowohl die von Commodore behauptete hundertprozentige C64-Hardwarekompatibilität des C128 als auch die VC1541-Hardwarekompatibilität des neuen 5¼-Zoll-Diskettenlaufwerks VC1571 wurden von einem Rezensenten offen angezweifelt.[1005] Bemängelt wurde überdies die Tatsache, dass im C64-Modus der zusätzliche Arbeitsspeicher des C128 nicht etwa als die Arbeitsgeschwindigkeit erhöhende RAM-Disk verwendet werden kann, um die vollständige C64-Hardwarekompatibilität des Rechners nicht zu gefährden.[1006]

Dass der C128 bei eingelegtem C64-Steckmodul beim Einschalten automatisch in den C64-Modus springt, wurde ebenfalls lobend erwähnt.[1007] Allerdings berichtete eine Rezension von Schwierigkeiten mit der Darstellung von Sprites beim Betrieb der Steckmodulversion des C64-Sportspielklassikers International Soccer.[1008]

Design
Concorde der British Airways mit hydraulisch abgesenkter Cockpitnase (1982)

Außerdem wurde die gelungene Ästhetik des Gehäusedesigns zu den hervorstechendsten Vorzügen des C128 gezählt, das etwa als ‚elegant‘ (englisch elegant),[1009] ‚eindeutig attraktiv‘ (englisch obviously attractive),[1010] ‚stilvoll‘ (englisch stylish),[1011] ‚schnittig‘ (englisch sleek),[1012] ‚umwerfend‘ (englisch stunning)[1013] oder gar ‚aufreizend‘ (englisch sexy)[1014] bezeichnet wurde. Die flache, an der Vorderseite spitz zulaufende Gehäuseform erinnerte einen Rezensenten sogar an das damals den technischen Fortschritt symbolisierende, von Großbritannien und Frankreich gemeinsam entwickelte Überschall-Passagierflugzeug Concorde mit hydraulisch absenkbarer Cockpitnase.[1002] Die ‚superflache beige Konsole‘ (englisch slimline beige console) entspreche im Übrigen dem typischen Geschmack eines ‚stilbewussten Geschäftsmanns‘ (englisch style-conscious businessman).[1015] Das gelte auch für den an Arbeitsplatzrechner bzw. Personal Computer erinnernden numerischen Ziffernblock.[1016]

Die ‚schlanke, sanft angeschrägte Tastatur‘ (englisch slim, gently sloping keyboard)[1017] wusste ebenfalls durch ihr gutes Tippgefühl,[1018] ihren ‚langen Tastenhub‘ (englisch deep key travel),[1008] ihre programmierbaren Funktionstasten[1019] sowie ihre das Editieren von Programmlistings erleichternden zusätzlichen Funktionstasten wie die Help-Taste, die Tabulatortaste, die Alt-Taste oder die Escape-Taste zu überzeugen.[999] Allerdings wurde die Tastatur gelegentlich als ‚leicht schwammig‘ (englisch slightly squishy) bemängelt.[1008] Der helle, cremefarbene Kunststoff des Gehäuses wurde zwar als ‚ästhetisch gefällig‘ (englisch aesthetically pleasing) gelobt, aber auch als ‚Schmutz anziehend‘ (englisch it does attract the dirt) kritisiert.[1020] Das Tastaturlayout nebst Lage der Cursor-Tasten,[1014] die ungünstige Position des Kassettenanschlusses[1006] sowie die große Stellfläche des C128D stießen ebenfalls vereinzelt auf Kritik.[1021]

Hardware
Amiga 1000 von Commodore (1985)

Hardwareseiig wurde das externe Schaltnetzteil für seine Wartungsfreundlichkeit gelobt, da es im Gegensatz zum C64-Netzteil weder versiegelt noch vergossen sei und man die Sicherung leicht von außen erreichen könne.[422] Zwecks Reparatur müsse einfach nur das massive Gehäuse aufgeschraubt werden.[1022] Gelobt wurden ebenfalls die hohe Verarbeitungsqualität[1008] sowie das gute Wärmemanagement des Netzgerätes.[1022][1023] Obendrein bot das Schaltnetzteil des C128 mehr Leistung als das des Vorgängermodells.[422]

Auch die hohe Qualität der Bildschirmausgabe,[422][1024] der hinzugefügte Reset-Schalter,[1024][1008] die Schnelligkeit des Diskettenlaufwerks VC1571,[987] die guten Soundfähigkeiten,[1000] das Wärmemanagement,[1022] die komplexe und hochwertige Hauptplatine[1011] sowie der dedizierte Grafikspeicher des MOS 8563 wurden gelobt.[1025] Die Komplexität der Hardwarearchitektur wurde sogar mit der zu Verspieltheit und zahlreichen Verzierungen neigenden Kunstepoche des Rokoko verglichen.[1026] Aufgrund seiner Hardwareeigenschaften könne der C128 tatsächlich, wie schon in Commodores Werbekampagne suggeriert, mit wesentlich teureren Rechnern wie dem Apple IIc oder dem IBM-PC konkurrieren.[997] Die recht niedrige Arbeitsgeschwindigkeit von angeblich effektiv lediglich 1,5 MHz[1027] sowie die Begrenztheit des Rechners auf eine Datenfernübertragungsrate von lediglich 1200 Baud lösten hingegen gelegentlich Skepsis aus.[1028] Auch das als umständlich empfundene Umschalten zwischen 40- und 80-Zeichen-Monitor stieß vereinzelt auf Kritik.[1029]

Bereits vor der Markteinführung des C128 wurde der Rechner ferner vereinzelt als bloßer ‚Lückenfüller‘ (englisch stop-gap) angesehen, dessen Hauptfunktion in der Überbrückung der bis zur Serienreife des neuen Amiga 1000 nötigen Zeitspanne bestehe.[1030] Der C128 stelle lediglich den letzten Versuch Commodores dar, noch einmal Geld auf dem schrumpfenden 8-Bit-Heimcomputermarkt zu verdienen, während die Zukunft den neuen 16-Bit-Mikrocomputern auf Basis des Hauptprozessors Motorola 68000 gehöre.[1031] Diese Sichtweise wird gelegentlich auch heute noch vertreten.[1032] Neben dem Amiga 1000 wurde auch der ebenfalls den Motorola 68000 als CPU verwendende Atari 520 ST als möglicherweise übermächtiger Konkurrent für den C128 gesehen.[1033]

Software

Das bereits mit Erscheinen des C128 extrem umfangreiche Softwareangebot für den C64-Modus sowie den CP/M-Modus wurde ebenfalls zu den großen Vorzügen des neuen Rechners gezählt.[1024] Schließlich handele es sich bei der in den C128 integrierten Systemsoftware von C64 und CP/M-Plus um die beiden populärsten Betriebssysteme überhaupt.[1034] Eine Rezensentin schätzte im Juni 1985 die Zahl der für den C64-Modus verfügbaren kommerziellen Programme auf 6.000, von denen die meisten 1983 oder später erschienen seien, während die für das Konkurrenzmodell Apple IIc verfügbare Software meist deutlich älter sei.[1035] Obendrein gebe es für den CP/M-Modus weitere, in die Tausende gehende Anwendungsprogramme.[1029] Der C128 stelle daher für Einsteiger, Hobbyisten und Geschäftsleute gleichermaßen ein ‚Schnäppchen‘ (englisch bargain) dar.[1036] Schon Anfang 1986 zeichnete sich jedoch ein Mangel an Software für den C128-Modus ab.[1037] Außerdem stieß die Softwareinkompatibilität des C128 zum mittlerweile zum Standardbetriebssystem aufgestiegenen PC-DOS des IBM-PC bzw. MS-DOS der IBM-PC-Kompatiblen auf Kritik.[1038]

Die Systemsoftware selbst stieß ebenfalls auf ein positives Echo. Das C128-Betriebssystem etwa wurde für seinen integrierten Maschinensprachemonitor gelobt.[1039] Dieser sei jederzeit bequem und zeitsparend einsetzbar, da er im Festspeicher residiere.[1040] Ferner sei er aufgrund seiner Bedienerfreundlichkeit auch für Anfänger gut nutzbar. Beispielsweise erlaube er das Übersetzen von Dezimalzahlen in Hexadezimalzahlen – und umgekehrt.[1041] Auch die C128-Portierung von CP/M-Plus wusste durch ihre im Vergleich zum für den C64 produzierten CP/M-Steckmodul relativ hohen Arbeitsgeschwindigkeit, ihre Flexibilität hinsichtlich der Verwendung unterschiedlicher Datenaufzeichnungsformate sowie ihre gelungene Emulation eines ADM-31-Terminals des US-amerikanischen Technologiekonzerns Lear Siegler zu überzeugen.[1042]

Sonstiges
All-in-one-Computer Amstrad CPC6128 (1985)

Die große Vielseitigkeit sowie das breite Einsatzspektrum des C128 gehörten ebenfalls in der zeitgenössischen Rezeption zu den Vorzügen des neuen Rechners.[122][1026][1034] In dieser Hinsicht könne es der C128 mit dem erheblich teureren Apple II aufnehmen und übertreffe diesen womöglich sogar.[1024] Was die Dokumentation betrifft, gab es Lob für das ausführliche und leicht verständliche, im Lieferumfang enthaltenen Handbuch.[1043][1044] Allerdings wurde das Handbuch auch für seine Unvollständigkeit kritisiert.[422][1001]

Hinsichtlich des Einführungspreises überwog das Lob. Die unverbindliche Preisempfehlung in Höhe von gerade einmal 300 US$[1045][1046] bzw. der erwartete Straßenpreis von ca. 250 £[1047] galten im Vergleich zu Konkurrenzmodellen wie dem Apple IIc oder dem IBM-PCjr als günstig.[122][1048] Auch im Vergleich zu den meist hochpreisigen CP/M-Computersystemen schnitt der C128 gut ab. Zum Zeitpunkt der Markteinführung im Sommer 1985 gab es weltweit keinen günstigeren CP/M-Rechner als den C128, was ebenfalls lobende Erwähnung fand.[1042] Ein Rezensent wertete ein aus einem C128 mit Commodore-Farbmonitor 1902 und Diskettenlaufwerk VC1571 bestehendes Komplettsystem im Vergleich zum Ende 1985 in Westeuropa erschienenen, technisch nur geringfügig leistungsschwächeren und ebenfalls CP/M-fähigen, aber deutlich preiswerteren britischen All-in-one-Computer Amstrad CPC6128 allerdings als überteuert.[1044]

Deutschsprachiger Raum

Volker Everts sieht im 64’er-Magazin den C128 „in einer völlig neuen Leistungsklasse“ und verortet den neuen Rechner „im Bereich zwischen Homecomputer und Personal Computer“.[1049] Begründet wird dies mit dem leistungsstarken BASIC-Dialekt, dem Sprite-Editor, der Fähigkeit zur Darstellung von 80 Zeichen pro Zeile, den guten Peripheriegeräten, dem gelungenen Design von Tastatur und Gehäuse sowie dem ausbaufähigen Arbeitsspeicher.[1050] Außerdem wird die umfangreiche Programmbibliothek hervorgehoben, die sich aus der C64-Kompatibilität sowie der CP/M-Fähigkeit des C128 ergebe.[1049] In einem weiteren, sehr ausführlichen Testbericht, der ebenfalls im 64’er-Magazin erschienen ist, loben Everts und Coautor Harald Meyer überdies die höhere Rechengeschwindigkeit des Hauptprozessors MOS 8502 im Vergleich zum MOS 6510 des Vorgängers C64.[1051] Auch die Komfortabilität des BASIC V7.0 hinsichtlich der Programmierung des Soundchips SID sowie der fest zum Betriebssystem gehörende Maschinensprachemonitor finden lobende Erwähnung.[1052] Allerdings bemängeln die Autoren die Tatsache, dass der neuentwickelte Grafikchip MOS 8563 im 80-Zeichen-Modus weder über einen eigenen Grafikmodus noch über BASIC-Befehle zur Erstellung von Grafiken in der Maximalauflösung verfügt.[643]

Auch Peter Zumbach von der Zeitschrift Happy Computer sieht den C128 als Grenzgänger zwischen Bürorechner und Heimcomputer.[1053] Lobende Erwähnung finden dabei die beiden vergleichsweise schnellen Hauptprozessoren, die C64-Kompatibilität, der große Arbeitsspeicher, die Ausbaufähigkeit des Arbeitsspeichers zu einer RAM-Disk, die laut Zumbach oft übersehene Grafikfähigkeit im hochauflösenden 80-Zeichen-Modus und die Möglichkeit, gleichzeitig zwei Monitore am C128 zu betreiben.[1054] Außerdem äußert sich der Rezensent positiv über die Grafikbefehle des komfortablen, strukturiertes Programmieren ermöglichenden BASIC V7.0, den Sprite-Editor, den Maschinensprachemonitor, die CP/M-Fähigkeit des Rechners sowie das verbesserte Diskettenlaufwerk VC1571.[1055] Schließlich lobt Zumbach noch die Programmierbarkeit der Funktionstasten sowie die bereits zum Zeitpunkt der Markteinführung zur Verfügung stehende „gigantische Palette an Software“.[1056] Weniger positiv äußert sich Stefan Grainer in der Fachzeitschrift c’t. Der C128 sei zwar CP/M-fähig und komme in einem professionellen Design daher, bringe aber gegenüber dem Vorgänger keinen ernsthaften technologischen Fortschritt. So arbeite der Rechner im CP/M-Modus viel zu langsam.[1057] Gelobt wird dagegen das umfangreiche BASIC V7.0 mit stark vergrößertem Befehlsumfang und Befehlen zur strukturierten Programmierung.[1058] Neben dem vergleichsweise günstigen Preis werden auch das schnellere Diskettenlaufwerk VC1571 und die Fähigkeiten des Speicherverwaltungschips MMU gewürdigt.[1059]

Im Computer Jahrbuch ’86 wird der C128 einmal mehr als „Mittelding zwischen Heimcomputer und Bürocomputer“ beschrieben.[1060] In der gleichen Publikation wird der Rechner überdies neben dem 16-Bit-Computer Atari 520 ST zu den „spektakulären Neuvorstellungen des Jahres 1985“ gerechnet.[3] Peter Niemann stellt den C128 in die Tradition der erfolgreichen Commodore-Heimcomputermodelle VC20 und C64 und macht die Stärken des Rechners in seinem günstigen Preis, seiner technischen Leistungsfähigkeit, geringen Größe, guten Grafikfähigkeit sowie seinem breiten Einsatzspektrum aus, das von Computerspielen bis zu ernsthaften Anwendungen wie Adressverwaltung oder Textverarbeitung reiche.[1061]

Auf Kritik stießen ferner die als unangenehm empfundenen Betriebsgeräusche des im C128D verbauten Lüfters.[1062]

Retrospektiv

Gründe für das Scheitern des C128

Der C128 besitzt einen festen, aber nicht herausragenden Platz im kollektiven Gedächtnis. Beispielsweise wird der Rechner in einigen Überblicksdarstellungen zur Geschichte der Heimcomputer zwar berücksichtigt, ohne jedoch durch eine ausführlichere Darstellung gewürdigt zu werden.[423][1063][1064] Ferner wird der C128 in vielen Technikmuseen als Exponat ausgestellt. Aus der Retrospektive wird der C128 meist eher als Misserfolg gewertet, was insbesondere an den im Vergleich zum C64 deutlich geringeren Verkaufszahlen[1065] und diversen Designfehlern festgemacht wird. Einer der Gründe für das relative Scheitern des C128 wird darin gesehen, dass der Rechner gegenüber dem C64 keine wirkliche technische Verbesserung darstellte und dem Vorgängermodell zu ähnlich gewesen sei.[423][538]

So weise der C128 lediglich eine reine 8-Bit-Architektur auf, obwohl zum Zeitpunkt der Markteinführung bereits klar war, dass die 8-Bit-Ära dem Ende entgegenging. Mit dem Intel 8088 habe jedoch zum Zeitpunkt der Entwicklung bereits ein kostengünstiger 16-Bit-Hauptprozessor zur Verfügung gestanden, der den Zweitprozessor Z80A hätte ersetzen und den Rechner IBM-PC-kompatibel hätte machen können.[1066] Schließlich hatte MS-DOS zu diesem Zeitpunkt CP/M als Standard-Betriebssystem im professionellen Bereich bereits abgelöst. Daher blieb der C128 trotz seines eleganten Designs, seiner vielen Schnittstellen und seines hochwertigen RGBI-Videosignals als eher langsamer Bürorechner weitgehend erfolglos.[1063] Außerdem erschienen bald nach dem C128 leistungsfähigere Rechner, von Commodore selbst der Amiga sowie der Atari ST.[179]

Neu und leistungsstärker im Vergleich zum C64 war der C128 nur im C128-Modus. Dieser Modus war jedoch zum C64 nicht kompatibel. Dazu musste man den C128 im C64-Modus starten.[1067] Mit dem C64-Modus konnte ein C128-Modus zwar die für den C64 produzierten Programme nutzen, daher gab es aber nur wenig Anreize für Drittanbieter, Software (wie z. B. Spiele) eigens für den C128-Modus zu entwickeln. Für die Mehrheit der potenziellen Käufer, die sich vor allem für ein Spielgerät interessierte, war der C128 daher nicht attraktiver als der ohnehin kostengünstigere C64. So blieb die Programmbibliothek für den nativen C128-Modus begrenzt. Neben einigen Anwendungsprogrammen sowie Programmiersprachen seien lediglich rund 20 Computerspiele gezielt für das Hauptbetriebssystem des Rechners entwickelt worden.[1063][206] Daher sei der C128 ganz überwiegend nur im C64-Modus verwendet worden, während der C128- sowie der CP/M-Modus eher selten betrieben worden seien.[538]

Ferner sei CP/M zum Zeitpunkt der Markteinführung bereits „längst überholt“[1068] oder gar „vollkommen veraltet“[206] gewesen, weshalb der C128 keine ernsthafte Konkurrenz für den IBM-PC mit seinem moderneren Standardbetriebssystem PC DOS dargestellt habe.[1069] Diese Wahrnehmung spiegelt sich auch in der Metaphorik zeitgenössischer Computerzeitschriften wider. Dort wurde CP/M schon zum Zeitpunkt der Markteinführung des C128 beispielsweise als „Großpapa der Betriebssysteme“ (englisch granddaddy of operating systems) bezeichnet,[1070] der mit über zehn Jahren bereits ein „biblisches Alter“ erreicht habe.[1071] Die mangelhafte Dokumentation der C128-Portierung von CP/M-Plus etwa im Hinblick auf die für einen CP/M-Rechner ungewöhnlichen Grafik- und Soundfähigkeiten bereitete den Publishern obendrein Probleme bei der Entwicklung neuer CP/M-Software für den C128.[1072]

Im Übrigen sei der Arbeitsspeicher von 128 kB gegenüber den seinerzeit üppigen 64 kB des drei Jahre älteren Vorgängermodells in der Preisklasse des C128 Mitte der 1980er Jahre nichts Besonderes mehr gewesen, sondern branchenüblicher Standard.[1073] Letztlich wurde der in die Jahre gekommenen 8-Bit-Technologie durch die komplexe Systemarchitektur des C128 zwar eine überdurchschnittliche, aber gegenüber dem C64 nicht wirklich herausragende Leistung abgerungen, für die man allerdings einen erheblich höheren Preis bezahlen musste.[538]

Retrocomputing und Retrogaming

Designklassiker NeXTcube (1990–1993)

Der Technikjournalist Tony Smith wies dem C128 im Jahr 2013 auf der Neuigkeiten aus dem Technologiebereich präsentierenden Webseite The Register den dritten Platz unter den zehn attraktivsten Rechnern aller Zeiten zu, direkt hinter dem Apple MacBook Air und dem Apple Power Mac G4 Cube des britischen Stardesigners Jonathan Ive, aber noch vor Designklassikern wie dem unter der Mitwirkung von Steve Jobs entwickelten NeXTcube oder dem Supercomputer Cray-2.[37] Als Sammlerobjekt ist der C128 auf dem Gebiet des Retrocomputing heutzutage tatsächlich immer noch populär, nicht zuletzt auch unter den zahlreichen C64-Enthusiasten, die den C128 aufgrund seiner technischen Überlegenheit sowie seines zuverlässigeren und leistungsstärkeren Netzteils schätzen.[1074] Beispielsweise können die an sich hardwarekompatiblen Speichererweiterungen 1700, 1750 sowie 1764 auf dem C64 mit dem schwächeren Originalnetzteil nicht betrieben werden, da sie 200 Milliampere mehr Leistung benötigen.[1075][1076]

Das ursprüngliche Tastaturcomputermodell von 1985 wird heutzutage immer noch regelmäßig auf Sammlerbörsen oder Internetauktionen wie eBay oder Craigslist angeboten. Während die ab 1986 erschienenen Desktop-Modelle in Europa ebenfalls relativ häufig zum Verkauf eingestellt werden, sind sie in Nordamerika aufgrund ihrer dort kürzeren Marktpräsenz etwas seltener.[1074] Den größten Seltenheitswert besitzt der nur relativ kurz hergestellte C128D mit Plastikgehäuse. Der heutige Wert eines C128-Modells schwankt jedoch stark und hängt neben der Zugehörigkeit zu einer Modellvariante vom Zustand, der Funktionsfähigkeit sowie dem Vorhandensein von Originalverpackung und Zubehör ab.

In der Retrogaming-Szene dagegen ist der C128 unter Spielern, die der Originalhardware gegenüber Emulatoren den Vorzug geben, etwas weniger begehrt. Einerseits liegt das am eher mageren Angebot an Spielesoftware für den C128-Modus, andererseits wird lieber auf den technisch weniger komplexen und preisgünstigeren C64 zurückgegriffen, um gelegentlich auftretende Kompatibilitätsprobleme beim Betrieb klassischer C64-Computerspiele zu vermeiden.[1074]

Literatur (Auswahl)

Technische Dokumentation
  • C128 Diagnostic Instruction And Troubleshooting Manual. Commodore Business Machines, West Chester 1986
  • Service Manual C128/C128D Computer. Commodore Business Machines, West Chester 1987
  • Service Manual Model C-128 Computer (Preliminary). Commodore Business Machines, West Chester 1985
Deutschsprachige Monografien
  • Jörg Allner, Kerstin Allner: Computer Classics. Die Highlights aus 30 Jahren Homecomputer. Data-Becker, Düsseldorf 2003, ISBN 978-3-8158-2339-2.
  • Bernhard Bachmann: Commodore 128: Arbeiten mit CP/M Plus. Sybex, Düsseldorf 1987, ISBN 978-3-88745-638-2.
  • Dietmar Eirich, Peter Herzberg (Hrsg.): Computer Jahrbuch ’86. Heyne, München 1985, ISBN 978-3-453-47056-9.
  • Winnie Forster: Spielkonsolen und Heimcomputer 1972–2009. Gameplan, Utting 2009, ISBN 978-3-00-024658-6.
  • Klaus Gerits, Frank Kampow: Das Premierenbuch – Der neue C 128. Data-Becker, Düsseldorf 1985, ISBN 3-89011-062-2.
  • Klaus Gerits, Jörg Schieb, Frank Thrun: Commodore 128 intern. Data-Becker, Düsseldorf 1985, ISBN 3-89011-098-3.
  • Larry Greenly, Fred Bowen, Bil Herd et al.: Das C128 Buch. Sybex, Düsseldorf 1986, ISBN 3-88745-618-1.
  • Nikolaus Huber, Florian Müller: Alles über den C128: Anwender- und Programmierhandbuch. Markt+Technik, Haar bei München 1988, ISBN 3-89090-613-3.
  • Jürgen Hückstädt: BASIC 7.0 auf dem Commodore 128. Markt+Technik, Haar bei München 1985, ISBN 3-89090-170-0.
  • Ronald Körber: C 128: Alles über Grafik. Markt+Technik, Haar bei München 1989, ISBN 3-89090-748-2.
  • Boris Kretzinger: Commodore. Aufstieg und Fall eines Computerriesen. Skriptorium, Morschen 2005, ISBN 3-938199-04-0.
  • Bernd Leitenberger: Computergeschichte(n): Die ersten Jahre des PC. Books on Demand, Norderstedt 2012, ISBN 978-3-8423-5164-6.
  • Florian Matthes: Pascal mit dem C128. Markt+Technik, Düsseldorf 1987, ISBN 3-89090-386-X.
  • Florian Müller: C64/C128: Alles über GEOS 2.0. Markt+Technik, Haar bei München 1989, ISBN 3-89090-808-X.
  • Dr. Ruprecht: C128: ROM-Listing. Markt+Technik, Haar bei München 1986, ISBN 3-89090-212-X.
  • Peter Rosenbeck: Das Commodore 128 Handbuch. Markt+Technik, Haar bei München 1985, ISBN 3-89090-171-9.
  • Rudolf Schineis, Michael Braun, Norbert Demgensky: C128 ROM-Listing: Operating System. Markt+Technik, Haar bei München 1986, ISBN 3-89090-221-9.
  • Rudolf Schineis, Michael Braun, Thomas Grellner: C128 ROM-Listing: BASIC 7.0-Betriebssystem. Markt+Technik, Haar bei München 1986, ISBN 3-89090-220-0.
  • Heribert Schmidt, Norbert Szczepanowski: Commodore 128 für Einsteiger. Mit GEOS-Einführung. Data-Becker, Düsseldorf 1988, ISBN 3-89011-099-1.
  • Heinz Wrobel: Der DATA BECKER Führer: Commodore 128. Data-Becker, Düsseldorf 1987, ISBN 3-89011-414-8.
  • Christian Zahn, Boris Kretzinger, Enno Coners: Die Commodore-Story. CSW-Verlag, Winnenden 2013, ISBN 978-3-941287-35-8.
Deutschsprachige Rezensionen und Zeitschriftenartikel
  • Volker Everts: PC128 – Der Profi. In: 64’er. Bd. 2, Nr. 4, 1985, S. 13–16.
  • Volker Everts, Harald Meyer: Erster ausführlicher Test PC128 (Teil 1). In: 64’er. Bd. 2, Nr. 6, 1985, S. 16–28.
  • Volker Everts, Harald Meyer: Erster ausführlicher Test PC128 (Teil 2). In: 64’er. Bd. 2, Nr. 7, 1985, S. 17–22.
  • Elmar Friebe: Aufstieg und Fall von Commodore. In: Chip-Sonderheft: Kult-Computer der 80er, 2013, S. 16–26.
  • Stefan Grainer: Drei in einem. Commodores Verwandlungskünstler C128. In: c’t. Bd. 3, Nr. 10, 1985, S. 34–36.
  • Bil Herd: Die C128-Story: Die Sache mit der Drehtür (Teil 1). In: 64’er. Bd. 11, Nr. 1, 1994, S. 10–11.
  • Bil Herd: Die C128-Story: Die Sache mit der Drehtür (Teil 2). In: 64’er. Bd. 11, Nr. 2, 1994, S. 6–7.
  • Jürgen Zumbach: C128, Schmelztiegel der Systeme. In: Happy Computer. Bd. 4, Nr. 8, 1986, S. 120.
  • Peter Zumbach: Computer der dritten Art. 520 ST und C128. In: Happy Computer. Bd. 3, Nr. 9, 1985, S. 22–32.
Englischsprachige Monografien
  • Brian Bagnall: Commodore: A Company on the Edge. Variant-Press, Winnipeg 2010, ISBN 978-0-9738649-6-0.
  • Larry Greenly et al.: Commodore 128. Programmer’s Reference Guide. Bantam-Computer-Books/Commodore-Publications, Toronto 1986, ISBN 0-553-34378-5.
  • Mitchell Waite, Robert Lafore, Jerry Volpe: The Official Book for the Commodore 128 Personal Computer. Indianapolis: Howard W. Sams & Co., 1985, ISBN 0-672-22456-9.
Englischsprachige Rezensionen und Zeitschriftenartikel
  • Charles Brannon: Inside the 128. In: Compute!’s Gazette. Bd. 3, Nr. 6, 1985, S. 20–30.
  • Keith Ferrell: The Future Of The 64 & 128: Industry Leaders’ Forecast. In: Compute!’s Gazette. Bd. 6, Nr. 5, 1988, S. 12–21.
  • Tom R. Halfhill: The Commodore 128: A Hands-On Report. In: Compute! Bd. 7, Nr. 6, 1985, S. 18–28.
  • Christopher Jenkins: CBM International shares down again. In: Commodore Horizons. Bd. 2, Nr. 6, 1985, S. 9.
  • Morton Kevelson: Opening Ceremonies for the Commodore 128. In: Ahoy! Bd. 2, Nr. 8, 1985, S. 29–35.
  • Margaret Morabito: The C-128: How Does It Stack Up? In: Run. Bd. 2, Nr. 6, 1985, S. 46–49 u. S. 90–91.
  • Louis Wallace: What’s 8-bit, 3½ inches and 640 × 200? In: Run. Bd. 4, Nr. 10, 1987, S. 38–43.
  • Arthur Young: What do you get if you cross a Commodore 64 with a CP/M business machine and a new 128K micro? In: Your Computer. Bd. 5, No. 6, 1985, S. 48–49.
Commons: Commodore 128 – Sammlung von Bildern, Videos und Audiodateien

Online-Computermuseen

  • 8-Bit-Nirvana technikhistorische Skizze
  • Commodore Computer Online Museum technikhistorischer Übersichtsartikel
  • Computer Collection Vienna (Memento des Originals vom 27. Mai 2014 im Webarchiv archive.today) technikhistorischer Übersichtsartikel mit 3D-Modell des C128
  • Old-Computers.com (Memento des Originals vom 30. September 2023 im Internet Archive) technikhistorische Skizze (englisch)
  • Oldcomputers.net technikhistorische Skizze (englisch)

Einzelnachweise

  1. Walter Greulich (Red.): Der Brockhaus: Computer und Informationstechnologie. F.A. Brockhaus, Mannheim/Leipzig 2003, S. 147.
  2. a b c Boris Kretzinger: Commodore. Aufstieg und Fall eines Computerriesen. Skriptorium, Morschen 2005, S. 49.
  3. a b Dietmar Eirich, Peter Herzberg: Computer Jahrbuch ’86. Heyne, München 1985, S. 22.
  4. a b Ken Polsson: Chronology of Personal Computers. In: PC Timeline. Abgerufen am 15. Dezember 2015 (englisch).
  5. a b c d Thorsten Kuphaldt: Commodore 128. In: Commodore Computer Online Museum. Abgerufen am 13. April 2014.
  6. Steven Stengel: Commodore 128D computer. In: Oldcomputers.net. Abgerufen am 19. April 2014 (englisch).
  7. Bernd Leitenberger: Computergeschichte(n): Die ersten Jahre des PC. Books on Demand, Norderstedt 2012, S. 297.
  8. a b c d e f g h i Ian Matthews: Commodore 128 – The Most Versatile 8-Bit Computer Ever Made. In: Commodore Computers. 12. Juni 2012, abgerufen am 13. April 2014 (englisch).
  9. Mitchell Waite, Robert Lafore, Jerry Volpe: The Official Book for the Commodore 128 Personal Computer. Howard W. Sams & Co., Indianapolis 1985, S. 1.
  10. a b Christina Erskine: CBM & Atari launch 8 new micros. In: Popular Computing Weekly. Bd. 4, Nr. 2, 1985, S. 1.
  11. Benn Dunnington: News & Views Special CES Edition. In: Info-64. Nr. 6, 1985, S. 18.
  12. a b C128 Price Exclusive. In: Commodore Horizons. Bd. 2, Nr. 9, 1985, S. 12.
  13. 128 Gunfight at the UK Corral. In: Your Computer. Bd. 5, Nr. 9, 1985, S. 15.
  14. Christina Erskine: C128 ‚price is right‘ – extras still unclear. In: Popular Computing Weekly. Bd. 4, Nr. 30, 1985, S. 1.
  15. a b Christina Erskine: Atari and CBM show micros. In: Popular Computing Weekly. Bd. 4, Nr. 17, 1985, S. 6.
  16. Scott Mace: Commodore Enters Price War. In: InfoWorld. Bd. 7, Nr. 7, 1985, S. 16.
  17. Anonymus: Atari vs. Commodore: der Heimcomputer-Krieg. In: PC Games Hardware. 2. Juli 2016, abgerufen am 17. März 2017.
  18. Brian Bagnall: Commodore: A Company on the Edge. Variant-Press, Winnipeg 2010, S. 439.
  19. Brian Bagnall: Commodore: A Company on the Edge. Variant-Press, Winnipeg 2010, S. 438.
  20. Brian Bagnall: Commodore: A Company on the Edge. Variant-Press, Winnipeg 2010, S. 498.
  21. Brian Bagnall: Commodore: A Company on the Edge. Variant-Press, Winnipeg 2010, S. 444 f.
  22. Brian Bagnall: Commodore: A Company on the Edge. Variant-Press, Winnipeg 2010, S. 439 ff.
  23. a b c d Christian Zahn, Boris Kretzinger, Enno Coners: Die Commodore-Story. CSW-Verlag, Winnenden 2013, S. 57.
  24. Boris Kretzinger: Commodore. Aufstieg und Fall eines Computerriesen. Skriptorium, Morschen 2005, S. 45.
  25. Eugene Lacey: Going for the President: Commodore International boss, Marshall Smith, interviewed. In: Commodore User Magazine. Bd. 2, Nr. 8, 1985, S. 41.
  26. Guy Wright: The C-128 – A New Era Of Compatibility. In: Run. Bd. 2, Nr. 5, 1985, S. 22.
  27. a b c d e f g h i j k l Bil Herd: The Real Story of Hacking Together the Commodore C128. In: Hackaday. 9. Dezember 2013, abgerufen am 22. April 2014 (englisch).
  28. Brian Bagnall: Commodore: A Company on the Edge. Variant-Press, Winnipeg 2010, S. 477.
  29. Nicolas Welte: The Secret Weapons of Commodore. In: GO64! Bd. 4, Nr. 4, 2000, S. 8.
  30. Brian Bagnall: Commodore: A Company on the Edge. Variant-Press, Winnipeg 2010, S. 476.
  31. a b c d Bil Herd: Die C128-Story: Die Sache mit der Drehtür (Teil 1). In: 64’er. Bd. 11, Nr. 1 (Januar 1994), S. 10.
  32. Michael Pauly: Hardware-Auswahl leicht gemacht. Markt+Technik, Haar bei München 1981, S. 38.
  33. a b Bil Herd: Die C128-Story: Die Sache mit der Drehtür (Teil 2). In: 64’er. Bd. 11, Nr. 2 (Februar 1994), S. 7.
  34. a b c Boris Kretzinger: Commodore. Aufstieg und Fall eines Computerriesen. Skriptorium, Morschen 2005, S. 50.
  35. Christian Zahn, Boris Kretzinger, Enno Coners: Die Commodore-Story. CSW-Verlag, Winnenden 2013, S. 33.
  36. a b Boris Kretzinger: Commodore. Aufstieg und Fall eines Computerriesen. Skriptorium, Morschen 2005, S. 29.
  37. a b Tony Smith: The ten SEXIEST computers of ALL TIME. In: The Register. 9. April 2013, abgerufen am 14. Oktober 2015 (englisch).
  38. Kathy Chin: Bold Plans For ‚New‘ Atari. In: InfoWorld. Bd. 6, Nr. 50, 1984, S. 15.
  39. Brian Bagnall: Commodore: A Company on the Edge. Variant-Press, Winnipeg 2010, S. 208.
  40. Christian Zahn, Boris Kretzinger, Enno Coners: Die Commodore-Story. CSW-Verlag, Winnenden 2013, S. 34.
  41. Brian Bagnall: Commodore: A Company on the Edge. Variant-Press, Winnipeg 2010, S. 475 f.
  42. Mickey McLean: ’80s Ups & Downs. In: Compute!’s Gazette. Bd. 8, Nr. 1, 1990, S. 18.
  43. Dafna Israeli: Vegas – Atari’s gamble. In: Popular Computing Weekly. Bd. 4, Nr. 3, 1985, S. 11.
  44. Christina Erskine: C128 ‚price is right‘ – extras still unclear. In: Popular Computing Weekly. Bd. 4, Nr. 30, 1985, S. 4.
  45. Scott Mace: Commodore Shows New 128. In: InfoWorld. Bd. 7, Nr. 4, 1985, S. 20.
  46. Christina Erskine: Atari and CBM show micros. In: Popular Computing Weekly. Bd. 4, Nr. 17, 1985, S. 1.
  47. a b Andreas Hagedorn, Heinrich Lenhardt, Michael Lang, Petra Wängler: Aktuelles. In: Happy Computer. Bd. 3, Nr. 7, 1985, S. 10.
  48. Bohdan Buciak: Gunning for the Big Boys: Commodore at Hanover Fair. In: Commodore User Magazine. Bd. 2, Nr. 6, 1985, S. 7.
  49. Bohdan Buciak: Gunning for the Big Boys: Commodore at Hanover Fair. In: Commodore User Magazine. Bd. 2, Nr. 6, 1985, S. 8.
  50. Christina Erskine: Show-Time Again. In: Commodore User Magazine. Bd. 2, Nr. 6, 1985, S. 14.
  51. Christina Erskine: First details of Commodore Show. In: Commodore Computing International. Bd. 3, Nr. 10, 1985, S. 7.
  52. Public see the 128. In: Your Commodore. Bd. 2, Nr. 8, 1985, S. 6.
  53. Christina Erskine: First showing of C128 at show. In: Popular Computing Weekly. Bd. 4, Nr. 24, 1985, S. 5.
  54. Bohdan Buciak: 128D Launched. In: Commodore User Magazine. Bd. 3, Nr. 3, 1986, S. 8.
  55. David Kelly: Commodore 128D launched at NEC. In: Popular Computing Weekly. Bd. 5, Nr. 4, 1986, S. 1.
  56. C128D launched. In: Commodore Horizons. Bd. 3, Nr. 3, 1986, S. 7.
  57. John Lettice: Commodore alters prices and plans a new look for the 64. In: Popular Computing Weekly. Bd. 5, Nr. 20, 1986, S. 5.
  58. a b c Selby Bateman, Tom R. Halfhill: Report From The Winter Consumer Electronics Show. In: Compute! Bd. 9, Nr. 4, 1987, S. 30.
  59. Dennis Brisson: Commodore Exec Speaks Out! In: Run. Bd. 4, Nr. 5, 1987, S. 32.
  60. Winter CES Report. In: Info. The Useful Guide to Commodore & Amiga Computing. Nr. 14, 1987, S. 145.
  61. Bo Zimmerman: The C128D/81 Page. In: Commodore Gallery. Abgerufen am 29. Januar 2017 (englisch).
  62. Stefan Egger: Projekt C128D/81. In: Computer Collection Vienna. Abgerufen am 29. Januar 2017.
  63. Al Anger: Prototype 128D with 3.5 inch Drive. In: The Personal Gallery of Al Anger. Abgerufen am 29. Januar 2017 (englisch).
  64. Corby Sold. In: Commodore User Magazine. Bd. 3, Nr. 6, 1986, S. 7.
  65. Christina Erskine: Corby plant shut by Commodore. In: Popular Computing Weekly. Bd. 5, Nr. 2, 1986, S. 4.
  66. Jürgen Zumbach: Veränderungen bei Commodore-Braunschweig. In: Happy Computer. Bd. 4, Nr. 11, 1986, S. 22.
  67. a b c Cameron Kaiser: The 128 Remixes: Commodore 256, 128D/81, 128DL, 128CR. In: Floodgap Retrobits. 1. Juli 2007, abgerufen am 6. August 2014 (englisch).
  68. Commodore Business Machines, Inc. (Hrsg.): Service Manual C128/C128D Computer. Commodore Business Machines, West Chester 1987, S. 26.
  69. a b c d Robby Boey: Commodore Legends: Dave Haynie – Part I. In: MOS 6502 – A Commodore Geek’s Blog. 20. April 2011, abgerufen am 6. August 2014 (englisch).
  70. a b Keith Ferrell: The Future Of The 64 & 128: Industry Leaders’ Forecast. In: Compute!’s Gazette. Bd. 6, Nr. 5, 1988, S. 18.
  71. Christian Zahn, Boris Kretzinger, Enno Coners: Die Commodore-Story. CSW-Verlag, Winnenden 2013, S. 89.
  72. Christina Erskine: Doubts over C16 and Plus/4. In: Popular Computing Weekly. Bd. 4, Nr. 3, 1985, S. 1.
  73. Jürgen Zumbach: Neues vom Commodore 128. In: Happy Computer. Bd. 3, Nr. 10, 1985, S. 16.
  74. Benn Dunnington: News & Views Special CES Edition. In: Info-64. Nr. 7, 1985, S. 54.
  75. Benn Dunnington: C-128 Update. In: Info. The Useful Guide to Commodore Computing. Nr. 8, 1985, S. 13.
  76. Meanwhile, the C128 …. In: TPUG Magazine. Nr. 17, 1985, S. 2.
  77. Dave Carlos: Commodore ’85. In: Home Computing Weekly. Nr. 117, 18.–24. Juni, 1985, S. 19.
  78. Dave Carlos: How many 128s by Christmas? In: Home Computing Weekly. Nr. 125, 13.–19. August, 1985, S. 1.
  79. C128 delay – C16 to go? In: Commodore Horizons. Bd. 2, Nr. 11, 1985, S. 9.
  80. Commodore Announce 128 Software. In: Commodore User Magazine. Bd. 2, Nr. 10, 1985, S. 5.
  81. Christina Erskine: CBM expands C128 and C64. In: Popular Computing Weekly. Bd. 4, Nr. 36, 1985, S. 1.
  82. Christina Erskine: C128 takes a nose-dive! In: Popular Computing Weekly. Bd. 4, Nr. 38, 1985, S. 1.
  83. Nicolas Welte: The Secret Weapons of Commodore. In: GO64! Bd. 4, Nr. 4, 2000, S. 10.
  84. a b Christina Erskine: CBM turns to Amiga as 128 hits shops. In: Popular Computing Weekly. Bd. 4, Nr. 41, 1985, S. 4.
  85. Dennis Brisson: November Highlights. In: Run. Bd. 2, Nr. 11, 1985, S. 6.
  86. Christina Erskine: C128 hampered by disc drive delay. In: Popular Computing Weekly. Bd. 4, Nr. 43, 1985, S. 4.
  87. a b c Benn Dunnington: A Nostalgic Look Back at the Commodore 128. In: Info-64. Nr. 9, 1985, S. 25.
  88. Christina Erskine: Drive and monitor for C128 emerge. In: Popular Computing Weekly. Bd. 4, Nr. 44, 1985, S. 4.
  89. Christina Erskine: Commodore 1571 disc drive now in shops. In: Popular Computing Weekly. Bd. 5, Nr. 13, 1986, S. 5.
  90. Andreas Hagedorn, Heinrich Lenhardt, Michael Lang, Manfred Kotting, Ulrich Eike, Petra Wängler, Jürgen Zumbach: Systems: Eine Messe platzt aus den Nähten. In: Happy Computer. Bd. 4, Nr. 1, 1986, S. 10.
  91. Arnd Wängler: Computer live. In: Happy Computer. Bd. 4, Nr. 2, 1986, S. 13.
  92. Boris Schneider: Neues von der Commodore-Fachausstellung. In: 64’er. Bd. 2, Nr. 12, 1985, S. 8.
  93. a b c d e f Jürgen Zumbach: Aller guten Dinge sind drei. In: Happy Computer. Bd. 4, Nr. 3, 1986, S. 64.
  94. Boris Schneider: 1901-Monitor zum C128 endlich lieferbar. In: 64’er. Bd. 2, Nr. 12, 1985, S. 8.
  95. Markus Ohnesorg: Großer Monitortest. In: 64’er. Bd. 3, Nr. 1, 1986, S. 30.
  96. Peggy Herrington: Going Online. In: Info-64. Nr. 9, 1985, S. 39.
  97. a b c d Dennis Brisson: Running Ruminations. In: Run. Bd. 6, Nr. 1, 1989, S. 6.
  98. Commodore News. In: Info. The Useful Guide to Amiga & Commodore Computing. Nr. 21, 1988, S. 15.
  99. John Lettice: Sidecar to launch soon. In: Popular Computing Weekly. Bd. 5, Nr. 39, 1986, S. 5.
  100. a b Dennis Brisson: Running Ruminations. In: Run. Bd. 3, Nr. 5, 1986, S. 6.
  101. a b Dennis Brisson: Running Ruminations. In: Run. Bd. 3, Nr. 7, 1986, S. 6.
  102. Stephen Twombly: A Message from The Publisher. In: Run. Bd. 3, Nr. 9, 1986, S. 10.
  103. a b Gregor Neumann: Der C64 lebt! In: Happy Computer. Bd. 5, Nr. 4, 1987, S. 18.
  104. a b c Dan Baker: 1581 Disk Drive. In: Commodore Magazine. Bd. 1, Nr. 11, 1987, S. 50.
  105. a b Mark R. Brown, Benn Dunnington: 1764/1581 Prices. In: Info. The Useful Guide to Commodore & Amiga Computing. Nr. 16, 1987, S. 68.
  106. a b Harald Beiler: Der kleine Speicher-Riese: 800 kB auf einer Floppy! in: Commodore Welt. Bd. 4, Nr. 10, 1987, S. 5.
  107. Gregor Neumann: Nachrüstung für C64 und C128. In: Happy Computer. Bd. 4, Nr. 12, 1986, S. 30.
  108. Boris Schneider, Jörg Kähler: CES – Im Zeichen der Unterhaltung. In: 64’er. Bd. 4, Nr. 3, 1987, S. 11.
  109. Joel M. Rubin: The Edge Connection. In: The Transactor. Bd. 9, Nr. 4, 1989, S. 22.
  110. a b Heinz Behling, Harald Beiler: Heiße Clubs und harte Ware – Neues aus der C128-Szene. In: 128’er. Sonderheft Nr. 70, 1991, S. 31.
  111. a b Dennis Brisson: Running Ruminations. In: Run. Bd. 4, Nr. 10, 1987, S. 8.
  112. Dennis Brisson: Running Ruminations. In: Run. Bd. 4, Nr. 2, 1987, S. 8.
  113. Dennis Brisson: Commodore Exec Speaks Out! In: Run. Bd. 4, Nr. 5, 1987, S. 34.
  114. 1581 3.5’’ Disk Drive. In: Info. The Useful Guide to Commodore Computing. Nr. 13, 1987, S. 31.
  115. Commodore 1351 – eine flotte Maus. In: 64’er. Bd. 4, Nr. 6, 1987, S. 165.
  116. Winter CES Report. In: Info. The Useful Guide to Commodore & Amiga Computing. Nr. 14, 1987, S. 146.
  117. C128 & 1571 ROMs available. In: Info. The Useful Guide to Commodore & Amiga Computing. Nr. 15, 1987, S. 27.
  118. a b Thomas Kaltenbach: Treffpunkt am Funkturm. In: Happy Computer. Bd. 5, Nr. 10, 1987, S. 10.
  119. Ralf Müller: Das bietet BTX. In: Happy Computer. Bd. 7, Nr. 3, 1989, S. 28.
  120. a b New Version of 128. In: Your Commodore. Bd. 4, Nr. 9, 1987, S. 5.
  121. a b Louis Wallace: What’s 8-bit, 3½ inches and 640 × 200? In: Run. Bd. 4, Nr. 10, 1987, S. 41.
  122. a b c Margaret Morabito: The C-128: How Does It Stack Up? In: Run. Bd. 2, Nr. 6, 1985, S. 48.
  123. Commodore-Werbeanzeige. In: Byte. Band 10, Nr. 8, 1985, S. 137.
  124. Commodore-Werbeanzeige. In: Byte. Band 10, Nr. 7, 1985, S. 12 f.
  125. Adam Herst: Getting Started with CP/M. In: TPUG Magazine. Nr. 21, 1986, S. 8.
  126. Commodor-Werbeanzeige. In: Creative Computing. Bd. 11, Nr. 11, 1985, S. 1.
  127. Dennis Brisson: The Scene At CES. In: Run. Bd. 2, Nr. 8, 1985, S. 6 u. S. 113.
  128. Early Support for C128. In: Commodore User Magazine. Bd. 2, Nr. 5, 1985, S. 7.
  129. Commodore-Werbeanzeige. In: Commodore Horizons. Bd. 2, Nr. 12, 1985, S. 13.
  130. a b Eugene Lacey: Going for the President: Commodore International boss, Marshall Smith, interviewed. In: Commodore User Magazine. Bd. 2, Nr. 8, 1985, S. 40.
  131. Christina Erskine: Editorial. In: Popular Computing Weekly. Bd. 5, Nr. 4, 1986, S. 3.
  132. Commodore-Werbeanzeige. In: Commodore User Magazine. Bd. 2, Nr. 12, 1985, S. 61.
  133. Christina Erskine: CBM to push C128 as business micro. In: Popular Computing Weekly. Bd. 4, Nr. 46, 1985, S. 4.
  134. Das Superding – Der neue Commodore 128 Personal Computer. Commodore Büromaschinen GmbH, Braunschweig 1985, S. 1.
  135. C128 vs. IBM-PC. In: Info-64. Nr. 11, 1986, S. 8.
  136. Commodore-Werbeanzeige. In: 64’er. Bd. 3, Nr. 4, 1986, S. 71.
  137. Christina Erskine: Commodore announces more losses. In: Popular Computing Weekly. Bd. 4, Nr. 48, 1985, S. 5.
  138. Dan Gutman: Commodore’s reprieve. In: Commodore User Magazine. Bd. 3, Nr. 6, 1986, S. 73.
  139. Christina Erskine: Commodore announces £90m loss for 1985. In: Popular Computing Weekly. Bd. 4, Nr. 42, 1985, S. 4.
  140. Commodore struggling. In: Commodore User Magazine. Bd. 3, Nr. 7, 1986, S. 6.
  141. John Lettice: £ 25 million loss rock Commodore. In: Popular Computing Weekly. Bd. 5, Nr. 22, 1986, S. 1.
  142. a b Juan Holz: The Chicago Summer Electronics Show. In: Commodore Computing International. Bd. 5, Nr. 1, 1986, S. 16.
  143. Andrea Knox: Commodore Ousts 6 Top Executives. In: Philadelphia Inquirer. 24. April 1987, archiviert vom Original (nicht mehr online verfügbar) am 10. Dezember 2015; abgerufen am 9. Dezember 2015 (englisch).
  144. John Lettice: Commodore predicts profit. In: Popular Computing Weekly. Bd. 5, Nr. 45, 1986, S. 6.
  145. Commodore getting it together – internationally. In: Commodore Computing International. Bd. 5, Nr. 4, 1986, S. 78.
  146. John Lettice: Commodore profit up again. In: Popular Computing Weekly. Bd. 5, Nr. 46, 1986, S. 6.
  147. Commodore denies 128’s death. In: Popular Computing Weekly. Bd. 5, Nr. 32, 1986, S. 5.
  148. a b Sheldon Leeman: Microscope. In: Compute! Bd. 8, Nr. 2, 1987, S. 24.
  149. Dennis Brisson: Commodore Exec Speaks Out! In: Run. Bd. 4, Nr. 5, 1987, S. 36.
  150. John Brissenden: Commodore president resigns after board row. In: Popular Computing Weekly. Bd. 6, Nr. 17, 1987, S. 7.
  151. Commodore Shakeup. In: Info. The Useful Guide to Commodore & Amiga Computing. Nr. 15, 1987, S. 26.
  152. Dennis Brisson: Running Ruminations. In: Run. Bd. 5, Nr. 11, 1988, S. 4.
  153. Berkeley Softworks-Werbeanzeige. In: Run. Bd. 4, Nr. 11, 1987, S. 36 f.
  154. Berkeley Softworks-Werbeanzeige. In: Run. Bd. 5, Nr. 2, 1988, S. 14 f.
  155. C128 pack plans. In: Commodore Horizons. Bd. 2, Nr. 12, 1985, S. 16.
  156. Dave Carlos: Commodore’s package deal. In: Home Computing Weekly. Nr. 132, 1.–7. Oktober, 1985, S. 1.
  157. C64 trade-in to boost 128. In: Commodore Horizons. Bd. 3, Nr. 2, 1986, S. 8.
  158. C128 trade-in offer. In: Commodore User Magazine. Bd. 3, Nr. 2, 1986, S. 6.
  159. Christina Erskine: New deal on Commodore 128. In: Popular Computing Weekly. Bd. 4, Nr. 50, 1985, S. 4.
  160. Christina Erskine: Commodore announces new holiday promotion. In: Popular Computing Weekly. Bd. 5, Nr. 8, 1986, S. 5.
  161. Hard Lines. In: Your Commodore. Bd. 3, Nr. 5, 1986, S. 6.
  162. C128 for business? In: Commodore Horizons. Bd. 3, Nr. 1, 1986, S. 8.
  163. Christina Erskine: Peripherals for C128 still scheduled in UK. In: Popular Computing Weekly. Bd. 4, Nr. 52, 1985, S. 4.
  164. Christina Erskine: Atari and CBM go for education. In: Popular Computing Weekly. Bd. 5, Nr. 5, 1986, S. 1.
  165. a b Dennis Brisson: Running Ruminations. In: Run. Bd. 3, Nr. 10, 1986, S. 6.
  166. a b Dan Gutman: 1986 – The year in computers. In: Commodore Magazine. Bd. 1, Nr. 1, 1987, S. 71.
  167. Dan Gutman: The Next Big Thing. In: Commodore User Magazine. Bd. 3, Nr. 5, 1986, S. 50.
  168. Peggy Herrington: Sound Advice. In: Info. The Useful Guide to Commodore Computing. Nr. 8, 1985, S. 15.
  169. Ulrich Eike: PCs für ein Taschengeld. In: Happy Computer. Bd. 4, Nr. 7, 1986, S. 126 f.
  170. Benn Dunnington: COMDEX Report. In: Info. The Useful Guide to Commodore & Amiga Computing. Nr. 16, 1987, S. 39.
  171. Arnd Wängler: Das sind die besten Produkte des Jahres: Leserwahl ’88. In: 64’er. Bd. 6, Nr. 3, 1989, S. 143.
  172. a b Dennis Brisson: Running Ruminations. In: Run. Bd. 6, Nr. 4, 1989, S. 6.
  173. Dennis Brisson: Running Ruminations. In: Run. Bd. 6, Nr. 3, 1989, S. 6.
  174. Rumor Mill. In: Info. The Useful Guide to Amiga & Commodore Computing. Nr. 25, 1989, S. 25.
  175. Dennis Brisson: Running Ruminations. In: Run. Bd. 6, Nr. 5, 1989, S. 4.
  176. Mindy Skelton: Loren Lovhaug – an Interview. In: Info. The Useful Guide to Amiga & Commodore Computing. Nr. 26, 1989, S. 40.
  177. Mickey McLean: ’80s Ups & Downs. In: Compute!’s Gazette. Bd. 8, Nr. 1, 1990, S. 19.
  178. a b Mark Jordan: 128 Mode. In: Run. Bd. 7, Nr. 3, 1990, S. 47.
  179. a b c Andreas Greil: Stiefkind. In: 128’er. Sonderheft Nr. 51, 1990, S. 3.
  180. Georg Klinge: Commodore auf der CeBIT ’90. Bd. 7, Nr. 6, 1990, S. 12.
  181. a b c d e Harald Beiler: Leserideen. In: 128’er. Sonderheft Nr. 82, 1992, S. 50.
  182. Dennis Brisson: Running Ruminations. In: Run. Bd. 6, Nr. 10, 1989, S. 6.
  183. Heinz Behling, Harald Beiler: Heiße Clubs und harte Ware – Neues aus der C128-Szene. In: 128’er. Sonderheft Nr. 70, 1991, S. 30.
  184. Harald Beiler: Ein Hauch von MS-DOS. In: 128’er. Sonderheft Nr. 64, 1991, S. 30.
  185. Heinz Behling, Harald Beiler: Heiße Clubs und harte Ware – Neues aus der C128-Szene. In: 128’er. Sonderheft Nr. 70, 1991, S. 31.
  186. Torsten Leszinski, G. E. Dearth, Harald Beiler: Da sind sie wieder: RAM-Erweiterung 1750 und Floppy 1581. In: 128’er. Sonderheft Nr. 82, 1992, S. 40.
  187. Montgomery Grant-Werbeanzeige. In: Run, Bd. 8, Nr. 3, 1991, S. 1.
  188. Creative Micro Designs-Werbeanzeige. In: Commodore World. Nr. 5, 1994, S. 25.
  189. Creative Micro Designs-Werbeanzeige. In: Commodore World. Nr. 13, 1996, S. 7.
  190. Creative Micro Designs-Werbeanzeige. In: Commodore World. Nr. 19, 1997, S. 21.
  191. Dennis Brisson: Rally Round CES! In: Run. Bd. 2, Nr. 7, 1985, S. 6.
  192. Diane LeBold: One and One Equals One … Given Time. In: Commodore Microcomputers. Bd. 6, Nr. 6, 1985, S. 5.
  193. Albert Absmeier: Chicago im Zeichen der CES. In: 64’er. Bd. 2, Nr. 8, 1985, S. 8.
  194. a b c Albert Absmeier: Commodore – stark wie eh und je. In: 64’er. Bd. 3, Nr. 4, 1986, S. 9.
  195. Scott Mace: Rattigan Speaks for the Commodore Generation. In: InfoWorld. Bd. 7, Nr. 48, 1985, S. 28.
  196. Commodore greift an und schlägt zurück. In: Commodore Welt. Bd. 3, Nr. 5, 1986, S. 6.
  197. Dan Gutman: That was the year that wasn’t. In: Commodore User Magazine. Bd. 4, Nr. 2, 1987, S. 13.
  198. Antony Jacobson: CCI View. In: Commodore Computing International. Bd. 5, Nr. 1, 1986, S. 8.
  199. Jürgen Zumbach: C128, Schmelztiegel der Systeme. In: Happy Computer. Bd. 4, Nr. 8, 1986, S. 120.
  200. Dan Gutman: What next for Commodore? In: Commodore Magazine. Bd. 1, Nr. 5, 1987, S. 79.
  201. Anton Kult: Quo Vadis Commodore? In: Commodore Welt. Bd. 4, Nr. 10, 1987, S. 76.
  202. a b Tim Walsh: Running Ruminations. In: Run. Bd. 5, Nr. 4, 1988, S. 8.
  203. a b c Loren Lovhaug: 8-Bit News. In: Info. The Useful Guide to Amiga & Commodore Computing. Nr. 22, 1988, S. 36.
  204. a b Franz Grieser, Thomas Irlbeck: Computer-Lexikon. DTV, München 1993, S. 121.
  205. Elmar Friebe: Aufstieg und Fall von Commodore. In: Chip-Sonderheft: Kult-Computer der 80er, 2013, S. 19.
  206. a b c Volker Mohr: Der Amiga: Die Geschichte einer Computerlegende. Skriptorium, Morschen 2007, S. 21.
  207. Anonymus: Neue Marketing-ldee könnte Schule machen: Commodore reicht C16 über Aldi-Theken. In: Computerwoche. 4. April 1986, abgerufen am 25. April 2015.
  208. Sven Stillich: Mit Kilobytes gegen den Klassenfeind. In: Spiegel Online. 22. Dezember 2009, abgerufen am 17. März 2017.
  209. a b Georg Klinge: Hüben wie Drüben. In: 64’er. Bd. 7, Nr. 9, 1990, S. 9.
  210. Scott Mace: Commodore Shows New 128. In: InfoWorld. Bd. 7, Nr. 4, 1985, S. 19.
  211. Margaret Morabito: The C-128: How Does It Stack Up? In: Run. Bd. 2, Nr. 6, 1985, S. 47.
  212. Montgomery Grant-Werbeanzeige. In: Run. Bd. 4, Nr. 12, 1987, S. 103.
  213. Lyco Computer-Werbeanzeige In: Run. Bd. 4, Nr. 12, 1987, S. 54.
  214. Protecto-Werbeanzeige. In: Commodore Microcomputers. Bd. 6, Nr. 5, 1985, S. 44.
  215. Protecto-Werbeanzeige. In: Commodore Microcomputers. Bd. 7, Nr. 2, 1986, S. 90.
  216. Protecto-Werbeanzeige. In: Family Computing. Bd. 4, Nr. 7, 1986, S. 68.
  217. Protecto-Werbeanzeige. In: Family Computing. Bd. 4, Nr. 11, 1986, S. 87.
  218. Protecto-Werbeanzeige. In: Commodore Magazine. Bd. 8, Nr. 1, 1987, S. 99.
  219. Computer Direct-Werbeanzeige. In: Commodore Magazine. Bd. 8, Nr. 10, 1987, S. 122.
  220. Computer Direct-Werbeanzeige. In: Commodore Magazine. Bd. 8, Nr. 11, 1987, S. 129.
  221. Computer Direct-Werbeanzeige. In: Commodore Magazine. Bd. 9, Nr. 11, 1988, S. 118.
  222. Computer Direct-Werbeanzeige. In: Commodore Magazine. Band 10, Nr. 1, 1989, S. 122.
  223. Computer Direct-Werbeanzeige. In: Commodore Magazine. Band 10, Nr. 4, 1989, S. 42.
  224. Dimension Computers-Werbeanzeige. In: Commodore Horizons. Bd. 3, Nr. 1, 1986, S. 18.
  225. Evesham Micros-Werbeanzeige. In: Popular Computing Weekly. Bd. 5, Nr. 2, 1986, S. 16.
  226. HiVoltage-Werbeanzeige. In: Commodore Horizons. Bd. 3, Nr. 1, 1986, S. 36.
  227. Dimension Computers-Werbeanzeige. In: Commodore User Magazine. Bd. 5, Nr. 12, 1987, S. 16.
  228. Hard- und Softwarevertrieb H. Stebner-Werbeanzeige. In: 64’er. Bd. 2, Nr. 9, 1985, S. 93.
  229. Hard- und Softwarevertrieb H. Stebner-Werbeanzeige. In: 64’er. Bd. 2, Nr. 11, 1985, S. 134.
  230. Neckermann-Katalog. Neckermann Versand KG, Frankfurt/Main 1985.
  231. IES Computerhandelsgesellschaft-Werbeanzeige. In: 64’er. Bd. 2, Nr. 10, 1985, S. 102.
  232. Computer Reschke-Werbeanzeige. In: 64’er. Bd. 2, Nr. 10, 1985, S. 102.
  233. Valasik-Computer-Werbeanzeige. In: 64’er. Bd. 2, Nr. 10, 1985, S. 117.
  234. Abacomp-Werbeanzeige. In: 64’er. Bd. 2, Nr. 10, 1985, S. 124.
  235. CSV Riegert-Werbeanzeige. In: 64’er. Bd. 2, Nr. 9, 1985, S. 97.
  236. CSV Riegert-Werbeanzeige. In: 64’er. Bd. 2, Nr. 10, 1985, S. 124.
  237. CC-Computerversand-Werbeanzeige. In: 64’er. Bd. 2, Nr. 10, 1985, S. 114.
  238. Hard- und Softwarevertrieb H. Stebner-Werbeanzeige. In: 64’er. Bd. 2, Nr. 12, 1985, S. 125.
  239. Computer-Kursblatt 1/86. Vobis Data Computer GmbH, Aachen 1986, S. 2.
  240. ProSoft-Werbeanzeige. In: 64’er. Bd. 3, Nr. 3, 1986, S. 56.
  241. Dela Elektronik-Werbeanzeige. In: 64’er. Bd. 3, Nr. 3, 1986, S. 114.
  242. CSV Riegert-Werbeanzeige. In: 64’er. Bd. 3, Nr. 6, 1986, S. 102.
  243. CSV Riegert-Werbeanzeige. In: 64’er. Bd. 3, Nr. 9, 1986, S. 100.
  244. ProSoft-Werbeanzeige. In: 64’er. Bd. 3, Nr. 12, 1986, S. 99.
  245. CSV Riegert-Werbeanzeige. In: 64’er. Bd. 3, Nr. 12, 1986, S. 104.
  246. Abacomp-Werbeanzeige. In: 64’er. Bd. 3, Nr. 12, 1986, S. 124.
  247. Computertechnik Luda-Werbeanzeige. In: 64’er. Bd. 3, Nr. 12, 1986, S. 124.
  248. Computer Discount München-Werbeanzeige. In: 64’er. Bd. 3, Nr. 12, 1986, S. 129.
  249. Syndrom Computer-Werbeanzeige. In: 64’er. Bd. 3, Nr. 12, 1986, S. 103.
  250. ProSoft-Werbeanzeige. In: 64’er. Bd. 4, Nr. 3, 1987, S. 98.
  251. CSV Riegert-Werbeanzeige. In: 64’er. Bd. 4, Nr. 3, 1987, S. 120.
  252. Vobis-Werbeanzeige. In: 64’er. Bd. 4, Nr. 2, 1987, S. 51.
  253. ProSoft-Werbeanzeige. In: 64’er. Bd. 4, Nr. 5, 1987, S. 103.
  254. CSV Riegert-Werbeanzeige. In: 64’er. Bd. 4, Nr. 6, 1987, S. 116.
  255. Abacomp-Werbeanzeige. In: 64’er. Bd. 4, Nr. 5, 1987, S. 106.
  256. Vobis-Werbeanzeige. In: 64’er. Bd. 4, Nr. 8, 1987, S. 95.
  257. CSV Riegert-Werbeanzeige. In: 64’er. Bd. 4, Nr. 9, 1987, S. 116.
  258. Abacomp-Werbeanzeige. In: 64’er. Bd. 4, Nr. 9, 1987, S. 135.
  259. Anton Kult: Quo Vadis Commodore? In: Commodore Welt. Bd. 4, Nr. 10, 1987, S. 78.
  260. Quelle-Hauptkatalog Herbst/Winter 1987. Quelle Schickedanz AG & Co, Fürth 1987, S. 1152.
  261. Abacomp-Werbeanzeige. In: 64’er. Bd. 4, Nr. 11, 1987, S. 147.
  262. CSV Riegert-Werbeanzeige. In: 64’er. Bd. 4, Nr. 10, 1987, S. 138.
  263. Zweifach Computer-Werbeanzeige. In: 64’er. Bd. 4, Nr. 12, 1987, S. 103.
  264. Tornado Computervertrieb-Werbeanzeige. In: 64’er. Bd. 4, Nr. 12, 1987, S. 127.
  265. Vobis-Werbeanzeige. In: 64’er. Bd. 5, Nr. 7, 1988, S. 5.
  266. CSV Riegert-Werbeanzeige. In: 64’er. Bd. 5, Nr. 9, 1988, S. 128.
  267. Zweifach Computer-Werbeanzeige. In: 64’er. Bd. 5, Nr. 10, 1988, S. 85.
  268. Zweifach Computer-Werbeanzeige. In: 64’er. Bd. 6, Nr. 12, 1989, S. 97.
  269. CSV Riegert-Werbeanzeige. In: 64’er. Bd. 6, Nr. 12, 1989, S. 121.
  270. Zweifach Computer-Werbeanzeige. In: 64’er. Bd. 7, Nr. 6, 1990, S. 105.
  271. Vobis-Denkzettel. Vobis Data Computer GmbH, Aachen 1990.
  272. Arnd Wängler: Es muß kein Neuer sein. In: 64’er. Bd. 7, Nr. 7, 1990, S. 23.
  273. Zweifach Computer-Werbeanzeige. In: 64’er. Bd. 7, Nr. 12, 1990, S. 5.
  274. Heinz Behling: Was kostet die Welt? In: 64’er. Bd. 7, Nr. 12, 1990, S. 16.
  275. a b Dennis Brisson: Running Ruminations. In: Run. Bd. 5, Nr. 7, 1988, S. 4.
  276. Dennis Brisson: Running Ruminations. In: Run. Bd. 5, Nr. 12, 1988, S. 6.
  277. Christine Lietke, Joachim Graf: Die Angst der Frauen vorm Computer. In: Happy Computer. Bd. 6, Nr. 1, 1988, S. 169.
  278. Commodore News. In: Info. The Useful Guide to Amiga & Commodore Computing. Nr. 24, 1989, S. 28.
  279. Lance Ulanoff: You Can Keep Your Fake Commodore 64. In: PCMag. 7. April 2011, abgerufen am 25. Juli 2016 (englisch).
  280. Gottfried Knechtel: Didacta-Überblick. In: 64’er. Bd. 4, Nr. 5, 1987, S. 13.
  281. Peter Pfliegensdörfer: CeBIT ’88 – Das Tor zur Welt. In: 64’er. Bd. 5, Nr. 6, 1988, S. 8.
  282. Oliver Seebauer, Hans Feldmeier, Peter Pfliegensdörfer: Kein Bluff: „Bluff“. In: 64’er. Bd. 6, Nr. 9, 1989, S. 64 f.
  283. Commodore 128 Programmer’s Reference Guide, hrsg. v. Commodore Business Machines, Inc. New York: Bantam Books, 1986, S. 557.
  284. Larry Greenly, Fred Bowen, Bil Herd et al.: Das C128 Buch. Sybex, Düsseldorf 1986, S. 9 f.
  285. Chris Bennett: New Computers At The CES Show. In: TPUG Magazine. Nr. 11 (February 1985), S. 16.
  286. Thomas Kaltenbach, Udo Reetz, Hartmut Woerrlein: Das große Computer Lexikon. 2. Auflage. Markt+Technik, Haar bei München 1990, S. 140.
  287. Michael Scharfenberger: Computerlexikon. Markt+Technik, Haar bei München 1982, S. 220 f.
  288. Nikolaus Heusler, Matthias Fichtner: Unterschiede zwischen Heim- und Personal Computern. In: 64’er. Bd. 6, Nr. 4, 1989, S. 182.
  289. Georg Klinge: C128 – der Weg zum Profi. In: 128’er. Sonderheft Nr. 10, 1986, S. 3.
  290. Joe Gelman: Buyer’s Guide Computers. In: Family Computing. Bd. 3, Nr. 6, 1985, S. 32.
  291. a b Franz Grieser, Thomas Irlbeck: Computer-Lexikon. DTV, München 1993, S. 23.
  292. a b Larry Greenly, Fred Bowen, Bil Herd et al.: Das C128 Buch. Sybex, Düsseldorf 1986, S. 646.
  293. a b c d Larry Greenly, Fred Bowen, Bil Herd et al.: Das C128 Buch. Sybex, Düsseldorf 1986, S. 9.
  294. Rudolf Schineis, Michael Braun, Norbert Demgensky: C128 ROM-Listing: Operating System. Markt+Technik, Haar bei München 1986, S. 405.
  295. Rudolf Schineis, Michael Braun, Norbert Demgensky: C128 ROM-Listing: Operating System. Markt+Technik, Haar bei München 1986, S. 410.
  296. Larry Greenly, Fred Bowen, Bil Herd et al.: Das C128 Buch. Sybex, Düsseldorf 1986, S. 639.
  297. Rudolf Schineis, Michael Braun, Norbert Demgensky: C128 ROM-Listing: Operating System. Markt+Technik, Haar bei München 1986, S. 9.
  298. Rudolf Schineis, Michael Braun, Norbert Demgensky: C128 ROM-Listing: Operating System. Markt+Technik, Haar bei München 1986, S. 409.
  299. Commodore Business Machines, Inc. (Hrsg.): Manual C128/C128D Computer. Commodore Business Machines, West Chester 1987, S. 30.
  300. Larry Greenly, Fred Bowen, Bil Herd et al.: Das C128 Buch. Sybex, Düsseldorf 1986, S. 640.
  301. Commodore Business Machines, Inc. (Hrsg.): Commodore 128 Programmer’s Reference Guide. Bantam Books, New York 1986, S. 569.
  302. a b Walter Greulich (Hrsg.): Der Brockhaus Computer und Informationstechnologie. F. A. Brockhaus, Leipzig/Mannheim 2003, S. 737.
  303. a b Commodore Business Machines, Inc. (Hrsg.): Service Manual C128/C128D Computer. Commodore Business Machines, West Chester 1987, S. 8.
  304. Larry Greenly, Fred Bowen, Bil Herd et al.: Das C128 Buch. Sybex, Düsseldorf 1986, S. 645 f.
  305. Herwig Feichtinger: Mikrocomputer von A bis Z. Franzis, München 1984, S. 59.
  306. Harald Beiler: Verstecktes Talent. In: 128’er. Sonderheft Nr. 82, 1992, S. 16.
  307. Larry Greenly, Fred Bowen, Bil Herd et al.: Das C128 Buch. Sybex, Düsseldorf 1986, S. 645.
  308. Commodore Business Machines, Inc. (Hrsg.): Service Manual C128/C128D Computer. Commodore Business Machines, West Chester 1987, S. 9.
  309. Mark Jordan: C128 Mode. In: Run. Bd. 9, Nr. 3/4, 1992, S. 50.
  310. Jerry A. Sturdivant: Dual Screen for the Commodore 128 With 1902 Monitor. In: Commodore Microcomputers. Bd. 7, Nr. 2, 1986, S. 64.
  311. Herbert Kunz, Ralf Sablowski: Zwei Monitore gleichzeitig am C128. In: 128’er. Sonderheft Nr. 29, 1988, S. 140.
  312. Robert H. Taylor, Dell Taylor: The Black Book of C128. Value-Soft, Portland 1986, S. 92.
  313. a b c d e f g Larry Greenly, Fred Bowen, Bil Herd et al.: Das C128 Buch. Sybex, Düsseldorf 1986, S. 10.
  314. a b Larry Greenly, Fred Bowen, Bil Herd et al.: Das C128 Buch. Sybex, Düsseldorf 1986, S. 670.
  315. a b Heinz Wrobel: Der DATA Becker Führer: Commodore 128. Data-Becker, Düsseldorf 1987, S. 168.
  316. Ronald Körber: C 128: Alles über Grafik. Markt+Technik, Haar bei München 1989, S. 162.
  317. Florian Müller, Markus Ohnesorg, Klaus Schrödl: Der neue VDC: 64 KByte zum Austoben. In: 128’er. Sonderheft Nr. 29, 1988, S. 76.
  318. Larry Greenly, Fred Bowen, Bil Herd et al.: Das C128 Buch. Sybex, Düsseldorf 1986, S. 335.
  319. Heinz Wrobel: Der DATA Becker Führer: Commodore 128. Data-Becker, Düsseldorf 1987, S. 170.
  320. a b Richard Moeskops, Andreas Lietz: Bildschirm mit 4000 Zeichen durch Interlace. In: 128’er. Sonderheft Nr. 3, 1987, S. 48.
  321. Larry Greenly, Fred Bowen, Bil Herd et al.: Das C128 Buch. Sybex, Düsseldorf 1986, S. 333.
  322. Larry Greenly, Fred Bowen, Bil Herd et al.: Das C128 Buch. Sybex, Düsseldorf 1986, S. 369–383.
  323. David Stidolph: The 8563 Video Display Controller. In: The Transactor. Bd. 7, Nr. 3, 1986, S. 57.
  324. Larry Greenly, Fred Bowen, Bil Herd et al.: Das C128 Buch. Sybex, Düsseldorf 1986, S. 671.
  325. a b Heinz Wrobel: Der DATA Becker Führer: Commodore 128. Data-Becker, Düsseldorf 1987, S. 172.
  326. Larry Greenly, Fred Bowen, Bil Herd et al.: Das C128 Buch. Sybex, Düsseldorf 1986, S. 331.
  327. Ronald Körber: C 128: Alles über Grafik. Markt+Technik, Haar bei München 1989, S. 167 ff.
  328. Florian Müller, Markus Ohnesorg, Klaus Schrödl: Der neue VDC: 64 KByte zum Austoben. In: 128’er. Sonderheft Nr. 29, 1988, S. 77.
  329. David Stidolph: The 8563 Video Display Controller. In: The Transactor. Bd. 7, Nr. 3, 1986, S. 59.
  330. Commodore Business Machines, Inc. (Hrsg.): Service Manual C128/C128D Computer. Commodore Business Machines, West Chester 1987, S. 37.
  331. Larry Greenly, Fred Bowen, Bil Herd et al.: Das C128 Buch. Sybex, Düsseldorf 1986, S. 359.
  332. H. Stöcklein, Ralf Sablowski: Multi-Zeichensatz. In: 128’er. Sonderheft Nr. 29, 1988, S. 123.
  333. Ronald Körber: C 128: Alles über Grafik. Markt+Technik, Haar bei München 1989, S. 166.
  334. Heinz Wrobel: Der DATA Becker Führer: Commodore 128. Data-Becker, Düsseldorf 1987, S. 217.
  335. a b David Stidolph: The 8563 Video Display Controller. In: The Transactor. Bd. 7, Nr. 3, 1986, S. 60.
  336. a b Heimo Ponnath, Gottfried Knechtel: Grafik richtig programmieren. In: 128’er. Sonderheft Nr. 36, 1988, S. 44.
  337. Jim Borden: Ultra Hi-Res Graphics – A Breakthrough On Your C-128. In: Run. Bd. 3, Nr. 2, 1986, S. 35.
  338. Thomas Rumbach, Dieter Winkler, Volker Everts: 80-Zeichen-Grafik für den C128. In: 64’er. Bd. 2, Nr. 12, 1985, S. 78.
  339. Lou Wallace: 128 Graphics Wizardry. In: Run. Bd. 8, Nr. 7/8, 1991, S. 40.
  340. Nikolaus Huber, Florian Müller: Alles über den C128: Anwender- und Programmierhandbuch. Markt+Technik, Haar bei München 1988, S. 278 f.
  341. Richard Moeskops, Andreas Lietz: Bildschirm mit 4000 Zeichen durch Interlace. In: 128’er. Sonderheft Nr. 3, 1987, S. 47.
  342. David Stidolph: The 8563 Video Display Controller. In: The Transactor. Bd. 7, Nr. 3, 1986, S. 61.
  343. Heinz Wrobel: Der DATA Becker Führer: Commodore 128. Data-Becker, Düsseldorf 1987, S. 169.
  344. Thomas Engelmann, Ralf Sablowski: Interlace für den 80-Zeichen-Modus. In: 128’er. Sonderheft Nr. 29, 1988, S. 71.
  345. Commodore 128D. The Cambridge Centre for Computing History, abgerufen am 25. Mai 2014 (englisch).
  346. Nicolas Welte: Uncovered: The VDC 8568’s 38th Register. In: GO 64! Commodore World. Bd. 2, Nr. 6, 2000, S. 28.
  347. Günther Jilg, Axel Pretsch, Gottfried Knechtel: Ein Problemkind: der neue C128D im Blechgewand. In: 128’er. Sonderheft Nr. 29, 1988, S. 10.
  348. Markus Ohnesorg, Gottfried Knechtel: Grafikspeicher auf 64 Kbyte erweitern. In: 128’er. Sonderheft Nr. 44, 1989, S. 6 f.
  349. Florian Müller, Markus Ohnesorg, Klaus Schrödl: Der neue VDC: 64 KByte zum Austoben. In: 128’er. Sonderheft Nr. 29, 1988, S. 79.
  350. Florian Müller, Markus Ohnesorg, Klaus Schrödl: Der neue VDC: 64 KByte zum Austoben. In: 128’er. Sonderheft Nr. 29, 1988, S. 80.
  351. Frank Heidermann, Ralf Sablowski: Super Vectors – durch’s Nadelöhr zum Sieg. In: 128’er. Sonderheft Nr. 36, 1988, S. 151.
  352. Florian Müller, Markus Ohnesorg, Klaus Schrödl: Der neue VDC: 64 KByte zum Austoben. In: 128’er. Sonderheft Nr. 29, 1988, S. 80.
  353. Mark Jordan: Exploring the VDC (and Other Things). In: Commodore Magazine. Bd. 3, Nr. 5, 1989, S. 71.
  354. Louis R. Wallace, David P. Darus: Sprite Control in C-128 Mode. In: Run. Bd. 2, Nr. 11, 1985, S. 52.
  355. Louis R. Wallace: C-64/C-128 Graphics: You Won’t Believe Your Eyes. In: Run. 2. Sonderheft, 1986, S. 30.
  356. Louis R. Wallace: C-64/C-128 Graphics: You Won’t Believe Your Eyes. In: Run. 2. Sonderheft, 1986, S. 22.
  357. Louis R. Wallace: C-64/C-128 Graphics: You Won’t Believe Your Eyes. In: Run. 2. Sonderheft, 1986, S. 24.
  358. Louis R. Wallace: C-64/C-128 Graphics: You Won’t Believe Your Eyes. In: Run. 2. Sonderheft, 1986, S. 26.
  359. Larry Greenly, Fred Bowen, Bil Herd et al.: Das C128 Buch. Sybex, Düsseldorf 1986, S. 662 f.
  360. Ralf Durben, Klaus Löffelmann, Axel Plenge, Dieter Vüllers: Commodore 128: Das große Grafik-Buch. Data-Becker, Düsseldorf 1986, S. 64 f.
  361. Boris Kretzinger: Commodore. Aufstieg und Fall eines Computerriesen. Skriptorium, Morschen 2005, S. 36.
  362. Commodore Business Machines, Inc. (Hrsg.): Service Manual C128/C128D Computer. Commodore Business Machines, West Chester 1987, S. 41 ff.
  363. Paul Eves: Introducing SID. In: Commodore Disk User. Bd. 2, Nr. 4, 1989, S. 38 f.
  364. Commodore 128 Bedienungshandbuch. Frankfurt/M.: Commodore Büromaschinen GmbH, 1985, S. 4–152.
  365. Commodore Business Machines, Inc. (Hrsg.): Service Manual C128/C128D Computer. Commodore Business Machines, West Chester 1987, S. 41.
  366. Commodore Chips. In: Info. The Useful Guide to Commodore & Amiga Computing. Nr. 15, 1987, S. 29.
  367. Larry Greenly, Fred Bowen, Bil Herd et al.: Das C128 Buch. Sybex, Düsseldorf 1986, S. 654.
  368. Larry Greenly, Fred Bowen, Bil Herd et al.: Das C128 Buch. Sybex, Düsseldorf 1986, S. 656 f.
  369. Peter Niemann: Commodore 128 Anwenderhandbuch. MacGraw-Hill, Hamburg 1986, S. 169.
  370. Peter Niemann: Commodore 128 Anwenderhandbuch. MacGraw-Hill, Hamburg 1986, S. 172.
  371. Commodore Business Machines, Inc. (Hrsg.): Service Manual C128/C128D Computer. Commodore Business Machines, West Chester 1987, S. 20.
  372. Larry Greenly, Fred Bowen, Bil Herd et al.: Das C128 Buch. Sybex, Düsseldorf 1986, S. 686.
  373. Commodore Business Machines, Inc. (Hrsg.): Service Manual C128/C128D Computer. Commodore Business Machines, West Chester 1987, S. 3.
  374. a b Commodore Business Machines, Inc. (Hrsg.): Service Manual C128/C128D Computer. Commodore Business Machines, West Chester 1987, S. 55.
  375. Commodore Business Machines, Inc. (Hrsg.): Service Manual C128/C128D Computer. Commodore Business Machines, West Chester 1987, S. 50.
  376. a b c d Peter Rosenbeck: Das Commodore 128 Handbuch. Markt+Technik, Haar bei München 1985, S. 54.
  377. a b Larry Greenly, Fred Bowen, Bil Herd et al.: Das C128 Buch. Sybex, Düsseldorf 1986, S. 700.
  378. a b c Commodore Business Machines, Inc. (Hrsg.): Service Manual C128/C128D Computer. Commodore Business Machines, West Chester 1987, S. 17.
  379. Ellen Rule: Journey to the Center Of Your C-128D. In: Run. Bd. 6, Nr. 8, 1989, S. 40.
  380. Commodore Büromaschinen GmbH (Hrsg.): Commodore Ersatzteilliste. Commodore Büromaschinen GmbH, Braunschweig 1991, S. 33.
  381. Markus Ohnesorg, Gottfried Knechtel: Grafikspeicher auf 64 Kbyte erweitern. In: 128’er. Sonderheft Nr. 44, 1989, S. 6.
  382. Larry Greenly, Fred Bowen, Bil Herd et al.: Das C128 Buch. Sybex, Düsseldorf 1986, S. 701.
  383. Noel Nyman: C128 RAM Disk. In: The Transactor. Bd. 7, Nr. 1, 1986, S. 38.
  384. Noel Nyman: Upgrade Your C128 With A 48K RAM Disk. In: The Transactor. Bd. 7, Nr. 4, 1987, S. 54.
  385. Heinz Wrobel: Der DATA Becker Führer: Commodore 128. Data-Becker, Düsseldorf 1987, S. 166.
  386. Larry Greenly, Fred Bowen, Bil Herd et al.: Das C128 Buch. Sybex, Düsseldorf 1986, S. 706 ff.
  387. Larry Greenly, Fred Bowen, Bil Herd et al.: Das C128 Buch. Sybex, Düsseldorf 1986, S. 710.
  388. Larry Greenly, Fred Bowen, Bil Herd et al.: Das C128 Buch. Sybex, Düsseldorf 1986, S. 254 f.
  389. Commodore Business Machines, Inc. (Hrsg.): Service Manual C-128/C128D Computer, hrsg. v. Commodore Business Machines Inc., 1987, S. 15.
  390. Karsten Schramm: Der freie Steckplatz des C128. In: 128’er. Sonderheft Nr. 10, 1986, S. 88.
  391. Peter Niemann: Commodore 128 Anwenderhandbuch. MacGraw-Hill, Hamburg 1986, S. 171.
  392. a b c d Commodore Business Machines, Inc. (Hrsg.): Service Manual C128/C128D Computer. Commodore Business Machines, West Chester 1987, S. 4.
  393. a b c d Larry Greenly, Fred Bowen, Bil Herd et al.: Das C128 Buch. Sybex, Düsseldorf 1986, S. 647.
  394. Rodnay Zaks: Chip und System. Einführung in die Mikroprozessor-Technik. Sybex, Düsseldorf 1984, S. 135.
  395. Commodore Business Machines, Inc. (Hrsg.): Service Manual Model C-128 Computer (Preliminary). Commodore Business Machines, West Chester 1985, S. 65.
  396. Commodore Business Machines, Inc. (Hrsg.): Service Manual C128/C128D Computer. Commodore Business Machines, West Chester 1987, S. 67.
  397. a b Commodore 128 Programmer’s Reference Guide, hrsg. v. Commodore Business Machines, Inc. New York: Bantam Books, 1986, S. 575.
  398. a b c Larry Greenly, Fred Bowen, Bil Herd et al.: Das C128 Buch. Sybex, Düsseldorf 1986, S. 628.
  399. a b c d Larry Greenly, Fred Bowen, Bil Herd et al.: Das C128 Buch. Sybex, Düsseldorf 1986, S. 632.
  400. a b c d Larry Greenly, Fred Bowen, Bil Herd et al.: Das C128 Buch. Sybex, Düsseldorf 1986, S. 630.
  401. Larry Greenly, Fred Bowen, Bil Herd et al.: Das C128 Buch. Sybex, Düsseldorf 1986, S. 633.
  402. a b c Commodore Business Machines, Inc. (Hrsg.): Service Manual C128/C128D Computer. Commodore Business Machines, West Chester 1987, S. 5.
  403. Dietmar Eirich, Sabine Quinten-Eirich: Das Heyne Computer Lexikon. Heyne, München 1984, S. 59.
  404. Herwig Feichtinger: Mikrocomputer von A bis Z. Franzis, München 1984, S. 34.
  405. Pocket Mikrocomputer Lexikon. Übersetzt von Horst Kästner. Sybex, Düsseldorf 1982, S. 34.
  406. Stefan Egger: Commodore C128 – 3 in 1. In: Computer Collection Vienna. Abgerufen am 25. Mai 2014.
  407. Peter Rosenbeck: Das Commodore 128 Handbuch. Markt+Technik, Haar bei München 1985, S. 27.
  408. a b Morton Kevelson: Touring the Commodore 128 Keyboard. In: Ahoy! Bd. 2, Nr. 9, 1985, S. 51.
  409. Peter Rosenbeck: Das Commodore 128 Handbuch. Markt+Technik, Haar bei München 1985, S. 28 ff.
  410. Florian Müller: Vom C64 zum C128: Tips & Tricks. Markt+Technik, Haar bei München 1987, S. 15.
  411. Franz Grieser, Thomas Irlbeck: Computer-Lexikon. DTV, München 1993, S. 150.
  412. Commodore MPS1200 Dot Matrix Printer User’s Guide. Commodore Business Machines, West Chester 1986, S. B-1.
  413. Peter Rosenbeck: Das Commodore 128 Handbuch. Markt+Technik, Haar bei München 1985, S. 39 f.
  414. Morton Kevelson: Touring the Commodore 128 Keyboard. In: Ahoy! Bd. 2, Nr. 9, 1985, S. 51 f.
  415. Morton Kevelson: Touring the Commodore 128 Keyboard. In: Ahoy! Bd. 2, Nr. 9, 1985, S. 54.
  416. Larry Greenly, Fred Bowen, Bil Herd et al.: Das C128 Buch. Sybex, Düsseldorf 1986, 733–739.
  417. Heinz Wrobel: Der DATA BECKER Führer: Commodore 128. Data-Becker, Düsseldorf 1987, S. 142–146.
  418. Klaus Gerits, Frank Kampow: Das Premierenbuch – Der neue C 128. Data-Becker, Düsseldorf 1985, S. 10–17.
  419. Ralf Durben, Klaus Löffelmann, Axel Plenge, Dieter Vüllers: Commodore 128: Das große Grafik-Buch. Data-Becker, Düsseldorf 1986, S. 63.
  420. Commodore Business Machines, Inc. (Hrsg.): Service Manual C128/C128D Computer. Commodore Business Machines, West Chester 1987, S. 78.
  421. Commodore Business Machines, Inc. (Hrsg.): Service Manual C128/C128D Computer. Commodore Business Machines, West Chester 1987, S. 1.
  422. a b c d e William Wiese: The Commodore 128 Personal Computer System. In: Byte. Bd. 11, Nr. 7, 1986, S. 276.
  423. a b c Jörg Allner, Kerstin Allner: Computer Classics. Die Highlights aus 30 Jahren Homecomputer. Data-Becker, Düsseldorf 2003, S. 93.
  424. Stefan Egger: Commodore C128D 3 – All inclusive. In: Computer Collection Vienna. Abgerufen am 25. Mai 2014.
  425. Torsten Seibt: 128 kontra 128D: Wen denn? In: Commodore Welt. Bd. 3, Nr. 10, 1986, S. 60 f.
  426. a b Christian Zahn, Boris Kretzinger, Enno Coners: Die Commodore-Story. CSW-Verlag, Winnenden 2013, S. 65.
  427. Torsten Seibt: Der neue 128! In: Commodore Welt. Bd. 4, Nr. 6, 1987, S. 8.
  428. a b c Lutz Vieweg, Klaus Schrödl: CBM 1571-DOS 3.1. In: 128’er. Sonderheft Nr. 29, 1988, S. 12.
  429. Karsten Schramm, Alfred Poschmann: Zwei ungleiche Brüder. In: 64’er. Bd. 5, Nr. 3, 1988, S. 150.
  430. Torsten Seibt: Der neue 128! In: Commodore Welt. Bd. 4, Nr. 6, 1987, S. 9.
  431. a b Karsten Schramm: Ein Diesel im Blechkleid. In: 64’er. Bd. 4, Nr. 8, 1987, S. 11.
  432. Dirk Astrath: C128D = C128D? Bd. 7, Nr. 7, 1990, S. 57.
  433. a b 1571 ROM Incompatibilities. In: Info. The Useful Guide to Commodore & Amiga Computing. Nr. 18, 1988, S. 28.
  434. Karsten Schramm, Alfred Poschmann: Zwei ungleiche Brüder. In: 64’er. Bd. 5, Nr. 3, 1988, S. 151.
  435. T. Sperling, Elmar Friebe: Der VDC des Blech-Diesels. In: 128’er. Sonderheft Nr. 36, 1988, S. 137.
  436. a b c Günther Jilg, Axel Pretsch, Gottfried Knechtel: Ein Problemkind: der neue C128D im Blechgewand. In: 128’er. Sonderheft Nr. 29, 1988, S. 8.
  437. Dennis Brisson: Running Ruminations. In: Run. Bd. 9, Nr. 11/12, 1992, S. 4
  438. Commodore Business Machines, Inc. (Hrsg.): Commodore 1350 Mouse for the Commodore 128 Computer. Commodore Business Machines, West Chester 1985.
  439. Commodore 1351 Mouse. In: Commodore MIcrocomputers. Bd. 7, Nr. 6, 1986, S. 11.
  440. Commodore Business Machines, Inc. (Hrsg.): Commodore 1351 Mouse User’s Manual. Commodore Business Machines, West Chester 1986, S. 5.
  441. Klaus Schrödl: Commodore 1351 – eine flotte Maus. In: 64’er. Bd. 4, Nr. 6, 1987, S. 165.
  442. Benno Flaig, Andrew Draheim: Die Sache mit der Maus. In: 64’er. Bd. 5, Nr. 5, 1988, S. 80.
  443. Commodore Business Machines, Inc. (Hrsg.): Commodore 1351 Mouse User’s Manual. Commodore Business Machines, West Chester 1986, S. 8.
  444. Commodore Business Machines, Inc. (Hrsg.): Commodore 1351 Mouse User’s Manual. Commodore Business Machines, West Chester 1986, S. 9.
  445. Commodore Business Machines, Inc. (Hrsg.): Commodore 1351 Mouse User’s Manual. Commodore Business Machines, West Chester 1986, S. 9.
  446. Robert W. Baker: Inside the 1571 Disk Drive. In: Commodore Microcomputers. Bd. 7, Nr. 3, 1986, S. 154.
  447. Udo Reetz: Neuer Computer – altes Laufwerk? In: Happy Computer. Bd. 6, Nr. 3, 1988, S. 125.
  448. a b Commodore Business Machines, Inc. (Hrsg.): Service Manual 1571 Disk Drive. Commodore Business Machines, West Chester 1986, S. 13.
  449. a b c Morton Kevelson: A Look Around the 1571. In: Ahoy! Bd. 2, Nr. 9, 1985, S. 49.
  450. Miklós Garamszeghy: The 1581 Disk Drive: A technical evaluation. In: The Transactor. Bd. 7, Nr. 8, 1987, S. 30.
  451. Jürgen Zumbach: Aller guten Dinge sind drei. In: Happy Computer. Bd. 4, Nr. 3, 1986, S. 62.
  452. Commodore Business Machines, Inc. (Hrsg.): Commodore 1571 Disk Drive User’s Guide. Commodore Business Machines, West Chester 1985, S. 4.
  453. Commodore Business Machines, Inc. (Hrsg.): Commodore 1581 Disk Drive User’s Guide. Commodore Business Machines, West Chester 1987, S. 4.
  454. Andy Eskelson: The Drive Box. In: Commodore Computing International. Bd. 7, Nr. 2, 1988, S. 48
  455. Ellen Rule: More Power to You. In: Run. Band, Nr. 6/7, 1990, S. 20.
  456. Morton Kevelson: A Look Around the 1571. In: Ahoy! Bd. 2, Nr. 9, 1985, S. 48.
  457. a b c d Miklós Garamszeghy: The 1581 Disk Drive: A technical evaluation. In: The Transactor. Bd. 7, Nr. 8. 1987, S. 26.
  458. Morton Kevelson: A Look Around the 1571. In: Ahoy! Bd. 2, Nr. 9, 1985, S. 50.
  459. a b c Miklós Garamszeghy: The 1581 Disk Drive: A technical evaluation. In: The Transactor. Bd. 7, Nr. 8, 1987, S. 29.
  460. Benn Dunnington: News & Views: Special C.E.S. Edition. In: Info-64. Nr. 7, 1985, S. 54.
  461. Scuttlebutt. In: Ahoy! Bd. 2, Nr. 9, 1985, S. 7.
  462. Christian Zahn, Boris Kretzinger, Enno Coners: Die Commodore-Story. CSW-Verlag, Winnenden 2013, S. 54.
  463. Albert Absmeier: Chicago im Zeichen der CES. In: 64’er. Bd. 2, Nr. 8, 1985, S. 9.
  464. Karsten Schramm: Die Floppy 1570/1571. Markt+Technik, Haar bei München 1986, S. 134.
  465. a b c Karsten Schramm: Die Floppy 1570/1571. Markt+Technik, Haar bei München 1986, S. 109.
  466. Karsten Schramm: Die Floppy 1570/1571. Markt+Technik, Haar bei München 1986, S. 114 f.
  467. Karsten Schramm: Die Floppy 1570/1571. Markt+Technik, Haar bei München 1986, S. 113.
  468. Karsten Schramm: Die Floppy 1570/1571. Markt+Technik, Haar bei München 1986, S. 115.
  469. Boris Schneider: Die neuen Laufwerke Commodore-1570/1571. In: 64’er. Bd. 3, Nr. 1, 1986, S. 45.
  470. Jim Borden: Commodore’s New Disk Drive. In: Run. Bd. 3, Nr. 2, 1986, S. 26.
  471. a b Commodore Business Machines, Inc. (Hrsg.): Commodore 1571 Disk Drive User’s Guide. Commodore Business Machines, West Chester 1985, S. 5.
  472. Karsten Schramm: Die Floppy 1570/1571. Markt+Technik, Haar bei München 1986, S. 170.
  473. Commodore Business Machines, Inc. (Hrsg.): Service Manual 1571 Disk Drive. Commodore Business Machines, West Chester 1986, S. 4.
  474. Commodore Business Machines, Inc. (Hrsg.): Service Manual 1571 Disk Drive. Commodore Business Machines, West Chester 1986, S. 7 f.
  475. Commodore Business Machines, Inc. (Hrsg.): Service Manual 1571 Disk Drive. Commodore Business Machines, West Chester 1986, S. 4 f.
  476. a b Karsten Schramm: Die Floppy 1570/1571. Markt+Technik, Haar bei München 1986, S. 13.
  477. Commodore Business Machines, Inc. (Hrsg.): Service Manual 1571 Disk Drive. Commodore Business Machines, West Chester 1986, S. 2.
  478. Boris Schneider: Die neuen Laufwerke Commodore-1570/1571. In: 64’er. Bd. 3, Nr. 1, 1986, S. 44.
  479. Boris Schneider: Interims-Floppylaufwerk für den C128. In: 64’er. Bd. 2, Nr. 11, 1985, S. 10.
  480. a b Commodore Business Machines, Inc. (Hrsg.): Commodore 1571 Disk Drive User’s Guide. Commodore Business Machines, West Chester 1985, S. 114.
  481. Commodore Business Machines, Inc. (Hrsg.): Commodore 1571 Disk Drive User’s Guide. Commodore Business Machines, West Chester 1985, S. 115.
  482. Radio Commodore 1571. In: Commodore Welt. Bd. 3, Nr. 6, 1986, S. 59.
  483. Jürgen Zumbach: Aller guten Dinge sind drei. In: Happy Computer. Bd. 4, Nr. 3, 1986, S. 63.
  484. Torsten Seibt: Die seltsame Wandlung einer Floppy. In: Commodore Welt. Bd. 3, Nr. 5, 1986, S. 66.
  485. a b Commodore Business Machines, Inc. (Hrsg.): Service Manual 1571 Disk Drive. Commodore Business Machines, West Chester 1986, S. 1.
  486. a b c Guy Wright: The C-128 – A New Era of Compatibility. In: Run. Bd. 2, Nr. 5, 1985, S. 24.
  487. Miklós Garamszeghy: A Layman’s Guide to Burst Mode. In: TPUG Magazine. Nr. 23 (May 1986), S. 28.
  488. Miklós Garamszeghy: A Layman’s Guide to Burst Mode Part 2: Burst Read. In: TPUG Magazine. Nr. 24 (June/July 1986), S. 18.
  489. Miklós Garamszeghy: A Layman’s Guide to Burst Mode Part 3: Burst Write. In: TPUG Magazine. Nr. 25 (August/September 1986), S. 16.
  490. Tim Walsh: A 1571 Clone Is Here!, In: Run. Bd. 4, Nr. 12, 1987, S. 76.
  491. Tim Walsh: A 1571 Clone Is Here!, In: Run. Bd. 4, Nr. 12, 1987, S. 78.
  492. Alfred Poschmann: Neue Floppy für den C128. In. 64’er. Bd. 5, Nr. 2, 1988, S. 14.
  493. a b c d e f Jim Borden: Commodore’s New Disk Drive. In: Run. Bd. 3, Nr. 2, 1986, S. 28.
  494. a b c Margaret Morabito: The 1581 Disk Drive. In: Run. Bd. 3, Nr. 7, 1986, S. 24.
  495. Mark R. Brown: World of Commodore Show. In: Info. The Useful Guide to Commodore & Amiga Computing. Nr. 19, 1988, S. 34.
  496. a b c Commodore Business Machines, Inc. (Hrsg.): Commodore 1581 Disk Drive User’s Guide. Commodore Business Machines, West Chester 1987, S. 125.
  497. a b Commodore Business Machines, Inc. (Hrsg.): Service Manual 1581 3.5 Disk Drive. Commodore Computer Systems Division, West Chester 1987, S. 1.
  498. a b c Miklós Garamszeghy: The 1581 Disk Drive: A technical evaluation. In: The Transactor. Bd. 7, Nr. 8, 1987, S. 30.
  499. Commodore Business Machines, Inc. (Hrsg.): Service Manual 1581 3.5 Disk Drive. Commodore Computer Systems Division, West Chester 1987, S. 12.
  500. Scott Thomas: Commodore 1581 Disk Drive. In: Compute!’s Gazette. Bd. 6, Nr. 3, 1988, S. 42.
  501. a b Commodore Business Machines, Inc. (Hrsg.): Service Manual 1581 3.5 Disk Drive. Commodore Computer Systems Division, West Chester 1987, S. 4.
  502. Commodore Business Machines, Inc. (Hrsg.): Commodore 1581 Disk Drive User’s Guide. Commodore Business Machines, West Chester 1987, S. 1.
  503. a b c Miklós Garamszeghy: The 1581 Disk Drive: A technical evaluation. In: The Transactor. Bd. 7, Nr. 8, 1987, S. 27.
  504. Ellen Rule: More Power to You. In: Run. Band, Nr. 6/7, 1990, S. 24.
  505. a b Karsten Schramm: Nach Mini kommt Mikro... In: 64’er. Bd. 4, Nr. 5, 1987, S. 32.
  506. Arnd Wängler: Sie haben entschieden: Die Produkte des Jahres 1987. In: 64’er. Bd. 5, Nr. 6, 1988, S. 14 f.
  507. Fragen und Antworten zum 128er. In 64’er. Bd. 2, Nr. 12, 1985, S. 40.
  508. Thorsten Kuphaldt: CBM D9060/D9090. In: Commodore Computer Online Museum. 16. Februar 2015, abgerufen am 15. August 2016.
  509. Gregor Neumann, Thomas Jacobi, Martin Aschoff, Matthias Rosin, Jürgen Zumbach, Joachim Graf: Computer-Marathon. In: Happy Computer. Bd. 5, Nr. 5, 1987, S. 14.
  510. Boris Schneider, Jörg Kähler: CES – Im Zeichen der Unterhaltung. In: 64’er. Bd. 4, Nr. 3, 1987, S. 12.
  511. James Oldfield, Art Lewis Kimball: Hard Diskovery. In: Run. Bd. 4, Nr. 4, 1987, S. 32.
  512. 8-Bit Superbase for Hard Disks. In: Info. The Useful Guide to Amiga & Commodore Computing. Nr. 20, 1988, S. 36.
  513. Don Romero: Hard drives for the Commodore 8-bit computers. In: Info. The Useful Guide to Commodore Computing. Nr. 13, 1987, S. 42.
  514. Mark R. Brown: Mini Chief Hard Drive. In: Info. The Useful Guide to Commodore & Amiga Computing. Nr. 19, 1988, S. 61.
  515. Robby Boey: Strange peripherals – the HD-20 hard disk. In: MOS 6502 – A Commodore Geek’s Blog. 3. September 2010, abgerufen am 15. August 2016 (englisch).
  516. Ulrich Eike: Alles für den C128. In: Happy Computer. Bd. 4, Nr. 8, 1986, S. 124.
  517. a b c d Ulrich Eike: Alles für den C128. In: Happy Computer. Bd. 4, Nr. 8, 1986, S. 123.
  518. Commodore Büromaschinen GmbH (Hrsg.): Bedienungshandbuch RAM-Erweiterungsmodule 1700/1750, Commodore Büromaschinen GmbH, Frankfurt/M. 1986, S. 19.
  519. Commodore Büromaschinen GmbH (Hrsg.): Bedienungshandbuch RAM-Erweiterungsmodule 1700/1750, Commodore Büromaschinen GmbH, Frankfurt/M. 1986, S. 5.
  520. Commodore Büromaschinen GmbH (Hrsg.): Bedienungshandbuch RAM-Erweiterungsmodule 1700/1750, Commodore Büromaschinen GmbH, Frankfurt/M. 1986, S. 2.
  521. Herbert Buckel: Der C128 als Speichergigant. In: 64’er. Bd. 4, Nr. 3, 1987, S. 46.
  522. Tim Grantham: I Adore My C-576! In: TPUG Magazine. Nr. 22 (April 1986), S. 32.
  523. a b Commodore Büromaschinen GmbH (Hrsg.): Bedienungshandbuch RAM-Erweiterungsmodule 1700/1750, Commodore Büromaschinen GmbH, Frankfurt/M. 1986, S. 1.
  524. Achim Hübner: Erweiterungen für den C128. In: 64’er. Bd. 3, Nr. 10, 1986, S. 8 f.
  525. Florian Müller, Alfred Poschmann: Stark wie RAMbo – die Module 1700, 1750 und 1764. In: 64’er. Bd. 5, Nr. 8, 1988, S. 32.
  526. Henning Stöcklein, Harald Beiler: Speicher-Erweiterungen des C128. In: 128’er. Sonderheft Nr. 70, 1991, S. 36.
  527. Harald Beiler: Blitzschnell speichern und laden. In: Commodore Welt. Bd. 4, Nr. 8, 1987, S. 60.
  528. Michael Lang: Sommer-CES 1985: Weiche Welle in Chicago. In: Happy Computer. Bd. 3, Nr. 8, 1985, S. 10
  529. Florian Müller, Alfred Poschmann: Stark wie RAMbo – die Module 1700, 1750 und 1764. In: 64’er. Bd. 5, Nr. 8, 1988, S. 31.
  530. Florian Müller, Alfred Poschmann: Stark wie RAMbo – die Module 1700, 1750 und 1764. In: 64’er. Bd. 5, Nr. 8, 1988, S. 29.
  531. Arnd Wängler: Speichererweiterungen. In: 64’er-Produktführer. Sonderheft Nr. 1, 1993, S. 31.
  532. Dave Durran u. Patricia Huey: Bedienungsanleitung GeoRAM 512 und GEOS 2.0r. Übers. v. Florian Müller. Berkeley: Berkeley Softworks, 1989, S. 5.
  533. Ralf Sablowski: Der Monitor für die ganze Familie. In: 64’er. Bd. 5, Nr. 4, 1988, S. 162 f. Im Artikel wird der 1084 durchgehend fälschlich als „1804“ bezeichnet.
  534. Commodore Business Machines, Inc. (Hrsg.): Commodore Color Monitor 2002 User’s Guide. Commodore Business Machines, West Chester 1986, S. 15.
  535. Commodore Business Machines, Inc. (Hrsg.): Service Manual MPS 1230. Commodore Business Machines, West Chester 1989, S. 1–1.
  536. Commodore Business Machines, Inc. (Hrsg.): Commodore MPS 1250 Dot Matrix Printer User’s Guide. Commodore Business Machines, West Chester 1987, S. i-1.
  537. Commodore Business Machines, Inc. (Hrsg.): Commodore Video-Monitor 1901 User’s Guide. Commodore Business Machines, West Chester 1985, S. 6.
  538. a b c d Christian Zahn, Boris Kretzinger, Enno Coners: Die Commodore-Story. CSW-Verlag, Winnenden 2013, S. 64.
  539. a b c Commodore Business Machines, Inc. (Hrsg.): Commodore Video-Monitor 1901 User’s Guide. Commodore Business Machines, West Chester 1985, S. 16.
  540. Peter Beck: Monitor sucht Anschluß. In: Happy Computer. Bd. 4, Nr. 4, 1986, S. 138.
  541. Markus Ohnesorg: Großer Monitortest. In: 64’er. Bd. 3, Nr. 1, 1986, S. 25.
  542. Commodore Business Machines, Inc. (Hrsg.): Commodore Video-Monitor 1901 User’s Guide. Commodore Business Machines, West Chester 1985, S. 13.
  543. Commodore Business Machines, Inc. (Hrsg.): Commodore Video-Monitor 1901 User’s Guide. Commodore Business Machines, West Chester 1985, S. 7 f.
  544. Commodore Business Machines, Inc. (Hrsg.): Commodore Color Monitor 1902 User’s Guide. Commodore Business Machines, West Chester 1985, S. 1.
  545. Commodore Business Machines, Inc. (Hrsg.): Commodore Color Monitor 1902 User’s Guide. Commodore Business Machines, West Chester 1985, S. 9.
  546. Commodore Business Machines, Inc. (Hrsg.): Commodore Color Monitor 1902A User’s Guide. Commodore Business Machines, West Chester 1986, S. 1.
  547. Commodore Business Machines, Inc. (Hrsg.): Commodore Color Monitor 1902A User’s Guide. Commodore Business Machines, West Chester 1986, S. 7.
  548. Commodore Business Machines, Inc. (Hrsg.): Commodore MPS 1200 Dot Matrix Printer User’s Guide. Commodore Business Machines, West Chester 1986, S. I.
  549. Commodore Business Machines, Inc. (Hrsg.): Commodore MPS 1200 Dot Matrix Printer User’s Guide. Commodore Business Machines, West Chester 1986, S. E-1.
  550. Commodore Business Machines, Inc. (Hrsg.): Commodore MPS 1200 Dot Matrix Printer User’s Guide. Commodore Business Machines, West Chester 1986, S. 9–6.
  551. Commodore Business Machines, Inc. (Hrsg.): Commodore MPS 1200 Dot Matrix Printer User’s Guide. Commodore Business Machines, West Chester 1986, S. 1–20.
  552. Commodore Business Machines, Inc. (Hrsg.): Commodore MPS 1200 Dot Matrix Printer User’s Guide. Commodore Business Machines, West Chester 1986, S. E-2.
  553. Commodore Business Machines, Inc. (Hrsg.): Service Manual MPS1200 Printer. Commodore Business Machines, West Chester 1986, S. B-2.
  554. Commodore Business Machines, Inc. (Hrsg.): Commodore MPS 1200 Dot Matrix Printer User’s Guide. Commodore Business Machines, West Chester 1986, S. 8–4.
  555. Commodore Business Machines, Inc. (Hrsg.): Commodore MPS 1200 Dot Matrix Printer User’s Guide. Commodore Business Machines, West Chester 1986, S. A-1 f.
  556. Commodore Business Machines, Inc. (Hrsg.): Commodore MPS 1200 Dot Matrix Printer User’s Guide. Commodore Business Machines, West Chester 1986, S. B-7.
  557. Commodore Business Machines, Inc. (Hrsg.): Commodore MPS 1200 Dot Matrix Printer User’s Guide. Commodore Business Machines, West Chester 1986, S. E-2.
  558. Commodore Business Machines, Inc. (Hrsg.): Commodore MPS 1200 Dot Matrix Printer User’s Guide. Commodore Business Machines, West Chester 1986, S. 1–18.
  559. Commodore Modem 300 User’s Manual. Commodore Business Machines, West Chester 1985, S. 14.
  560. Commodore Modem 300 User’s Manual. Commodore Business Machines, West Chester 1985, S. 69 f.
  561. Commodore Modem 300 User’s Manual. Commodore Business Machines, West Chester 1985, S. 59.
  562. Commodore Modem 300 User’s Manual. Commodore Business Machines, West Chester 1985, S. 26.
  563. Commodore Modem 300 User’s Manual. Commodore Business Machines, West Chester 1985, S. 6.
  564. Commodore Modem 300 User’s Manual. Commodore Business Machines, West Chester 1985, S. 7.
  565. Commodore Modem 300 User’s Manual. Commodore Business Machines, West Chester 1985, S. 2 f.
  566. Commodore Modem 1200 Model 1670 User’s Manual. Commodore Business Machines, West Chester 1987, S. 15.
  567. Commodore Modem 1200 Model 1670 User’s Manual. Commodore Business Machines, West Chester 1987, S. 61.
  568. Commodore Modem 1200 Model 1670 User’s Manual. Commodore Business Machines, West Chester 1987, S. 55.
  569. Peggy Herrington: Modems Across the Board … In: Info. The Useful Guide to Commodore Computing. Nr. 12, 1986, S. 36.
  570. Commodore Modem 1200 Model 1670 User’s Manual. Commodore Business Machines, West Chester 1987, S. 6.
  571. Commodore Modem 1200 Model 1670 User’s Manual. Commodore Business Machines, West Chester 1987, S. 69.
  572. Commodore Modem 1200 Model 1670 User’s Manual. Commodore Business Machines, West Chester 1987, S. 6.
  573. Commodore Modem 1200 Model 1670 User’s Manual. Commodore Business Machines, West Chester 1987, S. 2.
  574. a b c Matthias Frank, Arnd Wängler; Kennen Sie BTX? In: 64’er. Bd. 5, Nr. 10, 1988, S. 84.
  575. Albert Absmeier: BTX total. In: 64’er. Bd. 2, Nr. 10, 1985, S. 8.
  576. a b c Thomas Röder: Co-Produktion. In: 64’er. Bd. 4, Nr. 11, 1987, S. 35.
  577. a b Arnd Wängler: Endlich: Commodore BTX-Modul fertig. In: 64’er. Bd. 3, Nr. 11, 1986, S. 13.
  578. Detlef Borchers: 20 Jahre BTX. In: Heise Online. 2. September 2003, abgerufen am 31. Mai 2016.
  579. Der EUROM kostet zirka 600 Mark. In: Computerwoche. 13. April 1984, abgerufen am 9. Juni 2016.
  580. BTX: Ab Mai Keramik-EUROM. In: Computerwoche. 8. Februar 1985, abgerufen am 31. Mai 2016.
  581. Arnd Wängler: Neue BTX-Modulversion. In: 64’er. Bd. 6, Nr. 7, 1989, S. 14.
  582. Arnd Wängler: Tips & Tricks zu BTX. In: 64’er. Bd. 6, Nr. 7, 1989, S. 85.
  583. Thomas Röder: Co-Produktion. In: 64’er. Bd. 4, Nr. 11, 1987, S. 187.
  584. Arnd Wängler: Telesoftware – nie wieder abtippen! in: 64’er. Bd. 7, Nr. 1, 1990, S. 74.
  585. Arnd Wängler: BTX – ein Angebot für Sie. in: 64’er. Bd. 5, Nr. 12, 1988, S. 102–104.
  586. Ruth Henke: BTX: Späte Zündung. In: Focus. 30. Mai 1994, abgerufen am 3. Januar 2017.
  587. Arnd Wängler: Spiele auf Draht. in: 64’er. Bd. 7, Nr. 1, 1990, S. 76 f.
  588. Thomas Giger: Graphic Booster 128. Combo AG, Solothurn 1989.
  589. Michael Nickles: Graphic-Booster 128: Grafik mit 720 × 700 Pixel. In: Run. Bd. 4, Nr. 11, 1987, S. 104 f.
  590. Thomas Helbing, Alfred Poschmann: Graphic Booster 128. In. 64’er. Bd. 5, Nr. 2, 1988, S. 142 f.
  591. Thomas Helbing, Alfred Poschmann: Graphic Booster 128. In. 64’er. Bd. 5, Nr. 2, 1988, S. 143.
  592. Grafik in der anderen Dimension. In: Computer World. Bd. 5, Nr. 1, 1988, S. 14 f.
  593. Alfred Poschmann: C128-Sprinter im Vergleich. In: 64’er. Bd. 5, Nr. 1, 1988, S. 162.
  594. Alfred Poschmann: Ring frei! In: Happy Computer. Bd. 7, Nr. 1, 1989, S. 108.
  595. In A Jiffy. In: Info. The Useful Guide to Amiga & Commodore Computing. Nr. 23, 1988, S. 24.
  596. a b c David W. Martin: Quick! Quicker! In: Info. The Useful Guide to Amiga & Commodore Computing. Nr. 25, 1989, S. 21.
  597. Noel Nyman: JiffyDOS for the C64/C128. In: The Transactor. Bd. 9, Nr. 3, 1989, S. 72.
  598. Noel Nyman: JiffyDOS for the C64/C128. In: The Transactor. Bd. 9, Nr. 3, 1989, S. 75.
  599. Alfred Poschmann: C128-Sprinter im Vergleich. In: 64’er. Bd. 5, Nr. 1, 1988, S. 163 f.
  600. a b Karsten Schramm: Große Kaufhilfe: Floppy-Speeder. In: 64’er. Bd. 4, Nr. 5, 1987, S. 26 ff.
  601. Florian Küppersbusch, Thomas Kaltenbach: Schnell wie der Wind. In: Happy Computer. Bd. 7, Nr. 4, 1989, S. 32 f.
  602. Alfred Poschmann: C128-Sprinter im Vergleich. In: 64’er. Bd. 5, Nr. 1, 1988, S. 162 f.
  603. Hartmut Woerrlein: Auch die 1570/71 wird schneller. In: Happy Computer. Bd. 5, Nr. 9, 1987, S. 20.
  604. Alfred Poschmann, Karsten Schramm: Die 1571 bekommt Flügel. In: 64’er. Bd. 4, Nr. 10, 1987, S. 113.
  605. Alfred Poschmann: C128-Sprinter im Vergleich. In: 64’er. Bd. 5, Nr. 1, 1988, S. 163.
  606. Peter Klein: Speeder. In: 64’er-Produktführer. Sonderheft Nr. 1, 1993, S. 29.
  607. Alfred Poschmann: Ein Turbo für den C128. In: 64’er. Bd. 6, Nr. 1, 1989, S. 158 f.
  608. Alfred Poschmann: Ein Turbo für den C128. In: 64’er. Bd. 6, Nr. 1, 1989, S. 161.
  609. Mach 5 Upgrade. In: Commodore Power Play. Bd. 5, Nr. 2, 1986, S. 10.
  610. Boris Schneider: Die Wüste lebt. In: 64’er. Bd. 3, Nr. 3, 1986, S. 9.
  611. Grewe Computertechnik-Werbeanzeige. In: Happy Computer. Bd. 6, Nr. 1, 1988, S. 153.
  612. Creative Micro Designs-Werbeanzeige. In: Commodore World. Nr. 22, 1998, S. 42.
  613. Doug Cotton: The SuperCPU Steps up to Version 2. In: Commodore World. Nr. 22, 1998, S. 38.
  614. Gottfried Knechtel: Hardware-Erweiterungen. In: 64’er. Bd. 3, Nr. 12, 1986, S. 40 f.
  615. Arnd Wängler: Quickbyte II – das Kraftpaket. In: 64’er, Bd. 2, Nr. 10, 1985, S. 14.
  616. Achim Hübner: EPROMer unter der Lupe. In: 64’er. Bd. 5, Nr. 8, 1988, S. 28.
  617. Achim Hübner: EPROMer unter der Lupe. In: 64’er. Bd. 5, Nr. 8, 1988, S. 25.
  618. Gottfried Knechtel: Hardware-Erweiterungen. In: 64’er. Bd. 3, Nr. 12, 1986, S. 42 ff.
  619. Achim Hübner: Hardware-Zusätze. In: 64’er. Bd. 5, Nr. 7, 1988, S. 28–32.
  620. Combo AG-Werbeanzeige. In: 64’er. Bd. 6, Nr. 9, 1989.
  621. 128 Command Center. In: Commodore Power Play. Bd. 5, Nr. 4, 1986, S. 10.
  622. Dieter Mayer: Tastaturschablone für C128. In: 64’er. Bd. 3, Nr. 5, 1986, S. 11.
  623. Classic Covers (Catalog). Omicron Industries, Salt Lake City 1985, S. 2.
  624. Dennis Brisson: Running Ruminations. In: Run. Bd. 9, Nr. 5/6, 1992, S. 4.
  625. a b Louis Wallace: Summer CES: The Show Goes On. In: Run. Bd. 4, Nr. 9, 1987, S. 56.
  626. Bill Loguidice, Matt Burton: Vintage Game Consoles. Focal Press, New York / London 2014, S. 114.
  627. Gary V. Fields: Getting Down to Business. In: Commodore Magazine. Bd. 2, Nr. 11, 1988, S. 70.
  628. Jürgen Zumbach: Wo sprudeln die CP/M-Software-Quellen? In: Happy Computer. Bd. 4, Nr. 2, 1986, S. 29.
  629. Volker Everts: C128: Professionelle CP/M-Software für 199 DM. In: 64’er. Bd. 2, Nr. 9, 1985, S. 14.
  630. a b Jürgen Hückstädt, Andreas Hagedorn: BASIC-Aussteiger: Bitte einsteigen (Teil 1). In: Happy Computer. Bd. 4, Nr. 4, 1986, S. 116.
  631. Volker Everts: Die CP/M-Ecke. In: 64’er. Bd. 3, Nr. 6, 1986, S. 88.
  632. Peter Niemann: Commodore 128 Anwenderhandbuch. MacGraw-Hill, Hamburg 1986, S. 36.
  633. Peter Niemann: Commodore 128 Anwenderhandbuch. MacGraw-Hill, Hamburg 1986, S. 37.
  634. a b c Peter Rosenbeck: Das Commodore 128 Handbuch. Markt+Technik, Haar bei München 1985, S. 56.
  635. Dieter Mayer: Die Floppy 1571 und Originalprogramme. In: 64’er. Bd. 3, Nr. 5, 1986, S. 95.
  636. Larry Greenly, Fred Bowen, Bil Herd et al.: Das C128 Buch. Sybex, Düsseldorf 1986, S. 663.
  637. Rudolf Schineis, Michael Braun, Norbert Demgensky: C128 ROM-Listing: Operating System. Markt+Technik, Haar bei München 1986, S. 65.
  638. Florian Müller, Karsten Schramm: Durchblick mit dem TEDMON. In: 128’er. Sonderheft Nr. 10, 1986, S. 28.
  639. Peter Rosenbeck: Das Commodore 128 Handbuch. Markt+Technik, Haar bei München 1985, S. 91–95.
  640. a b Larry Greenly, Fred Bowen, Bil Herd et al.: Das C128 Buch. Sybex, Düsseldorf 1986, S. 463.
  641. Commodore 128 Programmer’s Reference Guide, hrsg. v. Commodore Business Machines, Inc. New York: Bantam Books, 1986, S. 5.
  642. Dr. Ruprecht: C128: ROM-Listing. Markt+Technik, Haar bei München 1986, S. 28.
  643. a b Volker Everts, Harald Meyer: Erster ausführlicher Test PC128 (Teil 1). In: 64’er. Bd. 2, Nr. 6, 1985, S. 16.
  644. Peter Rosenbeck: Das Commodore 128 Handbuch. Markt+Technik, Haar bei München 1985, S. 59.
  645. Peter Rosenbeck: Das Commodore 128 Handbuch. Markt+Technik, Haar bei München 1985, S. 65.
  646. a b Dr. Ruprecht: C128: ROM-Listing. Markt+Technik, Haar bei München 1986, S. 8.
  647. a b Mark R. Brown, Benn Dunnington: ROM Upgrades. In: Info. The Useful Guide to Commodore & Amiga Computing. Nr. 16, 1987, S. 7.
  648. Infomania Game Tips! In: Info. The Useful Guide to Amiga & Commodore Computing. Nr. 21, 1988, S. 16.
  649. Jörg Schieb, Elmar A. Weiler: Commodore 128: CP/M User’s Guide. Abacus Software, Grand Rapids 1986, S. 23.
  650. Jürgen Hückstädt: CP/M 3.0 Anwenderhandbuch C128. Markt+Technik, Haar bei München 1986, S. 22 f.
  651. Jürgen Hückstädt: CP/M 3.0 Anwenderhandbuch C128. Markt+Technik, Haar bei München 1986, S. 73.
  652. Bernhard Bachmann: Commodore 128: Arbeiten mit CP/M Plus. Sybex, Düsseldorf 1987, S. 15.
  653. Jürgen Hückstädt: CP/M 3.0 Anwenderhandbuch C128. Markt+Technik, Haar bei München 1986, S. 18.
  654. Franz Grieser, Thomas Irlbeck: Computer-Lexikon. DTV, München 1993, S. 159.
  655. Alex Lane: CP/M and the C-128. In: Run. Bd. 2, Nr. 11, 1985, S. 120.
  656. Bernhard Bachmann: Commodore 128: Arbeiten mit CP/M Plus. Sybex, Düsseldorf 1987, S. 17.
  657. a b Jörg Schieb, Elmar A. Weiler: Commodore 128: CP/M User’s Guide. Abacus Software, Grand Rapids 1986, S. 22.
  658. Roland Fieger: Was ist CP/M? In: 128’er. Sonderheft Nr. 10, 1986, S. 28.
  659. Franz Grieser, Thomas Irlbeck: Computer-Lexikon. DTV, München 1993, S. 161.
  660. Alex Lane: CP/M and the C-128. In: Run. Bd. 2, Nr. 11, 1985, S. 124.
  661. a b c Harald Beiler: … aber bitte mit Format! In: 128’er. Sonderheft Nr. 89, 1993, S. 24.
  662. Helmut Jungkunz, Harald Beiler: Neues aus der CP/M-Szene. In: 128’er. Sonderheft Nr. 95, 1993, S. 31.
  663. Jürgen Hückstädt: CP/M 3.0 Anwenderhandbuch C128. Markt+Technik, Haar bei München 1986, S. 27 f.
  664. Ralph A. Morrill: Compatibility and Operability of the C128 CP/M+ Operating System. In: The Transactor. Bd. 7, Nr. 5, 1987, S. 44 ff.
  665. Miklós Garamszeghy: Customizing C128 CP/M: Patches for CPM+.SYS. In: The Transactor. Bd. 9, Nr. 4, 1989, S. 62.
  666. Roland Fieger: DFÜ unter CP/M. In: 64’er. Bd. 4, Nr. 4, 1987, S. 141.
  667. Jürgen Hückstädt, O. Trottno, Harald Beiler: Programmieren mit CP/M 3.0. In: 128’er. Sonderheft Nr. 70, 1991, S. 27.
  668. Klaus-Dieter Frohn, Harald Beiler: Tips für CP/M-Fans. In: 128’er. Sonderheft Nr. 76, 1992, S. 27 f.
  669. Peter Aurich: Setup für C128-CP/M. In: 64’er. Bd. 4, Nr. 6, 1987, S. 11.
  670. a b Jürgen Hückstädt: CP/M 3.0 Anwenderhandbuch C128. Markt+Technik, Haar bei München 1986, S. 25.
  671. Jürgen Hückstädt: CP/M 3.0 Anwenderhandbuch C128. Markt+Technik, Haar bei München 1986, S. 144–154.
  672. Roland Fieger: Tips & Tricks zu CP/M. In: 128’er. Sonderheft Nr. 10, 1986, S. 97 ff.
  673. Alex Lane: CP/M and the C-128. In: Run. Bd. 2, Nr. 11, 1985, S. 122.
  674. Stephen E. Mann: CP/M Plus, a third, updated version of CP/M. In: InfoWorld. Bd. 5, Nr. 33, 1983, S. 52.
  675. a b c Jürgen Hückstädt: CP/M 3.0 Anwenderhandbuch C128. Markt+Technik, Haar bei München 1986, S. 27.
  676. Jürgen Hückstädt: CP/M 3.0 Anwenderhandbuch C128. Markt+Technik, Haar bei München 1986, S. 155.
  677. Roland Fieger: Tips & Tricks zu CP/M. In: 128’er. Sonderheft Nr. 10, 1986, S. 99.
  678. Peter Rosenbeck: Das Commodore 128 Handbuch. Markt+Technik, Haar bei München 1985, S. 58.
  679. a b Alex Lane: CP/M and the C-128. In: Run. Bd. 2, Nr. 12, 1985, S. 76.
  680. Jürgen Hückstädt: CP/M 3.0 Anwenderhandbuch C128. Markt+Technik, Haar bei München 1986, S. 23.
  681. Peter Rosenbeck: Das Commodore 128 Handbuch. Markt+Technik, Haar bei München 1985, S. 57 f.
  682. Franz Grieser, Thomas Irlbeck: Computer-Lexikon. DTV, München 1993, S. 161.
  683. Jürgen Hückstädt: CP/M 3.0 Anwenderhandbuch C128. Markt+Technik, Haar bei München 1986, S. 24.
  684. Peter Rosenbeck: Das Commodore 128 Handbuch. Markt+Technik, Haar bei München 1985, S. 59.
  685. Jörg Schieb, Elmar A. Weiler: Commodore 128: CP/M User’s Guide. Abacus Software, Grand Rapids 1986, S. 225.
  686. Jörg Schieb, Elmar A. Weiler: Commodore 128: CP/M User’s Guide. Abacus Software, Grand Rapids 1986, S. 47.
  687. Alex Lane: CP/M and the C-128. In: Run. Bd. 2, Nr. 12, 1985, S. 78.
  688. Jörg Schieb, Elmar A. Weiler: Commodore 128: CP/M User’s Guide. Abacus Software, Grand Rapids 1986, S. 81.
  689. Roland Fieger: Tips & Tricks zu CP/M. In: 128’er. Sonderheft Nr. 10, 1986, S. 95 f.
  690. Jürgen Zumbach: CP/M – ein Standard lebt auf. In: Happy Computer. Bd. 4, Nr. 2, 1986, S. 26.
  691. Bernhard Bachmann: Commodore 128: Arbeiten mit CP/M Plus. Sybex, Düsseldorf 1987, S. 18 ff.
  692. Jürgen Hückstädt: CP/M 3.0 Anwenderhandbuch C128. Markt+Technik, Haar bei München 1986, S. 140.
  693. Klaus Gerits, Frank Kampow: Das Premierenbuch – Der neue C 128. Data-Becker, Düsseldorf 1985, S. 46.
  694. Jürgen Hückstädt: CP/M 3.0 Anwenderhandbuch C128. Markt+Technik, Haar bei München 1986, S. 140 f.
  695. a b Christian Zahn, Boris Kretzinger, Enno Coners: Die Commodore-Story. CSW-Verlag, Winnenden 2013, S. 63.
  696. Benn Dunnington: A Nostalgic Look Back at the Commodore 128. In: Info-64. Nr. 9, 1985, S. 26.
  697. Michael Thomas, Karsten Schramm: Die Qual der Wahl. In: 64’er. Sonderheft Nr. 15, 1987, S. 12.
  698. Alfred Poschmann: C64 oder C128 – welcher ist besser? In: 64’er. Bd. 5, Nr. 5, 1988, S. 22.
  699. Harald Beiler: Blitzschnell speichern und laden. In: Commodore Welt. Bd. 4, Nr. 8, 1987, S. 61.
  700. Karsten Schramm: Die Floppy 1570/1571. Markt+Technik, Haar bei München 1986, S. 118.
  701. Commodore 128 Bedienungshandbuch. Frankfurt/M.: Commodore Büromaschinen GmbH, 1985, S. 6–1 bis 6-18.
  702. Morton Kevelson: A Look Around the 1571: Commodore’s Disk Drive Companion to the 128. In: Ahoy! Bd. 2, Nr. 9, 1985, S. 47.
  703. Peter Niemann: Commodore 128 Anwenderhandbuch. MacGraw-Hill, Hamburg 1986, S. 29.
  704. Karsten Schramm: Die Floppy 1570/1571. Markt+Technik, Haar bei München 1986, S. 117.
  705. Karsten Schramm: Die Floppy 1570/1571. Markt+Technik, Haar bei München 1986, S. 453.
  706. a b c d Karsten Schramm: Die Floppy 1570/1571. Markt+Technik, Haar bei München 1986, S. 121.
  707. Karsten Schramm: Die Floppy 1570/1571. Markt+Technik, Haar bei München 1986, S. 297.
  708. Günter Rolle: Personal Computer Lexikon. Markt+Technik, Haar bei München 1982, S. 42.
  709. Morton Kevelson: A Look Around the 1571: Commodore’s Disk Drive Companion to the 128. In: Ahoy! Bd. 2, Nr. 9, 1985, S. 50.
  710. Jürgen Hückstädt: CP/M 3.0 Anwenderhandbuch C128. Markt+Technik, Haar bei München 1986, S. 20.
  711. Helmut Jungkunz, Harald Beiler: Software für CP/M 3.0: Der Schritt aus dem Schatten. In: 128’er. Sonderheft Nr. 76, 1992, S. 32.
  712. Jürgen Hückstädt: CP/M 3.0 Anwenderhandbuch C128. Markt+Technik, Haar bei München 1986, S. 21.
  713. Harald Beiler: Auf fremder Spur: CP/M-Formatter und MFM-Scan. In: 128’er. Sonderheft Nr. 82, 1992, S. 22.
  714. Jugg’ler-128. In: Commodore Magazine. Bd. 3, Nr. 4, 1989, S. 10.
  715. Harald Beiler: Floppy mit hohen Ambitionen. In: 128’er. Sonderheft Nr. 82, 1992, S. 4.
  716. Peter Niemann: Commodore 128 Anwenderhandbuch. MacGraw-Hill, Hamburg 1986, S. 28.
  717. Morton Kevelson: A Look Around the 1571: Commodore’s Disk Drive Companion to the 128. In: Ahoy! Bd. 2, Nr. 9, 1985, S. 48.
  718. Karsten Schramm: Die Floppy 1570/1571. Markt+Technik, Haar bei München 1986, S. 157.
  719. Karsten Schramm: Die Floppy 1570/1571. Markt+Technik, Haar bei München 1986, S. 176.
  720. Karsten Schramm: Die Floppy 1570/1571. Markt+Technik, Haar bei München 1986, S. 174.
  721. Boris Schneider: Die neuen Laufwerke Commodore-1570/1571. In: 64’er. Bd. 3, Nr. 1, 1986, S. 46 f.
  722. Robert H. Taylor, Dell Taylor: The Black Book of C128. Value-Soft, Portland 1986, S. 193–195.
  723. Karsten Schramm: Die Floppy 1570/1571. Markt+Technik, Haar bei München 1986, S. 109 f.
  724. a b c Karsten Schramm: Die Floppy 1570/1571. Markt+Technik, Haar bei München 1986, S. 120.
  725. Karsten Schramm: Die Floppy 1570/1571. Markt+Technik, Haar bei München 1986, S. 116.
  726. Karsten Schramm: Die Floppy 1570/1571. Markt+Technik, Haar bei München 1986, S. 110 f.
  727. a b Michael Sachse: MOS–IC Index. In: CBM-Hardware. Abgerufen am 22. November 2015.
  728. 1571/C128 ROM Upgrades. In: Info. The Useful Guide to Commodore & Amiga Computing. Nr. 14, 1987, S. 138.
  729. Tim Sickbert: C128 and 1571 ROM Upgrades. In: Info. The Useful Guide to Commodore & Amiga Computing. Nr. 17, 1987, S. 55.
  730. Tim Walsh: The 1571 ROM Controversy. In: Run. Bd. 4, Nr. 12, 1987, S. 78.
  731. Karsten Schramm: Die Floppy 1570/1571. Markt+Technik, Haar bei München 1986, S. 115.
  732. Cameron Kaiser: The Disk Drives. In: Floodgap Retrobits. 29. Dezember 2004, abgerufen am 5. Oktober 2015 (englisch).
  733. Klaus Schrödl: Was heißt hier kompatibel? In: 128’er. Sonderheft Nr. 29, 1988, S. 3.
  734. Günther Jilg, Axel Pretsch, Gottfried Knechtel: Ein Problemkind: der neue C128D im Blechgewand. In: 128’er. Sonderheft Nr. 29, 1988, S. 9.
  735. Karsten Schramm, Alfred Poschmann: Zwei ungleiche Brüder. In: 64’er. Bd. 5, Nr. 3, 1988, S. 152.
  736. Commodore 128 Bedienungshandbuch. Frankfurt/M.: Commodore Büromaschinen GmbH, 1985, S. 6–1.
  737. Commodore 128 Bedienungshandbuch. Frankfurt/M.: Commodore Büromaschinen GmbH, 1985, S. 6–14 u. 6-17.
  738. Commodore 128 Bedienungshandbuch. Frankfurt/M.: Commodore Büromaschinen GmbH, 1985, S. 6–7.
  739. Commodore 128 Bedienungshandbuch. Frankfurt/M.: Commodore Büromaschinen GmbH, 1985, S. 6–2 ff.
  740. Commodore 128 Bedienungshandbuch. Frankfurt/M.: Commodore Büromaschinen GmbH, 1985, S. 6–3 ff.
  741. Commodore 128 Bedienungshandbuch. Frankfurt/M.: Commodore Büromaschinen GmbH, 1985, S. 6–9 ff.
  742. Commodore 128 Bedienungshandbuch. Frankfurt/M.: Commodore Büromaschinen GmbH, 1985, S. 6–10 ff.
  743. Commodore 128 Bedienungshandbuch. Frankfurt/M.: Commodore Büromaschinen GmbH, 1985, S. 6–13 ff.
  744. Ellen Rule: More Power to You. In: Run. Band, Nr. 6/7, 1990, S. 21.
  745. a b c d Miklós Garamszeghy: The 1581 Disk Drive: A technical evaluation. In: The Transactor. Bd. 7, Nr. 8, 1987, S. 28.
  746. a b Hartmut Woerrlein, Gregor Neumann: 1581 – Alternative in 3½-Zoll? In: Happy Computer. Bd. 5, Nr. 6, 1987, S. 47.
  747. a b c Dan Baker: 1581 Disk Drive. In: Commodore Magazine. Bd. 1, Nr. 11, 1987, S. 123.
  748. Mark R. Brown: 1581 Disk Drive. In: Info. The Useful Guide to Commodore & Amiga Computing. Nr. 15, 1987, S. 47.
  749. Robert H. Taylor, Dell Taylor: The Black Book of C128. Value-Soft, Portland 1986, S. 174.
  750. a b Alfred Poschmann: Neue Dimensionen mit der 1581. In: 64’er. Bd. 4, Nr. 12, 1987, S. 87.
  751. Hartmut Woerrlein, Gregor Neumann: 1581 – Alternative in 3½-Zoll? In: Happy Computer. Bd. 5, Nr. 6, 1987, S. 46.
  752. Franz Grieser, Thomas Irlbeck: Computer-Lexikon. DTV, München 1993, S. 302.
  753. Dirk Astrath: GEOS. In: 64’er. Bd. 7, Nr. 4, 1990, S. 58.
  754. Dirk Astrath: GEOS ohne Ende? In: 64’er. Bd. 7, Nr. 4, 1990, S. 62.
  755. a b Dennis Brisson: GEOS One Year Later. In: Run. Bd. 4, Nr. 7, 1987, S. 67.
  756. Klaus Schrödl: Premiere – GEOS C128. In: 64’er. Bd. 4, Nr. 5, 1987, S. 9.
  757. Klaus Schrödl: GEOS 128. In: 64’er. Bd. 4, Nr. 6, 1987, S. 13.
  758. a b c Roland Fieger: Grafik zum Abheben: GEOS 128. In: 64’er. In: Bd. 4, Nr. 12, 1987, S. 16 f.
  759. a b Don Romero: GEOS Update Part Four. In: Info. The Useful Guide to Commodore & Amiga Computing. Nr. 19, 1988, S. 50.
  760. Don Romero: GeoStuff. In: Info. The Useful Guide to Amiga & Commodore Computing. Nr. 21, 1988, S. 29.
  761. Berkeley Softworks (Hrsg.): GeoFile 128: Das Datenverwaltungssystem zur Benutzung mit GEOS 128. Markt+Technik, Haar bei München 1988.
  762. Berkeley Softworks (Hrsg.): GeoCalc 128: Das grafikunterstützte Kalkulationsblatt zur Benutzung mit GEOS 128. Markt+Technik, Haar bei München 1988.
  763. Florian Müller, Roland Fieger: GeoCalc 64/128: Gut gerechnet ist halb gewonnen. In: 64’er. Bd. 5, Nr. 5, 1988, S. 103.
  764. Jim Defrisco, Brian Dougherty, Dave Durran et al.: GEOS 128: Graphic Environment Operating System. Markt+Technik, Haar bei München 1988, S. 1–6.
  765. Roland Fieger: GEOS-Komplettsystem mit allem Komfort. In: 64’er. Bd. 4, Nr. 1, 1987, S. 114.
  766. Jim Defrisco, Brian Dougherty, Dave Durran et al.: GEOS 128: Graphic Environment Operating System. Markt+Technik, Haar bei München 1988.
  767. Gregor Neumann: Bits in Bewegung. In: Happy Computer. Bd. 7, Nr. 3, 1989, S. 11.
  768. Florian Müller: C64/C128: Alles über GEOS 2.0. Markt+Technik, Haar bei München 1989, S. 13.
  769. a b c Florian Müller, Elmas Friebe: Zwei zu Null für den C128. In: 128’er. Sonderheft Nr. 44, 1989, S. 116.
  770. a b Berkeley Softworks (Hrsg.): GEOS 128: Graphic Environment Operating System Version 2.0. Markt+Technik, Haar bei München 1989.
  771. Tim Walsh: GeoWatch. In: Run. Bd. 6, Nr. 5, 1989, S. 66.
  772. Dennis Brisson: Running Ruminations. In: Run. Bd. 6, Nr. 2, 1989, S. 6.
  773. Dirk Astrath: Ein neuer Maßstab für Benutzeroberflächen: GEOS 2.0. In: 64’er. Bd. 6, Nr. 3, 1989, S. 34.
  774. Don Romero: GEOS 128 V2.0. In: Info. The Useful Guide to Amiga & Commodore Computing. Nr. 26, 1989, S. 45.
  775. Uwe Kepper, Dirk Astrath: Neues GEOS für den C128. In: 64’er. Bd. 6, Nr. 9, 1989, S. 80 f.
  776. Dirk Astrath: Der C128 als Grafikprofi. In: 64’er. Bd. 6, Nr. 1, 1989, S. 104 f.
  777. Markt+Technik-Werbeanzeige. In: Happy Computer. Bd. 7, Nr. 9, 1989, S. 49.
  778. Dirk Astrath: Neues aus der GEOS–Welt. In: 64’er. Bd. 6, Nr. 3, 1989, S. 9.
  779. Carsten Clasohm, Klaus Schrödl: Kinderleicht: DFÜ mit GEOS. In: 64’er. Sonderheft Nr. 28, 1988, S. 5–18.
  780. Carsten Clasohm: GeoTerm. Professionelles Terminalprogramm mit grafischer Benutzeroberfläche unter GEOS. Markt+Technik, Haar bei München 1989, S. 9.
  781. a b Florian Müller, Peter Pfliegensdörfer: GEOS-News. Bd. 5, Nr. 7, 1988, S. 11.
  782. Markt+Technik-Werbeanzeige. In: 64’er. Bd. 6, Nr. 8, 1989, S. 134.
  783. Dirk Astrath: Programmieren mit GEOS. In: 64’er. Bd. 6, Nr. 12, 1989, S. 32.
  784. W. Knupe, H.-J. Cripina, R. Bonse, V. Goehrke: GEOS-Programmierung mit dem MegaAssembler. Markt+Technik, Haar bei München 1990, S. 15 ff.
  785. Florian Müller: C64/C128: Alles über GEOS 2.0. Markt+Technik, Haar bei München 1989, S. 19.
  786. Dennis Brisson, Margaret Morabito: New Members of The Commodore Family. In: Run. Bd. 3, Nr. 7, 1986, S. 22 f.
  787. Matthew Stern: The Expanding World of GEOS. In: Run. Bd. 4, Nr. 6, 1987, S. 54.
  788. Software Upgrades. In: Info. The Useful Guide to Commodore & Amiga Computing. Nr. 19, 1988, S. 32.
  789. Peter Rosenbeck: Das Commodore 128 Handbuch. Markt+Technik, Haar bei München 1985, S. 66.
  790. Peter Rosenbeck: Das Commodore 128 Handbuch. Markt+Technik, Haar bei München 1985, S. 67.
  791. Todd Heimarck: Exploring BASIC 7.0. In: COMPUTE’S! First Book of C128. Compute! Publishing, Greensboro 1986, S. 3.
  792. Jürgen Hückstädt: BASIC 7.0 auf dem Commodore 128. Markt+Technik, Haar bei München 1985, S. 15 f.
  793. a b Guy Wright: The C-128 – A New Era of Compatibility. In: Run. Bd. 2, Nr. 5, 1985, S. 26.
  794. Peter Rosenbeck: Das Commodore 128 Handbuch. Markt+Technik, Haar bei München 1985, S. 83 f.
  795. Heimo Ponnath, Gottfried Knechtel: Grafik richtig programmieren. In: 128’er. Sonderheft Nr. 36, 1988, S. 41.
  796. Heimo Ponnath, Klaus Schrödl: Jonglieren mit Sprites und Shapes. In: 128’er. Sonderheft Nr. 36, 1988, S. 61 ff.
  797. Florian Müller: Vom C64 zum C128: Tips & Tricks. Markt+Technik, Haar bei München 1987, S. 27.
  798. Jürgen Hückstädt: BASIC V7.0 auf dem Commodore 128. Markt+Technik, Haar bei München 1985, S. 197.
  799. Peter Rosenbeck: Das Commodore 128 Handbuch. Markt+Technik, Haar bei München 1985, S. 65.
  800. Peter Rosenbeck: Das Commodore 128 Handbuch. Markt+Technik, Haar bei München 1985, S. 96.
  801. Robert H. Taylor, Dell Taylor: The Black Book of C128. Value-Soft, Portland 1986, S. 84 f.
  802. Jürgen Hückstädt: BASIC V7.0 auf dem Commodore 128. Markt+Technik, Haar bei München 1985, S. 16.
  803. Florian Müller: Vom C64 zum C128: Tips & Tricks. Markt+Technik, Haar bei München 1987, S. 53.
  804. Todd Heimarck: Exploring BASIC 7.0. In: COMPUTE’S! First Book of C128. Compute! Publishing, Greensboro 1986, S. 6.
  805. Matthias Fichtner: Duell an der Basis. In: 64’er. Bd. 7, Nr. 6, 1990, S. 18–24.
  806. Roland Fieger: Das Sprachenkabinett. In: 64’er. Bd. 4, Nr. 4, 1987, S. 162 ff.
  807. Louis Wallace, David Darus: Basic 8.0: The Enhanced Graphics System For The C128. Patech Software, Somerset 1986, S. 20.
  808. a b Don Romero: BASIC 8.0. In: Info. The Useful Guide to Amiga & Commodore Computing. Nr. 21, 1988, S. 59.
  809. Louis Wallace, David Darus: Basic 8.0: The Enhanced Graphics System For The C128. Patech Software, Somerset 1986, S. 2.
  810. Mark Jordan: Hidden Video Memory. In: Commodore Magazine. Bd. 3, Nr. 6, 1989, S. 75.
  811. Louis Wallace, David Darus: Basic 8.0: The Enhanced Graphics System For The C128. Patech Software, Somerset 1986, S. 8.
  812. Louis Wallace, David Darus: Basic 8.0: The Enhanced Graphics System For The C128. Patech Software, Somerset 1986, S. 11.
  813. Andreas Bude System Hard- u. Software-Werbeanzeige. In: Happy Computer. Bd. 6, Nr. 5, 1988, S. 75.
  814. Markus Ohnesorg, Harald Meyer: Erste Erweiterung für den C128. In: 64’er. Bd. 3, Nr. 5, 1986, S. 11.
  815. Michael Thomas, Roland Fieger: BASIC-Nachbrenner für den C128. In: 64’er. Bd. 4, Nr. 2, 1987, S. 158 f.
  816. Thomas Helbig: BASIC 128. The complete BASIC compiler and development system. Grand Rapids: Abacus Software (1986, 2. Aufl.), S. III.
  817. a b c Caroline D. Hanlon: Buyer’s Guide to Programming Aids. In: Compute!’s Gazette. Bd. 7, Nr. 4, 1989, S. 16.
  818. a b c d e f g h i Roland Fieger: Das Sprachenkabinett. In: 64’er. Bd. 4, Nr. 4, 1987, S. 162 f.
  819. Thomas Kaltenbach: BASIC-Tuning. In: Happy Computer. Bd. 5, Nr. 5, 1987, S. 50.
  820. Udo Reetz, Achim Hübner: Austro-Comp – jetzt auch für den C128. In: 64’er. Bd. 3, Nr. 3, 1986, S. 144.
  821. Bob Skyles: Blitz! 128. Skyles Electric Works, Mountain View 1985, S. 1.
  822. a b c d e f g Ralf Müller: So sag ich’s dem Computer. In: Happy Computer. Bd. 6, Nr. 9, 1988, S. 40.
  823. a b c d e Commercial Commodore 128 Specific Software/Hardware list. In: commodore.se. Archiviert vom Original (nicht mehr online verfügbar) am 22. November 2015; abgerufen am 19. Mai 2024 (englisch).
  824. a b c d Volker Everts: Neue CP/M-Software für den C128. In: 64’er. Bd. 3, Nr. 6, 1986, S. 13.
  825. a b Roland Fieger: Programmiersprachen – fast alles dabei. In: 64’er. Bd. 5, Nr. 8, 1988, S. 138.
  826. Guido Weckwerth, Herbert Buckel, Roland Fieger: BASIC unter CP/M: MS- und CBASIC auf dem Commodore 128. In: 128’er. Sonderheft Nr. 10, 1986, S. 24.
  827. Herbert Buckel: Neue CP/M-Software für den C128: Microsoft BASIC. In: 64’er. Bd. 3, Nr. 9, 1986, S. 12.
  828. Guido Weckwerth, Herbert Buckel, Roland Fieger: BASIC unter CP/M: MS- und CBASIC auf dem Commodore 128. In: 128’er. Sonderheft Nr. 10, 1986, S. 24 f.
  829. Martin Kotulla: Das große Buch der Public-Domain-Software. Freie CP/M-Programme für Commodore 128, Schneider CPC und Joyce. Heise, Hannover 1988, S. 202.
  830. Mark Sawusch, Dave Prochnow: 1001 Things To Do With Your Commodore 128. TAB Books, Blue Ridge Summit 1986, S. 163.
  831. a b Caroline D. Hanlon: Buyer’s Guide to Programming Aids. In: Compute!’s Gazette. Bd. 7, Nr. 4, 1989, S. 18.
  832. Better Working: Power C. Spinnaker, Cambridge 1986
  833. C-Compiler mit komplettem Quellcode für den C128. In: 64’er. Bd. 3, Nr. 3, 1986, S. 15.
  834. Roland Fieger, Herbert Buckel: Small C: Der C-Compiler für Systemprogrammierer. In: 64’er. Bd. 3, Nr. 8, 1986, S. 142 f.
  835. Volker Everts, Norbert Jungmann: C für Profis. In: 64’er. Bd. 3, Nr. 8, 1986, S. 141 f.
  836. K. A. Alexander: COBOL 128 Software System. Abacus Software, Grand Rapids 1986
  837. VS128COBOL. Visionary Software, Farmington Hills 1985
  838. a b c d Roland Fieger: Programmiersprachen – fast alles dabei. In: 64’er. Bd. 5, Nr. 8, 1988, S. 141.
  839. Fritz Nestle, Dietrich Pohlmann: C64/128 COMAL 80 Programmierpraxis. Markt+Technik, Haar bei München 1987
  840. Manfred Wenzel: Forth am Commodore 128. In: Commodore Welt. Bd. 3, Nr. 11, 1986, S. 56 f.
  841. Martin Kotulla: Das große Buch der Public-Domain-Software. Freie CP/M-Programme für Commodore 128, Schneider CPC und Joyce. Heise, Hannover 1988, S. 119.
  842. a b Martin Kotulla: Das große Buch der Public-Domain-Software. Freie CP/M-Programme für Commodore 128, Schneider CPC und Joyce. Heise, Hannover 1988, S. 82.
  843. Hermann Schnepf: Super Pascal 128. Abacus, Grand Rapids 1986, S. 3.
  844. Kyan Pascal 128. In: Info: The Useful Guide to Commodore Computing. Bd. 4, Nr. 1, 1987, S. 34.
  845. a b c d Roland Fieger: Das Sprachenkabinett. In: 64’er. Bd. 4, Nr. 4, 1987, S. 164.
  846. Michael Thomas, Roland Fieger: Eine Sprache für den C128. In: 64’er. Bd. 4, Nr. 10, 1987, S. 128 f.
  847. Markt+Technik-Werbeanzeige. In: 128’er. Sonderheft Nr. 10, 1986, S. 86.
  848. M. Thomas, Volker Everts: Turbo-Pascal auf dem C128. In: 64’er. Bd. 2, Nr. 11, 1985, S. 30 ff.
  849. Martin Kotulla: Das große Buch der Public-Domain-Software. Freie CP/M-Programme für Commodore 128, Schneider CPC und Joyce. Heise, Hannover 1988, S. 24 f.
  850. Martin Kotulla: Das große Buch der Public-Domain-Software. Freie CP/M-Programme für Commodore 128, Schneider CPC und Joyce. Heise, Hannover 1988, S. 36.
  851. Martin Kotulla: Das große Buch der Public-Domain-Software. Freie CP/M-Programme für Commodore 128, Schneider CPC und Joyce. Heise, Hannover 1988, S. 101.
  852. a b Rodnay Zaks: Chip und System. Einführung in die Mikroprozessor-Technik. Sybex, Düsseldorf 1984, S. 430.
  853. Stefan Höltgen: Resume. Hands-on Retrocomputing. Projekt Verlag, Bochum/Freiburg 2016, S. 49.
  854. Peter Fischer: Das kleine PC-Lexikon. Mikro + Kleincomputer-Informa-Verlag, Luzern 1985, S. 14.
  855. Xavier Berenguer, Albert Corominas, Josep Garriga: Computer. Technik, Anwendung, Auswirkungen. Reinbek: Rowohlt, 1978, S. 62.
  856. Peter Fischer: Das kleine PC-Lexikon. Mikro + Kleincomputer-Informa-Verlag, Luzern 1985, S. 83.
  857. Hans-Joachim Sacht: Mikroprozessoren. Kleinstcomputer für alle. München: Humboldt, 1978, S. 58.
  858. Hans-Joachim Sacht: Mikroprozessoren. Kleinstcomputer für alle. München: Humboldt, 1978, S. 53.
  859. Chris Miller: Buddy 64/128 Assembly Development System. Click Here Software, Charlotte 1990, S. 4.
  860. Chris Miller: Better Working: Power Assembler. Spinnaker, Cambridge 1986
  861. D.J. Morris: Twin-80 Screen For the Commodore 128. In: The Transactor. Bd. 8, Nr. 3, 1987, S. 57.
  862. Matthew Montchalin: C-128 Midnight Assembly System. Mountain Wizardry Software, Portland 1988
  863. Chris Taylor: Rebel Assembler/Editor. Nu Age Software, St. Petersburg 1985
  864. Kevin Pickell: Total Software Development System. NoSync Software, Port Coquitlam 1985
  865. Caroline D. Hanlon: Buyer’s Guide to Programming Aids. In: Compute!’s Gazette. Bd. 7, Nr. 4, 1989, S. 17.
  866. Hartmut Woerrlein: Fast 128: Assembler für den C128. In: Happy Computer. Bd. 5, Nr. 8, 1987, S. 16.
  867. Achim Hübner: Top-Ass: Der erste Assembler für den C128. In: 64’er. Bd. 3, Nr. 3, 1986, S. 146f.
  868. Gerd Möllmann, Michael Bauer: Programmieren in Assembler mit Top-Ass plus für den C128. Markt+Technik, Haar bei München 1987, S. 13.
  869. René Beaupoil: Programmieren in Assembler mit Top-Ass Plus für den C128. In: 64’er. Bd. 4, Nr. 7, 1987, S. 152.
  870. Robert Baker: Developers Kit. In: Info. The Useful Guide to Amiga & Commodore Computing. Nr. 22, 1988, S. 56.
  871. Peter Danek, Peter Pansegrau, Jürgen Puschmann, Rasso von Schlichtegroll, Michael B. Zirpel: C128-Learn. Eine Einführung in Maschinensprache für den C128. Holtkötter, München 1986.
  872. Roland Flieger: Ein starkes Paar: C128-Macro und C128-Profi. In: 64’er. Bd. 4, Nr. 5, 1987, S. 147.
  873. Martin Kotulla: Das große Buch der Public-Domain-Software. Freie CP/M-Programme für Commodore 128, Schneider CPC und Joyce. Heise, Hannover 1988, S. 54–58.
  874. Peter Hornby, Margaret Anderson: A review of software for introductory psychology instruction. In: Behavior Research Methods, Instruments & Computers. Bd. 22, Nr. 2, 1990, S. 189.
  875. a b Mark Sawusch, Dave Prochnow: 1001 Things To Do With Your Commodore 128. TAB Books, Blue Ridge Summit 1986, S. 164.
  876. Gregor Neumann: Vizawrite – eine Dreiecksgeschichte. In: Happy Computer. Bd. 5, Nr. 10, 1987, S. 151.
  877. Torsten Seibt: Eine Legende kommt wieder. In: Commodore Welt. Bd. 3, Nr. 8, 1986, S. 4 f.
  878. Roland Fieger, Arnd Wängler: Vizawrite Classic 128 – Gutes noch besser? In: 64’er. Bd. 3, Nr. 5, 1986, S. 44 ff.
  879. Rudolf Egg, Klaus Schrödl: Die Komfort-Klasse – Textprogramme für den C128. In: 64’er. Bd. 4, Nr. 6, 1987, S. 44 f.
  880. a b c d e f g Klaus Schrödl: Gut gekauft ist halb getextet. In: 64’er. Bd. 4, Nr. 6, 1987, S. 48 f.
  881. Commodore Buyer’s Guide to software and accessories Volume 3. West Chester: Commodore Magazine, Inc., 1987, S. 67.
  882. Commodore Buyer’s Guide to software and accessories Volume 3. West Chester: Commodore Magazine, Inc., 1987, S. 69.
  883. a b Axel Pretzsch, Arnd Wängler: Out: Schreibmaschine. In: 64’er. Bd. 4, Nr. 10, 1987, S. 177.
  884. Thomas Röder: Super-Textverarbeitung für den C128. In: 64’er. Bd. 4, Nr. 5, 1987, S. 10.
  885. Klaus Schrödl: Druckerzauber mit Fontmaster 128. In: 64’er. Bd. 4, Nr. 7, 1987, S. 159 f.
  886. a b c d Commodore Buyer’s Guide to software and accessories Volume 3. West Chester: Commodore Magazine, Inc., 1987, S. 70.
  887. a b Free Spirit Software Commodore 64 & 128 Product Listing Fall 1991. Free Spirit Software, Kutztown 1991.
  888. Robert Kodadek: SpeedScript 128. In: Compute!’s Gazette. Bd. 5, Nr. 10, 1987, S. 22–52 u. S. 102–105.
  889. Michael Gruber: SpeedScript 128 Plus. In: Compute!’s Gazette. Bd. 7, Nr. 9, 1989, S. 38–44 u. 93–95.
  890. Norbert Jungmann: Ein starkes Paar. In: 64’er. Bd. 3, Nr. 12, 1986, S. 173.
  891. Rudolf Egg, Klaus Schrödl: Die Komfort-Klasse – Textprogramme für den C128. In: 64’er. Bd. 4, Nr. 6, 1987, S. 46.
  892. Axel Pretzsch, Arnd Wängler: Out: Schreibmaschine. In: 64’er. Bd. 4, Nr. 10, 1987, S. 180.
  893. Commodore 128: Jane. Commodore Business Machines, West Chester 1985
  894. Lance Elko: The Summer Consumer Electronics Show. In: Compute!’s Gazette. Bd. 4, Nr. 9, 1986, S. 24.
  895. Karl Hinsch, Christine Geißler: Protext 128 – Bewährtes erweitert. In: 64’er. Bd. 3, Nr. 2, 1986, S. 21 f.
  896. Rudolf Egg, Klaus Schrödl: Die Komfort-Klasse – Textprogramme für den C128. In: 64’er. Bd. 4, Nr. 6, 1987, S. 45 f.
  897. a b Dirk Astrath: Der C128 als Schreibmaschine. Bd. 6, Nr. 7, 1989, S. 122
  898. Florian Müller, Arnd Wängler: Protext – Tips & Tricks für Insider (2). Bd. 5, Nr. 7, 1988, S. 48 f.
  899. Rudolf Egg, Klaus Schrödl: Die Komfort-Klasse – Textprogramme für den C128. In: 64’er. Bd. 4, Nr. 6, 1987, S. 47.
  900. Toni Schwaiger: Commodore 128: StarTexter. Sybex, Düsseldorf 1986
  901. Axel Pretzsch, Arnd Wängler: Out: Schreibmaschine. In: 64’er. Bd. 4, Nr. 10, 1987, S. 178 f.
  902. Markt+Technik-Werbeanzeige. In: Happy Computer. Bd. 5, Nr. 9, 1987, S. 142 f.
  903. Eva-Maria Hierlmeier, Volker Everts: Gestatten: Wordstar. In: 64’er. Bd. 3, Nr. 1, 1986, S. 47 f.
  904. Rudolf Egg, Klaus Schrödl: Die Komfort-Klasse – Textprogramme für den C128. In: 64’er. Bd. 4, Nr. 6, 1987, S. 46 f.
  905. Axel Pretzsch, Arnd Wängler: Out: Schreibmaschine. In: 64’er. Bd. 4, Nr. 10, 1987, S. 182.
  906. Andrew Draheim: Aufs Papier gebracht. In: 64’er. Bd. 5, Nr. 11, 1988, S. 136.
  907. Heimo Ponnath, Arnd Wängler: Textverarbeitung: David gegen Goliath. In: 64’er. Bd. 5, Nr. 11, 1988, S. 138–142.
  908. 3D Graphics Drawing Board. Glentop Publishers, Barnet 1986
  909. Tom Brown: Colorez-128. B-Ware Computer Systems, Philadelphia 1987
  910. Rick Kane: Ipaint. Living Proof Software, Minneapolis 1987.
  911. Tom Brown: Page Illustrator 128. Patech Software, Somerset 1988
  912. Poster Maker 128. Free Spirit Software, Kutztown 1989
  913. Spray Paint 128. PHD Software Systems, Moville 1986
  914. Heino Hansen, Elmar Sonnenschein: StarPainter 128. Sybex, Düsseldorf 1987
  915. Arndt Dettke, Peter Pfliegensdörfer: Starpainter 128 – der große Bruder. In: 64’er. Bd. 4, Nr. 8, 1987, S. 152 ff.
  916. Harald Beiler: StarPainter 128 – Erstes Mal- und Zeichenprogramm für den 128. In: Commodore Welt. Bd. 4, Nr. 7, 1987, S. 28 f.
  917. Dirk Astrath: Der C128 als Grafikprofi. In: 64’er. Bd. 6, Nr. 1, 1989, S. 102.
  918. T. Gudella, Dirk Strath, Alfred Poschmann: Ein Malprogramm setzt Maßstäbe. In: 64’er. Bd. 5, Nr. 10, 1988, S. 158 f.
  919. Dirk Astrath: Der C128 als Grafikprofi. In: 64’er. Bd. 6, Nr. 1, 1989, S. 103 f.
  920. Roy C. Wainwright: CadPak-128. Abacus Software, Grand Rapids 1986, S. 1.
  921. Carl Valiulis: Technological Highbred Integrated System. Micro Aided Designs, Placentia 1986
  922. Ronnie Koshimizu: T.H.I.S.. In: Mid-Cities Commodore Club News. Bd. 7, Nr. 3, 1989, S. 8.
  923. Home Designer: CAD for the Commodore 128. K & K Software, Unbek. Ort 1987
  924. Ralf Sablowski: High-Screen-CAD 128 − Zeichnen mit hoher Auflösung. In. 64’er. Bd. 5, Nr. 2, 1988, S. 139 f.
  925. Dirk Astrath: Der C128 als Grafikprofi. In: 64’er. Bd. 6, Nr. 1, 1989, S. 103.
  926. Commodore Buyer’s Guide to software and accessories Volume 3. West Chester: Commodore Magazine, Inc., 1987, S. 60.
  927. Datafiler 128. Free Spirit Software, Kutztown 1986
  928. Ian Allen: DFile 128. In: The Australian Commodore Review. Bd. 3, Nr. 9, 1986, S. 18 f.
  929. Paperback Filer 128. Digital Solutions, Willowdale 1985
  930. Cheryl Peterson: Record Master 128. In: Ahoy! Bd. 4, Nr. 6, 1987, S. 67 ff.
  931. Commodore Superbase 128. Commodore Büromaschinen GmbH, Frankfurt/M. 1985
  932. Norbert Jungmann: Ein starkes Paar. In: 64’er. Bd. 3, Nr. 12, 1986, S. 172.
  933. Christine Geißler: Superbase für den C128. In: 64’er. Bd. 3, Nr. 2, 1986, S. 18 f.
  934. Toni Schwaiger: Commodore 128: StarDatei. Sybex, Düsseldorf 1987
  935. Norbert Jungmann: Universelle Dateiverwaltung. In: 64’er. Bd. 4, Nr. 3, 1987, S. 44 f.
  936. Florian Müller, Norbert Jungmann: Starke Dateiverwaltung. In: 64’er. Bd. 4, Nr. 6, 1987, S. 153.
  937. Alfred Poschmann: Dateiverwaltung für den C128. In: 64’er. Bd. 6, Nr. 1, 1989, S. 13.
  938. T. Gudella, Alfred Poschmann: Ihre Daten bitte... In: 64’er. Bd. 6, Nr. 2, 1989, S. 97 f.
  939. Data-Becker-Werbeanzeige. In: 64’er. Bd. 4, Nr. 7, 1987, S. 171.
  940. Rudolf Egg, Roland Fieger: Aus alt mach neu – Datamat Plus 128 im Test. In: 64’er. Bd. 4, Nr. 10, 1987, S. 126 f.
  941. Markt+Technik-Werbeanzeige. In: Happy Computer. Bd. 5, Nr. 8, 1987, S. 56.
  942. Volker Everts: dBase II – die professionelle Datenbank. In: 64’er. Bd. 3, Nr. 1, 1986, S. 48 f.
  943. René Beaupoil, Roland Fieger: dBase II kontra Superbase 128. In: 64’er. Bd. 4, Nr. 3, 1987, S. 42.
  944. Commodore Buyer’s Guide to software and accessories Volume 3. West Chester: Commodore Magazine, Inc., 1987, S. 61.
  945. Commodore Buyer’s Guide to software and accessories Volume 3. West Chester: Commodore Magazine, Inc., 1987, S. 68.
  946. Commodore Buyer’s Guide to software and accessories Volume 3. West Chester: Commodore Magazine, Inc., 1987, S. 66.
  947. Andreas Friedrich: Der Computer als Lagerverwalter. In: 64’er. Bd. 7, Nr. 5, 1990, S. 94.
  948. Rudolf Egg, Alfred Poschmann: Der C128 als Büro-Profi. In: 64’er. Bd. 5, Nr. 12, 1988, S. 72.
  949. Benn Dunington et al.: Info: Your Guide to Commodore & Amiga Computing. Product Roundup Sping/Summer 1987. Info Publications, Iowa City 1987, S. 66.
  950. a b c d Benn Dunington et al.: Info: Your Guide to Commodore & Amiga Computing. Product Roundup Sping/Summer 1987. Info Publications, Iowa City 1987, S. 67.
  951. Roland Fieger: Der C128 als Finanzexperte. In: 64’er. Bd. 4, Nr. 1, 1987, S. 166 f.
  952. Roland Fieger: Der C128 berechnet Lohnsteuer. In: 64’er. Bd. 5, Nr. 5, 1988, S. 10.
  953. SwiftSheet 128 Cosmi, Carson 1985
  954. Paperback Planner 128. Digital Solutions, Willowdale 1985
  955. Brian Morrow: Rhapsody 128. King Microware, Montreal 1985.
  956. Trio 128. Softsync, New York 1986
  957. Bob Guerra: What’s Write For You? In: Run. Bd. 4, Nr. 8, 1987, S. 43.
  958. Multiplan C128. Epyx Computer Software, San Francisco 1986.
  959. Markus Ohnesorg: Multiplan. In: 64’er. Bd. 3, Nr. 3, 1986, S. 148.
  960. Desk Manager. Softsync, New York 1986
  961. Commodore Buyer’s Guide to software and accessories Volume 3. Commodore International, West Chester 1987, S. 71.
  962. a b Jürgen Zumbach: Der C64 im C128. In: Happy Computer. Bd. 3, Nr. 11, 1985, S. 51.
  963. Christina Erskine: Program hitch for C128. In: Popular Computing Weekly. Bd. 4, Nr. 49, 1985, S. 5.
  964. Georg Klinge, Volker Everts: Neues von der Commodore-Fachausstellung – Software für den C128. In: 64’er. Bd. 2, Nr. 12, 1985, S. 9.
  965. Stuart Cooke: C128 Roundup. In: Your Commodore. Bd. 3, Nr. 9, 1986, S. 50.
  966. Boris Schneider: For C128 only. In: 128’er. Sonderheft Nr. 22, 1987, S. 142.
  967. Klaus Schrödl: Krisenmanagement. In: 128’er. Sonderheft Nr. 36, 1988, S. 3.
  968. Kikstart: Off-Road Simulator (Commodore 128) bei Moby-Games
  969. Boris Schneider: Spiele für den C128. In: 64’er. Bd. 3, Nr. 8, 1986, S. 15.
  970. Mastertronic goes 128. In: Commodore User Magazine. Bd. 3, Nr. 7, 1986, S. 7.
  971. Heinrich Lenhardt: 128er-Spiele von Mastertronic. In: Happy Computer. Bd. 4, Nr. 8, 1986, S. 155.
  972. Torsten Seibt: Die Spielewelle für den 128 rollt. In: Commodore Welt. Bd. 3, Nr. 11, 1986, S. 4 f.
  973. Martin Kotulla: Das große Buch der Public-Domain-Software. Freie CP/M-Programme für Commodore 128, Schneider CPC und Joyce. Heise, Hannover 1988, S. 178.
  974. Commodore 128 Games List. In: MobyGames. 4. August 2025, abgerufen am 4. August 2025 (englisch, klassische Spiele für den C-128 bitte nur bis 1990 berücksichtigen).
  975. Lou Wallace (Hrsg.): Fun Pak 128. SIDG Communications, Peterborough 1989, S. I f.
  976. 128 Programs. In: Commodore Microcomputers. Bd. 7, Nr. 3, 1986, S. 12.
  977. Alric Rüther, Alfred Poschmann: Futter für den Geist. In: 64’er. Bd. 5, Nr. 10, 1988, S. 142 f.
  978. Bob Lindstrom: The Making of Info. In: Info. The Useful Guide to Commodore & Amiga Computing. Nr. 18, 1988, S. 73.
  979. Mark Jordan: A Talk with Loren Lovhaug. In: Commodore Magazine. Bd. 3, Nr. 10, 1989, S. 52.
  980. Sue Albert: World of Commodore Los Angeles. In: Info. The Useful Guide to Amiga & Commodore Computing. Nr. 28, 1989, S. 68.
  981. Birger Hahn, Jörg Wittiber, Claus Bauhofer: Sonderhefte C128. In: Emuecke. Abgerufen am 24. Oktober 2015.
  982. Martin Stratmann, Christian Evers: Club 128’er Aktuell stellt sich vor. In: 64’er. Bd. 6, Nr. 9, 1989, S. 16.
  983. Andreas Boose, Tibor Boczo, Dag Lem et al.: VICE – the Versatile Commodore Emulator. In: Sourceforge. Abgerufen am 16. Oktober 2015 (englisch).
  984. Andreas Boose, Tibor Boczo, Dag Lem et al.: VICE – the Versatile Commodore Emulator: About VICE. In: Sourceforge. Abgerufen am 16. Oktober 2015 (englisch).
  985. Raeto West: The Commodore 128 – An Exclusive Preview. In: Commodore User. Bd. 3, Nr. 5, 1985, S. 38.
  986. Jim Gracely: The Commodore 128 Personal Computer: The Compatible Computer You’ve Been Waiting For. In: Commodore Microcomputers. Bd. 6, Nr. 2, 1985, S. 70.
  987. a b Tom R. Halfhill: The Commodore 128: A Hands-On Report. In: Compute! Bd. 7, Nr. 6, 1985, S. 18 f.
  988. John J. Anderson: Commodore 128: Capability and compatibility in Commodore’s new flagship. In: Creative Computing. Bd. 12, Nr. 7, 1985, S. 34.
  989. William Wiese: The Commodore 128 Personal Computer System. In: Byte. Bd. 11, Nr. 7, 1986, S. 272.
  990. Steven Darnold: Commodore C-128: Crammed with commands. In: New Zealand Bits And Bytes. Bd. 4, Nr. 4, 1985, S. 12.
  991. Barry Miles: 128 Preview. In: Your Commodore. Bd. 2, Nr. 6, 1985, S. 47.
  992. a b Arthur Young: Commodore 128 Review. In: Your Computer. Bd. 5, Nr. 6, 1985, S. 48.
  993. Morton Kevelson: Opening Ceremonies for the Commodore 128. In: Ahoy! Bd. 2, Nr. 8, 1985, S. 30.
  994. William Wiese: The Commodore 128 Personal Computer System. In: Byte. Bd. 11, Nr. 7, 1986, S. 270.
  995. Stuart Cooke: The C128 – In Depth. In: Your Commodore. Bd. 2, Nr. 11, 1985, S. 11.
  996. Benn Dunnington: At home with the: C128. In: Info-64. Nr. 7, 1985, S. 40.
  997. a b c Charles Brannon: Inside the 128. In: Compute!’s Gazette. Bd. 3, Nr. 6, 1985, S. 30.
  998. Jeff Naylor: Jack of all trades. In: Popular Computing Weekly. Bd. 4, Nr. 25, 1985, S. 20.
  999. a b c Benn Dunnington: A Nostalgic Look Back at the Commodore 128. In: Info-64. Nr. 9, 1985, S. 26.
  1000. a b Margaret Morabito: The C-128: How Does It Stack Up? In: Run. Bd. 2, Nr. 6, 1985, S. 90.
  1001. a b John Holttum: The Commodore 128: Impressions and Observations. In: The Transactor. Bd. 6, Nr. 5, 1986, S. 25.
  1002. a b Nick Sullivan: The C-128: A Programmer’s Playground. In: TPUG Magazine. Nr. 15, 1985, S. 18 ff.
  1003. Jeff Naylor: Jack of all trades. In: Popular Computing Weekly. Bd. 4, Nr. 25, 1985, S. 19.
  1004. Jeff Naylor: Three into one won’t go. In: Popular Computing Weekly. Bd. 4, Nr. 46, 1985, S. 12.
  1005. Tom R. Halfhill: The Commodore 128: A Hands-On Report. In: Compute! Bd. 7, Nr. 6, 1985, S. 20.
  1006. a b Stuart Cooke: The C128 – In Depth. In: Your Commodore. Bd. 2, Nr. 11, 1985, S. 10.
  1007. Morton Kevelson: Opening Ceremonies for the Commodore 128. In: Ahoy! Bd. 2, Nr. 8, 1985, S. 29.
  1008. a b c d e John J. Anderson: Commodore 128: Capability and compatibility in Commodore’s new flagship. In: Creative Computing. Bd. 12, Nr. 7, 1985, S. 33.
  1009. Barry Miles: 128 Preview. In: Your Commodore. Bd. 2, Nr. 6, 1985, S. 46.
  1010. Chris Jenkins: C128 – The System. In: Commodore Horizons. Bd. 3, Nr. 1, 1986, S. 11.
  1011. a b Jeff Naylor: Three into one won’t go. In: Popular Computing Weekly. Bd. 4, Nr. 46, 1985, S. 11.
  1012. Sheldon Leeman: Commodore’s Port: The Commodore 128 PC. In: Creative Computing. Bd. 12, Nr. 4, 1985, S. 116.
  1013. Benn Dunnington: News & Views: Special C.E.S. Edition. In: Info-64. Nr. 6, 1985, S. 16.
  1014. a b John J. Anderson: Commodore 128: Capability and compatibility in Commodore’s new flagship. In: Creative Computing. Bd. 12, Nr. 7, 1985, S. 30.
  1015. Arthur Young: Commodore 128 Review. In: Your Computer. Bd. 5, Nr. 6, 1985, S. 49.
  1016. Eric Doyle: C128 Revisited. In: Your Commodore. Bd. 3, Nr. 9, 1986, S. 57.
  1017. Raeto West: The Commodore 128 – An Exclusive Preview. In: Commodore User. Bd. 3, Nr. 5, 1985, S. 34.
  1018. Morton Kevelson: Opening Ceremonies for the Commodore 128. In: Ahoy! Bd. 2, Nr. 8, 1985, S. 29.
  1019. Margaret Morabito: The C-128: How Does It Stack Up? In: Run. Bd. 2, Nr. 6, 1985, S. 91.
  1020. Eric Doyle: C128 Revisited. In: Your Commodore. Bd. 3, Nr. 9, 1986, S. 57.
  1021. Hardware Systems Special Supplement. In: Popular Computing Weekly. Bd. 5, Nr. 47, 1986, S. 27.
  1022. a b c Morton Kevelson: Opening Ceremonies for the Commodore 128. In: Ahoy! Bd. 2, Nr. 8, 1985, S. 33.
  1023. Benn Dunnington: At home with the: C128. In: Info-64. Nr. 7, 1985, S. 37.
  1024. a b c d Sheldon Leeman: Commodore’s Port: The Commodore 128 PC. In: Creative Computing. Bd. 12, Nr. 4, 1985, S. 117.
  1025. Raeto West: The Commodore 128 – An Exclusive Preview. In: Commodore User. Bd. 3, Nr. 5, 1985, S. 37.
  1026. a b Nick Sullivan: The C-128: A Programmer’s Playground. In: TPUG Magazine. Nr. 15, 1985, S. 18.
  1027. John J. Anderson: Commodore 128: Capability and compatibility in Commodore’s new flagship. In: Creative Computing. Bd. 12, Nr. 7, 1985, S. 35.
  1028. William Wiese: The Commodore 128 Personal Computer System. In: Byte. Bd. 11, Nr. 7, 1986, S. 274.
  1029. a b Eric Doyle: C128 Revisited. In: Your Commodore. Bd. 3, Nr. 9, 1986, S. 58.
  1030. David Kelly: View. In: Popular Computing Weekly. Bd. 4, Nr. 3, 1985, S. 3.
  1031. Christopher Jenkins: CBM International shares down again. In: Commodore Horizons. Bd. 2, Nr. 6, 1985, S. 9.
  1032. Benj Edwards: The Golden Age of Commodore Computers: Commodore 128 (1985). In: PC Magazine. 14. April 2016, abgerufen am 14. April 2016 (englisch).
  1033. Benn Dunnington: Will the 128 Fly? In: Info-64. Nr. 7, 1985, S. 19.
  1034. a b Steven Darnold: Commodore C-128: Crammed with commands. In: New Zealand Bits And Bytes. Bd. 4, Nr. 4, 1985, S. 13.
  1035. Margaret Morabito: The C-128: How Does It Stack Up? In: Run. Bd. 2, Nr. 6, 1985, S. 49.
  1036. Stuart Cooke: The C128 – In Depth. In: Your Commodore. Bd. 2, Nr. 11, 1985, S. 12.
  1037. Chris Jenkins: C128 – The System. In: Commodore Horizons. Bd. 3, Nr. 1, 1986, S. 12.
  1038. William Wiese: The Commodore 128 Personal Computer System. In: Byte. Bd. 11, Nr. 7, 1986, S. 272.
  1039. Tom R. Halfhill: The Commodore 128: A Hands-On Report. In: Compute! Bd. 7, Nr. 6, 1985, S. 28.
  1040. Jim Gracely: The Commodore 128 Personal Computer: The Compatible Computer You’ve Been Waiting For. In: Commodore Microcomputers. Bd. 6, Nr. 2, 1985, S. 73.
  1041. Jim Butterfield: Commodore 128: New Things. In: TPUG Magazine. Nr. 18, 1985, S. 16.
  1042. a b William Wiese: The Commodore 128 Personal Computer System. In: Byte. Bd. 11, Nr. 7, 1986, S. 272.
  1043. Benn Dunnington: At home with the: C128. In: Info-64. Nr. 7, 1985, S. 39.
  1044. a b Jeff Naylor: Three into one won’t go. In: Popular Computing Weekly. Bd. 4, Nr. 46, 1985, S. 13.
  1045. Benn Dunnington: News & Views: Special C.E.S. Edition. In: Info-64. Nr. 6, 1985, S. 18.
  1046. Benn Dunnington: At home with the: C128. In: Info-64. Nr. 7, 1985, S. 41.
  1047. Karl Dallas: Going up to 128 Part 1 – C-128, the perfect 64 upgrade. In: Commodore User. Bd. 3, Nr. 12, 1985, S. 97.
  1048. Charles Brannon: Inside the 128. In: Compute!’s Gazette. Bd. 3, Nr. 6, 1985, S. 22.
  1049. a b Volker Everts: PC128 – Der Profi. In: 64’er. Bd. 2, Nr. 4, 1985, S. 16.
  1050. Volker Everts: PC128 – Der Profi. In: 64’er. Bd. 2, Nr. 4, 1985, S. 13–16.
  1051. Volker Everts, Harald Meyer: Erster ausführlicher Test PC128 (Teil 1). In: 64’er. Bd. 2, Nr. 6, 1985, S. 17.
  1052. Volker Everts, Harald Meyer: Erster ausführlicher Test PC128 (Teil 1). In: 64’er. Bd. 2, Nr. 6, 1985, S. 28.
  1053. Peter Zumbach: Computer der dritten Art. 520 ST und C128. In: Happy Computer. Bd. 3, Nr. 9, 1985, S. 22.
  1054. Peter Zumbach: Computer der dritten Art. 520 ST und C128. In: Happy Computer. Bd. 3, Nr. 9, 1985, S. 28.
  1055. Peter Zumbach: Computer der dritten Art. 520 ST und C128. In: Happy Computer. Bd. 3, Nr. 9, 1985, S. 29.
  1056. Peter Zumbach: Computer der dritten Art. 520 ST und C128. In: Happy Computer. Bd. 3, Nr. 9, 1985, S. 32.
  1057. Stefan Grainer: Drei in einem. Commodores Verwandlungskünstler C128. In: c’t. Bd. 3, Nr. 10, 1985, S. 34.
  1058. Stefan Grainer: Drei in einem. Commodores Verwandlungskünstler C128. In: c’t. Bd. 3, Nr. 10, 1985, S. 35.
  1059. Stefan Grainer: Drei in einem. Commodores Verwandlungskünstler C128. In: c’t. Bd. 3, Nr. 10, 1985, S. 36.
  1060. Dietmar Eirich, Peter Herzberg: Computer Jahrbuch ’86. Heyne, München 1985, S. 64.
  1061. Peter Niemann: Commodore 128 Anwenderhandbuch. MacGraw-Hill, Hamburg 1986, S. 1.
  1062. Torsten Seibt: 128 kontra 128D: Wen denn? In: Commodore Welt. Bd. 3, Nr. 10, 1986, S. 62.
  1063. a b c Winnie Forster: Spielkonsolen und Heimcomputer 1972–2009. Gameplan, Utting 2009, S. 66.
  1064. Alex Wiltshire: Home Computers. 100 Icons that Defined a Digital Generation. Thames & Hudson, London 2020, S. 188f.
  1065. Peter Pachal: The 12 Biggest PC Duds Ever. In: PC Magazine. 9. August 2011, archiviert vom Original (nicht mehr online verfügbar) am 7. Februar 2016; abgerufen am 19. Mai 2024 (englisch).
  1066. Boris Kretzinger: Commodore. Aufstieg und Fall eines Computerriesen. Skriptorium, Morschen 2005, S. 51.
  1067. Boris Kretzinger: Commodore. Aufstieg und Fall eines Computerriesen. Skriptorium, Morschen 2005, S. 51 f.
  1068. Elmar Friebe: Fehlinvestition? In: 128’er. Sonderheft Nr. 44, 1989, S. 3.
  1069. David H. Ahl: 1985 Winter Consumer Electronics Show. In: Creative Computing. Bd. 12, Nr. 4, 1985, S. 50.
  1070. Joe Gelman: Buyer’s Guide Computers. In: Family Computing. Bd. 3, Nr. 6, 1985, S. 35.
  1071. Jürgen Hückstädt, Andreas Hagedorn: BASIC-Aussteiger: Bitte einsteigen (Teil 1). In: Happy Computer. Bd. 4, Nr. 4, 1986, S. 115.
  1072. Andreas Hagedorn, Werner Breuer, Jürgen Zumbach: CP/M-Probleme auf Heimcomputern. In: Happy Computer. Bd. 4, Nr. 2, 1986, S. 32.
  1073. Boris Kretzinger: Commodore. Aufstieg und Fall eines Computerriesen. Skriptorium, Morschen 2005, S. 52.
  1074. a b c Bill Loguidice, Matt Burton: Vintage Game Consoles. Focal Press, New York / London 2014, S. 116.
  1075. Dale A. Costello: Commodore External RAM Expansion Cartridges. In: The Transactor. Bd. 8, Nr. 2, 1987, S. 38.
  1076. Mark R. Brown: 1764 RAM Expander. In: Info. The Useful Guide to Commodore & Amiga Computing. Nr. 15, 1987, S. 43.