Brummspannung

Als Brummspannung bezeichnet man in der Elektrotechnik die Restwelligkeit der elektrischen Spannung, das heißt den noch verbleibenden Wechselspannungsanteil einer geglätteten oder geregelten Versorgungsspannung, nachdem diese von einem Gleichrichter gleichgerichtet und von einem Kondensator geglättet und/oder von einem Spannungsregler auf ein niedrigeres Niveau herabgeregelt wurde.

Allgemeines

1) Wechselspannung gleichgerichtet
2) durch zusätzlichen Kondensator geglättete pulsierende Gleichspannung/Mischspannung

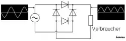
Öffentliche Stromnetze werden in Europa mit Wechselspannung und einer Netzfrequenz von 50 Hz (in einigen Ländern 60 Hz) betrieben. Zum Betrieb von Geräten der Unterhaltungselektronik wird im Allgemeinen eine möglichst konstante Gleichspannung benötigt. Bei einer Umwandlung von Wechselspannung in Gleichspannung (durch das Netzgerät mit Transformator) kommt es daher darauf an, die durch den Phasenverlauf bedingten Spannungsschwankungen der Wechselspannung (1. sowie 2. Abbildung rechts) möglichst gut zu einem gleichbleibenden Gleichspannungsniveau zu glätten. Es verbleibt aber ggf. eine Restwelligkeit der Versorgungsspannung, ein Wechselspannungsanteil, der in Kopfhörern oder Lautsprechern als Brummton von 50 Hz (bei Vollweggleichrichtung 100 Hz) hörbar werden kann und auch als Netzbrumm bezeichnet wird.

Wenn eine Wechselspannung mit Dioden gleichgerichtet wird, entsteht in der Mitte jeder halben Periode eine Spannungsspitze, die wieder auf Null abfällt (1. Abbildung rechts). Dieses Abfallen kann mit einem Kondensator verzögert, aber nicht verhindert werden. Somit entsteht in jeder halben Periode eine Differenz zwischen der Spitzenspannung und dem tiefsten Punkt der Kondensatorspannung vor dem Wiederanstieg (2. Abbildung). Diese so entstandene Spannungsdifferenz bezeichnet man als Restwelligkeitsspannung. Sie kann mit einem „gekoppelten TRUE-RMS-Messgerät“ (Effektivwert) gemessen werden.

Durch Kondensatoren mit möglichst großer Kapazität kann die Brummspannung minimiert werden. Der Kondensator sollte so bemessen sein, dass er den Strombedarf des Verbrauchers in der spannungsärmeren Phase decken kann. Bei zusätzlichem Einsatz eines Spannungsreglers, der die Ausgangsspannung konstant auf ein Niveau begrenzt, das unterhalb der niedrigsten Spannung liegt, die Diodengleichrichter und Kondensator liefern, kann die Brummspannung nahezu vollständig eliminiert werden. Dazu ist als Eingangssignal eine Wechselspannung erforderlich, die im Mittel etwas größer ist als die am Verbraucher benötigte Gleichspannung.

Siehe auch

Literatur

  • Klaus Beuth sowie Wolfgang Schmusch: Elektronik 3. Grundschaltungen. 10., erweiterte Auflage. Vogel-Fachbuch, Würzburg 1990, ISBN 3-8023-0555-8. S. 45–50 + S. 188–209 (448 S.).
  • Helmut Röder, Heinz Ruckriegel, Heinz Häberle: Elektronik 1. Teil. Grundlagen Elektronik. 8. Auflage. Verlag Europa-Lehrmittel, Wuppertal 1980, ISBN 3-8085-3178-9.
  • Helmut Röder, Heinz Ruckriegel, Heinz Häberle: Elektronik 3. Teil. Nachrichtenelektronik. 5. Auflage. Verlag Europa-Lehrmittel, Wuppertal 1980, ISBN 3-8085-3225-4.
  • Fritz Kühne: Niederfrequenz-Verstärker mit Röhren und Transistoren. 13. Auflage. Franzis Verlag, München 1970.
  • Siegfried Wirsum: Nf-Tricks für den Audio-Freak. 1. Auflage. Franzis Verlag, München 1990, ISBN 3-7723-3321-4.