74181
Die 74181 ist eine 4-Bit-Arithmetisch-logische Einheit (ALU) auf einem integrierten Schaltkreis aus der 74xx-Serie, die erste ALU auf einem Chip. Die Einführung erfolgte 1970 durch Texas Instruments und machte den Bau von Minicomputern einfacher und billiger. Der Chip wurde als Bit-Slice-Baustein eingesetzt und findet sich in zahlreichen historischen Minicomputern.[1]
Funktion

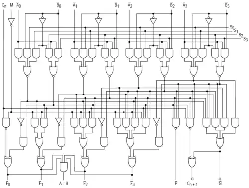
Die 74181 ist ein Baustein mit mittlerem Integrationsgrad (MSI), der über 75 äquivalente Logikgatter verfügt. Die ursprüngliche Ausführung war in TTL-Logik. Er wurde typischerweise als 24-Pin-Gehäuse ausgeliefert. Diese ALU kann auf Worten von vier Bit
- alle 16 logischen Operationen mit zwei Variablen
- Addition mit und ohne Übertrag
- Subtraktion mit und ohne Übertrag
- Inkrement und Dekrement
- Vergleich von Werten auf gleich, größer oder kleiner
durchführen. Bei Addition und Subtraktion werden auch die Signale für Carry-Look-Ahead-Addierer erzeugt, so dass sich mehrere 74181 zu einem Addiernetzwerk zusammenschalten lassen. Dies konnte mit dem dazu gehörigen Baustein 74182 geschehen.[2] Alternativ können mehrere 74181 auch durch Verschalten des Ausgangs mit dem Eingang des folgenden Schaltkreises als Ripple-Carry-Addierer verwendet werden, wenn die Geschwindigkeit unkritisch ist.
Ein- und Ausgänge
Die 74181 verfügt über vierzehn Eingänge: Jeweils vier für die beiden Operanden bis und bis , vier Eingänge für die Auswahl der Operation bis , einen Eingang für die Auswahl, ob logische oder arithmetische Operationen durchgeführt werden, und ein Eingangssignal für den Übertrag . Die acht Ausgänge sind die vier Ergebnisse bis , der entstehende Übertrag , die Ausgänge für propagate und für das propagate- und generate-Signal des carry-lookahead-Addiers sowie ein Ausgang , der die Gleichheit der beiden Eingabewerte anzeigt.
Logikpegel
Die 74181 kann sowohl mit dem Logikpegel active-low (niedrige Spannung entspricht der logischen 1) als auch active-high (hohe Spannung entspricht der logischen 1) betrieben werden. Der Baustein selber liefert immer die gleichen Ergebnisse, aber die Interpretation der Daten ändert sich damit.
Funktionstabelle für F
In der folgenden Funktionstabelle ist das logische UND als Produkt dargestellt und das logische ODER als . 'L' steht für den niedrigen Spannungspegel, 'H' für den hohen.
| Auswahl | Active-low data | Active-high data | |||||||
| Logik | Arithmetisch | Logik | Arithmetisch | ||||||
| Kein Übertrag | Übertrag | Kein Übertrag | Übertrag | ||||||
| L | L | L | L | minus | plus | ||||
| L | L | L | H | minus | plus | ||||
| L | L | H | L | minus | plus | ||||
| L | L | H | H | Logical 1 | (Zweierkomplement) | (zero) | Logical 0 | (Zweierkomplement) | (zero) |
| L | H | L | L | plus | plus plus | plus | plus plus | ||
| L | H | L | H | plus | plus plus | plus | plus plus | ||
| L | H | H | L | minus minus | minus | minus minus | minus | ||
| L | H | H | H | plus | minus | ||||
| H | L | L | L | plus | plus plus | plus | plus plus | ||
| H | L | L | H | plus | plus plus | plus | plus plus | ||
| H | L | H | L | plus | plus plus | plus | plus plus | ||
| H | L | H | H | plus | minus | ||||
| H | H | L | L | Logical 0 | plus | plus plus | Logical 1 | plus | plus plus |
| H | H | L | H | plus | plus plus | plus | plus plus | ||
| H | H | H | L | plus | plus plus | plus | plus plus | ||
| H | H | H | H | plus | minus | ||||
Historische Einordnung und Bedeutung

Frühe Computer wie der Eniac oder die IBM 704 verwendeten Elektronenröhren. Der Übergang zu einzelnen Transistoren wie bei der IBM 7090 oder der PDP-1 ermöglichte eine deutlich höhere Zuverlässigkeit und einen geringeren Stromverbrauch. Das Aufkommen von integrierten Schaltungen ermöglichte eine weitere Reduktion von Baugrößen und Kosten.
Eines der komplexesten Teile der damaligen Computer war die ALU. Um dort Kosten zu sparen, wurde beispielsweise bei der PDP-8/S eine ALU mit einer Breite von einem Bit verwendet.[3]
Die 74181 stellte hierbei einen Meilenstein dar: Sie war der erste integrierte Schaltkreis, der eine ALU auf einem Baustein implementierte.[4] Dies vereinfachte den Entwurf und Bau von Computern erheblich und sparte daher auch Kosten.
Zahlreiche Minicomputer verwendeten daher eine oder mehrere 74181 als Arithmetik-Einheit. Zuerst wurde der Chip bei der Nova von Data General im Jahr 1970 eingesetzt.[5] Weitere Computer, bei denen sie Verwendung fand, waren verschiedene Modelle der PDP-11[6] und der VAX11/780 von Digital Equipment sowie die Xerox Alto.[7]
Mit zunehmender Integrationsdichte wurden Bit-Slice-Bausteine wie der 74181 von größeren Einheiten oder ganzen CPUs auf einem Baustein abgelöst.
Weblinks
- Ken Shirrif: Inside the vintage 74181 ALU chip: how it works and why it's so strange. Abgerufen am 2022-06-25.
- Ken Shirrif: Inside the 74181 ALU chip: die photos and reverse engineering. Abgerufen am 2022-06-25.
Einzelnachweise
- ↑ Ken Shirriff: Inside the vintage 74181 ALU chip: how it works and why it's so strange. Abgerufen am 18. Juni 2024.
- ↑ a b SN54LS181, SN54S181, SN74LS181, SN 74S181 Arithmetic Logic Units/Function Generators. (PDF) Texas Instruments, März 1988, abgerufen am 10. Dezember 2022.
- ↑ Computermuseum der Stuttgarter Informatik: PDP 8/S. Archiviert vom am 30. August 2007; abgerufen am 10. Dezember 2022.
- ↑ Daniel P. Siewiorek, C. Gordon Bell, Allen Newell: Computer Structures:Principles and Examples. S. 63
- ↑ The 74181 Arithmetic and Logic Unit Integrated Circuit. Archiviert vom am 7. Oktober 2018; abgerufen am 10. Dezember 2022.
- ↑ C. Gordon Bell, J. Craig Mudge, John E. McNamara: Computer Engineering: A DEC View of Hardware Systems Design. Digital Press, 1979, ISBN 0-932376-00-2, S. 335, 336 (Google Books).
- ↑ Desktop-Pionier: Einblick in den Source-Code des Xerox Alto. Archiviert vom am 5. Oktober 2016; abgerufen am 10. Dezember 2022.